- 您的位置:
- 标准下载网 >>
- 标准分类 >>
- 机械行业标准(JB) >>
- JB/T 1590-1996 凿岩机械与气动工具产品型号编制方法
标准号:
JB/T 1590-1996
标准名称:
凿岩机械与气动工具产品型号编制方法
标准类别:
机械行业标准(JB)
英文名称:
Method for compiling product models of rock drilling machinery and pneumatic tools标准状态:
现行-
发布日期:
1996-09-03 -
实施日期:
1997-07-01 出版语种:
简体中文下载格式:
.rar.pdf下载大小:
199.61 KB
替代情况:
JB 1590-83
点击下载
标准简介:
标准下载解压密码:www.bzxz.net
本标准是对JB 1590-83的修订。本次修订是对原标准加以补充完善,并贯彻了我国法定计量单位,而对标准结构未作根本改变。 JB/T 1590-1996 凿岩机械与气动工具产品型号编制方法 JB/T1590-1996
部分标准内容:
中华人民共和国机械行业标准
JB/T1590-96
凿岩机械与气动工具
产品型号编制方法
1996-09-03发布
中华人民共和国机械工业部
1997-07-01实施
JB/T1590-96
本标准是对JB1590一83的修订。为确保专业产品型号的编制具有连续性,便于专业产品的管理,因此本次修订是对原标准加以补充完善,并贯彻了我国法定计量单位,而对标准结构未作根本性改变。为了确保贯彻我国法定计量单位后,使产品型号中的主参数代号与原标准编制取得一致,原用“kgf为力的单位的,现改为“10N”为单位,原用“1f·m”为冲击能量单位的,现改为“10J”为单位等本标准在JB1590一83的基础上增加了两章,即第1章范围、第2章引用标准。本标准贯彻了GB/T1.1一1993《标准化工作导则第1单元:标准的起草与表述规则第1部分:标准编写的基本规定》和GB/T1.22一1993《标准化工作导则第2单元:标准内容的确定方法第22部分:引用标准的规定》。
本标准从实施之日起,同时代替JB1590一83。本标准由全国凿岩机械气动工具标准化技术委员会提出并归口。本标准起草单位:天水凿岩机械气动工具研究所。本标准主要起草人:赵宝玉、张玉成、陈兰芳本标准首次发布于1975年,第一次修订于1983年,本次是第二次修订。1
1范围
中华人民共和国机械行业标准
凿岩机械与气动工具
产品型号编制方法
本标准规定了凿岩机械与气动工具产品型号的编制方法。JB/T 1590—96
代替B1590—83
本标准适用于凿岩机械与气动工具产品型号的编制,不适用于钢丝绳式冲击钻机和牙轮钻机的型号编制。
2引用标准
下列标准所包含的条文,通过在本标准中引用而构成为本标准的条文。本标准出版时,所示版本均为有效。所有标准都会被修订,使用本标准的各方应探讨使用下列标准最新版本的可能性。GB3836.1一83爆炸性环境用防爆电气设备通用要求GB 6247—86
凿岩机械与气动工具名词术语
3产品型号编制的基本原则
3.1产品型号按类、组、型分类原则编制,应能反映出产品的特性,做到简单明了无重复。3.2产品名称应符合GB6247的规定,在凿岩机类和钻车类的产品名称中“气动”二字应省略,且在产品型号中不加代号(见表1)。3.3在钻车类的组别栏中“露天”和“井下”不加代号;在凿岩机类的手持式软轴传动凿岩机中,不加组别代号“D”(见表1)。
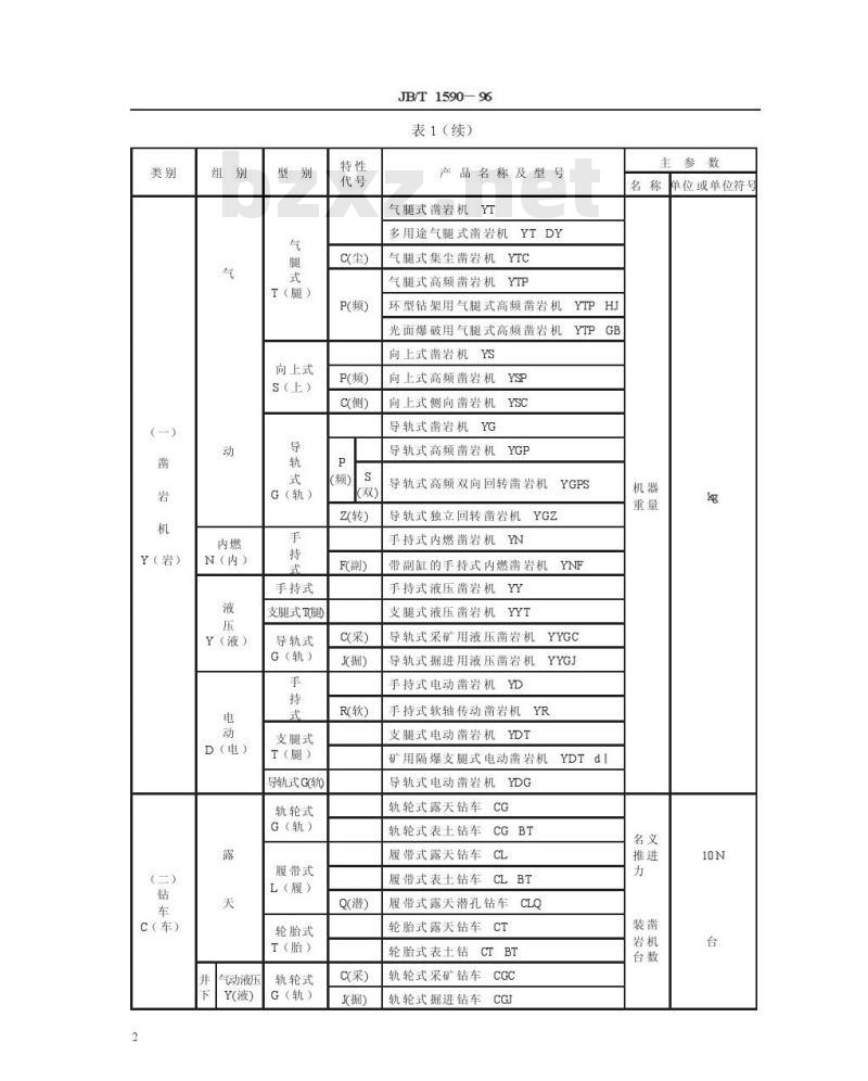
3.4气动工具类中不加类别代号(见表1)。表1凿岩机械与气动工具产品型号编制表类别
Y(岩)
机械工业部1996-09-03批准
C(尘)
x(新)
产品名称及型号
手持式凿岩机Y
手持式湿式凿岩机YH
手持式集尘凿岩机YC
新型手持式凿岩机YX
手持气腿两用凿岩机YLY
手持气腿两用湿式凿岩机YHLY
新型手持气腿两用凿岩机YXLY
主参数
名称单位或单位符号
1997-0701实施
Y(岩)
c(车)
N(内)
Y(液)
D(电)
气动液压
Y(液)
T(腿)
向上式
S(上)
G(轨)
手持式
支腿式T脑
导轨式
G(轨)
支腿式
T(腿)
导轨式G(轨)
轨轮式
G(轨)
履带式
L(履)
轮胎式
T(胎)
轨轮式
G(轨)
C(尘)
P(频)
P(频)
c(侧)
(频)
(双)
Z(转)
F(副)
c(采)
R(软)
Q(潜)
c(采)
(掘)
JB/T1590-96
表1(续)
产品名称及型号
气腿式凿岩机YT
多用途气腿式凿岩机
气腿式集尘凿岩机YTC
气腿式高频凿岩机
环型钻架用气腿式高频凿岩机YTPHJ光面爆破用气腿式高频凿岩机YTPGB向上式凿岩机YS
向上式高额凿岩机YSP
向上式侧向凿岩机YSC
导轨式凿岩机YG
导轨式高频凿岩机
导轨式高频双向回转凿岩机
导轨式独立回转凿岩机YGZ
手持式内燃凿岩机YN
带副缸的手持式内燃凿岩机YNF
手持式液压凿岩机YY
支腿式液压凿岩机YYT
导轨式采矿用液压凿岩机YYGC
导轨式掘进用液压凿岩机YYGJ
手持式电动凿岩机YD
手持式软轴传动凿岩机YR
支腿式电动凿岩机YDT
矿用隔爆支腿式电动凿岩机
LYDTdI
导轨式电动凿岩机YDG
轨轮式露天钻车
轨轮式表土钻车CGBT
履带式露天钻车CL
履带式表土钻车CLBT
履带式露天潜孔钻车CLQ
轮胎式露天钻车CT
轮胎式表土钻CTBT
轨轮式采矿钻车
轨轮式掘进钻车CGJ
主参数
名称单位或单位符号
C(车)
Q(潜)
Y(液)
CQ中)
H(回)
轨轮式
G(轨)
履带式
L(履)
T(胎)
L(履)
轮胎式T胎
柱架式
J(架)
煤式M煤)
岩石式
Y(岩)
岩心式双心
T(通)
M(锚)
L(联)
c(采)
(摄)
T(通)
M锚)
L(联)
C(采)
(掘)
T(通)
L(联)
(液)(高)
G(高)
G(高)
Z(中)
Q(前)
Y(液)
G(高)
D(电)
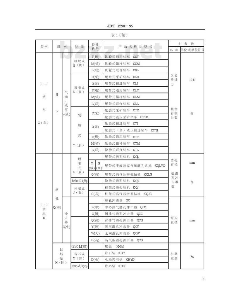
JB/T1590-96
表1(续)
产品名称及型号
轨轮式通用钻车CGT
轨轮式锚杆钻车
轨轮式联合钻车
履带式采矿钻车CLC
履带式掘进钻车CLJ
履带式通用钻车CLT
履带式锚杆钻车CLM
履带式联合钻车
轮胎式采矿钻车CTC
轮胎式液压采矿钻车CYTC
轮胎式掘进钻车CTJ
轮胎式(全)液压掘进钻车CYT
轮胎式通用钻车
轮胎式错杆钻车
轮胎式联合钻车
履带式潜孔钻机KQL
履带式半液压高气压潜孔钻机KQLYG履带式高气压潜孔钻机KQLG
轮胎式潜孔钻机KQT
柱架式潜孔钻机KQI
柱架式高气压潜孔钻机KQJG
潜孔冲击器QC
中心排气潜孔冲击器QCZ
侧排气潜孔冲击器QCC
前排气潜孔冲击器QCC
液压潜孔冲击器
无阀潜孔冲击器QCW
高气压潜孔冲击器QCG
煤钻KHM
岩石钻KHY
电动岩石钻KHYD
岩心钻KHX
主参数
名称单位或单位符号
(四)
F(辅)
(五)
(破)
T(腿)
J(架)
气动撬浮机
Q(撬)
主油器Y油
集尘器α尘
磨钎机M磨
气动灯
D(灯)
劈石机P劈
(破)
则向式C(侧
下向式双F)
水式S水)
油式Y(油)
手摇式了
单柱式Z(柱
双柱式双
圆盘式Y(圆)
伞式D
环式H(环)
手持式
s(手)
固定式
履带式
L(履)
轮胎式
T(胎)
中击器
cG中)
Y(液)
Y(液)
Y(液)
Y(液)
Y(液)
Y(液)
JB/T1590—96
表1(续)
产品名称及型号
气腿FT
退FTHJ
环形钻架用气腿
侧向式气腿FTC
下向式气腿FTX
水腿FTS
油腿FTY
手摇支腿FTJ
单柱式钻架FJZ
双柱式钻架FJS
圆盘式钻架FJY
伞形钻架FD
环形钻架FH
气动撬浮机FQ
注油器FY
集尘器FC
磨钎机FM
气动灯FD
液压劈石机FPY
手持式气动冲击破碎机PPS
手持式液压冲击破碎机PPSY
固定式气动冲击破碎机PP
固定式液压冲击破碎机PPY
履带式气动冲击破碎机PPL
履带式液压冲击破碎机PPLY
轮胎式气动冲击破碎机PPT
轮胎式液压冲击破碎机PPTY
气动破碎冲击器
液压破碎冲击器PCY
主参数
名称单位或单位符号
几器重量
装凿岩
机台数
最小支
撑直径
容油量
患尘面积
少轮直径
发电机
机器重量
mL或L
(六)
Z(钻)
S(砂)
气动砂带机
DS带砂)
气动抛光机
PG(抛光)
气动磨光机
MG(磨光)
气动螺丝刀
L(螺)
直柄式Z(直
枪柄式Q枪
测柄式C(侧
万向式W万
双向式双
角式(角)
组合式
ZH(组合)
透平式T(透
叶片式Y叶
直柄式
z(直)
角式(角)
端面式
D(端)
端面式D端
圆周式Z(周bzxZ.net
角式(角)
回转式
H(回)
移动式
Y(移)
S双)
z(直)
枪柄式
Q(枪)
Y(牙)
Y(牙)
α长)
D(端)
2(周)
X吸)
α磁)
α磁)
JB/T1590-96
表1(续)
产品名称及型号
直柄式气钻ZZ
枪柄式气钻Z
侧柄式气钻Z
万向式气钻ZW
双向式气钻ZS
角式气钻Z
组合气钻Z
气动开钻Z
透平式牙钻ZTY
叶片式气动牙钻ZYY
直柄式气动砂轮机SZ
主轴加长的直柄式气动砂轮机
角式气动砂轮机SJ
端面气动砂轮机SD
钣形砂轮端面气动砂轮机SDB
气动砂带机DS
端面式气动抛光机
圆周式气动抛光机
角式抛光机PGJ
回转式端面气动磨光机
回转式圆周气动磨光机MGZ
移动式气动磨光机
移动式吸尘气动磨光机MGYX
直柄式双向气动螺丝刀LS
直柄式双向磁刀头气动螺丝刀
直柄式双向定扭矩气动螺丝刀LSN枪柄式双向气动螺丝刀LS
枪柄式双向磁刀头气动螺丝刀LSC主参数
单位或单位符号
钻孔直径
砂轮直径
砂轮直径
主轴加长量
砂轮直径
砂轮直径
砂带宽
抛轮直径
磨轮直径
拧螺纹
×10°r/min
×10+r/min
×10°r/min
×10° rhmin
×10°r/min
×10°r/min
×10°r/min
×10° r/min
(六)
L(螺)
气动攻丝机
GS攻丝)
B(扳)
直柄式
z(直)
抢柄式
Q(枪)
纯扭式T
直柄式Z(直)
枪柄式Q(枪)
直柄式
环柄式
侧柄式
直柄式
环柄式
侧柄式
Q(枪)
J(角)
直柄式
环柄式
侧柄式
枪柄式
Q(枪)
c(磁)
c(磁)
G(高)
高短)
G(高)
c(长)
N(扭)
G(高)
N(扭)
(扭)
活塞式H(活)
(扭)
Y(用)
JB/T1590-96
表1(续)
产品名称及型号
直柄式单向气动螺丝刀LZ
直柄式单向磁刀头气动螺丝刀
枪柄式单向气动螺丝刀LQ
枪柄式单向磁刀头气动螺丝刀LC纯扭式气动螺丝刀LT
直柄式气动攻丝机GS
枪柄式气动攻丝机GS
气扳机B
储能型气扳机BE
高转速气扳机BGS
短扳轴的高转速气扳机
枪柄式气扳机BQ
高转速枪柄式气扳机
扳轴加长的枪柄式气扳机
可装螺刀头的枪柄式气扳机
储能型枪柄式气扳机BE
角式气扳机BJ
角式定扭矩气扳机
高转速角式气扳机BG
角式纯扭气扳机
定扭矩气扳机BN
枪柄式定扭矩气扳机
内藏扭力棒枪柄式定扭矩气扳机BQN扳轴加长的定扭矩气扳机BaN
活塞式气扳机BH
组合用气扳机BY
主参数
拧螺纹
宁螺纹直径
攻丝直径
拧螺纹
拧螺纹
柠螺纹直径
单位或单位符号
×10°rmin
×10°rmin
×10°r/min
柠螺纹直径
柠螺纹直径
扳轴加长量
拧螺纹
柠螺纹直径
拧螺纹
×10°rmin
×10°rmin
10N·m
B(扳)
气镐G(镐)
α铲)
气动铆钉机
M铆)
(顶杷)
X(锈)
气剪刀JD
(剪刀)
气动捣固机
D(捣)
气动捆扎机
K(捆)
组合式
Z(组)
棘轮式
L(轮)
弯柄式
环柄式
直柄式Z(直)
枪柄式
Q(枪)
拉铆式L(拉)
压铆式Y(压)
C(冲)
回转式
H(回)
剪切式
冲切式C(冲)
活塞式H(活)
齿轮式
C(齿)
蜗轮式
W(蜗)
N(扭)
D(单)
P(偏)
P(偏)
D(多)
Z(针)
M(毛)
T(毯)
P(片)
L(拉)
L(拉)
S锁)
JB/T1590—96
表1(续)
产品名称及型号
组合式气扳机BZ
电显组合式气扳机
组合式定扭矩气扳机BZN
棘轮式气扳机BL
单向棘轮式气扳机
气镐G
气铲C
铲石用气铲C
气动铆钉机M
直柄式气动铆钉机
枪柄式气动铆钉机MQ
枪柄式偏心气动铆钉机MQP
气动拉铆机ML
气动压铆机MY
顶杷DB
偏心顶杷
冲击式顶杷DBC
冲击式气动除锈器
冲击式多头气动除锈器
针束气动除锈器XCZ
回转式气动除锈器X
气剪刀JD
气冲剪JDC
活塞式气剪刀DH
气动羊毛剪JDM
气动地毯剪JDT
气动揭固机D
片状阀气动捣固机
齿轮式气动捆扎拉紧机KCL
齿轮式气动捆扎锁紧机KCS
蜗轮式气动捆扎拉紧机KWL
蜗轮式气动捆扎锁紧机KWS
主参数
机器重量
机器重量
机器重量
除锈轮直径
剪切厚度
机器重量
捆扎带宽
单位或单位符号
10N·m
X10°rmin
小提示:此标准内容仅展示完整标准里的部分截取内容,若需要完整标准请到上方自行免费下载完整标准文档。
JB/T1590-96
凿岩机械与气动工具
产品型号编制方法
1996-09-03发布
中华人民共和国机械工业部
1997-07-01实施
JB/T1590-96
本标准是对JB1590一83的修订。为确保专业产品型号的编制具有连续性,便于专业产品的管理,因此本次修订是对原标准加以补充完善,并贯彻了我国法定计量单位,而对标准结构未作根本性改变。为了确保贯彻我国法定计量单位后,使产品型号中的主参数代号与原标准编制取得一致,原用“kgf为力的单位的,现改为“10N”为单位,原用“1f·m”为冲击能量单位的,现改为“10J”为单位等本标准在JB1590一83的基础上增加了两章,即第1章范围、第2章引用标准。本标准贯彻了GB/T1.1一1993《标准化工作导则第1单元:标准的起草与表述规则第1部分:标准编写的基本规定》和GB/T1.22一1993《标准化工作导则第2单元:标准内容的确定方法第22部分:引用标准的规定》。
本标准从实施之日起,同时代替JB1590一83。本标准由全国凿岩机械气动工具标准化技术委员会提出并归口。本标准起草单位:天水凿岩机械气动工具研究所。本标准主要起草人:赵宝玉、张玉成、陈兰芳本标准首次发布于1975年,第一次修订于1983年,本次是第二次修订。1
1范围
中华人民共和国机械行业标准
凿岩机械与气动工具
产品型号编制方法
本标准规定了凿岩机械与气动工具产品型号的编制方法。JB/T 1590—96
代替B1590—83
本标准适用于凿岩机械与气动工具产品型号的编制,不适用于钢丝绳式冲击钻机和牙轮钻机的型号编制。
2引用标准
下列标准所包含的条文,通过在本标准中引用而构成为本标准的条文。本标准出版时,所示版本均为有效。所有标准都会被修订,使用本标准的各方应探讨使用下列标准最新版本的可能性。GB3836.1一83爆炸性环境用防爆电气设备通用要求GB 6247—86
凿岩机械与气动工具名词术语
3产品型号编制的基本原则
3.1产品型号按类、组、型分类原则编制,应能反映出产品的特性,做到简单明了无重复。3.2产品名称应符合GB6247的规定,在凿岩机类和钻车类的产品名称中“气动”二字应省略,且在产品型号中不加代号(见表1)。3.3在钻车类的组别栏中“露天”和“井下”不加代号;在凿岩机类的手持式软轴传动凿岩机中,不加组别代号“D”(见表1)。
3.4气动工具类中不加类别代号(见表1)。表1凿岩机械与气动工具产品型号编制表类别
Y(岩)
机械工业部1996-09-03批准
C(尘)
x(新)
产品名称及型号
手持式凿岩机Y
手持式湿式凿岩机YH
手持式集尘凿岩机YC
新型手持式凿岩机YX
手持气腿两用凿岩机YLY
手持气腿两用湿式凿岩机YHLY
新型手持气腿两用凿岩机YXLY
主参数
名称单位或单位符号
1997-0701实施
Y(岩)
c(车)
N(内)
Y(液)
D(电)
气动液压
Y(液)
T(腿)
向上式
S(上)
G(轨)
手持式
支腿式T脑
导轨式
G(轨)
支腿式
T(腿)
导轨式G(轨)
轨轮式
G(轨)
履带式
L(履)
轮胎式
T(胎)
轨轮式
G(轨)
C(尘)
P(频)
P(频)
c(侧)
(频)
(双)
Z(转)
F(副)
c(采)
R(软)
Q(潜)
c(采)
(掘)
JB/T1590-96
表1(续)
产品名称及型号
气腿式凿岩机YT
多用途气腿式凿岩机
气腿式集尘凿岩机YTC
气腿式高频凿岩机
环型钻架用气腿式高频凿岩机YTPHJ光面爆破用气腿式高频凿岩机YTPGB向上式凿岩机YS
向上式高额凿岩机YSP
向上式侧向凿岩机YSC
导轨式凿岩机YG
导轨式高频凿岩机
导轨式高频双向回转凿岩机
导轨式独立回转凿岩机YGZ
手持式内燃凿岩机YN
带副缸的手持式内燃凿岩机YNF
手持式液压凿岩机YY
支腿式液压凿岩机YYT
导轨式采矿用液压凿岩机YYGC
导轨式掘进用液压凿岩机YYGJ
手持式电动凿岩机YD
手持式软轴传动凿岩机YR
支腿式电动凿岩机YDT
矿用隔爆支腿式电动凿岩机
LYDTdI
导轨式电动凿岩机YDG
轨轮式露天钻车
轨轮式表土钻车CGBT
履带式露天钻车CL
履带式表土钻车CLBT
履带式露天潜孔钻车CLQ
轮胎式露天钻车CT
轮胎式表土钻CTBT
轨轮式采矿钻车
轨轮式掘进钻车CGJ
主参数
名称单位或单位符号
C(车)
Q(潜)
Y(液)
CQ中)
H(回)
轨轮式
G(轨)
履带式
L(履)
T(胎)
L(履)
轮胎式T胎
柱架式
J(架)
煤式M煤)
岩石式
Y(岩)
岩心式双心
T(通)
M(锚)
L(联)
c(采)
(摄)
T(通)
M锚)
L(联)
C(采)
(掘)
T(通)
L(联)
(液)(高)
G(高)
G(高)
Z(中)
Q(前)
Y(液)
G(高)
D(电)
JB/T1590-96
表1(续)
产品名称及型号
轨轮式通用钻车CGT
轨轮式锚杆钻车
轨轮式联合钻车
履带式采矿钻车CLC
履带式掘进钻车CLJ
履带式通用钻车CLT
履带式锚杆钻车CLM
履带式联合钻车
轮胎式采矿钻车CTC
轮胎式液压采矿钻车CYTC
轮胎式掘进钻车CTJ
轮胎式(全)液压掘进钻车CYT
轮胎式通用钻车
轮胎式错杆钻车
轮胎式联合钻车
履带式潜孔钻机KQL
履带式半液压高气压潜孔钻机KQLYG履带式高气压潜孔钻机KQLG
轮胎式潜孔钻机KQT
柱架式潜孔钻机KQI
柱架式高气压潜孔钻机KQJG
潜孔冲击器QC
中心排气潜孔冲击器QCZ
侧排气潜孔冲击器QCC
前排气潜孔冲击器QCC
液压潜孔冲击器
无阀潜孔冲击器QCW
高气压潜孔冲击器QCG
煤钻KHM
岩石钻KHY
电动岩石钻KHYD
岩心钻KHX
主参数
名称单位或单位符号
(四)
F(辅)
(五)
(破)
T(腿)
J(架)
气动撬浮机
Q(撬)
主油器Y油
集尘器α尘
磨钎机M磨
气动灯
D(灯)
劈石机P劈
(破)
则向式C(侧
下向式双F)
水式S水)
油式Y(油)
手摇式了
单柱式Z(柱
双柱式双
圆盘式Y(圆)
伞式D
环式H(环)
手持式
s(手)
固定式
履带式
L(履)
轮胎式
T(胎)
中击器
cG中)
Y(液)
Y(液)
Y(液)
Y(液)
Y(液)
Y(液)
JB/T1590—96
表1(续)
产品名称及型号
气腿FT
退FTHJ
环形钻架用气腿
侧向式气腿FTC
下向式气腿FTX
水腿FTS
油腿FTY
手摇支腿FTJ
单柱式钻架FJZ
双柱式钻架FJS
圆盘式钻架FJY
伞形钻架FD
环形钻架FH
气动撬浮机FQ
注油器FY
集尘器FC
磨钎机FM
气动灯FD
液压劈石机FPY
手持式气动冲击破碎机PPS
手持式液压冲击破碎机PPSY
固定式气动冲击破碎机PP
固定式液压冲击破碎机PPY
履带式气动冲击破碎机PPL
履带式液压冲击破碎机PPLY
轮胎式气动冲击破碎机PPT
轮胎式液压冲击破碎机PPTY
气动破碎冲击器
液压破碎冲击器PCY
主参数
名称单位或单位符号
几器重量
装凿岩
机台数
最小支
撑直径
容油量
患尘面积
少轮直径
发电机
机器重量
mL或L
(六)
Z(钻)
S(砂)
气动砂带机
DS带砂)
气动抛光机
PG(抛光)
气动磨光机
MG(磨光)
气动螺丝刀
L(螺)
直柄式Z(直
枪柄式Q枪
测柄式C(侧
万向式W万
双向式双
角式(角)
组合式
ZH(组合)
透平式T(透
叶片式Y叶
直柄式
z(直)
角式(角)
端面式
D(端)
端面式D端
圆周式Z(周bzxZ.net
角式(角)
回转式
H(回)
移动式
Y(移)
S双)
z(直)
枪柄式
Q(枪)
Y(牙)
Y(牙)
α长)
D(端)
2(周)
X吸)
α磁)
α磁)
JB/T1590-96
表1(续)
产品名称及型号
直柄式气钻ZZ
枪柄式气钻Z
侧柄式气钻Z
万向式气钻ZW
双向式气钻ZS
角式气钻Z
组合气钻Z
气动开钻Z
透平式牙钻ZTY
叶片式气动牙钻ZYY
直柄式气动砂轮机SZ
主轴加长的直柄式气动砂轮机
角式气动砂轮机SJ
端面气动砂轮机SD
钣形砂轮端面气动砂轮机SDB
气动砂带机DS
端面式气动抛光机
圆周式气动抛光机
角式抛光机PGJ
回转式端面气动磨光机
回转式圆周气动磨光机MGZ
移动式气动磨光机
移动式吸尘气动磨光机MGYX
直柄式双向气动螺丝刀LS
直柄式双向磁刀头气动螺丝刀
直柄式双向定扭矩气动螺丝刀LSN枪柄式双向气动螺丝刀LS
枪柄式双向磁刀头气动螺丝刀LSC主参数
单位或单位符号
钻孔直径
砂轮直径
砂轮直径
主轴加长量
砂轮直径
砂轮直径
砂带宽
抛轮直径
磨轮直径
拧螺纹
×10°r/min
×10+r/min
×10°r/min
×10° rhmin
×10°r/min
×10°r/min
×10°r/min
×10° r/min
(六)
L(螺)
气动攻丝机
GS攻丝)
B(扳)
直柄式
z(直)
抢柄式
Q(枪)
纯扭式T
直柄式Z(直)
枪柄式Q(枪)
直柄式
环柄式
侧柄式
直柄式
环柄式
侧柄式
Q(枪)
J(角)
直柄式
环柄式
侧柄式
枪柄式
Q(枪)
c(磁)
c(磁)
G(高)
高短)
G(高)
c(长)
N(扭)
G(高)
N(扭)
(扭)
活塞式H(活)
(扭)
Y(用)
JB/T1590-96
表1(续)
产品名称及型号
直柄式单向气动螺丝刀LZ
直柄式单向磁刀头气动螺丝刀
枪柄式单向气动螺丝刀LQ
枪柄式单向磁刀头气动螺丝刀LC纯扭式气动螺丝刀LT
直柄式气动攻丝机GS
枪柄式气动攻丝机GS
气扳机B
储能型气扳机BE
高转速气扳机BGS
短扳轴的高转速气扳机
枪柄式气扳机BQ
高转速枪柄式气扳机
扳轴加长的枪柄式气扳机
可装螺刀头的枪柄式气扳机
储能型枪柄式气扳机BE
角式气扳机BJ
角式定扭矩气扳机
高转速角式气扳机BG
角式纯扭气扳机
定扭矩气扳机BN
枪柄式定扭矩气扳机
内藏扭力棒枪柄式定扭矩气扳机BQN扳轴加长的定扭矩气扳机BaN
活塞式气扳机BH
组合用气扳机BY
主参数
拧螺纹
宁螺纹直径
攻丝直径
拧螺纹
拧螺纹
柠螺纹直径
单位或单位符号
×10°rmin
×10°rmin
×10°r/min
柠螺纹直径
柠螺纹直径
扳轴加长量
拧螺纹
柠螺纹直径
拧螺纹
×10°rmin
×10°rmin
10N·m
B(扳)
气镐G(镐)
α铲)
气动铆钉机
M铆)
(顶杷)
X(锈)
气剪刀JD
(剪刀)
气动捣固机
D(捣)
气动捆扎机
K(捆)
组合式
Z(组)
棘轮式
L(轮)
弯柄式
环柄式
直柄式Z(直)
枪柄式
Q(枪)
拉铆式L(拉)
压铆式Y(压)
C(冲)
回转式
H(回)
剪切式
冲切式C(冲)
活塞式H(活)
齿轮式
C(齿)
蜗轮式
W(蜗)
N(扭)
D(单)
P(偏)
P(偏)
D(多)
Z(针)
M(毛)
T(毯)
P(片)
L(拉)
L(拉)
S锁)
JB/T1590—96
表1(续)
产品名称及型号
组合式气扳机BZ
电显组合式气扳机
组合式定扭矩气扳机BZN
棘轮式气扳机BL
单向棘轮式气扳机
气镐G
气铲C
铲石用气铲C
气动铆钉机M
直柄式气动铆钉机
枪柄式气动铆钉机MQ
枪柄式偏心气动铆钉机MQP
气动拉铆机ML
气动压铆机MY
顶杷DB
偏心顶杷
冲击式顶杷DBC
冲击式气动除锈器
冲击式多头气动除锈器
针束气动除锈器XCZ
回转式气动除锈器X
气剪刀JD
气冲剪JDC
活塞式气剪刀DH
气动羊毛剪JDM
气动地毯剪JDT
气动揭固机D
片状阀气动捣固机
齿轮式气动捆扎拉紧机KCL
齿轮式气动捆扎锁紧机KCS
蜗轮式气动捆扎拉紧机KWL
蜗轮式气动捆扎锁紧机KWS
主参数
机器重量
机器重量
机器重量
除锈轮直径
剪切厚度
机器重量
捆扎带宽
单位或单位符号
10N·m
X10°rmin
小提示:此标准内容仅展示完整标准里的部分截取内容,若需要完整标准请到上方自行免费下载完整标准文档。
标准图片预览:





- 热门标准
- 机械行业标准(JB)
- JB/T7940.3-1995 旋盖式油杯
- JB/T7893.1-1999 立式振动离心机
- JB/T7899-1999 填充聚四氟乙烯软带导轨 技术条件
- JB/T7938-1999 液压泵站油箱公称容量系列
- JB/T7850-1995 手夹快换接头
- JB/T7952-1995 空气净化器
- JB/T8009.4-1999 机床夹具零件及部件 弧形压块
- JB/T1625-2002 工业锅炉焊接管孔
- JB/T7936-1999 直廓环面蜗杆减速器
- JB/T7939-1999 单活塞杆液压缸两腔面积比
- JB/T7941.2-1995 旋入式圆形油杯
- JB/T7948.11-1999 熔炼焊剂化学分析方法 燃烧-碘量法测定硫量
- JB/T7925.2-1995 滑动轴承 多层轴承减摩合金硬度检验方法
- JB/T7946.2-1999 铸造铝硅合金过烧
- JB/T6375-1992 气动阀用橡胶密封圈 尺寸系列和公差
- 行业新闻
请牢记:“bzxz.net”即是“标准下载”四个汉字汉语拼音首字母与国际顶级域名“.net”的组合。 ©2025 标准下载网 www.bzxz.net 本站邮件:bzxznet@163.com
网站备案号:湘ICP备2025141790号-2
网站备案号:湘ICP备2025141790号-2