- 您的位置:
- 标准下载网 >>
- 标准分类 >>
- 轻工行业标准(QB) >>
- QB/T 1962-1994 浆糊
标准号:
QB/T 1962-1994
标准名称:
浆糊
标准类别:
轻工行业标准(QB)
标准状态:
现行-
发布日期:
1994-06-10 -
实施日期:
1995-02-01 出版语种:
简体中文下载格式:
.rar.pdf下载大小:
67.19 KB
中标分类号:
轻工、文化与生活用品>>文教、体育、娱乐用品>>Y54办公用品及办公机具
点击下载
标准简介:
标准下载解压密码:www.bzxz.net
本标准规定了浆糊的产品分类、技术要求、试验方法、检验规则及标志、包装、运翰、贮存本标准适用于粘贴办公用纸张的浆糊。 QB/T 1962-1994 浆糊 QB/T1962-1994
部分标准内容:
中华人民共和国轻工行业标准
主题内容与适用范围
QB/T1962-1994
本标准规定了浆糊的产品分类、技术要求、试验方法、检验规则及标志、包装、运输、贮存。本标准适用于粘贴办公用纸张的浆糊。2引用标准
GB/T2828逐批检验计数抽样程序及抽样表(适用于连续批的检查)GB/T2829周期检查计数抽样程序及抽样表(适用于生产过程稳定性的检查)3产品分类
产品净质量小于500g的包装,误差不超过士7%,500g以上土5%。4技术要求
浆糊各项性能指标应符合表1 规定。表1
5试验方法
5.1外观
目测。
5.2 pH值
粘结性
技术要求
无颗粒的均匀糊状体
粘合处不应脱开
在(30±2)℃,相对严度 75%,经72h试验无寒变在温度(23士2)℃条件下,用pH114广泛试纸浸人浆糊试样中,取出后与标准色板比较。5.3粘结性
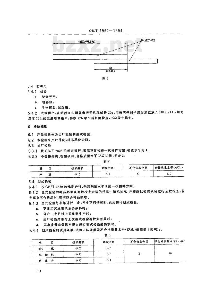
将70~140g/m2的纸裁成60mm×30mm的试样,在试样的30mm×30mm部分将浆糊薄而又均匀地涂数,如图1~一样粘合,用手轻轻压平,然后放入(40土2)℃恒温箱中,干燥1h后取出,待冷却到室温后,用手在纸两端均勾地加拉力,粘合处不应脱开。中华人民共和国轻工业部1994-06-10批准1995-02-01实施
5.4防霉力
5.4.1仪器
架盘天平;
培养盈;
生物恒温、恒湿箱。
QB/T1962—1994
纸的纤维方向)
粘合部分
纸(60×30)
5.4.2试验程序:在培养血内用架盘天平称取试样20g,用玻璃棒刮平然后加盖放入(30士2)℃,相对湿度75%的恒溢培养箱中,持续72h取出后目测检查,不应发生霉变。6检验规测
6.1产品检验分为出厂检验和型式检验。6.2本检验采用计件法,样品单位为瓶。6.3出厂检验
6.3.1按GB/T2828的规定进行,采用正常检查一次抽样方案,检查水平为I。6.3.2不合格分类、检验项目、合格质量水平(AQL)值,见表2。表2
技术要求
试验方法
不合格品分类
6.4型式检验
6.4.1按GB/T2829的规定进行,采用判别水平1的一次抽样方案。合格质量水平(AQL)
6.4.2型式检验的样品必须在逐批检查合格的样品中随机抽取,并按逐批检查项目进行全数检查,若发现有不合格品时,则应以合格品换取。型式检验每半年进行次,发生下列情况时,也应进行型式检验。6.4.3
更改工艺或更换主要原料时;
停产三个月以上又重新生产时;出厂检验结果与上次型式检验有较大差异时;国家质量监督机构提出进行型式检验的要求时。型式检验的项目条款、试验方法条款及不合格质量水平(RQL)值按表3的规定。表3
粘结性
防震力
技术要求
4(4)
试验方法
不合格品分类
不合格质量水平(RQL)bzxz.net
7标志、包装、运输、贮存
7.1标志
QB/T1962
—1994
7.1.1产品标志:产品上应有产品名称、厂名、商标等标志,每箱要有检验合格证。7.1.2包装标志:包装箱表面应标明产品名称、规格、数量、重量、生产日期、生产厂家及注意事项。7.2包装
根据本地区情况选择包装材料,以保护产品适合中长途运输。7.3运输
运输时应轻装轻卸,禁止倒置、横放,避免碰撞挤压、避免日晒雨淋。7.4存
该产品应存放在温度为0~40℃通风良好的库房中,避免潮湿。在符合以上条件情况下贮存期为一年。附加说明:
本标准由轻工业部质量标准司提出。本标准由全国文体用品标准化中心归口。本标准由成都墨水厂、北京市粘合剂二厂、贵阳文教用品厂、土海墨水厂、沈阳文教用品二厂、昆明盘江化工厂、重庆美术颜额料厂负责起草。本标准主要起草人朱披天、宋永芳、宋仲安。215
小提示:此标准内容仅展示完整标准里的部分截取内容,若需要完整标准请到上方自行免费下载完整标准文档。
主题内容与适用范围
QB/T1962-1994
本标准规定了浆糊的产品分类、技术要求、试验方法、检验规则及标志、包装、运输、贮存。本标准适用于粘贴办公用纸张的浆糊。2引用标准
GB/T2828逐批检验计数抽样程序及抽样表(适用于连续批的检查)GB/T2829周期检查计数抽样程序及抽样表(适用于生产过程稳定性的检查)3产品分类
产品净质量小于500g的包装,误差不超过士7%,500g以上土5%。4技术要求
浆糊各项性能指标应符合表1 规定。表1
5试验方法
5.1外观
目测。
5.2 pH值
粘结性
技术要求
无颗粒的均匀糊状体
粘合处不应脱开
在(30±2)℃,相对严度 75%,经72h试验无寒变在温度(23士2)℃条件下,用pH114广泛试纸浸人浆糊试样中,取出后与标准色板比较。5.3粘结性
将70~140g/m2的纸裁成60mm×30mm的试样,在试样的30mm×30mm部分将浆糊薄而又均匀地涂数,如图1~一样粘合,用手轻轻压平,然后放入(40土2)℃恒温箱中,干燥1h后取出,待冷却到室温后,用手在纸两端均勾地加拉力,粘合处不应脱开。中华人民共和国轻工业部1994-06-10批准1995-02-01实施
5.4防霉力
5.4.1仪器
架盘天平;
培养盈;
生物恒温、恒湿箱。
QB/T1962—1994
纸的纤维方向)
粘合部分
纸(60×30)
5.4.2试验程序:在培养血内用架盘天平称取试样20g,用玻璃棒刮平然后加盖放入(30士2)℃,相对湿度75%的恒溢培养箱中,持续72h取出后目测检查,不应发生霉变。6检验规测
6.1产品检验分为出厂检验和型式检验。6.2本检验采用计件法,样品单位为瓶。6.3出厂检验
6.3.1按GB/T2828的规定进行,采用正常检查一次抽样方案,检查水平为I。6.3.2不合格分类、检验项目、合格质量水平(AQL)值,见表2。表2
技术要求
试验方法
不合格品分类
6.4型式检验
6.4.1按GB/T2829的规定进行,采用判别水平1的一次抽样方案。合格质量水平(AQL)
6.4.2型式检验的样品必须在逐批检查合格的样品中随机抽取,并按逐批检查项目进行全数检查,若发现有不合格品时,则应以合格品换取。型式检验每半年进行次,发生下列情况时,也应进行型式检验。6.4.3
更改工艺或更换主要原料时;
停产三个月以上又重新生产时;出厂检验结果与上次型式检验有较大差异时;国家质量监督机构提出进行型式检验的要求时。型式检验的项目条款、试验方法条款及不合格质量水平(RQL)值按表3的规定。表3
粘结性
防震力
技术要求
4(4)
试验方法
不合格品分类
不合格质量水平(RQL)bzxz.net
7标志、包装、运输、贮存
7.1标志
QB/T1962
—1994
7.1.1产品标志:产品上应有产品名称、厂名、商标等标志,每箱要有检验合格证。7.1.2包装标志:包装箱表面应标明产品名称、规格、数量、重量、生产日期、生产厂家及注意事项。7.2包装
根据本地区情况选择包装材料,以保护产品适合中长途运输。7.3运输
运输时应轻装轻卸,禁止倒置、横放,避免碰撞挤压、避免日晒雨淋。7.4存
该产品应存放在温度为0~40℃通风良好的库房中,避免潮湿。在符合以上条件情况下贮存期为一年。附加说明:
本标准由轻工业部质量标准司提出。本标准由全国文体用品标准化中心归口。本标准由成都墨水厂、北京市粘合剂二厂、贵阳文教用品厂、土海墨水厂、沈阳文教用品二厂、昆明盘江化工厂、重庆美术颜额料厂负责起草。本标准主要起草人朱披天、宋永芳、宋仲安。215
小提示:此标准内容仅展示完整标准里的部分截取内容,若需要完整标准请到上方自行免费下载完整标准文档。
标准图片预览:



- 其它标准
- 上一篇: QB/T 1961-1994 办公用胶水
- 下一篇: QB/T 1963-1994 打字腊纸
- 热门标准
- 轻工行业标准(QB)
- QB/T5247-2018 箱包配件塑料插扣耐 用性能试验方法
- QB/T2856-2007 毛革服装
- QB2584-2003 蒸汽淋浴房
- QB/T2711-2005 皮革 物理和机械试验 撕裂力的测定:双边撕裂
- QB/T1664-1998 纸板戳穿强度测定仪
- QB/T2161-1995 儿童推车整车通用技术条件
- QB/T2425-1998 封箱用再湿性牛皮纸胶粘带
- QB/T3520-1999 500kV油纸套管绝缘纸
- QB/T2518—2001 地毯用毛纱
- QB/T2569.6-2002 钢锉 木锉
- QB/T1433.10-2005 饼干 装饰饼干
- QB/T1439-2005 帐册
- QB/T1584-2005 日用皮手套
- QB/T2333-1997 防晒化妆品中紫外线吸收剂定量测定高效液相色谱法
- QB/T1756-1993 造纸机械湍流式中浓度浆泵
- 行业新闻
请牢记:“bzxz.net”即是“标准下载”四个汉字汉语拼音首字母与国际顶级域名“.net”的组合。 ©2025 标准下载网 www.bzxz.net 本站邮件:bzxznet@163.com
网站备案号:湘ICP备2025141790号-2
网站备案号:湘ICP备2025141790号-2