- 您的位置:
- 标准下载网 >>
- 标准分类 >>
- 轻工行业标准(QB) >>
- QB/T 1958-1994 理发剪
标准号:
QB/T 1958-1994
标准名称:
理发剪
标准类别:
轻工行业标准(QB)
标准状态:
现行-
发布日期:
1994-06-10 -
实施日期:
1995-02-01 出版语种:
简体中文下载格式:
.rar.pdf下载大小:
111.27 KB
中标分类号:
轻工、文化与生活用品>>家用电器、日用机具>>Y62家用清洁、整容器具
替代情况:
SG 94-81
起草人:
李浩新起草单位:
上海新中华刀剪厂提出单位:
轻工业部质量标准司发布部门:
中华人民共和国轻工业部相关标签:
理发
点击下载
标准简介:
标准下载解压密码:www.bzxz.net
本标准规定了理发剪的产品分类、技术要求、试验方法、检验规则及标志、包装、运输、贮存等内容本标准适用于剪发及类似用途剪刃为碳钢或不锈钢的理发剪。 QB/T 1958-1994 理发剪 QB/T1958-1994
部分标准内容:
中华人民共和国轻工行业标准
理发剪
主题内容与适用范围
QB/T1958---1994
本标准规定了理发剪的产品分类、技术要求、试验方法、检验规则及标志、包装、运输、贮存等内容。本标适用于剪发及类似用途剪刃为碳钢或不锈钢的理发剪。2引用标准
GB/T2828逐批检查计数抽样程序及抽样表(适用于连续批的检查)GB/T2829周期检查计数抽样程序及抽样表(适用于生产过程稳定性的检查)GB5938轻工产品金属镀层和化学处理层的耐腐蚀试验方法中性盐雾试验(NSS)法GB5944轻工产品金属镀层腐蚀试验结果的评价GB/T6062轮廊法触针式表面粗糙度测量仪轮廊记录仪及中线制轮廊计3产品分类
3.1按型式可分为有尾和无尾理发剪。3.2型号命名如下:
设计序号
型式(有尾Y,无尾W)
—理发剪
—理发工具
3.3结构名称见图1。
1—剪尖;2-里口;3—外口;4-外背:5—侧背,6—剪根;7—平面角8-—螺钉;9—侧面;10—平面;11—剪杆;12—指圈;13—剪尾中华人民共和国轻工业部1994-06-10批准450
1995-02-01实施
4技术要求
4.1硬度
剪刃硬度应符合表1规定。
不锈钢
4.2金相组织
剪刃金相组织应符合表2规定。
不锈钢
4.3锋利度
QB/T1958—1994
硬度值,HRC
56~62
回火马氏体十粒状碳化物,马氏体级别≤4级隐针状回火马氏体十+粒状碳化物剪刃应锋利,按5.3条试验应能剪断且不打滑、不带毛。4.4镀层
4.4.1镀层表面应光亮、色泽一致,无密集麻点、剥落、露底、泛点及明显的擦毛现象。4.4.2镀层经盐雾试验8h,基本腐蚀点的耐腐蚀等级应不小于7级。4.5剪刃
剪刃不得有咬口、缺口和退火痕迹,在离剪根6mm处至剪尖之间不得有白口。外口应呈一线。4.6表面粗糙度
4.6.1表面粗糙度:里口为R.1.6μm;外口为Ra3.2μm。4.6.2平面、侧面、侧背、剪杆、指圈的外表面粗糙度为R.0.8um。4.7装配
4.7.1开合应灵活,松紧适度,且螺钉不得松动。螺钉头部和尾部不得低于平面,但高出平面不得大于2mm,并且应光滑,无毛刺。4.7.2
剪刃合拢后,侧面与侧背露出不得大于 1mm。4.7.3
4.8外观
4.8.1表面及剪刃的里口不得有锈迹、斑痕。圈边及里口与侧背相交处应无锐角。4.8.2
剪尖侧背应呈小圆头,两剪尖应齐整且要交错,但不能露刃。指圈内侧表面应光滑,无毛刺。4.9标志免费标准下载网bzxz
产品上必须标明厂名或商标,应清晰完整。5试验方法
5.1硬度
采用洛氏硬度计,载荷为1470N,测试部位为离剪尖15mm处和离剪根10mm处的里口各测一点。451
5.2金相组织
QB/T 1958--1994
采用金相显微镜,其观察部位为剪刃中部横截面,距刃口2~4mm处。5.3锋利度
将一束20根的32支棉纱置于离剪根10mm处至剪尖的任一部位进行剪切,手势应略带紧。5.4镀层耐腐蚀
按GB5938试验,按GB5944评价。5.5表面粗糙度
采用符合GB/T6062规定的表面粗糙度测量仪测试或粗糙度样板对照,但以表面粗糙度测量仪为仲裁依据。
5.6其他
外观及其他试验均采用相应精度的游标卡尺、直尺或手感和视检,视检应在光线明亮的条件下进行。
6检验规则
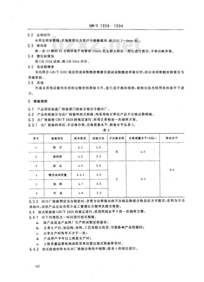
6.1产品须经制造厂检验部门检验合格后方能出厂6.2·产品的检验分为出厂检验和型式检验,均采用每百单位产品不合格品数检验。6.3出厂检验按GB/T2828的规定进行,采用正常检查一次抽样方案。6.3.1出厂检验的项目、不合格分类、合格质量水平、检查水平见表3。表3
检验项目
锋利度
镀层表面质册
技术要求
试验方法
「不合格分类
合格质量水平(AQL)
检查水平
6.3.2经出厂检验判定为合格批时,交货方应将验出的不合格品换成合格品后方可提交;若判为不合格批时,该批产品应由交货方返工整理后方能再次提交检验。6.4型式检验按GB/T2829的规定进行,采用判别水平Ⅱ的次抽样方案。6.4.1
有下列情况之一时应进行型式检验。新产品或老产品转厂生产的试制定型鉴定;正常生产后,如结构、材料、工艺有较大改变,可能影响产品性能时;正常生产时每年不少于次,
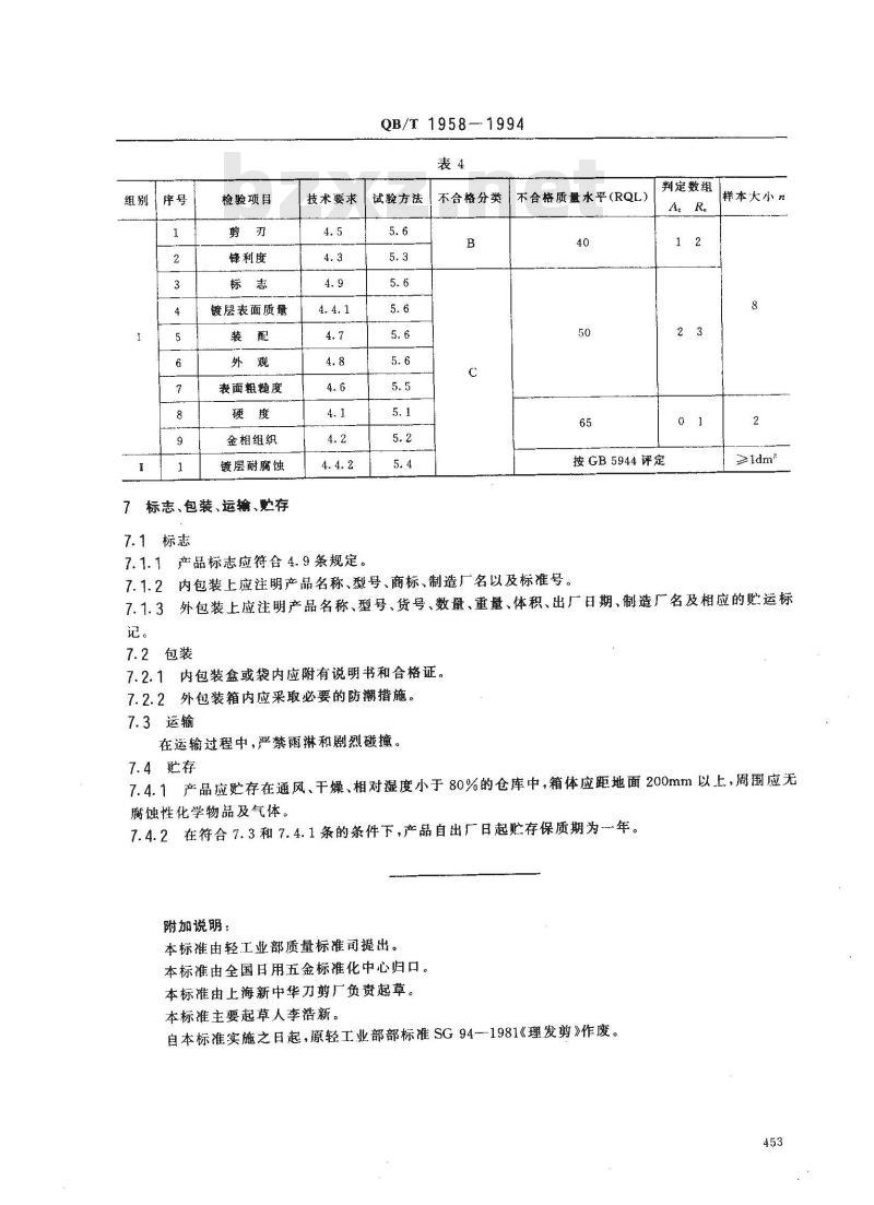
产品停产半年以上恢复生产时,上级质量监督机构或收货单位提出型式检验要求时。型式检验的样本从出厂检验合格批中抽取,按表4的规定进行。组别序号
检验项目
锋利度
镀层表面质量
表面粗糙度
金相组织
镀层耐腐蚀
7标志、包装、运输、贴存
7.1标志
技术要求
QB/T1958—1994
试验方法
不合格分类
不合格质量水平(RQL)
判定数组
按GB5944评定
7.1.1产品标志应符合4.9条规定。7.1.2内包装上应注明产品名称、型号、商标、制造厂名以及标准号。样本大小n
≥ldm*
7.1.3外包装上应注明产品名称、型号、货号、数量、重量、体积、出厂日期、制造厂名及相应的贮运标记。
7.2包装
7.2.1内包装盒或袋内应附有说明书和合格证。7.2.2外包装箱内应采取必要的防潮措施。7.3运输
在运输过程中,严禁雨淋和剧烈碰撞。7.4贮存
7.4.1产品应贮存在通风、干燥、相对湿度小于80%的仓库中,箱体应距地面200mm以上,周围应无蚀性化学物品及气体。
7.4.2在符合7.3和7.4.1条的条件下,产品自出厂日起贮存保质期为一年。附加说明:
本标准由轻工业部质量标准司提出。本标准由全国日用五金标准化中心归口。本标准由上海新中华刀剪厂负责起草。本标准主要起草人李浩新。
自本标准实施之日起,原轻工业部部标准SG94—1981《理发剪》作废。453
小提示:此标准内容仅展示完整标准里的部分截取内容,若需要完整标准请到上方自行免费下载完整标准文档。
理发剪
主题内容与适用范围
QB/T1958---1994
本标准规定了理发剪的产品分类、技术要求、试验方法、检验规则及标志、包装、运输、贮存等内容。本标适用于剪发及类似用途剪刃为碳钢或不锈钢的理发剪。2引用标准
GB/T2828逐批检查计数抽样程序及抽样表(适用于连续批的检查)GB/T2829周期检查计数抽样程序及抽样表(适用于生产过程稳定性的检查)GB5938轻工产品金属镀层和化学处理层的耐腐蚀试验方法中性盐雾试验(NSS)法GB5944轻工产品金属镀层腐蚀试验结果的评价GB/T6062轮廊法触针式表面粗糙度测量仪轮廊记录仪及中线制轮廊计3产品分类
3.1按型式可分为有尾和无尾理发剪。3.2型号命名如下:
设计序号
型式(有尾Y,无尾W)
—理发剪
—理发工具
3.3结构名称见图1。
1—剪尖;2-里口;3—外口;4-外背:5—侧背,6—剪根;7—平面角8-—螺钉;9—侧面;10—平面;11—剪杆;12—指圈;13—剪尾中华人民共和国轻工业部1994-06-10批准450
1995-02-01实施
4技术要求
4.1硬度
剪刃硬度应符合表1规定。
不锈钢
4.2金相组织
剪刃金相组织应符合表2规定。
不锈钢
4.3锋利度
QB/T1958—1994
硬度值,HRC
56~62
回火马氏体十粒状碳化物,马氏体级别≤4级隐针状回火马氏体十+粒状碳化物剪刃应锋利,按5.3条试验应能剪断且不打滑、不带毛。4.4镀层
4.4.1镀层表面应光亮、色泽一致,无密集麻点、剥落、露底、泛点及明显的擦毛现象。4.4.2镀层经盐雾试验8h,基本腐蚀点的耐腐蚀等级应不小于7级。4.5剪刃
剪刃不得有咬口、缺口和退火痕迹,在离剪根6mm处至剪尖之间不得有白口。外口应呈一线。4.6表面粗糙度
4.6.1表面粗糙度:里口为R.1.6μm;外口为Ra3.2μm。4.6.2平面、侧面、侧背、剪杆、指圈的外表面粗糙度为R.0.8um。4.7装配
4.7.1开合应灵活,松紧适度,且螺钉不得松动。螺钉头部和尾部不得低于平面,但高出平面不得大于2mm,并且应光滑,无毛刺。4.7.2
剪刃合拢后,侧面与侧背露出不得大于 1mm。4.7.3
4.8外观
4.8.1表面及剪刃的里口不得有锈迹、斑痕。圈边及里口与侧背相交处应无锐角。4.8.2
剪尖侧背应呈小圆头,两剪尖应齐整且要交错,但不能露刃。指圈内侧表面应光滑,无毛刺。4.9标志免费标准下载网bzxz
产品上必须标明厂名或商标,应清晰完整。5试验方法
5.1硬度
采用洛氏硬度计,载荷为1470N,测试部位为离剪尖15mm处和离剪根10mm处的里口各测一点。451
5.2金相组织
QB/T 1958--1994
采用金相显微镜,其观察部位为剪刃中部横截面,距刃口2~4mm处。5.3锋利度
将一束20根的32支棉纱置于离剪根10mm处至剪尖的任一部位进行剪切,手势应略带紧。5.4镀层耐腐蚀
按GB5938试验,按GB5944评价。5.5表面粗糙度
采用符合GB/T6062规定的表面粗糙度测量仪测试或粗糙度样板对照,但以表面粗糙度测量仪为仲裁依据。
5.6其他
外观及其他试验均采用相应精度的游标卡尺、直尺或手感和视检,视检应在光线明亮的条件下进行。
6检验规则
6.1产品须经制造厂检验部门检验合格后方能出厂6.2·产品的检验分为出厂检验和型式检验,均采用每百单位产品不合格品数检验。6.3出厂检验按GB/T2828的规定进行,采用正常检查一次抽样方案。6.3.1出厂检验的项目、不合格分类、合格质量水平、检查水平见表3。表3
检验项目
锋利度
镀层表面质册
技术要求
试验方法
「不合格分类
合格质量水平(AQL)
检查水平
6.3.2经出厂检验判定为合格批时,交货方应将验出的不合格品换成合格品后方可提交;若判为不合格批时,该批产品应由交货方返工整理后方能再次提交检验。6.4型式检验按GB/T2829的规定进行,采用判别水平Ⅱ的次抽样方案。6.4.1
有下列情况之一时应进行型式检验。新产品或老产品转厂生产的试制定型鉴定;正常生产后,如结构、材料、工艺有较大改变,可能影响产品性能时;正常生产时每年不少于次,
产品停产半年以上恢复生产时,上级质量监督机构或收货单位提出型式检验要求时。型式检验的样本从出厂检验合格批中抽取,按表4的规定进行。组别序号
检验项目
锋利度
镀层表面质量
表面粗糙度
金相组织
镀层耐腐蚀
7标志、包装、运输、贴存
7.1标志
技术要求
QB/T1958—1994
试验方法
不合格分类
不合格质量水平(RQL)
判定数组
按GB5944评定
7.1.1产品标志应符合4.9条规定。7.1.2内包装上应注明产品名称、型号、商标、制造厂名以及标准号。样本大小n
≥ldm*
7.1.3外包装上应注明产品名称、型号、货号、数量、重量、体积、出厂日期、制造厂名及相应的贮运标记。
7.2包装
7.2.1内包装盒或袋内应附有说明书和合格证。7.2.2外包装箱内应采取必要的防潮措施。7.3运输
在运输过程中,严禁雨淋和剧烈碰撞。7.4贮存
7.4.1产品应贮存在通风、干燥、相对湿度小于80%的仓库中,箱体应距地面200mm以上,周围应无蚀性化学物品及气体。
7.4.2在符合7.3和7.4.1条的条件下,产品自出厂日起贮存保质期为一年。附加说明:
本标准由轻工业部质量标准司提出。本标准由全国日用五金标准化中心归口。本标准由上海新中华刀剪厂负责起草。本标准主要起草人李浩新。
自本标准实施之日起,原轻工业部部标准SG94—1981《理发剪》作废。453
小提示:此标准内容仅展示完整标准里的部分截取内容,若需要完整标准请到上方自行免费下载完整标准文档。
标准图片预览:




- 其它标准
- 上一篇: QB/T 1956-1994 聚丙烯吹塑薄膜
- 下一篇: QB/T 1959-1994 手用缝纫针
- 热门标准
- 轻工行业标准(QB)
- QB/T5247-2018 箱包配件塑料插扣耐 用性能试验方法
- QB/T2856-2007 毛革服装
- QB2584-2003 蒸汽淋浴房
- QB/T2711-2005 皮革 物理和机械试验 撕裂力的测定:双边撕裂
- QB/T2161-1995 儿童推车整车通用技术条件
- QB/T2425-1998 封箱用再湿性牛皮纸胶粘带
- QB/T3520-1999 500kV油纸套管绝缘纸
- QB/T2569.6-2002 钢锉 木锉
- QB/T1433.10-2005 饼干 装饰饼干
- QB/T1439-2005 帐册
- QB/T1584-2005 日用皮手套
- QB/T2333-1997 防晒化妆品中紫外线吸收剂定量测定高效液相色谱法
- QB/T1756-1993 造纸机械湍流式中浓度浆泵
- QB/T1782-1993 苯乙醇
- QB/T1835-1993 辊熨平展机
- 行业新闻
请牢记:“bzxz.net”即是“标准下载”四个汉字汉语拼音首字母与国际顶级域名“.net”的组合。 ©2025 标准下载网 www.bzxz.net 本站邮件:bzxznet@163.com
网站备案号:湘ICP备2025141790号-2
网站备案号:湘ICP备2025141790号-2