- 您的位置:
- 标准下载网 >>
- 标准分类 >>
- 轻工行业标准(QB) >>
- QB/T 1959-1994 手用缝纫针
标准号:
QB/T 1959-1994
标准名称:
手用缝纫针
标准类别:
轻工行业标准(QB)
标准状态:
现行-
发布日期:
1994-06-10 -
实施日期:
1995-02-01 出版语种:
简体中文下载格式:
.rar.pdf下载大小:
144.34 KB
中标分类号:
轻工、文化与生活用品>>五金制品>>Y73日用五金制品
替代情况:
SG 97-1984采标情况:
JIS S3008-1981 NEQ
起草单位:
上海东风针厂、青岛制针厂提出单位:
轻工业部质量标准司发布部门:
中华人民共和国轻工业部相关标签:
缝纫
点击下载
标准简介:
标准下载解压密码:www.bzxz.net
本标准规定了手用缝纫针的产品分类、技术要求、试验方法、检验规则和标志、包装、运输、贮存。本标准适用于缝衣、补缀、编织、刺绣.纺绿被褥以及工艺品、农副产品的加工等用途的中碳钢手用缝纫针(以下简称“手缝针”)。 QB/T 1959-1994 手用缝纫针 QB/T1959-1994
部分标准内容:
中华人民共和国轻工行业标准
手用缝纫针
主题内容与适用范围wwW.bzxz.Net
QB/T1959-1994
本标准规定了手用缝纫针的产品分类、技术要求、试验方法、检验规则和标志、包装、运输、贮存本标准适用于缝衣、补缀、编织、刺绣、绗被褥以及工艺品、农副产品的加工等用途的中碳钢手用缝纫针(以下简称“手缝针”)。引用标准
GB/T 2828
GB/T 2829
GB/T 4354
GB/T6836
3产品分类
3.1产品结构
逐批检查计数抽样程序及抽样表(适用于连续批的检查)周期检查计数抽样程序及抽样表(适用于生产过程稳定性的检查)优质碳素钢热轧盘条
涤纶缝纫线
产品结构及各部名称如图1所示。图1
1后线槽;2—针鼻;3-前线槽:4-针杆;5—针尖注:允许没有前线槽
3.2产品的基本尺寸及极限偏差
3.2.1直径范围为0.30~2.00mm。3.2.2长度范围为20~150mm。
3.2.3极限偏差见表1。
极限偏差
中华人民共和国轻工业部1994-06-10批准454
1995-02-01实施
QB/T1959---1994
3.2.4特殊要求可由供需双方协议规定。3.3材料
采用55、60号优质碳素钢圆盘条或更优质的其他钢材制造。其技术性能指标应符合GB/T4354的规定。
4技术要求
4.1表面质量
针杆表面应光亮一致,不应有透迹、斑痕和明显的损伤。4.2针尖
4.2.1针尖应锋利、尖部呈抛物线状,弧接点应圆滑过渡,不允许有虚尖、扁尖、焦尖和秃尖(特殊用途手缝针的针尖除外)。
4.2.2针尖应具有一定的抵触能力,当针尖在1.2N力的作用下不起勾。4.3针鼻
4.3.1针鼻应端正圆滑,针孔处于针中间且光滑无毛刺,针孔与后线槽交接处要微带弧形,不允许破鼻无孔。
4.3.2针鼻的抗割线能力,直径大于0.50mm的手缝针针鼻的抗割线能力不低于30次。4.4直线度
针杆应圆直,当针长不大于直径的50倍时,其直线度公差值应不大于针长的1%,当针长大于直径的50倍时,其直线度公差值不大于针长的2%。4.5抗弯强度
手缝针应具有良好的抗弯能力,当针杆受力发生弯曲时,针的夹角在165°~180°范围内,不允许发生断裂。其变形夹角在165°时的载荷应不低于表2规定。表2
径,mm
荷,N
径,mm
荷,N
径,mm
注:直径为公称直径,特殊直径的手缝针按最接近的直径计算。·5试验方法
5.1表面质量
在充足的光线下目测。
5.2针尖试验
5.2.1针尖外观用4~6倍放大镜目测。0.50
5.2.2针尖抵触能力采用针尖测试仪进行试验,如图2所示,将试件垂直刺向硬度为HRC57~60的钢片。
5.3针鼻试验
QB/T 1959-
5.3.1针鼻外观用4~6倍放大镜目测。5.3.2抗割线能力采用抗割线仪进行测试,按图3所示,将试件夹持在固定的夹座上,穿人表3规定的线,一端固定,另一端连接牵引磁码作行程为18mm的往复运动,运动频率为28次/min,磁码重量为20g。
20支2股漆纶缝纫线
一等品
白藍色藍
GB/T 6836
5.3.3测试时遇有针孔阻力过大,连续10次磁码不能自然垂落时,应视为不合格,但10次内能恢复正常时,则可连续计算。
5.4直线度试验
用手指捻转针杆进行目测,难以目测判定的试件可采用精度不低于1级的专用直线度仪或其他具有同等效力的仪器进行测试,所测试原理如图4所示,将针平放在一水平面上,使针的两端靠在另一垂直平面上,测中间距垂直面的最大距离,按下式计算出针的直线度公差值。图4
式中:a直线度,mm,
h.-实测距离,mm,
d-—针的直径,mm。
5.5抗弯强度试验
QB/T1959
d=h—d
抗弯强度在精度为0.5级的ZWD-200小量程弯曲试验仪上按图5所示的方法进行测试,弯曲变形夹角换成挠度值,见表4。
直径d
挠度值
直径d
挠度值子
直径d
挠度值子
6检验规则
产品须经质量检验部门检验,并出具合格证方能出厂6.1
6.2产品检验分出厂检验和型式检验,均采用每百单位产品不合格品数检验。0.65
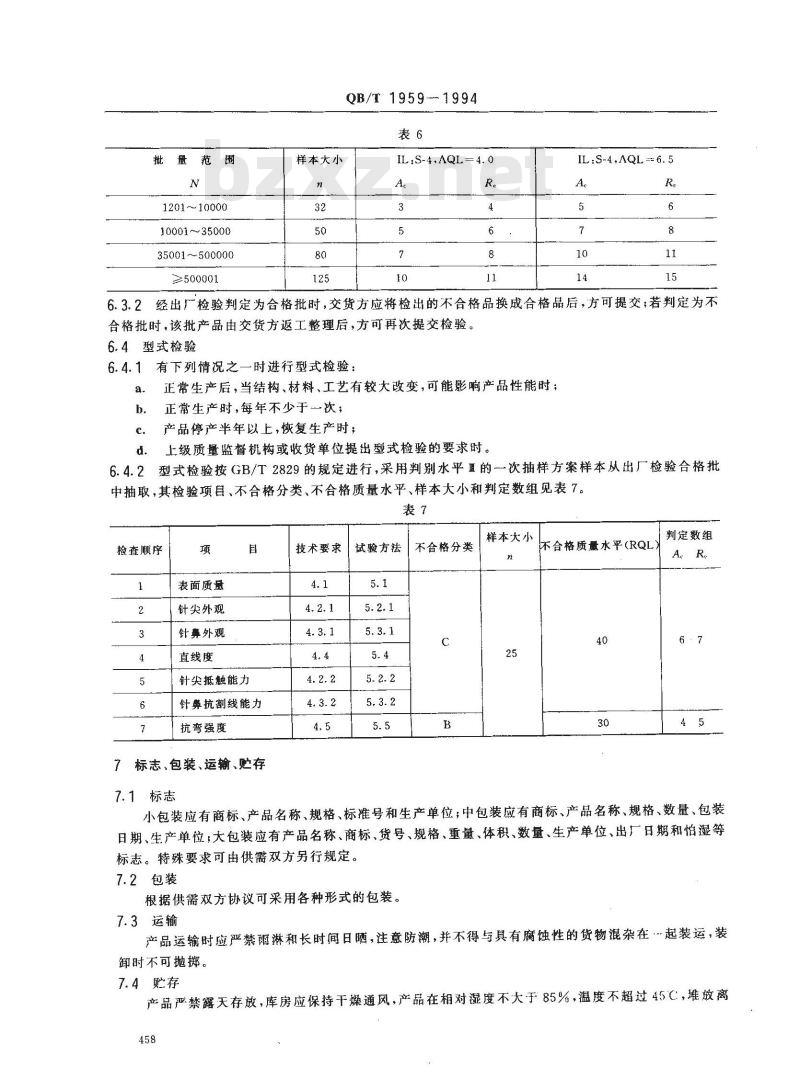
6.3出厂检验按GB/T2828的规定进行,采用正常检查一次抽样方案,6.3.1出厂检验的项目、不合格分类、合格质量水平、检查水平见表5,其样本大小和判定数组见表6。表5
检查顺序
项目名称
表面质量
针尖造型
针鼻造型
直线度
抗弯强度
技术要求
试验方法
不合格分类
合格质量水平(AQL)
检查水平I
量范围
1201~10000
10001~35000
35001~500000
≥500001
样本大小
QB/T1959--1994
IL:S-4.AQL=4.0
IL:S-4,AQL =-6. 5
6.3.2经出厂检验判定为合格批时,交货方应将检出的不合格品换成合格品后,方可提交;若判定为不合格批时,该批产品由交货方返工整理后,方可再次提交检验。6.4型式检验
有下列情况之一时进行型式检验:6.4.1
正常生产后,当结构、材料、工艺有较大改变,可能影响产品性能时;正常生产时,每年不少于一次;产品停产半年以上,恢复生产时;上级质量监督机构或收货单位提出型式检验的要求时。型式检验按GB/T2829的规定进行,采用判别水平直的次抽样方案样本从出厂检验合格批中抽取,其检验项目、不合格分类、不合格质量水平、样本大小和判定数组见表7。表7
检查顺序
表面质量
针尖外观
针鼻外观
直线度
针尖抵触能力
针鼻抗割线能力
抗弯强度
标志、包装、运输、购存
技术要求
试验方法
不合格分类
样本大小
不合格质量水平(RQL)
判定数组
7.1标志
小包装应有商标、产品名称、规格、标准号和生产单位;中包装应有商标、产品名称、规格、数量、包装日期、生产单位;大包装应有产品名称、商标、货号、规格、重量、体积、数量、生产单位、出厂日期和怕湿等标志。特殊要求可由供需双方另行规定。7.2包装
根据供需双方协议可采用各种形式的包装。7.3运输
产品运输时应严禁丽淋和长时间日嗮,注意防潮,并不得与具有腐蚀性的货物混杂在·起装运,装卸时不可抛掷。
7.4贮存
产品严禁露天存放,库房应保持干燥通风,产品在相对湿度不大于85%,温度不超过45C,堆放离458
QB/T1959-—1994
地、离墙不少于10cm。在符合上述条件和不开箱的条件下,防锈期:有铅箔包装的为三年;可见性包装为一年。
附加说明:
本标准由轻工业部质量标准司提出。本标准由全国日用五金标准化中心归口。本标准由上海东风针厂、青岛制针厂负责起草,由上海人民针厂、丹东制钉制针厂和四川绵阳市制针厂参加起草。
本标准主要起草人何国忠、任远、乔圻。本标准非等效采用日本工业标准JISS3008-1981《手用缝纫针》。自本标准实施之日起,原轻工业部部标准SG971984《手用缝纫针》废止。459
小提示:此标准内容仅展示完整标准里的部分截取内容,若需要完整标准请到上方自行免费下载完整标准文档。
手用缝纫针
主题内容与适用范围wwW.bzxz.Net
QB/T1959-1994
本标准规定了手用缝纫针的产品分类、技术要求、试验方法、检验规则和标志、包装、运输、贮存本标准适用于缝衣、补缀、编织、刺绣、绗被褥以及工艺品、农副产品的加工等用途的中碳钢手用缝纫针(以下简称“手缝针”)。引用标准
GB/T 2828
GB/T 2829
GB/T 4354
GB/T6836
3产品分类
3.1产品结构
逐批检查计数抽样程序及抽样表(适用于连续批的检查)周期检查计数抽样程序及抽样表(适用于生产过程稳定性的检查)优质碳素钢热轧盘条
涤纶缝纫线
产品结构及各部名称如图1所示。图1
1后线槽;2—针鼻;3-前线槽:4-针杆;5—针尖注:允许没有前线槽
3.2产品的基本尺寸及极限偏差
3.2.1直径范围为0.30~2.00mm。3.2.2长度范围为20~150mm。
3.2.3极限偏差见表1。
极限偏差
中华人民共和国轻工业部1994-06-10批准454
1995-02-01实施
QB/T1959---1994
3.2.4特殊要求可由供需双方协议规定。3.3材料
采用55、60号优质碳素钢圆盘条或更优质的其他钢材制造。其技术性能指标应符合GB/T4354的规定。
4技术要求
4.1表面质量
针杆表面应光亮一致,不应有透迹、斑痕和明显的损伤。4.2针尖
4.2.1针尖应锋利、尖部呈抛物线状,弧接点应圆滑过渡,不允许有虚尖、扁尖、焦尖和秃尖(特殊用途手缝针的针尖除外)。
4.2.2针尖应具有一定的抵触能力,当针尖在1.2N力的作用下不起勾。4.3针鼻
4.3.1针鼻应端正圆滑,针孔处于针中间且光滑无毛刺,针孔与后线槽交接处要微带弧形,不允许破鼻无孔。
4.3.2针鼻的抗割线能力,直径大于0.50mm的手缝针针鼻的抗割线能力不低于30次。4.4直线度
针杆应圆直,当针长不大于直径的50倍时,其直线度公差值应不大于针长的1%,当针长大于直径的50倍时,其直线度公差值不大于针长的2%。4.5抗弯强度
手缝针应具有良好的抗弯能力,当针杆受力发生弯曲时,针的夹角在165°~180°范围内,不允许发生断裂。其变形夹角在165°时的载荷应不低于表2规定。表2
径,mm
荷,N
径,mm
荷,N
径,mm
注:直径为公称直径,特殊直径的手缝针按最接近的直径计算。·5试验方法
5.1表面质量
在充足的光线下目测。
5.2针尖试验
5.2.1针尖外观用4~6倍放大镜目测。0.50
5.2.2针尖抵触能力采用针尖测试仪进行试验,如图2所示,将试件垂直刺向硬度为HRC57~60的钢片。
5.3针鼻试验
QB/T 1959-
5.3.1针鼻外观用4~6倍放大镜目测。5.3.2抗割线能力采用抗割线仪进行测试,按图3所示,将试件夹持在固定的夹座上,穿人表3规定的线,一端固定,另一端连接牵引磁码作行程为18mm的往复运动,运动频率为28次/min,磁码重量为20g。
20支2股漆纶缝纫线
一等品
白藍色藍
GB/T 6836
5.3.3测试时遇有针孔阻力过大,连续10次磁码不能自然垂落时,应视为不合格,但10次内能恢复正常时,则可连续计算。
5.4直线度试验
用手指捻转针杆进行目测,难以目测判定的试件可采用精度不低于1级的专用直线度仪或其他具有同等效力的仪器进行测试,所测试原理如图4所示,将针平放在一水平面上,使针的两端靠在另一垂直平面上,测中间距垂直面的最大距离,按下式计算出针的直线度公差值。图4
式中:a直线度,mm,
h.-实测距离,mm,
d-—针的直径,mm。
5.5抗弯强度试验
QB/T1959
d=h—d
抗弯强度在精度为0.5级的ZWD-200小量程弯曲试验仪上按图5所示的方法进行测试,弯曲变形夹角换成挠度值,见表4。
直径d
挠度值
直径d
挠度值子
直径d
挠度值子
6检验规则
产品须经质量检验部门检验,并出具合格证方能出厂6.1
6.2产品检验分出厂检验和型式检验,均采用每百单位产品不合格品数检验。0.65
6.3出厂检验按GB/T2828的规定进行,采用正常检查一次抽样方案,6.3.1出厂检验的项目、不合格分类、合格质量水平、检查水平见表5,其样本大小和判定数组见表6。表5
检查顺序
项目名称
表面质量
针尖造型
针鼻造型
直线度
抗弯强度
技术要求
试验方法
不合格分类
合格质量水平(AQL)
检查水平I
量范围
1201~10000
10001~35000
35001~500000
≥500001
样本大小
QB/T1959--1994
IL:S-4.AQL=4.0
IL:S-4,AQL =-6. 5
6.3.2经出厂检验判定为合格批时,交货方应将检出的不合格品换成合格品后,方可提交;若判定为不合格批时,该批产品由交货方返工整理后,方可再次提交检验。6.4型式检验
有下列情况之一时进行型式检验:6.4.1
正常生产后,当结构、材料、工艺有较大改变,可能影响产品性能时;正常生产时,每年不少于一次;产品停产半年以上,恢复生产时;上级质量监督机构或收货单位提出型式检验的要求时。型式检验按GB/T2829的规定进行,采用判别水平直的次抽样方案样本从出厂检验合格批中抽取,其检验项目、不合格分类、不合格质量水平、样本大小和判定数组见表7。表7
检查顺序
表面质量
针尖外观
针鼻外观
直线度
针尖抵触能力
针鼻抗割线能力
抗弯强度
标志、包装、运输、购存
技术要求
试验方法
不合格分类
样本大小
不合格质量水平(RQL)
判定数组
7.1标志
小包装应有商标、产品名称、规格、标准号和生产单位;中包装应有商标、产品名称、规格、数量、包装日期、生产单位;大包装应有产品名称、商标、货号、规格、重量、体积、数量、生产单位、出厂日期和怕湿等标志。特殊要求可由供需双方另行规定。7.2包装
根据供需双方协议可采用各种形式的包装。7.3运输
产品运输时应严禁丽淋和长时间日嗮,注意防潮,并不得与具有腐蚀性的货物混杂在·起装运,装卸时不可抛掷。
7.4贮存
产品严禁露天存放,库房应保持干燥通风,产品在相对湿度不大于85%,温度不超过45C,堆放离458
QB/T1959-—1994
地、离墙不少于10cm。在符合上述条件和不开箱的条件下,防锈期:有铅箔包装的为三年;可见性包装为一年。
附加说明:
本标准由轻工业部质量标准司提出。本标准由全国日用五金标准化中心归口。本标准由上海东风针厂、青岛制针厂负责起草,由上海人民针厂、丹东制钉制针厂和四川绵阳市制针厂参加起草。
本标准主要起草人何国忠、任远、乔圻。本标准非等效采用日本工业标准JISS3008-1981《手用缝纫针》。自本标准实施之日起,原轻工业部部标准SG971984《手用缝纫针》废止。459
小提示:此标准内容仅展示完整标准里的部分截取内容,若需要完整标准请到上方自行免费下载完整标准文档。
标准图片预览:





- 其它标准
- 上一篇: QB/T 1958-1994 理发剪
- 下一篇: QB/T 1961-1994 办公用胶水
- 热门标准
- 轻工行业标准(QB)
- QB/T5247-2018 箱包配件塑料插扣耐 用性能试验方法
- QB/T2856-2007 毛革服装
- QB2584-2003 蒸汽淋浴房
- QB/T2711-2005 皮革 物理和机械试验 撕裂力的测定:双边撕裂
- QB/T1664-1998 纸板戳穿强度测定仪
- QB/T2161-1995 儿童推车整车通用技术条件
- QB/T2425-1998 封箱用再湿性牛皮纸胶粘带
- QB/T3520-1999 500kV油纸套管绝缘纸
- QB/T2569.6-2002 钢锉 木锉
- QB/T1433.10-2005 饼干 装饰饼干
- QB/T1439-2005 帐册
- QB/T1584-2005 日用皮手套
- QB/T2333-1997 防晒化妆品中紫外线吸收剂定量测定高效液相色谱法
- QB/T1756-1993 造纸机械湍流式中浓度浆泵
- QB/T1782-1993 苯乙醇
- 行业新闻
请牢记:“bzxz.net”即是“标准下载”四个汉字汉语拼音首字母与国际顶级域名“.net”的组合。 ©2025 标准下载网 www.bzxz.net 本站邮件:bzxznet@163.com
网站备案号:湘ICP备2025141790号-2
网站备案号:湘ICP备2025141790号-2