- 您的位置:
- 标准下载网 >>
- 标准分类 >>
- 轻工行业标准(QB) >>
- QB/T 1952.2-1999 弹簧软床垫
标准号:
QB/T 1952.2-1999
标准名称:
弹簧软床垫
标准类别:
轻工行业标准(QB)
标准状态:
已作废-
发布日期:
1999-07-12 -
实施日期:
2000-01-01 -
作废日期:
2005-06-01 出版语种:
简体中文下载格式:
.rar.pdf下载大小:
401.46 KB
标准ICS号:
家用和商用设备、文娱、体育>>97.140家具中标分类号:
轻工、文化与生活用品>>家具>>Y81家具制品

部分标准内容:
QB/T 1952.2---1999
本标准对ZB/TY81002.2—1989《软体家具弹簧软床垫》(该标准曾由国轻行[1999]112号文发布转化标准号为QB/T3661.2—1999,内容同前)和QB/T1952.2-1994《软体家具弹簧软床垫质量检验及分等综合评定》二项标准进行修订。QB/T1952.2--1994是依据ZB/TY81002.2—1989制定的,所以这二个标准在技术内容上有紧密联系。故这次将这二个标准一起修订,且考虑标准的完整性,将这二个标准并为一个标准。这次修订在内容上主要有以下的改动。一、取消非机制床垫的规定,统一了床垫的要求。二、补充了若干定义和代号说明:补充的定义有:包布弹簧、阻燃、有焰燃烧、圆形垫块等。对标准中所出现的代号作了说明。三、增加了床垫的规格尺寸:
床垫的长度由19002000mm二种改为1900,1950,2000,2100mm四种。床垫的宽度单人型由900,1000,1100mm三种改为800,900,1000,1100,1200mm五种;双人型由1200,1350,1500mm三种改为1350,(1400),1500,1800mm四种。床垫高度由140mm~200mm改为≥140mm。四、改动了部分要求
1.增加了尺寸极限偏差。
2.用料要求:
①增加卫生要求,本标准5.3.2明确:铺垫料包括麻毡(布)、棕片、塑网、毛毡、棉毡等,所有铺垫料均应无有害生物,不允许夹杂泥砂及金属杂物,无腐朽变。②泡沫塑料要求,改为密度≥20kg/m,拉伸强度≥80kPa,75%压缩永久变形≤10%③增加了床垫阻燃性能要求(合同要求时)。④对面料的克重、铺垫料的强度提出具体的要求。3.耐久性要求:
①增加了对压缩量的要求。
②增加了耐久性试验后床垫高度的要求。五、检验结果评定
取消了不合格项目的分类,即取消了A类不合格、B类不合格、C类不合格的分类。六、产品最终结果的分等分级:1.改动了弹簧覆盖率。
原标准:C级产品为52%~59%,B级产品为59%~69%,A级产品为70%以上。现改为:C级产品为52%~57%,B级产品为58%~64%,A级产品为65%以上。2.对分等分级判别依据作了改动。本标准的附录 A、附录 B、附录 C都是标准的附录。本标准由国家轻工业局行业管理司提出。本标准由全国家具标准化中心归口。本标准起草单位:上海市家具研究所、湖北联乐集团。本标主要起草人:毛宗立、古鸣、周明炎、周德文。340
QB/T1952.2-1999
自本标准实施之日起,国家轻工业局发布的轻工行业标准QB/T3661.2一1999《软体家具弹簧软床垫》和原中国轻工总会发布的轻工行业标准QB/T1952.2-1994《软体家具弹簧软床垫质量检验及分等综合评定》作废。
1范围
中华人民共和国轻工行业标准
弹,簧软床垫
QB/T 1952.2—1999
代替QB/T3661.2-1999
QB/T 1952. 2-1994
本标准规定了弹簧软床垫的定义、产品分类、要求、试验方法、检验规则、检验结果评定和标志、包装、运输、贮存。
本标准适用于宾馆、家庭等场合使用的弹簧软床垫。2引用标准
下列标准所包含的条文,通过在本标准中引用而构成为本标准的条文。本标准出版时,所示版本均为有效。所有标准都会被修订,使用本标准的各方应探讨使用下列标准最新版本的可能性。GB/T10802-1989软质聚氨酯泡沫塑料GB/T6343—1995泡沫塑料和橡胶表观(体积)密度的测定GB/T6344—1996软质泡沫聚合物材料拉伸强度和断裂伸长率的测定GB/T6669-1986软质泡沫聚合材料压缩永久变形的测定3定义和代号
本标准采用下列定义和代号。
3.1弹簧软床垫(以下简称“床垫”)以弹簧及软质衬垫物为内芯材料,表面罩有织物面料或软席等材料制成的卧具。3.2螺旋穿簧
俗称:穿条弹簧、穿簧
用钢丝制成的起连接作用的圆柱螺旋形弹簧。3.3弹簧芯
用螺旋穿簧和专用铁卡将中凹形弹簧连接组成或由外包布圆柱形弹簧,或由一根或数根钢丝组成的弹性整体。
3.4包布弹簧
外面罩有包布的弹簧。
3.5连续型钢丝弹簧
由一根或数根弹簧丝绕制成的弹性整体。3.6弹簧覆盖率
床垫上所用的弹簧外端面外圆面积总和与床垫面积的百分比。3.7围边
俗称:凳边、侧边、裙边、墙子床垫的周边部分。
3.8缝边
把垫面上的合材料与围边覆合材料用边带缝合在一起,形成床垫上、下两表面的外围粗线边条。国家轻工业局1999-07-12批准
2000-01-01实施
3. 9压缩量 α、压缩量b 压缩量 cQB/T1952.2—1999
通过圆形垫块(6.1.1)对水平放置床垫施加垂直向下的力,引起床垫表面沿受力方向的位移量(见图1)。
压缩量aα:施加力4N,然后加至200N所引起的位移量;压缩量b:施加力40N,然后加至200N所引起的位移置;压缩量c:施加力4N,然后加至250N所引起的位移量。注:
压缩量代号加一横线(如a,5,)表示各代号的算术平均值。1
2压缩量代号附加脚标1,2,(如 aα)分别表示耐久性第一、第二、.阶段试验测得的压缩量。4N7
垫面凸度(△)
床垫平放于平面上时,垫面中间外凸部位的最大高度与床垫围边高度之差。3.11代号
代号见表1。
床垫长度
床垫宽度
床热高度
床垫垫面高度
代号上加一横(如乙),表示该代号数量均值。代
2L,B,H、Ha代号右下角加1位数值(如L)表示在某位置测得的数值。床垫凸度
压缩量a
压缩量b
压缩量c
3Ha,a,b,c 代号右下角加 2 位数值(如a12)前 1 位数表示耐久性检验某一阶段,后 1位数表示在某位置测得的值。
4产品分类
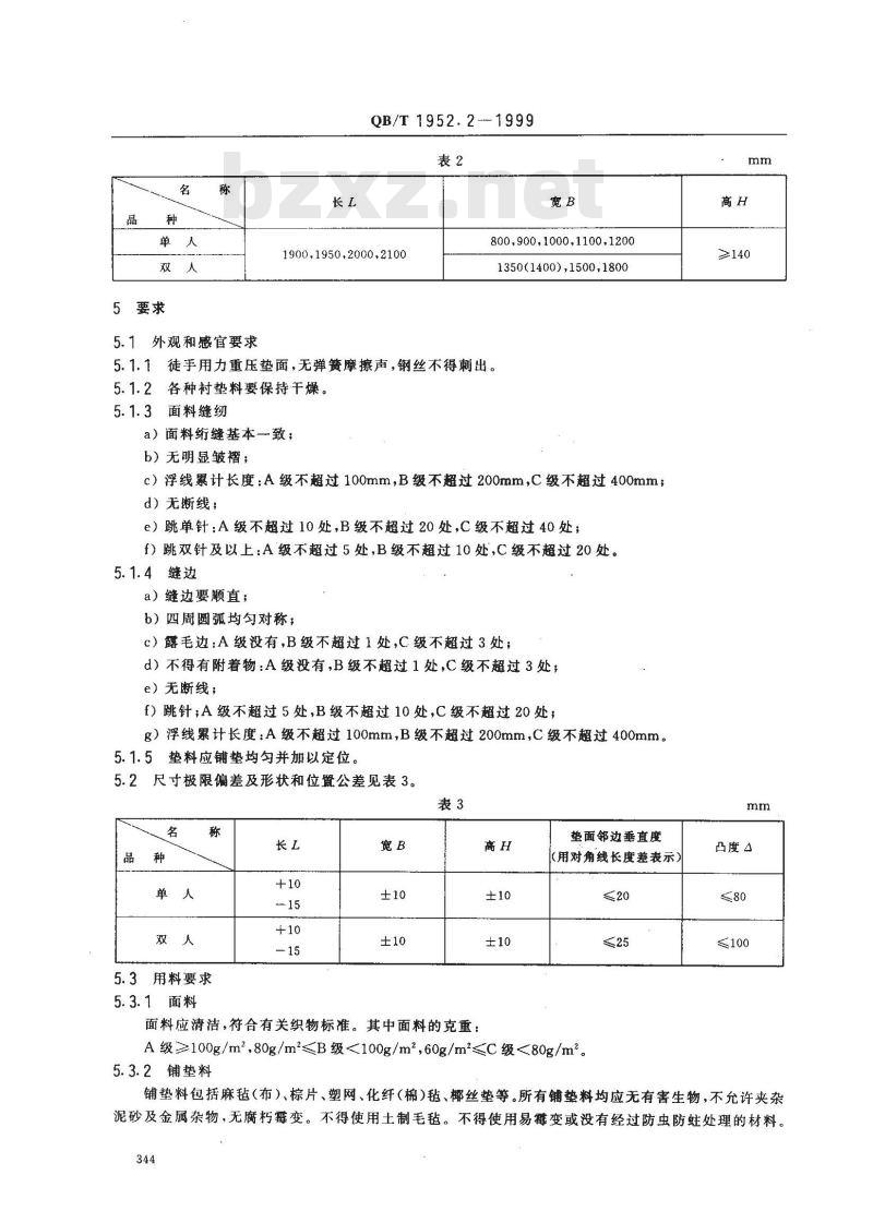
产品分类见表2。
5要求
5.1外观和感官要求
QB/T1952.2-1999
1900,1950,2000,2100
800.900.1000,1100,1200
1350(1400),1500,1800
5.1.1徒手用力重压垫面,无弹簧摩擦声,钢丝不得刺出。5.1.2各种衬垫料要保持干燥。
5.1.3面料缝纫
a)面料绗缝基本一致;
b)无明显皱褶;
c)浮线累计长度:A级不超过100mm,B级不超过200mm,C级不超过400mm;d)无断线;
e)跳单针:A级不超过10处,B级不超过20处,C级不超过40处;f)跳双针及以上:A级不超过5处,B级不超过10处,C级不超过20处。5.1.4缝边
a)缝边要顺直;
b)四周圆弧均勾对称;
c)露毛边:A级没有,B级不超过1处,C级不超过3处;d)不得有附着物:A级没有,B级不超过1处,C级不超过3处;e)无断线;
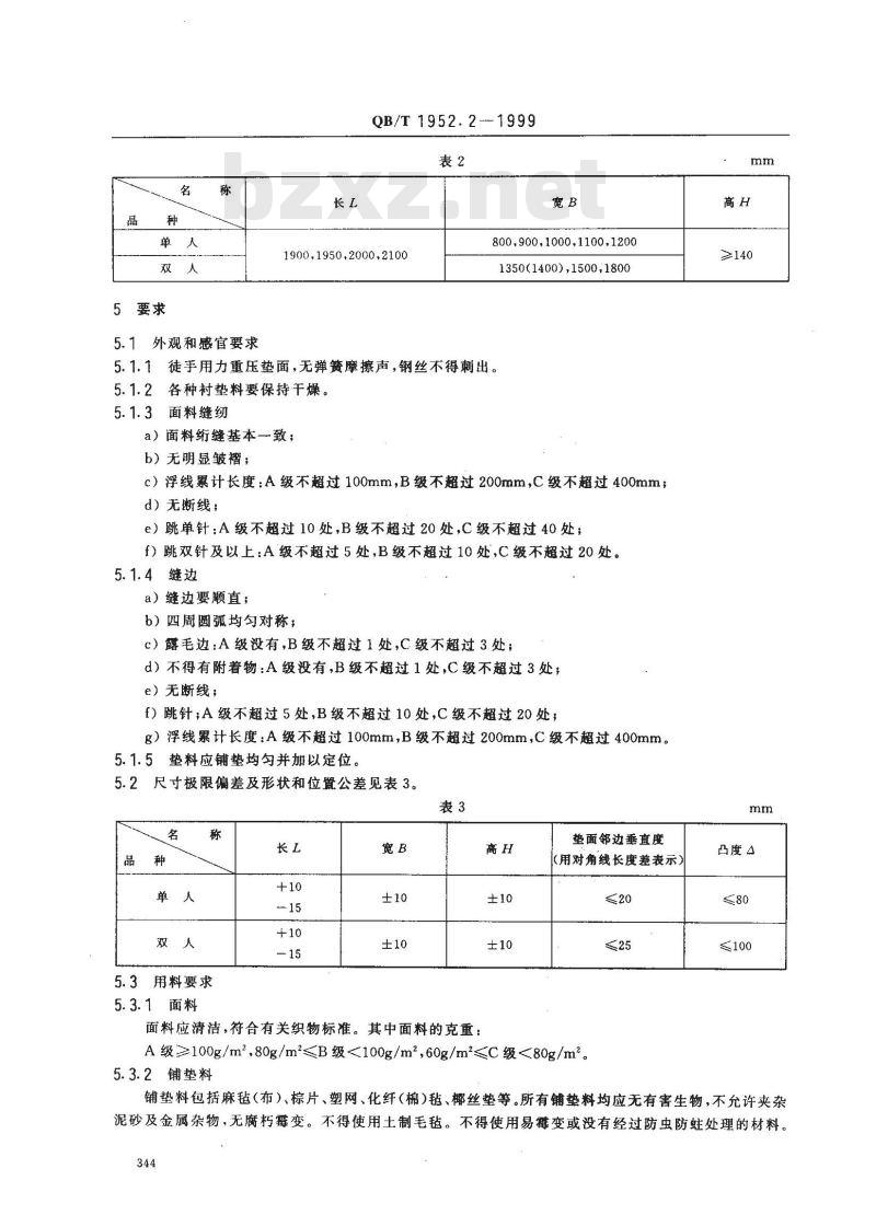
f)跳针;A级不超过5处,B级不超过10处,C级不超过20处;g)浮线累计长度:A级不超过100mm,B级不超过200mm,C级不超过400mm。5.1.5垫料应铺垫均匀并加以定位。5.2尺寸极限偏差及形状和位置公差见表3。表3
5.3用料要求
5.3.1面料
面料应清洁,符合有关织物标准。其中面料的克重:高H
垫面邻边垂直度
(用对角线长度差表示)
A级≥100g/m2,80g/m2≤B级<100g/m2,60g/m2≥140
铺垫料包括麻毡(布)、棕片、塑网、化纤(棉)毡、椰丝垫等。所有铺垫料均应无有害生物,不允许夹杂泥砂及金属杂物,无腐朽霉变。不得使用土制毛毡。不得使用易霉变或没有经过防虫防蛀处理的材料。344
a)棕片强度≥10N/cm,
b)化纤(棉)毡强度≥10N/cm;c)椰丝垫强度≥16N/cm。
5.3.3面料、铺垫料的总克重:
QB/T 1952.2--1999
A级≥2200g/m21800g/m2≤B级<2200g/m2,1500g/m2≤C级<1800g/m2。注:面料、铺垫料的总克重是指床芯上单面所覆盖的铺垫料的面料等的克重量和面积之比。5.3.4泡沫塑料
泡沫塑料应达到GB/T10802的有关要求。a)复合面料上的泡沫塑料密度≥15kg/m;b)铺垫用的泡沫塑料:密度≥20kg/m;拉伸强度≥80kPa;
75%压缩永久变形≤10%。
5.3.5弹簧要求
a)中凹形弹簧的钢丝直径:1.3mm~2.8mm;b)中凹形弹簧的端面外径:不得大于90mm,c)螺旋穿餐钢丝直径;l.3mm~1.8mm;d)弹簧覆盖率:A级≥65%,58%≤B级<65%,52%≤C级<58%,e)弹簧不得有锈迹。
5.3.6产品便用的主要材料要求应在标准中列出。5.4耐久性要求
耐久性试验结束后,床垫应符合5.4.1~5.4.4要求。5.4.1弹簧应完好,村垫料无明显移位。5.4.2 压缩量b≤70mm。
5.4.3压缩量在20%~50%Ha之间。注:H。为做耐久性试验时测量位量所测得的值。5.4.4耐久性试验结束后的垫面高度应大于床垫原始垫面高度90%,即H.≥90%Hag。注:测量位置为耐久性试验时测量位量。5.5床垫阻燃性要求
在床垫面上放置一支点燃香烟,在1h内,床垫不得有阴燃或有焰燃烧现象。注:这项要求仅对合同明文规定有效。6试验方法
6.1试验装置
6.1.1圆形垫块
测量表面为圆形的刚性圆柱体,见图2。@100
6.1.2加载模块
QB/T 1952.2-1999
质量为(50士0.25)kg的刚性物体,尺寸、形状见图3。600
6.1.3平板
平板用于测量床垫外形尺寸,其推荐尺寸为1900mm×2400mm,平面度小于3mm。平板应水平放置。
6.1.4矩形垫块
测量平面为矩形的刚性长方体,该平面为长(110士0.5)mm,宽(45士0.5)mm。6.2尺寸极限偏差及形状公差检验6.2.1长度和宽度检验
把床垫水平放置在平板(6.1.3)上,沿床垫的长度或宽度方向,在对应翻边的一组测量位置(见图4),通过矩形垫块(6.1.4)沿水平方向施加2N力,使矩形垫块紧贴在围边的规定位置上,此时测得两矩形垫块中心距离为床垫在该测量位置的长度和宽度,读数单位为毫米。实测3个规定位置的长度和4个规定位置的宽度,其相应的算术平均值L、B即为床垫的长度和宽度。S2N
6.2.2高度检验
把床垫水平放置在平板上,在8个测量位置(见图5中Hi~H)上,分别测量床垫围边上、下缝线的距离。读数单位为毫米。8个实测值的算术平均值H即为床垫高度。6.2.3垫面邻边垂直度检验
测量垫面对角线长度,测量点在对角线与缝边的交点上,读数单位为毫米。测得两对角线长度之差即为垫面邻边垂直度。
6.2.4凸度检验
QB/T1952.2—1999
把床垫水平效置在地面上,通过圆形垫块对床垫施加4N力,此时圆形垫块底面对地距离即为垫面高度Ha分别测量床垫表面三个检测位置(见图5中Han~Ha3)的垫面高度,其算术平均值Ha与床垫高度H的差即为床垫凸度。即△=Ha一H。6.3面料、铺垫料检验
6.3.1面料克重检验
在床垫上取200mm×250mm面料-块,称出其质量,测出其实际面积,以其质量除以实际面积,即为面料克重。
6.3.2棕片、化纤(棉)毡、椰丝垫强度检验在床垫上纵向和横向各取一块长为200mm,宽为50mm棕片试样。以100mm/min~~200mm/min速度沿试样长度方向拉伸直到试样断裂,记录其最大拉力。二个试样的最大拉力的算术平均值除以试件宽度即为棕片强度。
化纤(棉)毡、椰丝垫强度检验也采用本条规定的办法4N
6.3.3面料、铺垫料总克重检验
在床垫上取200mm×250mm面料、铺垫料试样一块,称出其质量,测出其实际面积,以其质量除以实际面积即为面料、铺垫料总克重。6.4泡沫塑料试验
6.4.1密度测定
按GB/T6343进行测定。试样尺寸50mm×50mm。6.4.2拉伸强度试验
按GB/T6344进行测定。有效标距50mm。6.4.3压缩永久变形试验
按GB/T6669进行测定。压缩75%。6.5弹簧端面外径检验
在床芯上除边沿弹簧外,任取3个弹簧(明显变形除外)。测量每个弹簧端面的最大直径和最小直347
QB/T 1952.2-1999
径,测量点和弹簧打结处至少相距10mm,求得直径的算术平均值即为弹簧端面外径。6.6弹簧覆盖率检验
根据6.5得到的弹簧端面外径,求出单个弹簧端面面积以及整个床芯弹簧端面面积总和(单个弹簧端面面积×弹簧总数)。用弹簧端面面积总和除以床垫面积乘以百分比即得到弹簧覆盖率。注:床垫面积以实测为准。
6.7耐久性试验方法见附录A(标准的附录)。6.8 床垫阻燃性试验方法见附录 B(标准的附录)。7检验规则
7.1检验分类
产品检验分型式检验和出厂检验。7.2型式检验
型式检验是对产品质量进行全面考核,即对本标准中规定的要求全部进行检验。7.2.1有下列情况之时,一般应进行型式检验。a)新产品或老产品转产生产的试制定型鉴定;b)正式生产后,如结构、材料、工艺有较大改变,可能影响产品性能时,c)正常生产时,定期或积累一定产量后,应期性进行一次检验,周期检验一般为一年;d)产品长期停产后,恢复生产时;e)出广检验结果与上次型式检验有较大差异时,f)国家质量监督机构提出进行型式检验的要求时。7.2.2抽样与产品组批规则
本批次产品型式检验,应在抽样时近期内生产的产品中抽取样品。抽样应采取母样编号抽签的方法,在母样中抽取子样2件,1件送检,1件封存在企业备用。7.2.3样品检验程序
先做外观检验,再做力学检验,最后做理化性能检验,检验程序应符合尽量不影响余下检验项目正确性的原则。bZxz.net
7.3出厂检验
出厂检验是产品出厂或产品交货时进行的检验,检验项目为表C1中序号1~9,21~34,44,46~~48。
7.3.1出厂检验应进行全数检验,批量大全数检验有困难的,可实行抽样检验。企业应规定抽样检验方法和合格批判定方法。
7.3.2产品检验结果各项技术指标符合型式检验时评定要求的,按型式检验时评定的产品等级出厂。若低于型式检验时评定要求的,降级出厂。不合格品不允许出厂。7.4检验项目分类
检验项目分为基本项目、分级项目、一般项目。详见附录C(标准的附录)。7.5检验结果评定
7.5.1基本项目和一般项目的评定基本项目和一般项目的检验结果,根据附录C(标准的附录)分别评为合格或不合格。7.5.2分级项目的评定
分级项目的检验结果,根据附录C(标准的附录)分别评定为A级、B级、C级或不合格。7.5.3成品质量评定
成品质量评定分为优等品(A级品)、一等品(B级品)、合格品(C级品)、不合格品。评定按表4进348
基本项目
一般项目
分级项目
优等品
(A级品)
允许有2项B级,耐久
性必须是A级,不允许有
C级或不合格
QB/T1952.2—1999
(B级品)
允许有2项不合格
允许有2项C级,耐久
性必须是B级以上(含B
级),不允许有不合格
合格品
(C级品)
允许有 3项不合格
耐久性和弹簧覆盖率
必须是C级以上(含C
级),其他允许1项不合
不合格品
达不到合格
品要求的为不
合格品
7.5.4优等品(A级品)的确认,须由国家级检验中心,行业专职检验机构或受国家、行业委托的检验机构出具的实物质量水平的检验证明。7.6复验规则
7.6.1经型式检验不合格的,可进行复验。复验必须从封存在企业的备用样品进行检验。7. 6. 2
7.6.3复验应对前次检验不合格的项目及前次因试件损坏而未能检验的项目进行检验。7.6.4复验结果按附录C(标准的附录)和表4进行评定,并在检验报告中注明\复验”。8标志、包装、运输、贮存
8.1成品出厂应有中文标志,内容至少应包括生产者名称和地址、产品名称、质量等级。检验合格证,所执行的标准号。
8.2成品应加以包装,防止污染和损坏。8.3成品在运输过程中,要进行适当防护、防止重压损伤和丽淋。8.4成品在贮存期间,应保持干燥通风,防止污染、曝晒和受潮。堆放时不宜过高和局部受压,以防损伤。
A1检验原理
QB/T1952.2--1999
附录A
(标准的附录)
床垫耐久性试验方法
用2个加载模块(6.1.2置于水平放置的床垫加载位置(A2)上方一定的高度,以一定频率交替自由跌落,对床垫进行重复加载,以检验床垫对长期重复性载荷的承受能力。A2
加载位置
加载位置见图A1。
A3加载频率
试验部位
把2个加载模块各对床垫冲击一次算一次加载,加载频率为0.32Hz~0.35Hz(19次/min~21次/min)。两个加载模块跌落顺序见图A2。床垫表面
加载模块1
床垫表面
加毅模块2
A4垫面高度 Ha、压缩量 α、b和 c 的测量一次加载波形示意图
把床垫水平放置在平地上,通过圆形垫块(6.1.1)在床垫测量位置(见图A3),以(100土20)mm/min的速度,垂直向下分别施加力4,40,200,250N。350
QB/T 1952.2 --- 1999
检测位置
施加力4N时圆形垫块测量表面(下表面)对地距离为该位置垫面高度H,二个测量位置的H。算术平均值即为垫面高度Hd。
圆形垫块测量表面相应施加力4N~200N时的位移为该位置压缩量a,二个测量位置α的算术平均值即为耐久性试验该阶段的压缩量a。圆形垫块测量表面相应施加力4N~200N时的位移为该位置压缩量b,二个测量位置b的算术平均值即为耐久性试验该阶段的压缩量6。圆形垫块测量表面相应施加力 4N~~250N时的位移为该位置压缩量c,二个测量位置c 的算术平均值即为耐久性试验该阶段的压缩量。参见图1。
A5预压
加载模块下表面离地高度为垫面高度,对床垫加载100次,卸载15min后,进行第一-阶段试验。A6第一阶段检验
A6.1进行Hai,a 测量。
A6.2加载模块下表面离地高度为Hal+24mm,对床垫进行5000次加载。A6.3加载结束后,测量6,c,然后进行检查,若符合5.4.1要求,卸载15min后,进行下一阶段检验。注:根据检查需要,可在加载部位附近局部剖开围边,但在下一阶段检验前应予缝合。A7第二阶段及以后各阶段检验
A7.1每阶段先进行H。和a的测量。A7.2加载模块下表面离地高度为Ha+24mm。A7.3加载次数第二阶段为20000次,第三阶段为15000次,第四阶段为20000次,以后每个阶段为10000次。
A7.4每一个阶段检验结束后,测量6和,符合5.4.1要求,卸载2h后,方可进行下一阶段检验。A8检验记录
检验记录至少应包含每一阶段检验的Haa,b,c 加载频率、加载次数及检验结果。351
小提示:此标准内容仅展示完整标准里的部分截取内容,若需要完整标准请到上方自行免费下载完整标准文档。
本标准对ZB/TY81002.2—1989《软体家具弹簧软床垫》(该标准曾由国轻行[1999]112号文发布转化标准号为QB/T3661.2—1999,内容同前)和QB/T1952.2-1994《软体家具弹簧软床垫质量检验及分等综合评定》二项标准进行修订。QB/T1952.2--1994是依据ZB/TY81002.2—1989制定的,所以这二个标准在技术内容上有紧密联系。故这次将这二个标准一起修订,且考虑标准的完整性,将这二个标准并为一个标准。这次修订在内容上主要有以下的改动。一、取消非机制床垫的规定,统一了床垫的要求。二、补充了若干定义和代号说明:补充的定义有:包布弹簧、阻燃、有焰燃烧、圆形垫块等。对标准中所出现的代号作了说明。三、增加了床垫的规格尺寸:
床垫的长度由19002000mm二种改为1900,1950,2000,2100mm四种。床垫的宽度单人型由900,1000,1100mm三种改为800,900,1000,1100,1200mm五种;双人型由1200,1350,1500mm三种改为1350,(1400),1500,1800mm四种。床垫高度由140mm~200mm改为≥140mm。四、改动了部分要求
1.增加了尺寸极限偏差。
2.用料要求:
①增加卫生要求,本标准5.3.2明确:铺垫料包括麻毡(布)、棕片、塑网、毛毡、棉毡等,所有铺垫料均应无有害生物,不允许夹杂泥砂及金属杂物,无腐朽变。②泡沫塑料要求,改为密度≥20kg/m,拉伸强度≥80kPa,75%压缩永久变形≤10%③增加了床垫阻燃性能要求(合同要求时)。④对面料的克重、铺垫料的强度提出具体的要求。3.耐久性要求:
①增加了对压缩量的要求。
②增加了耐久性试验后床垫高度的要求。五、检验结果评定
取消了不合格项目的分类,即取消了A类不合格、B类不合格、C类不合格的分类。六、产品最终结果的分等分级:1.改动了弹簧覆盖率。
原标准:C级产品为52%~59%,B级产品为59%~69%,A级产品为70%以上。现改为:C级产品为52%~57%,B级产品为58%~64%,A级产品为65%以上。2.对分等分级判别依据作了改动。本标准的附录 A、附录 B、附录 C都是标准的附录。本标准由国家轻工业局行业管理司提出。本标准由全国家具标准化中心归口。本标准起草单位:上海市家具研究所、湖北联乐集团。本标主要起草人:毛宗立、古鸣、周明炎、周德文。340
QB/T1952.2-1999
自本标准实施之日起,国家轻工业局发布的轻工行业标准QB/T3661.2一1999《软体家具弹簧软床垫》和原中国轻工总会发布的轻工行业标准QB/T1952.2-1994《软体家具弹簧软床垫质量检验及分等综合评定》作废。
1范围
中华人民共和国轻工行业标准
弹,簧软床垫
QB/T 1952.2—1999
代替QB/T3661.2-1999
QB/T 1952. 2-1994
本标准规定了弹簧软床垫的定义、产品分类、要求、试验方法、检验规则、检验结果评定和标志、包装、运输、贮存。
本标准适用于宾馆、家庭等场合使用的弹簧软床垫。2引用标准
下列标准所包含的条文,通过在本标准中引用而构成为本标准的条文。本标准出版时,所示版本均为有效。所有标准都会被修订,使用本标准的各方应探讨使用下列标准最新版本的可能性。GB/T10802-1989软质聚氨酯泡沫塑料GB/T6343—1995泡沫塑料和橡胶表观(体积)密度的测定GB/T6344—1996软质泡沫聚合物材料拉伸强度和断裂伸长率的测定GB/T6669-1986软质泡沫聚合材料压缩永久变形的测定3定义和代号
本标准采用下列定义和代号。
3.1弹簧软床垫(以下简称“床垫”)以弹簧及软质衬垫物为内芯材料,表面罩有织物面料或软席等材料制成的卧具。3.2螺旋穿簧
俗称:穿条弹簧、穿簧
用钢丝制成的起连接作用的圆柱螺旋形弹簧。3.3弹簧芯
用螺旋穿簧和专用铁卡将中凹形弹簧连接组成或由外包布圆柱形弹簧,或由一根或数根钢丝组成的弹性整体。
3.4包布弹簧
外面罩有包布的弹簧。
3.5连续型钢丝弹簧
由一根或数根弹簧丝绕制成的弹性整体。3.6弹簧覆盖率
床垫上所用的弹簧外端面外圆面积总和与床垫面积的百分比。3.7围边
俗称:凳边、侧边、裙边、墙子床垫的周边部分。
3.8缝边
把垫面上的合材料与围边覆合材料用边带缝合在一起,形成床垫上、下两表面的外围粗线边条。国家轻工业局1999-07-12批准
2000-01-01实施
3. 9压缩量 α、压缩量b 压缩量 cQB/T1952.2—1999
通过圆形垫块(6.1.1)对水平放置床垫施加垂直向下的力,引起床垫表面沿受力方向的位移量(见图1)。
压缩量aα:施加力4N,然后加至200N所引起的位移量;压缩量b:施加力40N,然后加至200N所引起的位移置;压缩量c:施加力4N,然后加至250N所引起的位移量。注:
压缩量代号加一横线(如a,5,)表示各代号的算术平均值。1
2压缩量代号附加脚标1,2,(如 aα)分别表示耐久性第一、第二、.阶段试验测得的压缩量。4N7
垫面凸度(△)
床垫平放于平面上时,垫面中间外凸部位的最大高度与床垫围边高度之差。3.11代号
代号见表1。
床垫长度
床垫宽度
床热高度
床垫垫面高度
代号上加一横(如乙),表示该代号数量均值。代
2L,B,H、Ha代号右下角加1位数值(如L)表示在某位置测得的数值。床垫凸度
压缩量a
压缩量b
压缩量c
3Ha,a,b,c 代号右下角加 2 位数值(如a12)前 1 位数表示耐久性检验某一阶段,后 1位数表示在某位置测得的值。
4产品分类
产品分类见表2。
5要求
5.1外观和感官要求
QB/T1952.2-1999
1900,1950,2000,2100
800.900.1000,1100,1200
1350(1400),1500,1800
5.1.1徒手用力重压垫面,无弹簧摩擦声,钢丝不得刺出。5.1.2各种衬垫料要保持干燥。
5.1.3面料缝纫
a)面料绗缝基本一致;
b)无明显皱褶;
c)浮线累计长度:A级不超过100mm,B级不超过200mm,C级不超过400mm;d)无断线;
e)跳单针:A级不超过10处,B级不超过20处,C级不超过40处;f)跳双针及以上:A级不超过5处,B级不超过10处,C级不超过20处。5.1.4缝边
a)缝边要顺直;
b)四周圆弧均勾对称;
c)露毛边:A级没有,B级不超过1处,C级不超过3处;d)不得有附着物:A级没有,B级不超过1处,C级不超过3处;e)无断线;
f)跳针;A级不超过5处,B级不超过10处,C级不超过20处;g)浮线累计长度:A级不超过100mm,B级不超过200mm,C级不超过400mm。5.1.5垫料应铺垫均匀并加以定位。5.2尺寸极限偏差及形状和位置公差见表3。表3
5.3用料要求
5.3.1面料
面料应清洁,符合有关织物标准。其中面料的克重:高H
垫面邻边垂直度
(用对角线长度差表示)
A级≥100g/m2,80g/m2≤B级<100g/m2,60g/m2
铺垫料包括麻毡(布)、棕片、塑网、化纤(棉)毡、椰丝垫等。所有铺垫料均应无有害生物,不允许夹杂泥砂及金属杂物,无腐朽霉变。不得使用土制毛毡。不得使用易霉变或没有经过防虫防蛀处理的材料。344
a)棕片强度≥10N/cm,
b)化纤(棉)毡强度≥10N/cm;c)椰丝垫强度≥16N/cm。
5.3.3面料、铺垫料的总克重:
QB/T 1952.2--1999
A级≥2200g/m21800g/m2≤B级<2200g/m2,1500g/m2≤C级<1800g/m2。注:面料、铺垫料的总克重是指床芯上单面所覆盖的铺垫料的面料等的克重量和面积之比。5.3.4泡沫塑料
泡沫塑料应达到GB/T10802的有关要求。a)复合面料上的泡沫塑料密度≥15kg/m;b)铺垫用的泡沫塑料:密度≥20kg/m;拉伸强度≥80kPa;
75%压缩永久变形≤10%。
5.3.5弹簧要求
a)中凹形弹簧的钢丝直径:1.3mm~2.8mm;b)中凹形弹簧的端面外径:不得大于90mm,c)螺旋穿餐钢丝直径;l.3mm~1.8mm;d)弹簧覆盖率:A级≥65%,58%≤B级<65%,52%≤C级<58%,e)弹簧不得有锈迹。
5.3.6产品便用的主要材料要求应在标准中列出。5.4耐久性要求
耐久性试验结束后,床垫应符合5.4.1~5.4.4要求。5.4.1弹簧应完好,村垫料无明显移位。5.4.2 压缩量b≤70mm。
5.4.3压缩量在20%~50%Ha之间。注:H。为做耐久性试验时测量位量所测得的值。5.4.4耐久性试验结束后的垫面高度应大于床垫原始垫面高度90%,即H.≥90%Hag。注:测量位置为耐久性试验时测量位量。5.5床垫阻燃性要求
在床垫面上放置一支点燃香烟,在1h内,床垫不得有阴燃或有焰燃烧现象。注:这项要求仅对合同明文规定有效。6试验方法
6.1试验装置
6.1.1圆形垫块
测量表面为圆形的刚性圆柱体,见图2。@100
6.1.2加载模块
QB/T 1952.2-1999
质量为(50士0.25)kg的刚性物体,尺寸、形状见图3。600
6.1.3平板
平板用于测量床垫外形尺寸,其推荐尺寸为1900mm×2400mm,平面度小于3mm。平板应水平放置。
6.1.4矩形垫块
测量平面为矩形的刚性长方体,该平面为长(110士0.5)mm,宽(45士0.5)mm。6.2尺寸极限偏差及形状公差检验6.2.1长度和宽度检验
把床垫水平放置在平板(6.1.3)上,沿床垫的长度或宽度方向,在对应翻边的一组测量位置(见图4),通过矩形垫块(6.1.4)沿水平方向施加2N力,使矩形垫块紧贴在围边的规定位置上,此时测得两矩形垫块中心距离为床垫在该测量位置的长度和宽度,读数单位为毫米。实测3个规定位置的长度和4个规定位置的宽度,其相应的算术平均值L、B即为床垫的长度和宽度。S2N
6.2.2高度检验
把床垫水平放置在平板上,在8个测量位置(见图5中Hi~H)上,分别测量床垫围边上、下缝线的距离。读数单位为毫米。8个实测值的算术平均值H即为床垫高度。6.2.3垫面邻边垂直度检验
测量垫面对角线长度,测量点在对角线与缝边的交点上,读数单位为毫米。测得两对角线长度之差即为垫面邻边垂直度。
6.2.4凸度检验
QB/T1952.2—1999
把床垫水平效置在地面上,通过圆形垫块对床垫施加4N力,此时圆形垫块底面对地距离即为垫面高度Ha分别测量床垫表面三个检测位置(见图5中Han~Ha3)的垫面高度,其算术平均值Ha与床垫高度H的差即为床垫凸度。即△=Ha一H。6.3面料、铺垫料检验
6.3.1面料克重检验
在床垫上取200mm×250mm面料-块,称出其质量,测出其实际面积,以其质量除以实际面积,即为面料克重。
6.3.2棕片、化纤(棉)毡、椰丝垫强度检验在床垫上纵向和横向各取一块长为200mm,宽为50mm棕片试样。以100mm/min~~200mm/min速度沿试样长度方向拉伸直到试样断裂,记录其最大拉力。二个试样的最大拉力的算术平均值除以试件宽度即为棕片强度。
化纤(棉)毡、椰丝垫强度检验也采用本条规定的办法4N
6.3.3面料、铺垫料总克重检验
在床垫上取200mm×250mm面料、铺垫料试样一块,称出其质量,测出其实际面积,以其质量除以实际面积即为面料、铺垫料总克重。6.4泡沫塑料试验
6.4.1密度测定
按GB/T6343进行测定。试样尺寸50mm×50mm。6.4.2拉伸强度试验
按GB/T6344进行测定。有效标距50mm。6.4.3压缩永久变形试验
按GB/T6669进行测定。压缩75%。6.5弹簧端面外径检验
在床芯上除边沿弹簧外,任取3个弹簧(明显变形除外)。测量每个弹簧端面的最大直径和最小直347
QB/T 1952.2-1999
径,测量点和弹簧打结处至少相距10mm,求得直径的算术平均值即为弹簧端面外径。6.6弹簧覆盖率检验
根据6.5得到的弹簧端面外径,求出单个弹簧端面面积以及整个床芯弹簧端面面积总和(单个弹簧端面面积×弹簧总数)。用弹簧端面面积总和除以床垫面积乘以百分比即得到弹簧覆盖率。注:床垫面积以实测为准。
6.7耐久性试验方法见附录A(标准的附录)。6.8 床垫阻燃性试验方法见附录 B(标准的附录)。7检验规则
7.1检验分类
产品检验分型式检验和出厂检验。7.2型式检验
型式检验是对产品质量进行全面考核,即对本标准中规定的要求全部进行检验。7.2.1有下列情况之时,一般应进行型式检验。a)新产品或老产品转产生产的试制定型鉴定;b)正式生产后,如结构、材料、工艺有较大改变,可能影响产品性能时,c)正常生产时,定期或积累一定产量后,应期性进行一次检验,周期检验一般为一年;d)产品长期停产后,恢复生产时;e)出广检验结果与上次型式检验有较大差异时,f)国家质量监督机构提出进行型式检验的要求时。7.2.2抽样与产品组批规则
本批次产品型式检验,应在抽样时近期内生产的产品中抽取样品。抽样应采取母样编号抽签的方法,在母样中抽取子样2件,1件送检,1件封存在企业备用。7.2.3样品检验程序
先做外观检验,再做力学检验,最后做理化性能检验,检验程序应符合尽量不影响余下检验项目正确性的原则。bZxz.net
7.3出厂检验
出厂检验是产品出厂或产品交货时进行的检验,检验项目为表C1中序号1~9,21~34,44,46~~48。
7.3.1出厂检验应进行全数检验,批量大全数检验有困难的,可实行抽样检验。企业应规定抽样检验方法和合格批判定方法。
7.3.2产品检验结果各项技术指标符合型式检验时评定要求的,按型式检验时评定的产品等级出厂。若低于型式检验时评定要求的,降级出厂。不合格品不允许出厂。7.4检验项目分类
检验项目分为基本项目、分级项目、一般项目。详见附录C(标准的附录)。7.5检验结果评定
7.5.1基本项目和一般项目的评定基本项目和一般项目的检验结果,根据附录C(标准的附录)分别评为合格或不合格。7.5.2分级项目的评定
分级项目的检验结果,根据附录C(标准的附录)分别评定为A级、B级、C级或不合格。7.5.3成品质量评定
成品质量评定分为优等品(A级品)、一等品(B级品)、合格品(C级品)、不合格品。评定按表4进348
基本项目
一般项目
分级项目
优等品
(A级品)
允许有2项B级,耐久
性必须是A级,不允许有
C级或不合格
QB/T1952.2—1999
(B级品)
允许有2项不合格
允许有2项C级,耐久
性必须是B级以上(含B
级),不允许有不合格
合格品
(C级品)
允许有 3项不合格
耐久性和弹簧覆盖率
必须是C级以上(含C
级),其他允许1项不合
不合格品
达不到合格
品要求的为不
合格品
7.5.4优等品(A级品)的确认,须由国家级检验中心,行业专职检验机构或受国家、行业委托的检验机构出具的实物质量水平的检验证明。7.6复验规则
7.6.1经型式检验不合格的,可进行复验。复验必须从封存在企业的备用样品进行检验。7. 6. 2
7.6.3复验应对前次检验不合格的项目及前次因试件损坏而未能检验的项目进行检验。7.6.4复验结果按附录C(标准的附录)和表4进行评定,并在检验报告中注明\复验”。8标志、包装、运输、贮存
8.1成品出厂应有中文标志,内容至少应包括生产者名称和地址、产品名称、质量等级。检验合格证,所执行的标准号。
8.2成品应加以包装,防止污染和损坏。8.3成品在运输过程中,要进行适当防护、防止重压损伤和丽淋。8.4成品在贮存期间,应保持干燥通风,防止污染、曝晒和受潮。堆放时不宜过高和局部受压,以防损伤。
A1检验原理
QB/T1952.2--1999
附录A
(标准的附录)
床垫耐久性试验方法
用2个加载模块(6.1.2置于水平放置的床垫加载位置(A2)上方一定的高度,以一定频率交替自由跌落,对床垫进行重复加载,以检验床垫对长期重复性载荷的承受能力。A2
加载位置
加载位置见图A1。
A3加载频率
试验部位
把2个加载模块各对床垫冲击一次算一次加载,加载频率为0.32Hz~0.35Hz(19次/min~21次/min)。两个加载模块跌落顺序见图A2。床垫表面
加载模块1
床垫表面
加毅模块2
A4垫面高度 Ha、压缩量 α、b和 c 的测量一次加载波形示意图
把床垫水平放置在平地上,通过圆形垫块(6.1.1)在床垫测量位置(见图A3),以(100土20)mm/min的速度,垂直向下分别施加力4,40,200,250N。350
QB/T 1952.2 --- 1999
检测位置
施加力4N时圆形垫块测量表面(下表面)对地距离为该位置垫面高度H,二个测量位置的H。算术平均值即为垫面高度Hd。
圆形垫块测量表面相应施加力4N~200N时的位移为该位置压缩量a,二个测量位置α的算术平均值即为耐久性试验该阶段的压缩量a。圆形垫块测量表面相应施加力4N~200N时的位移为该位置压缩量b,二个测量位置b的算术平均值即为耐久性试验该阶段的压缩量6。圆形垫块测量表面相应施加力 4N~~250N时的位移为该位置压缩量c,二个测量位置c 的算术平均值即为耐久性试验该阶段的压缩量。参见图1。
A5预压
加载模块下表面离地高度为垫面高度,对床垫加载100次,卸载15min后,进行第一-阶段试验。A6第一阶段检验
A6.1进行Hai,a 测量。
A6.2加载模块下表面离地高度为Hal+24mm,对床垫进行5000次加载。A6.3加载结束后,测量6,c,然后进行检查,若符合5.4.1要求,卸载15min后,进行下一阶段检验。注:根据检查需要,可在加载部位附近局部剖开围边,但在下一阶段检验前应予缝合。A7第二阶段及以后各阶段检验
A7.1每阶段先进行H。和a的测量。A7.2加载模块下表面离地高度为Ha+24mm。A7.3加载次数第二阶段为20000次,第三阶段为15000次,第四阶段为20000次,以后每个阶段为10000次。
A7.4每一个阶段检验结束后,测量6和,符合5.4.1要求,卸载2h后,方可进行下一阶段检验。A8检验记录
检验记录至少应包含每一阶段检验的Haa,b,c 加载频率、加载次数及检验结果。351
小提示:此标准内容仅展示完整标准里的部分截取内容,若需要完整标准请到上方自行免费下载完整标准文档。

标准图片预览:





- 其它标准
- 热门标准
- 轻工行业标准(QB)
- QB/T2485-2000 香皂
- QB/T5396-2019 水晶自动研磨机
- QB/T4625-2014 黄瓜罐头
- QB/T1975—2004 护发素
- QB/T2894-2007 丙烯腈-丁二烯-苯乙烯(ABS)色母料
- QB/T2896-2007 纸和纸板湿拉毛和湿排 斥的测定
- QB/T5287一2018 口腔清洁护理用品牙膏用美洲大蠊提取物
- QB/T5201-2017 冰衬疫苗保存箱
- QB/T2961-2017 美工刀
- QB/T5281-2018 数显花洒
- QB/T4428-2012 电动自行车用锂离子电池产品规格尺寸
- QB/T5033-2017 藤椅
- QB/T4328-2012 电子鼓用音箱通用技术条件
- QB/T2601-2013 体育场馆公共座椅
- QB/T5087一2017 箱包用皮革
- 行业新闻
请牢记:“bzxz.net”即是“标准下载”四个汉字汉语拼音首字母与国际顶级域名“.net”的组合。 ©2009 标准下载网 www.bzxz.net 本站邮件:bzxznet@163.com
网站备案号:湘ICP备2023016450号-1
网站备案号:湘ICP备2023016450号-1