- 您的位置:
- 标准下载网 >>
- 标准分类 >>
- 轻工行业标准(QB) >>
- QB 2074-1995 酿酒活性干酵母
标准号:
QB 2074-1995
标准名称:
酿酒活性干酵母
标准类别:
轻工行业标准(QB)
标准状态:
已作废-
实施日期:
1996-01-01 -
作废日期:
2007-12-01 出版语种:
简体中文下载格式:
.rar.pdf下载大小:
449.34 KB
替代情况:
被GB/T 20886-2007替代
部分标准内容:
中华人民共和国轻工行业标准
酿酒活性干酵母
1主内容与适用范围
QB2074---1995
本标准规定了酿酒活性干酵母的分类、技术要求、试验方法、检验规则和标志、包装、运输、贮存要求。
本标准适用于以糖蜜、淀粉质原料,经发酵通风培养的酒酵母(saccharornyces cerevisiae)、葡萄汁酵母(S.uvarum)、贝酵母(S.bayanus)等所制得的有发酵产酒精能力的酿酒活性干酵母。2引用标准
GB191包装储运图示标志
GB601化学试剂滴定分析(容量分析)用标催溶液的制备GB603化学试剂试验方法中所用制剂及制品的制备GB4789.4 食品卫生微生物学检验沙门氏菌检验GB8451食品添加剂中重金展限量试验法3术谣
3.1酿酒高活性干酵母
真有强壮生命活力的压榨酵母,经干燥脱水后制得的适用于以糖蜜或淀粉质原料发酵,有产酒精能力的干菌体。具有发酵速度快,出酒率高,适用范围产,含水分低,保存期长的特点。3.2酸酒普通活性干酵母
具有强壮生命活力的压榨酵母,经干燥脱水后制得的适用于以糖蜜或淀粉质原料发酵,有产酒精能力的于菌体。
3.3淀粉出酒率
指在一定溢度下(耐高温型高活性干酵母为40C,常温型高活性干酵母和普通活性干酵母为32℃),定量酵母发酵定量的玉米粉液,在规定时间内发酵所产生的酒精量(以96%乙醇计)占发酵使用的淀粉的百分比。
4产品分类
4.1酿酒高活性干酵母
4.1.附高温型高活性干酵母适于发酵度为32-~40C。4.1.2常温型活性干酵母适于发酵度为30~~32℃。4.2酿酒普通活性干酵母
5技术要求
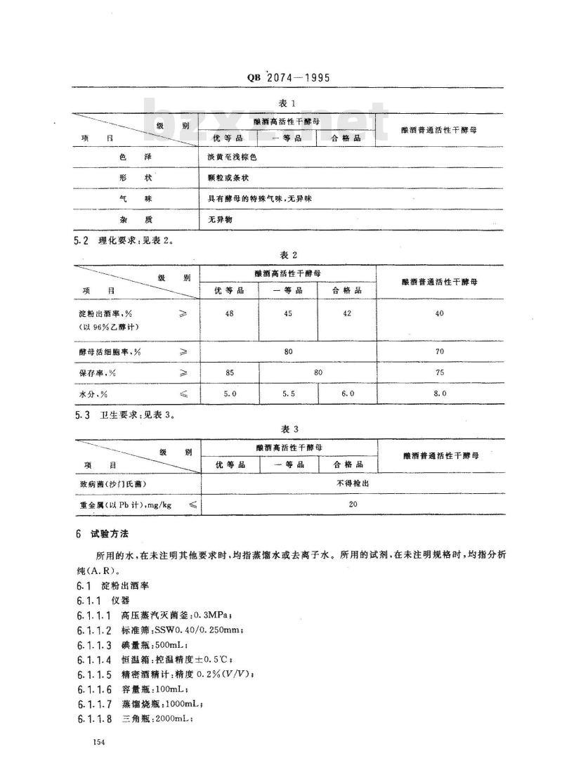
5.1感宫要求:见表1。
中国轻工总会1995-03-27批准
1996-01-01实施
理化要求:见表2。
淀粉出酒率,%
(以96%乙醇计)
醇母活细胞率、%
保存率,%
冰分,%
卫生要求:见表3。
致病菌(沙门氏菌)
重金属(以Pb计),mg/kg
试验方法
优等品
QB2074-1995
酿滋高活性干醇母
淡黄至浅棕色
颗粒或条状
具有醇母的特殊气味,无鼻妹
无异物
醒酒高活性干酵母
优等品
优等品
酿酒高活性干酵母
合格品
合格品
合格品
不得检出
酸酒酱通活性干酵母
酿离酱通活性干酵母
酿酒酱通活性干酵母
所用的水,在未注明其他要求时,均指蒸罐水或去离子水。所用的试剂,在未注明规格树,均指分析纯(A.R)。
6.1淀粉出酒率
6.1.1仪器
6.1.1.1商压蒸汽灭菌签:0.3MPa6.1.1.2标准筛:SSw0.40/0.250mm6.1.1.3碘量瓶:500ml;
6.1.1.4恒温箱:控温精度土0.5℃;6.1.1.5精密酒精计:精度0.2%(V/V)6.1.1. 6
容量瓶:100mL
6. 1. 1. 7
6. 1. 1.8
蒸馏烧瓶:1000mL
三角瓶:2000ml;
6.1.1.9分析天平:感量0.1mg。6.1.2试剂和材料
6.1.2.1黄玉米或白玉米(GB1353)6.1.2.2蔗糖溶液:20g/L;
6.1.2.3α-淀粉酶;
6.1.2.4糖化;
6.1.2.5消泡剂食用油
6.1.2.6硫酸溶液:10%(V/V)
6.1.2.7氢氧化钠溶液:4moi/1.。6.1.3分析步骤
6.1.3.1原料制备
QB 2074-1995
称取玉米500g,用粉碎机进行粉碎,然后全部通过SSW0.40/0.250mm的标准筛(柑当于39目),将过筛粉装人产瓶内,备用。
6.7.3.2酵母活化
称取干酵母1.0g,加人20g/L蔗糖溶液(38~40℃)16mL,播勾,置于32℃恒温箱内活化1h,备用。6.1.3.3操作
a。液化
称取玉米粉200g于2000mL三角瓶内,加人自来水100mL,搅成糊状,再加热水600mL,搅匀。调H6-6.5,在电炉上边加热边搅拌。按每克玉米粉加人8~100mα-淀粉酶,搅匀,放人70~85C恒滋箱内液化30min。用自来水冲洗三角瓶壁上的玉米糊,使内容物总重量为1000g。h、蒸煮
把装有已液化好的玉来糊的三角瓶用棉塞和防水纸封口后,放人高压蒸汽灭菌签,待压力升至0.1MPa后,保压1h。取出,冷却至60℃。糖化
用硫酸溶液调整蒸煮液pH约4.5。按克玉米粉加人150~200μ糖化酶,摇匀。然后放入60℃恒温箱内,糖化60min。取出,摇匀后,分别称取玉米粉糖化液250g装人三个500rm碘量瓶内,并冷却至32C。
d.发酵
手每个碘瓶中加人酵母活化液2.0mL,摇匀,盖塞。将碘量瓶放人32C恒溢箱内,发酵65h。测定耐高温型高活性干酵母时,则将碘量瓶放入40℃恒温箱内发酵65h。e.蒸馏
用氢氧化钠溶液中和发酵至pH6~7,然后将发酵酵渡全部倒人1000mL蒸馅烧瓶中,用100ml水分儿次冲洗碘量瓶,并将洗液倒人蒸馏烧瓶中,加人消泡剂12滴,进行蒸馏。用100mL容量瓶(外如冰水浴)接收罐出液。当罐出液至约95mL时,停蒸留,取下。待温度平衡至室后,定容至100mL.。、测量酒精度
将定容后的馏出液全部倒人洁净、干爆的100mL量简中,静置数分钟,待酒中气泡消失后,放人洗净、擦干的精密酒精计,再轻轻按一下。静置后,水乎观测与弯月面相切处的刻度示值,同时插人温度计记录温度。根据测得的温度和酒精计示值,按附录A,换算成20℃时的酒精度。6.1.4计算
DX0.8411X100x
50(1-W)XS
式中:X—100g样品的淀粉出酒率(以96%乙醇计),%,D--—试样在20C时的酒精度(V/V),%;(1)bZxz.net
QB 2074-1995
0.8411—将100%乙醇换算成96%乙醇的系数;50---玉米粉的质量g
S一玉米粉中的淀粉含量,
W—玉米粉的水分,%。
注:测定玉米粉中的淀粉含量按附录B提供的方法。6.1.5结果的允许差
每个样品须作三个平行试验,测定值相对误差≤2%。6.2酵母活细胞率
6.2.1原理
取一定量的干醛母,用无菌生理盐水活化。然后作适当稀释,用显微镜、血球计数板所测释的酵母活细胞数和总酵母细胞数之比的百分数,即为该样品的酵母活细胞率。6.2.2仪器
6.2.2.1显微镜:效大倍数500以上6.2.2.2血球计数板:XB--K—25;6.2.2.3血球计数板专用盖玻片:20mmX20mm;6.2.2.4
试管:18mmX200mm,
6.2.2.5分析天平:感量0.1mg;6.2.2.6恒温箱:控温精度土0.5℃。6.2.3斌剂和溶液
6.2.3.1无菌生理盐水:称取氯化钠0.85g,加水溶解,并定容至100mL,在0.1MPa下灭菌20min,6.2.3.2次甲基蓝染色液称取次甲基蓝0.025g、氟化钠0.9g、氯化钾0.042g、六水氟化钙0.048%、碳酸氢钠0.02g和葡药糖1%,加水溶解,并定容至100mL。密封,室温保存。6.2.4分析步骤
6.2.4.1称取酸酒活性干酵母0.1(称准至0.0002g),加人无菌生理盐水(38-40℃)20ml,在32C恒温箱中活化1h。
6.2.4.2吸取酵母活化液0.1mL,加人染色液0.9ml,摇匀,室,染色10mim后,立刻在微镜下用球计数板计数。
6.2.4.3计数方法计数时,可数对角线方位上的大方格或左上、右上、左下、右下和中心的大方格内的无色和蓝色酵母细胞数。调整视野,共计算10个大方格,即160个小方格内的酵母细胞数,取平均值为结果,进行计算。无色透瑚者为酵母活细胞,被染上滋色者为死亡的酵母细胞。6.2.5计算
式中:X样品的酵母活细胞率,%;A.-酵母活细胞总数,个,
B —酵母死细胞总数,个。
6.2.6结果的允许差
平行试验,测定值相对误差≤5%。6.3保存率
6.3.1原理
在定温度下,将样品放置一定时间后,所测得的酵母活细胞率与同批样品的酵母活细胞率之比的百分数,即为该批样品的保存率。6.3.2仪器
同6.2.2。
6.3.3试剂和溶液
同6.2.3。
6.3.4分析步骤
QB 2074--1995
6.3.4.1测定并计算样品的酵母活细胞率同6.2.4和6.2.5。
6.3.4.2测定经保温处理后样品的酵母活细胞率将原包装的酿酒活性干酵母放人47.5℃恒温箱内,保温7天后,取出。a
以下测定步骤与6.2.4相同。
计算:
式中:X3
经保温处理后样品的酵母活细胞率,%;酵母活细胞总数,个;
B2——-酵母死细胞总数,个。
6.3.5保存率计算
式中:X.——-样品的保存率,%;X 样品的酵母活细胞率,%;
X-经保温处理后样品的酵母活细胞率,%。6.4水分
6.4.1原理
样品于103℃土2℃直接干燥至恒重,所失质量的百分数即为水分。6.4.2仪器
电热干燥箱:控温精度士2℃;
分析天平:感量0.1mg;
称量瓶:50mm×30mm;
干燥器:用变色硅胶作干燥剂。6.4.3分析步骤
(3)
(4)
称取酿酒活性干酵母样品1g(称准0.0002g)于已烘至恒重的称量瓶中,放人103℃土2℃电热干燥箱内F燥5h后,移人干燥器中冷却,30min后称量。6.4.4计算
m-mz×100
式中:Xs
样品的水分,%;
称量瓶的质量,g;
干燥前称量瓶加样品的质量,g;-干燥后称量瓶加样品的质量,g。6.4.5结果的允许差
平行试验测定,相对误差≤1%。6.5致病菌
按照GB4789.4执行。
(5)
6.6重金属
按照GB8451执行。
7检验规测
7.1组批
QB 2074--1995
同原料、同工艺、同一发酵罐所生产的、,同规格、同包装线的产品为批。7.2不合格项目分类
A类不合格项目至
致病菌、重金
B类不合格项目淀粉出酒率、麟母活细胞率、保存率、水分。色泽、形状、气味、杂质、包装、标签、净重。C类不合格项目
7.3抽样
样本系指产品的最大创装。按表4随机抽取样本。抽取样本数后,再从每个样本中抽取1袋(包),即为单位包装数。
(箱)
26~150
151~3500
7.4交败捡验(出厂检验)
抽取样本数
(箱)
合垫判定数
不合格判定数
7.4.1产品出厂前,应由生产厂的质检部门负费按本标准规定遥批进行检验。符合标准要求,并签署质量合格证的产品方可出厂。
7.4.2交收检验项目包装、标签、净重、色、形状、气味、杂质、淀粉出酒率、酵母活细胞率、水分。7.5型试检验(例行检验)
…般情况下,企业个季度进行一次型式检验,佳有下列情况之时,亦须进行型式检验。7.5.1
更改主要原辅材料及配料,更改关键工艺;停产两个月后,重新恢复生产时;b.
国家质量监督机构提出进行型式检验要求时。7.5.2型式检验项目除交收检验项目外,还包括保存率、致病菌、重金獻。7.6检验及判定规则
7.6.1按表4抽取样本单位包装数,先进行包装、标签、净重的检查,达到不合格判定数时,刻判整批产品为不合格品。
7.6.2按表4抽取样品单位包装数,将样品分作两份,一份封存备查,另一份作熟官要求的检查和理化、卫生要求分析。
7.6.3检验结果,如有A类不合格项,应判整批产品为不合格品,并不子复查。若有个B类不合格项或两个以上C类不合格项,可重新自同一批产品中抽取两倍量样品进行复验。以复验结果为准。若仍有一个B类不合格项或两个以上C类不合格项,测判该批产品为不合格品。8标志、包装、运输、贴存
8.1标志
QB 2074-1995
8.1.1内包装的标签上要注明:产品名称、生产厂名、厂址、商标、规格、生产日期(批号)、净重、保质期、执行标准编号。
8.1.2外包装箱上应标明:产品名称、生产厂名、厂址、商标、规格、生产日期(批号)、净重、毛重、并标有“防潮”“小心轻放”等字样。注:产品名称须与分类相符。
8.1.3储运图示的标志必须符合GB191的有关规定。8.2包装
8.2.1包装材料必须符合卫生要求。8.2.2产品按净重0.5~25kg的不同重量进行包装。内包装采用复合铝箔或装(非真空、真空或充惰性气体)。外包装用纸箱。
8.2.3销售包装净重允许公差
见表5。
酿酒活性干醇母重量,
501~1000
8.3运输
允许公差,%
8.3.1产品在运输过程中要防止雨、雪、日晒、高温、受潮、重压和人为损坏。8.3.2产品不得与有毒、有害、有腐蚀性物品和其他污染物混装、混运。8.4贮存
8.4.1产品放人包装箱内,宜于20℃以下阴凉、干燥处贮存。8.4.2贮存过程应防止鼠咬、虫蛀,不得与有毒、有害、异臭物质一起贮存。8.5保质期
产品自出厂之日起,在符合上述运输、贮存条件下:酿酒高活性干酵母的保质期不低于12个月;酿酒普通活性干酵母的保质期不低于6个月。159
QB2074-1995
附录A
(补充件)
酒精计温广、酒精斑(乙醇含量)换算囊酒精计示值
温度+20 C时用容量百分数表示乙醇浓度23.2
24、9
QB2074—1995
表A1(续)
酒精计示值
温度+20℃时用容量百分数表示乙醇浓度18.4
QB2074-1995
表A1(续)
酒糖计
温度+20℃时用容量百分数表示乙醇浓度14.0
19、2
11、5
QB20741995
表A1(完)
酒精计示值
温度+20℃时用容量百分数表示乙醇浓度10.0
1蛋美
12.6 12.1
12.8 12.2
13,1
B1原理
QB 2074--1995
附录群
(补充件)
玉米粉中淀粉含量的测定方法
玉米粉中的淀粉经酸水解成具有还原性的单糖,水解液经处理除杂质后,用直接滴定法,测定还原糖含量,再乘以系数,折算为淀粉含量。B2仪馨
B2.1水浴锅:温度0~100℃;
B2.2三角瓶:150mL
B2.3容量瓶:500mL,
B2.4满定管:25mL
32.5回流装置:250mL,-套。
B3试剂和溶液
83.1盐酸;
B3.2盐酸溶液[c(HCl)=1.5mol/L1:按GB601配制B3.3氢氧化钠溶液(400g/L):称取氢氧化钠40g加水溶解,并定容至100mLB3.4乙酸铅溶液(200g/L):称取乙酸铅20g,加水溶解,并定容至100mL;B3.5碗酸钠溶液(100g/):称取硫酸钠10g,加水溶解,并定容至100m1:B3.6碱性酒石酸钢甲液:称取硫酸铜(CuSO4·5H.O)15g和次甲基蓝0.05g,加水溶解,并定容至1000mL,贮于棕色玻璃瓶中;
B3.7碱性酒石酸钢乙液:称取酒石酸钾钠50g和氢氟化钠75g,溶于水中,再加人亚铁化钾4g,待完全溶解后,用水稀释,并定容至1000mL,贮于橡胶塞玻璃瓶中;B3.8葡葡糖标准溶液(1g/L):称取已于98~100℃下烘至恒重的无水葡药糖1.000g,用500ml水溶解后,加人盐酸5mL,再用水稀释,并定容至1000mLB3.9甲基红指示液:称取甲基红0.2g,用95%乙醇溶解,并定容至100ml.。B4分析步
B4.1样品处理
称取玉米粉1g(称准至0.0002g)于250m磨口三角瓶中,加入盐酸溶液100m,插上冷凝管,置沸水浴中回流2h。然后冷却至室温,加入甲基红指示液2滴,用氢氧化钠溶液中和至pH6.5~~7。慢慢加入乙酸铅溶液10mL,播匀,放置10mir。再加人碗酸钠溶液10mL,摇,将其全部移人500mL容量瓶中,用水洗涤三角瓶,洗液也一并倒人容量瓶中,庭容至刻度。过滤,弃去最初滤液约20mL,收集其余滤液供测定还原糖用。
4.2还原糖测定
B4.2.1标定碱性酒石酸溶液
吸取碱性酒石酸铜甲液、乙液各5.0mL于150mL三角瓶中,加人10ml水和2粒玻璃珠,从滴定管放葡糖标准溶液约9mL,控制在2min内加热至沸,趁沸以每两秒1滴的速度继续滴加葡药糖标准溶液,直溶液的蓝色刚好褪去为终点,记录消耗葡萄糖标准溶液的总体积。应同时平行操作三份样品,164
小提示:此标准内容仅展示完整标准里的部分截取内容,若需要完整标准请到上方自行免费下载完整标准文档。
酿酒活性干酵母
1主内容与适用范围
QB2074---1995
本标准规定了酿酒活性干酵母的分类、技术要求、试验方法、检验规则和标志、包装、运输、贮存要求。
本标准适用于以糖蜜、淀粉质原料,经发酵通风培养的酒酵母(saccharornyces cerevisiae)、葡萄汁酵母(S.uvarum)、贝酵母(S.bayanus)等所制得的有发酵产酒精能力的酿酒活性干酵母。2引用标准
GB191包装储运图示标志
GB601化学试剂滴定分析(容量分析)用标催溶液的制备GB603化学试剂试验方法中所用制剂及制品的制备GB4789.4 食品卫生微生物学检验沙门氏菌检验GB8451食品添加剂中重金展限量试验法3术谣
3.1酿酒高活性干酵母
真有强壮生命活力的压榨酵母,经干燥脱水后制得的适用于以糖蜜或淀粉质原料发酵,有产酒精能力的干菌体。具有发酵速度快,出酒率高,适用范围产,含水分低,保存期长的特点。3.2酸酒普通活性干酵母
具有强壮生命活力的压榨酵母,经干燥脱水后制得的适用于以糖蜜或淀粉质原料发酵,有产酒精能力的于菌体。
3.3淀粉出酒率
指在一定溢度下(耐高温型高活性干酵母为40C,常温型高活性干酵母和普通活性干酵母为32℃),定量酵母发酵定量的玉米粉液,在规定时间内发酵所产生的酒精量(以96%乙醇计)占发酵使用的淀粉的百分比。
4产品分类
4.1酿酒高活性干酵母
4.1.附高温型高活性干酵母适于发酵度为32-~40C。4.1.2常温型活性干酵母适于发酵度为30~~32℃。4.2酿酒普通活性干酵母
5技术要求
5.1感宫要求:见表1。
中国轻工总会1995-03-27批准
1996-01-01实施
理化要求:见表2。
淀粉出酒率,%
(以96%乙醇计)
醇母活细胞率、%
保存率,%
冰分,%
卫生要求:见表3。
致病菌(沙门氏菌)
重金属(以Pb计),mg/kg
试验方法
优等品
QB2074-1995
酿滋高活性干醇母
淡黄至浅棕色
颗粒或条状
具有醇母的特殊气味,无鼻妹
无异物
醒酒高活性干酵母
优等品
优等品
酿酒高活性干酵母
合格品
合格品
合格品
不得检出
酸酒酱通活性干酵母
酿离酱通活性干酵母
酿酒酱通活性干酵母
所用的水,在未注明其他要求时,均指蒸罐水或去离子水。所用的试剂,在未注明规格树,均指分析纯(A.R)。
6.1淀粉出酒率
6.1.1仪器
6.1.1.1商压蒸汽灭菌签:0.3MPa6.1.1.2标准筛:SSw0.40/0.250mm6.1.1.3碘量瓶:500ml;
6.1.1.4恒温箱:控温精度土0.5℃;6.1.1.5精密酒精计:精度0.2%(V/V)6.1.1. 6
容量瓶:100mL
6. 1. 1. 7
6. 1. 1.8
蒸馏烧瓶:1000mL
三角瓶:2000ml;
6.1.1.9分析天平:感量0.1mg。6.1.2试剂和材料
6.1.2.1黄玉米或白玉米(GB1353)6.1.2.2蔗糖溶液:20g/L;
6.1.2.3α-淀粉酶;
6.1.2.4糖化;
6.1.2.5消泡剂食用油
6.1.2.6硫酸溶液:10%(V/V)
6.1.2.7氢氧化钠溶液:4moi/1.。6.1.3分析步骤
6.1.3.1原料制备
QB 2074-1995
称取玉米500g,用粉碎机进行粉碎,然后全部通过SSW0.40/0.250mm的标准筛(柑当于39目),将过筛粉装人产瓶内,备用。
6.7.3.2酵母活化
称取干酵母1.0g,加人20g/L蔗糖溶液(38~40℃)16mL,播勾,置于32℃恒温箱内活化1h,备用。6.1.3.3操作
a。液化
称取玉米粉200g于2000mL三角瓶内,加人自来水100mL,搅成糊状,再加热水600mL,搅匀。调H6-6.5,在电炉上边加热边搅拌。按每克玉米粉加人8~100mα-淀粉酶,搅匀,放人70~85C恒滋箱内液化30min。用自来水冲洗三角瓶壁上的玉米糊,使内容物总重量为1000g。h、蒸煮
把装有已液化好的玉来糊的三角瓶用棉塞和防水纸封口后,放人高压蒸汽灭菌签,待压力升至0.1MPa后,保压1h。取出,冷却至60℃。糖化
用硫酸溶液调整蒸煮液pH约4.5。按克玉米粉加人150~200μ糖化酶,摇匀。然后放入60℃恒温箱内,糖化60min。取出,摇匀后,分别称取玉米粉糖化液250g装人三个500rm碘量瓶内,并冷却至32C。
d.发酵
手每个碘瓶中加人酵母活化液2.0mL,摇匀,盖塞。将碘量瓶放人32C恒溢箱内,发酵65h。测定耐高温型高活性干酵母时,则将碘量瓶放入40℃恒温箱内发酵65h。e.蒸馏
用氢氧化钠溶液中和发酵至pH6~7,然后将发酵酵渡全部倒人1000mL蒸馅烧瓶中,用100ml水分儿次冲洗碘量瓶,并将洗液倒人蒸馏烧瓶中,加人消泡剂12滴,进行蒸馏。用100mL容量瓶(外如冰水浴)接收罐出液。当罐出液至约95mL时,停蒸留,取下。待温度平衡至室后,定容至100mL.。、测量酒精度
将定容后的馏出液全部倒人洁净、干爆的100mL量简中,静置数分钟,待酒中气泡消失后,放人洗净、擦干的精密酒精计,再轻轻按一下。静置后,水乎观测与弯月面相切处的刻度示值,同时插人温度计记录温度。根据测得的温度和酒精计示值,按附录A,换算成20℃时的酒精度。6.1.4计算
DX0.8411X100x
50(1-W)XS
式中:X—100g样品的淀粉出酒率(以96%乙醇计),%,D--—试样在20C时的酒精度(V/V),%;(1)bZxz.net
QB 2074-1995
0.8411—将100%乙醇换算成96%乙醇的系数;50---玉米粉的质量g
S一玉米粉中的淀粉含量,
W—玉米粉的水分,%。
注:测定玉米粉中的淀粉含量按附录B提供的方法。6.1.5结果的允许差
每个样品须作三个平行试验,测定值相对误差≤2%。6.2酵母活细胞率
6.2.1原理
取一定量的干醛母,用无菌生理盐水活化。然后作适当稀释,用显微镜、血球计数板所测释的酵母活细胞数和总酵母细胞数之比的百分数,即为该样品的酵母活细胞率。6.2.2仪器
6.2.2.1显微镜:效大倍数500以上6.2.2.2血球计数板:XB--K—25;6.2.2.3血球计数板专用盖玻片:20mmX20mm;6.2.2.4
试管:18mmX200mm,
6.2.2.5分析天平:感量0.1mg;6.2.2.6恒温箱:控温精度土0.5℃。6.2.3斌剂和溶液
6.2.3.1无菌生理盐水:称取氯化钠0.85g,加水溶解,并定容至100mL,在0.1MPa下灭菌20min,6.2.3.2次甲基蓝染色液称取次甲基蓝0.025g、氟化钠0.9g、氯化钾0.042g、六水氟化钙0.048%、碳酸氢钠0.02g和葡药糖1%,加水溶解,并定容至100mL。密封,室温保存。6.2.4分析步骤
6.2.4.1称取酸酒活性干酵母0.1(称准至0.0002g),加人无菌生理盐水(38-40℃)20ml,在32C恒温箱中活化1h。
6.2.4.2吸取酵母活化液0.1mL,加人染色液0.9ml,摇匀,室,染色10mim后,立刻在微镜下用球计数板计数。
6.2.4.3计数方法计数时,可数对角线方位上的大方格或左上、右上、左下、右下和中心的大方格内的无色和蓝色酵母细胞数。调整视野,共计算10个大方格,即160个小方格内的酵母细胞数,取平均值为结果,进行计算。无色透瑚者为酵母活细胞,被染上滋色者为死亡的酵母细胞。6.2.5计算
式中:X样品的酵母活细胞率,%;A.-酵母活细胞总数,个,
B —酵母死细胞总数,个。
6.2.6结果的允许差
平行试验,测定值相对误差≤5%。6.3保存率
6.3.1原理
在定温度下,将样品放置一定时间后,所测得的酵母活细胞率与同批样品的酵母活细胞率之比的百分数,即为该批样品的保存率。6.3.2仪器
同6.2.2。
6.3.3试剂和溶液
同6.2.3。
6.3.4分析步骤
QB 2074--1995
6.3.4.1测定并计算样品的酵母活细胞率同6.2.4和6.2.5。
6.3.4.2测定经保温处理后样品的酵母活细胞率将原包装的酿酒活性干酵母放人47.5℃恒温箱内,保温7天后,取出。a
以下测定步骤与6.2.4相同。
计算:
式中:X3
经保温处理后样品的酵母活细胞率,%;酵母活细胞总数,个;
B2——-酵母死细胞总数,个。
6.3.5保存率计算
式中:X.——-样品的保存率,%;X 样品的酵母活细胞率,%;
X-经保温处理后样品的酵母活细胞率,%。6.4水分
6.4.1原理
样品于103℃土2℃直接干燥至恒重,所失质量的百分数即为水分。6.4.2仪器
电热干燥箱:控温精度士2℃;
分析天平:感量0.1mg;
称量瓶:50mm×30mm;
干燥器:用变色硅胶作干燥剂。6.4.3分析步骤
(3)
(4)
称取酿酒活性干酵母样品1g(称准0.0002g)于已烘至恒重的称量瓶中,放人103℃土2℃电热干燥箱内F燥5h后,移人干燥器中冷却,30min后称量。6.4.4计算
m-mz×100
式中:Xs
样品的水分,%;
称量瓶的质量,g;
干燥前称量瓶加样品的质量,g;-干燥后称量瓶加样品的质量,g。6.4.5结果的允许差
平行试验测定,相对误差≤1%。6.5致病菌
按照GB4789.4执行。
(5)
6.6重金属
按照GB8451执行。
7检验规测
7.1组批
QB 2074--1995
同原料、同工艺、同一发酵罐所生产的、,同规格、同包装线的产品为批。7.2不合格项目分类
A类不合格项目至
致病菌、重金
B类不合格项目淀粉出酒率、麟母活细胞率、保存率、水分。色泽、形状、气味、杂质、包装、标签、净重。C类不合格项目
7.3抽样
样本系指产品的最大创装。按表4随机抽取样本。抽取样本数后,再从每个样本中抽取1袋(包),即为单位包装数。
(箱)
26~150
151~3500
7.4交败捡验(出厂检验)
抽取样本数
(箱)
合垫判定数
不合格判定数
7.4.1产品出厂前,应由生产厂的质检部门负费按本标准规定遥批进行检验。符合标准要求,并签署质量合格证的产品方可出厂。
7.4.2交收检验项目包装、标签、净重、色、形状、气味、杂质、淀粉出酒率、酵母活细胞率、水分。7.5型试检验(例行检验)
…般情况下,企业个季度进行一次型式检验,佳有下列情况之时,亦须进行型式检验。7.5.1
更改主要原辅材料及配料,更改关键工艺;停产两个月后,重新恢复生产时;b.
国家质量监督机构提出进行型式检验要求时。7.5.2型式检验项目除交收检验项目外,还包括保存率、致病菌、重金獻。7.6检验及判定规则
7.6.1按表4抽取样本单位包装数,先进行包装、标签、净重的检查,达到不合格判定数时,刻判整批产品为不合格品。
7.6.2按表4抽取样品单位包装数,将样品分作两份,一份封存备查,另一份作熟官要求的检查和理化、卫生要求分析。
7.6.3检验结果,如有A类不合格项,应判整批产品为不合格品,并不子复查。若有个B类不合格项或两个以上C类不合格项,可重新自同一批产品中抽取两倍量样品进行复验。以复验结果为准。若仍有一个B类不合格项或两个以上C类不合格项,测判该批产品为不合格品。8标志、包装、运输、贴存
8.1标志
QB 2074-1995
8.1.1内包装的标签上要注明:产品名称、生产厂名、厂址、商标、规格、生产日期(批号)、净重、保质期、执行标准编号。
8.1.2外包装箱上应标明:产品名称、生产厂名、厂址、商标、规格、生产日期(批号)、净重、毛重、并标有“防潮”“小心轻放”等字样。注:产品名称须与分类相符。
8.1.3储运图示的标志必须符合GB191的有关规定。8.2包装
8.2.1包装材料必须符合卫生要求。8.2.2产品按净重0.5~25kg的不同重量进行包装。内包装采用复合铝箔或装(非真空、真空或充惰性气体)。外包装用纸箱。
8.2.3销售包装净重允许公差
见表5。
酿酒活性干醇母重量,
501~1000
8.3运输
允许公差,%
8.3.1产品在运输过程中要防止雨、雪、日晒、高温、受潮、重压和人为损坏。8.3.2产品不得与有毒、有害、有腐蚀性物品和其他污染物混装、混运。8.4贮存
8.4.1产品放人包装箱内,宜于20℃以下阴凉、干燥处贮存。8.4.2贮存过程应防止鼠咬、虫蛀,不得与有毒、有害、异臭物质一起贮存。8.5保质期
产品自出厂之日起,在符合上述运输、贮存条件下:酿酒高活性干酵母的保质期不低于12个月;酿酒普通活性干酵母的保质期不低于6个月。159
QB2074-1995
附录A
(补充件)
酒精计温广、酒精斑(乙醇含量)换算囊酒精计示值
温度+20 C时用容量百分数表示乙醇浓度23.2
24、9
QB2074—1995
表A1(续)
酒精计示值
温度+20℃时用容量百分数表示乙醇浓度18.4
QB2074-1995
表A1(续)
酒糖计
温度+20℃时用容量百分数表示乙醇浓度14.0
19、2
11、5
QB20741995
表A1(完)
酒精计示值
温度+20℃时用容量百分数表示乙醇浓度10.0
1蛋美
12.6 12.1
12.8 12.2
13,1
B1原理
QB 2074--1995
附录群
(补充件)
玉米粉中淀粉含量的测定方法
玉米粉中的淀粉经酸水解成具有还原性的单糖,水解液经处理除杂质后,用直接滴定法,测定还原糖含量,再乘以系数,折算为淀粉含量。B2仪馨
B2.1水浴锅:温度0~100℃;
B2.2三角瓶:150mL
B2.3容量瓶:500mL,
B2.4满定管:25mL
32.5回流装置:250mL,-套。
B3试剂和溶液
83.1盐酸;
B3.2盐酸溶液[c(HCl)=1.5mol/L1:按GB601配制B3.3氢氧化钠溶液(400g/L):称取氢氧化钠40g加水溶解,并定容至100mLB3.4乙酸铅溶液(200g/L):称取乙酸铅20g,加水溶解,并定容至100mL;B3.5碗酸钠溶液(100g/):称取硫酸钠10g,加水溶解,并定容至100m1:B3.6碱性酒石酸钢甲液:称取硫酸铜(CuSO4·5H.O)15g和次甲基蓝0.05g,加水溶解,并定容至1000mL,贮于棕色玻璃瓶中;
B3.7碱性酒石酸钢乙液:称取酒石酸钾钠50g和氢氟化钠75g,溶于水中,再加人亚铁化钾4g,待完全溶解后,用水稀释,并定容至1000mL,贮于橡胶塞玻璃瓶中;B3.8葡葡糖标准溶液(1g/L):称取已于98~100℃下烘至恒重的无水葡药糖1.000g,用500ml水溶解后,加人盐酸5mL,再用水稀释,并定容至1000mLB3.9甲基红指示液:称取甲基红0.2g,用95%乙醇溶解,并定容至100ml.。B4分析步
B4.1样品处理
称取玉米粉1g(称准至0.0002g)于250m磨口三角瓶中,加入盐酸溶液100m,插上冷凝管,置沸水浴中回流2h。然后冷却至室温,加入甲基红指示液2滴,用氢氧化钠溶液中和至pH6.5~~7。慢慢加入乙酸铅溶液10mL,播匀,放置10mir。再加人碗酸钠溶液10mL,摇,将其全部移人500mL容量瓶中,用水洗涤三角瓶,洗液也一并倒人容量瓶中,庭容至刻度。过滤,弃去最初滤液约20mL,收集其余滤液供测定还原糖用。
4.2还原糖测定
B4.2.1标定碱性酒石酸溶液
吸取碱性酒石酸铜甲液、乙液各5.0mL于150mL三角瓶中,加人10ml水和2粒玻璃珠,从滴定管放葡糖标准溶液约9mL,控制在2min内加热至沸,趁沸以每两秒1滴的速度继续滴加葡药糖标准溶液,直溶液的蓝色刚好褪去为终点,记录消耗葡萄糖标准溶液的总体积。应同时平行操作三份样品,164
小提示:此标准内容仅展示完整标准里的部分截取内容,若需要完整标准请到上方自行免费下载完整标准文档。
标准图片预览:





- 其它标准
- 热门标准
- 轻工行业标准(QB)
- QB/T5247-2018 箱包配件塑料插扣耐 用性能试验方法
- QB/T2856-2007 毛革服装
- QB/T2425-1998 封箱用再湿性牛皮纸胶粘带
- QB/T3520-1999 500kV油纸套管绝缘纸
- QB2584-2003 蒸汽淋浴房
- QB/T1439-2005 帐册
- QB/T1584-2005 日用皮手套
- QB/T1756-1993 造纸机械湍流式中浓度浆泵
- QB/T1782-1993 苯乙醇
- QB/T1664-1998 纸板戳穿强度测定仪
- QB/T1702.2-1993 括板升运机
- QB/T2501-2000 重力式自动装料衡器
- QB/T2161-1995 儿童推车整车通用技术条件
- QB/T3510-1999 Y311条粗条干仪用记录纸
- QB/T3607-1999 油浸鲅鱼罐头
- 行业新闻
请牢记:“bzxz.net”即是“标准下载”四个汉字汉语拼音首字母与国际顶级域名“.net”的组合。 ©2025 标准下载网 www.bzxz.net 本站邮件:bzxznet@163.com
网站备案号:湘ICP备2025141790号-2
网站备案号:湘ICP备2025141790号-2