- 您的位置:
- 标准下载网 >>
- 标准分类 >>
- 轻工行业标准(QB) >>
- QB/T 1211-1991 胶印书刊纸
标准号:
QB/T 1211-1991
标准名称:
胶印书刊纸
标准类别:
轻工行业标准(QB)
标准状态:
现行-
发布日期:
1991-09-10 -
实施日期:
1992-01-01 出版语种:
简体中文下载格式:
.rar.pdf下载大小:
167.08 KB
中标分类号:
轻工、文化与生活用品>>造纸>>Y32纸
点击下载
标准简介:
标准下载解压密码:www.bzxz.net
本标准规定了胶印书刊纸的技术规范。本标准适用于单色或双色胶版印刷书籍、文献、杂志用纸。 QB/T 1211-1991 胶印书刊纸 QB/T1211-1991
部分标准内容:
中华人民共和国轻工行业标准
胶印书刊纸
主题内容与适用范围
本标准规定了胶印书刊纸的技术规范。本标准适用于单色或双色胶版印刷书籍、文献、杂志用纸。2引用标准
GB/T450纸和纸板试样的采取
GB/T 451. 1
纸和纸板尺寸及偏斜度的测定法纸和纸板定量的测定法
GB/T 451.2
纸和纸板厚度的测定法
GB/T 451.3
GB/T453纸和纸板抗张强度的测定法(恒速加荷法)GB/T 456
GB/T 457
GB/T460
GB/T462
GB/T 1541
GB/T1543
GB/T 2828
GB/T 3331
纸和纸板平滑度的测定法(别克法)纸耐折度的测定法
纸和纸板施胶度的测定法(墨水划线法)纸和纸板水分的测定法
纸和纸板尘埃度的测定法
纸不透明度测定法(纸背衬)
逐批检查计数抽样程序及抽样表(适用于连续批的检查)纸及纸板印刷表面强度的测定方法GB/T 7974
纸及纸板白度测定法(漫射/垂直法)GB/T10342纸张的包装和标志
3产品分类
3.1胶印书刊纸分A、B、C三等。3.2胶印书刊纸为卷简纸。根据用户需要,亦可生产平板纸。3.3纸的尺寸
QB/T 1211-1991
3.3.1卷筒纸宽度为880mm787mm、850mm,宽度偏差不许超过士3mm,卷简直径为(800士50)mm。3.3.2平板纸尺寸为880mm×1230mm,787mm×1092mm,850mm×1168mm,尺寸偏差不许超过士3mm,偏斜度不许超过3mm。
3.3.3根据用户需要,可生产其他尺寸的纸。4技术要求
4.1胶印书刊纸的技术指标必须符合表1规定。中华人民共和国轻工业部1991-09-10批准208
1992-04-01实施
指标名称
不透明度60g/m2
.70g/m2
平滑度
正反面平均
正反面差
裂断长
卷筒纵向
平板纵横平均
施胶度
耐折度纵横平均
尘埃度
0.3mm2~2.0mm2
其中1.0mm~2.0mm2黑色
大于 2. 0mm2
交货水分
表面强度
IGT 拉毛速度
RI-2掉毛个数
正反面平均
正反面均
不大于
不小于
不小于
不大于
不小于
不小于
不小于
QB/T 1211-1991
不小于
不多于
不多于
不小于
不大于
个/m2
个/m2
70.0~~75.0
不许有
注:表面强度暂用IGT仪拉毛速度或日本RI-2型印刷适应性测定器掉毛个数表示,但暂不作交收检验依据。4.2纸张在印刷过程中不应有透印和明显的掉毛、掉粉现象。纸张应平整,纤维组织应均匀,色泽应一致,每批纸张均不许有显著差异。4.3同批纸的白度差A等不大于3%,B、C等不大于4%。1
4.4纸面不应有影响印刷使用的外观纸病,如砂子、硬质块、折子、皱纹及各种条痕、斑点、透光点、裂口、孔眼等。平板纸件内不应有纸片、残张、破损、窝角。4.5平板纸垛全幅高度差不大于5%,4.6复卷过程中不易发现的卷简内部纸病,如不显著的折子、皱纹、条痕、斑点、透光点、孔眼等不得超过1.5%。
4.7卷简纸每卷的接头不多于4个。4.8有下列情况者列为二等品,但不得同时超过两项:209
QB/T 1211-1991
定量超过允许偏差土1g/m2以内者;裂断长低于规定10%以内者;
尘埃度超过规定15%以内者;
不透明度低于规定2%以内者;
同批纸白度差超过允许范围1%以内者;白度低于下限2%以内或大于上限者;卷筒纸接头超过规定2个以内者;平滑度值低于规定5s以内者;
平滑度两面差超过规定5%以内者;平板纸垛全幅高度差大于5%不大于10%者。5试验方法
试样的采取和检验前试样的处理按GB/T450和GB/T10739的规定进行。5.1
5.2纸张的尺寸、偏斜度、定量、厚度、紧度的试验按GB/T451.1、GB/T451.2、GB/T451.3的规定进行。
5.3白度的试验按GB/T7974的规定进行。5.4不透明度的试验按GB/T1543的规定进行。5.5平滑度的试验按GB/T456的规定进行。5.6裂断长的试验按GB/T453的规定进行。5.7施胶度的试验按GB/T460的规定并执行“纸张对墨水渗透和扩散比较板”第二线。5.8尘埃度的试验按GB/T1541的规定进行。5.9耐折度的试验按GB/T457的规定进行。5.10水分的试验按GB/T462的规定进行。5.11在测定卷简纸内部纸病时,取卷筒外周10层,去掉外面的5层,将其余的5层切成0.05m2的纸片(不少于100片),然后选出有纸病的纸片,或测量5层纸的总面积(m2)除0.05m2作为试样的纸片数,然后检查纸病个数(每一个纸病按一个试样纸片计算)。卷简纸内部纸病率X(%)按式(1)计算:X
式中:N—-有纸病的纸片数;
一试样纸片数。
计算结果修约至0.1%。
、5.12平板纸垛全幅高度差(%)按式(2)计算:纸垛全幅最大高度一纸探全幅最小高度×100平板纸垛全幅高度差一
纸垛全幅最大高度
5.13IGT仪印刷表面强度按GB/T3331或GB/T10342的规定进行。5.14RI-2纸张表面强度试验方法,见附录A。6检验规则
6.1以一次交货数量为一批,但不多于50t。6.2生产厂应保证所生产的纸张符合本标准的要求,每件纸均应附一份检验合格证。(1)
·(2)
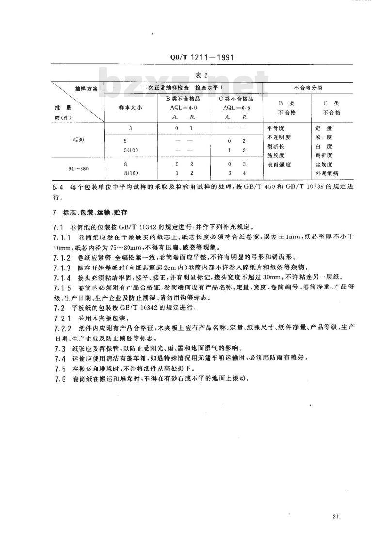
6.3交收检验抽样检查按GB/T2828的规定进行。样本单位卷简纸为简,平板纸为件。交收检验抽样方案列于表 2。
筒(件))
抽样方案
91~280
QB/T1211-1991
二次正常抽样检查检查水平
B类不合格品
样本大小
C类不合格品
不合格分类
不合格
平滑度
不透明度
裂断长
施胶度
表面强度
不合格
紧·度
耐折度
尘埃度
外观纸病
TKAKAca
6.4每个包装单位中平均试样的采取及检验前试样的处理,按GB/T450和GB/T10739的规定进行。
7标志、包装、运输、贮存
7.1卷简纸的包装按GB/T10342的规定进行,并作下列补充规定。7.1.1卷筒纸应卷在干燥硬实的纸芯上、纸芯长度必须符合纸卷宽,误差士1mm,纸芯壁厚不小于10mm,纸芯内径为75~80mm,不得有压扁、破裂等现象。7.1.2卷纸应紧密,全幅松紧一致,卷简端面应平整,不许有明显的弓形和锯齿形。7.1.3除在开始卷纸时(自纸芯算起2cm内)卷简内部不许卷入碎纸片和纸条等杂物。7.1.4接头必须粘结牢固,接平、接正,并有明显标记,接头宽度不超过30mm,不许粘连另一层纸。7.1.5卷简内必须附有产品合格证,卷筒端面应有产品名称、定量、宽度、卷简编号、卷简净重、产品等级、生产日期、生产企业及防止潮湿、请勿用钩等标志。7.2平板纸的包装按GB/T10342的规定进行。7.2.1采用木夹板包装。
7.2.2纸件内应附有产品合格证,木夹板上应有产品名称、定量、纸张尺寸、纸件净量、产品等级、生产日期、生产企业及防止潮湿等标志。7.3纸张应妥善保管,以防止受阳光、雨、雪和地面湿气的影响。7.4运输应使用清洁有篷车箱,如遇特殊情况用无篷车箱运输时,必须用防雨布盖好。7.5在搬运和堆垛时,不许将纸件从高处扔下。7.6卷简纸在搬运和堆垛时,不得在有砂石或不平的地面上滚动。211
QB/T 1211-1991免费标准下载网bzxz
附录A
RI-2纸张表面强度试验方法
(补充件)
用R1-2型印刷适应性测定器印刷试样后,在印样上由掉毛粉出现的白点个数来表示(个/m2)。A1取样及处理
试样的采取和检验前试样的处理按GB/T450和GB/T10739的规定进行。A2仪器与材料
A2.1仪器用RI-2型印刷适应性测定器。A2.2材料:印刷采用天津产向阳牌7729轮转胶印黑油墨。A3试验步骤及结果计算
A3.1切取纵向为280mm,横向为300mm的试样,标好正反面,各取10张备用。A3.2印刷操作
预先调整好印刷压力,使带油墨的胶辊在紧贴于辊简的纸上留有6mm宽的印痕。用120号汽油将钢辊、胶辊及印刷简表面擦洗干净,将印刷辑简转至纸夹自动张开的位置,a
把试样平整地放在辊簡上,旋转辊简使纸夹自动夹紫试样。b,用油墨计量管吸取1.OmL油墨,均勾地涂在钢辊上,旋转平移调整手轮,使钢辊与胶辊接触,用平行调整手轮使二辊平行,先用手摇使钢辊转动几周,油墨初步分散后开动电机,匀墨30s,先使二辊脱离接触,再停电机。
用大手柄转动印刷辊簡,与胶辊轻微接触,快速旋转手柄进行印刷,取下印好的试样,再夹上新C
试样。
再用油墨计量管吸取0.5mL油墨,均匀地涂在钢辊上,勾墨30s,按上述操作进行印刷,以后d.
每印一张试样都重复上述操作,正、反面各印8张。e,正、反面试样的前三张印样作为调整印刷条件用,印后弃去。后5张用以检测计算,如有印坏或油墨不匀不足的印样需补充。
f.印刷结束后,用汽油将钢辊、胶辊清洗干净。A3.3检测与结果计算
、印样干燥后,检测每张印样上大于或等于0.08mm2的白点数(可参照纸张尘埃度检測用的标推尘埃图片)。
b、计算
P_Ni+N
纸张掉毛粉白点数的平均值,个/m\;式中:P
N,-——5张试样正面上的白点数之和,N——5张试样反面上的白点数之和;S--每张试样上的印刷面积(250mm×208mm)为0.052m2。计算结果修约至10个/m。
注意事项
QB/T 1211—~1991
印刷油墨量可根据纸张吸墨性,印刷表面油墨覆盖的均匀厚薄情况予以适当增减。油墨需保存在阴冷处,盖严,防止变稠,印刷前可将需用的油墨提前一天放于恒温室内。油墨不能稀释。
附加说明:
本标准由轻工业部造纸工业司提出。本标准由全国造纸标准化中心归口。本标准由金城造纸总厂负责起草。本标准参照采用美国JCPA60—1981《胶印书刊纸》。213
TTKAONiKAC
小提示:此标准内容仅展示完整标准里的部分截取内容,若需要完整标准请到上方自行免费下载完整标准文档。
胶印书刊纸
主题内容与适用范围
本标准规定了胶印书刊纸的技术规范。本标准适用于单色或双色胶版印刷书籍、文献、杂志用纸。2引用标准
GB/T450纸和纸板试样的采取
GB/T 451. 1
纸和纸板尺寸及偏斜度的测定法纸和纸板定量的测定法
GB/T 451.2
纸和纸板厚度的测定法
GB/T 451.3
GB/T453纸和纸板抗张强度的测定法(恒速加荷法)GB/T 456
GB/T 457
GB/T460
GB/T462
GB/T 1541
GB/T1543
GB/T 2828
GB/T 3331
纸和纸板平滑度的测定法(别克法)纸耐折度的测定法
纸和纸板施胶度的测定法(墨水划线法)纸和纸板水分的测定法
纸和纸板尘埃度的测定法
纸不透明度测定法(纸背衬)
逐批检查计数抽样程序及抽样表(适用于连续批的检查)纸及纸板印刷表面强度的测定方法GB/T 7974
纸及纸板白度测定法(漫射/垂直法)GB/T10342纸张的包装和标志
3产品分类
3.1胶印书刊纸分A、B、C三等。3.2胶印书刊纸为卷简纸。根据用户需要,亦可生产平板纸。3.3纸的尺寸
QB/T 1211-1991
3.3.1卷筒纸宽度为880mm787mm、850mm,宽度偏差不许超过士3mm,卷简直径为(800士50)mm。3.3.2平板纸尺寸为880mm×1230mm,787mm×1092mm,850mm×1168mm,尺寸偏差不许超过士3mm,偏斜度不许超过3mm。
3.3.3根据用户需要,可生产其他尺寸的纸。4技术要求
4.1胶印书刊纸的技术指标必须符合表1规定。中华人民共和国轻工业部1991-09-10批准208
1992-04-01实施
指标名称
不透明度60g/m2
.70g/m2
平滑度
正反面平均
正反面差
裂断长
卷筒纵向
平板纵横平均
施胶度
耐折度纵横平均
尘埃度
0.3mm2~2.0mm2
其中1.0mm~2.0mm2黑色
大于 2. 0mm2
交货水分
表面强度
IGT 拉毛速度
RI-2掉毛个数
正反面平均
正反面均
不大于
不小于
不小于
不大于
不小于
不小于
不小于
QB/T 1211-1991
不小于
不多于
不多于
不小于
不大于
个/m2
个/m2
70.0~~75.0
不许有
注:表面强度暂用IGT仪拉毛速度或日本RI-2型印刷适应性测定器掉毛个数表示,但暂不作交收检验依据。4.2纸张在印刷过程中不应有透印和明显的掉毛、掉粉现象。纸张应平整,纤维组织应均匀,色泽应一致,每批纸张均不许有显著差异。4.3同批纸的白度差A等不大于3%,B、C等不大于4%。1
4.4纸面不应有影响印刷使用的外观纸病,如砂子、硬质块、折子、皱纹及各种条痕、斑点、透光点、裂口、孔眼等。平板纸件内不应有纸片、残张、破损、窝角。4.5平板纸垛全幅高度差不大于5%,4.6复卷过程中不易发现的卷简内部纸病,如不显著的折子、皱纹、条痕、斑点、透光点、孔眼等不得超过1.5%。
4.7卷简纸每卷的接头不多于4个。4.8有下列情况者列为二等品,但不得同时超过两项:209
QB/T 1211-1991
定量超过允许偏差土1g/m2以内者;裂断长低于规定10%以内者;
尘埃度超过规定15%以内者;
不透明度低于规定2%以内者;
同批纸白度差超过允许范围1%以内者;白度低于下限2%以内或大于上限者;卷筒纸接头超过规定2个以内者;平滑度值低于规定5s以内者;
平滑度两面差超过规定5%以内者;平板纸垛全幅高度差大于5%不大于10%者。5试验方法
试样的采取和检验前试样的处理按GB/T450和GB/T10739的规定进行。5.1
5.2纸张的尺寸、偏斜度、定量、厚度、紧度的试验按GB/T451.1、GB/T451.2、GB/T451.3的规定进行。
5.3白度的试验按GB/T7974的规定进行。5.4不透明度的试验按GB/T1543的规定进行。5.5平滑度的试验按GB/T456的规定进行。5.6裂断长的试验按GB/T453的规定进行。5.7施胶度的试验按GB/T460的规定并执行“纸张对墨水渗透和扩散比较板”第二线。5.8尘埃度的试验按GB/T1541的规定进行。5.9耐折度的试验按GB/T457的规定进行。5.10水分的试验按GB/T462的规定进行。5.11在测定卷简纸内部纸病时,取卷筒外周10层,去掉外面的5层,将其余的5层切成0.05m2的纸片(不少于100片),然后选出有纸病的纸片,或测量5层纸的总面积(m2)除0.05m2作为试样的纸片数,然后检查纸病个数(每一个纸病按一个试样纸片计算)。卷简纸内部纸病率X(%)按式(1)计算:X
式中:N—-有纸病的纸片数;
一试样纸片数。
计算结果修约至0.1%。
、5.12平板纸垛全幅高度差(%)按式(2)计算:纸垛全幅最大高度一纸探全幅最小高度×100平板纸垛全幅高度差一
纸垛全幅最大高度
5.13IGT仪印刷表面强度按GB/T3331或GB/T10342的规定进行。5.14RI-2纸张表面强度试验方法,见附录A。6检验规则
6.1以一次交货数量为一批,但不多于50t。6.2生产厂应保证所生产的纸张符合本标准的要求,每件纸均应附一份检验合格证。(1)
·(2)
6.3交收检验抽样检查按GB/T2828的规定进行。样本单位卷简纸为简,平板纸为件。交收检验抽样方案列于表 2。
筒(件))
抽样方案
91~280
QB/T1211-1991
二次正常抽样检查检查水平
B类不合格品
样本大小
C类不合格品
不合格分类
不合格
平滑度
不透明度
裂断长
施胶度
表面强度
不合格
紧·度
耐折度
尘埃度
外观纸病
TKAKAca
6.4每个包装单位中平均试样的采取及检验前试样的处理,按GB/T450和GB/T10739的规定进行。
7标志、包装、运输、贮存
7.1卷简纸的包装按GB/T10342的规定进行,并作下列补充规定。7.1.1卷筒纸应卷在干燥硬实的纸芯上、纸芯长度必须符合纸卷宽,误差士1mm,纸芯壁厚不小于10mm,纸芯内径为75~80mm,不得有压扁、破裂等现象。7.1.2卷纸应紧密,全幅松紧一致,卷简端面应平整,不许有明显的弓形和锯齿形。7.1.3除在开始卷纸时(自纸芯算起2cm内)卷简内部不许卷入碎纸片和纸条等杂物。7.1.4接头必须粘结牢固,接平、接正,并有明显标记,接头宽度不超过30mm,不许粘连另一层纸。7.1.5卷简内必须附有产品合格证,卷筒端面应有产品名称、定量、宽度、卷简编号、卷简净重、产品等级、生产日期、生产企业及防止潮湿、请勿用钩等标志。7.2平板纸的包装按GB/T10342的规定进行。7.2.1采用木夹板包装。
7.2.2纸件内应附有产品合格证,木夹板上应有产品名称、定量、纸张尺寸、纸件净量、产品等级、生产日期、生产企业及防止潮湿等标志。7.3纸张应妥善保管,以防止受阳光、雨、雪和地面湿气的影响。7.4运输应使用清洁有篷车箱,如遇特殊情况用无篷车箱运输时,必须用防雨布盖好。7.5在搬运和堆垛时,不许将纸件从高处扔下。7.6卷简纸在搬运和堆垛时,不得在有砂石或不平的地面上滚动。211
QB/T 1211-1991免费标准下载网bzxz
附录A
RI-2纸张表面强度试验方法
(补充件)
用R1-2型印刷适应性测定器印刷试样后,在印样上由掉毛粉出现的白点个数来表示(个/m2)。A1取样及处理
试样的采取和检验前试样的处理按GB/T450和GB/T10739的规定进行。A2仪器与材料
A2.1仪器用RI-2型印刷适应性测定器。A2.2材料:印刷采用天津产向阳牌7729轮转胶印黑油墨。A3试验步骤及结果计算
A3.1切取纵向为280mm,横向为300mm的试样,标好正反面,各取10张备用。A3.2印刷操作
预先调整好印刷压力,使带油墨的胶辊在紧贴于辊简的纸上留有6mm宽的印痕。用120号汽油将钢辊、胶辊及印刷简表面擦洗干净,将印刷辑简转至纸夹自动张开的位置,a
把试样平整地放在辊簡上,旋转辊简使纸夹自动夹紫试样。b,用油墨计量管吸取1.OmL油墨,均勾地涂在钢辊上,旋转平移调整手轮,使钢辊与胶辊接触,用平行调整手轮使二辊平行,先用手摇使钢辊转动几周,油墨初步分散后开动电机,匀墨30s,先使二辊脱离接触,再停电机。
用大手柄转动印刷辊簡,与胶辊轻微接触,快速旋转手柄进行印刷,取下印好的试样,再夹上新C
试样。
再用油墨计量管吸取0.5mL油墨,均匀地涂在钢辊上,勾墨30s,按上述操作进行印刷,以后d.
每印一张试样都重复上述操作,正、反面各印8张。e,正、反面试样的前三张印样作为调整印刷条件用,印后弃去。后5张用以检测计算,如有印坏或油墨不匀不足的印样需补充。
f.印刷结束后,用汽油将钢辊、胶辊清洗干净。A3.3检测与结果计算
、印样干燥后,检测每张印样上大于或等于0.08mm2的白点数(可参照纸张尘埃度检測用的标推尘埃图片)。
b、计算
P_Ni+N
纸张掉毛粉白点数的平均值,个/m\;式中:P
N,-——5张试样正面上的白点数之和,N——5张试样反面上的白点数之和;S--每张试样上的印刷面积(250mm×208mm)为0.052m2。计算结果修约至10个/m。
注意事项
QB/T 1211—~1991
印刷油墨量可根据纸张吸墨性,印刷表面油墨覆盖的均匀厚薄情况予以适当增减。油墨需保存在阴冷处,盖严,防止变稠,印刷前可将需用的油墨提前一天放于恒温室内。油墨不能稀释。
附加说明:
本标准由轻工业部造纸工业司提出。本标准由全国造纸标准化中心归口。本标准由金城造纸总厂负责起草。本标准参照采用美国JCPA60—1981《胶印书刊纸》。213
TTKAONiKAC
小提示:此标准内容仅展示完整标准里的部分截取内容,若需要完整标准请到上方自行免费下载完整标准文档。
标准图片预览:





- 其它标准
- 热门标准
- 轻工行业标准(QB)
- QB/T5247-2018 箱包配件塑料插扣耐 用性能试验方法
- QB/T2425-1998 封箱用再湿性牛皮纸胶粘带
- QB/T1584-2005 日用皮手套
- QB/T1664-1998 纸板戳穿强度测定仪
- QB/T2501-2000 重力式自动装料衡器
- QB/T2161-1995 儿童推车整车通用技术条件
- QB1229-1991 食品添加剂羟丙基淀粉醚
- QB/T4317-2012 浸塑衣架
- QB/T2518—2001 地毯用毛纱
- QB/T2569.6-2002 钢锉 木锉
- QB/T1657.3-2002 圆号
- QB/T2569.4-2002 钢锉 异形锉
- QB2584-2003 蒸汽淋浴房
- QB/T2591-2003 抗菌塑料-抗菌性能试验方法和抗菌效果
- QB/T1948-2004 柳琴
- 行业新闻
请牢记:“bzxz.net”即是“标准下载”四个汉字汉语拼音首字母与国际顶级域名“.net”的组合。 ©2025 标准下载网 www.bzxz.net 本站邮件:bzxznet@163.com
网站备案号:湘ICP备2025141790号-2
网站备案号:湘ICP备2025141790号-2