- 您的位置:
- 标准下载网 >>
- 标准分类 >>
- 其他行业标准 >>
- FZ/T 54088-2016锦纶6全牵伸单丝
标准号:
FZ/T 54088-2016
标准名称:
锦纶6全牵伸单丝
标准类别:
其他行业标准
英文名称:
Polyamide 6 full drawn monofilament标准状态:
现行-
发布日期:
2016-04-05 -
实施日期:
2016-09-01 出版语种:
简体中文下载格式:
.pdf .zip
点击下载
标准简介:
本标准规定了锦纶6全牵伸单丝的术语和定义、分类和标识、技术要求、试验方法、检验规则、标志、包装、运输和贮存的要求。
本标准所指锦纶6全牵伸单丝是指采用高速纺丝--牵伸一步法生产的锦纶6全牵伸单丝。
本标准适用于线密度为11.1 dtex~44.4 dtex、圆形截面、三角、三叶异形截面、有光、半消光、全消光丝、未经加捻和未经压洗定型的民用本色锦纶6全牵伸单丝。其它锦纶6全牵伸单丝可参照执行。
部分标准内容:
ICS59.060.20
中华人民共和国纺织行业标准
FZ/T54088--2016
锦纶6全牵伸单丝
Polyamide6fulldrawnmonofilament2016-04-05发布
中华人民共和国工业和信息化部发布
2016-09-01实施
本标准按照GB/T1.1一2009给出的规则起草。本标准由中国纺织工业联合会提出。本标准由上海市纺织工业技术监督所归口。FZ/T54088-2016
本标准起草单位:长乐恒申合纤科技有限公司、北京三联虹普新合纤技术服务股份有限公司、上海市纺织工业技术监督所。
本标准主要起草人:陈立军、骨贺磊、于佩霖、李红杰、刘智、林世斌。I
1范围
锦纶6全牵伸单丝
FZ/T54088—2016
本标准规定了锦纶6全牵伸单丝的术语和定义、分类和标识、技术要求、试验方法、检验规则和标志、包装、运输、贮存的要求。本标准所指锦纶6全牵伸单丝是指采用高速纺丝—牵伸一步法生产的锦纶6全牵伸单丝。本标准适用于线密度为11.1dtex44.4dtex,圆形截面、三角、三叶异形截面,有光、半消光、全消光丝,未经加抢和未经压洗定型的民用本色锦纶6全牵伸单丝。其他锦纶6全牵伸单丝可参照执行。2规范性引用文件
下列文件对于本文件的应用是必不可少的。凡是注日期的引用文件,仅注日期的版本适用于本文件。凡是不注日期的引用文件,其最新版本(包括所有的修改单)适用于本文件。GB/T250纺织品色牢度试验评定变色用灰色样卡GB/T2828.1一2012计数抽样检验程序第1部分:按接收质量限(AQL)检索的逐批检验抽样计划
GB/T3291.1
GB/T3291.3
GB/T4146.1
GB/T4146.3
GB/T6502
GB/T6503
GB/T6505
GB/T8170
GB/T14343
纺织材料性能和试验术语第1部分:纤维和纱线纺织
纺织材料性能和试验术语第3部分:通用纺织品
纺织品
化学纤维
化学纤维第1部分:属名
化学纤维第3部分:检验术语
长丝取样方法
化学纤维
回潮率试验方法
化学纤维长丝热收缩率试验方法数值修约规则与极限数值的表示和判定长丝线密度试验方法
化学纤维
GB/T14344
GB/T14346
FZ/T50002
FZ/T50008
FZ/T51004
FZ/T50027
3术语和定义
化学纤维
长丝拉伸性能试验方法
化学纤维长丝条干不匀率试验方法电容法化学纤维异形度试验方法
锦纶长丝染色均勾度试验方法
纤维级聚已内酰胺切片
化学纤维,二氧化钛含量试验方法GB/T3291.1、GB/T3291.3、GB/T4146.1、GB/T4146.3和FZ/T51004界定的术语和定义适用于本文件。
4分类和标识
4.1按生产时二氧化钛添加量的不同,锦纶6全牵伸单丝产品分为有光丝、半消光丝、全消光丝。1
FZ/T54088—2016
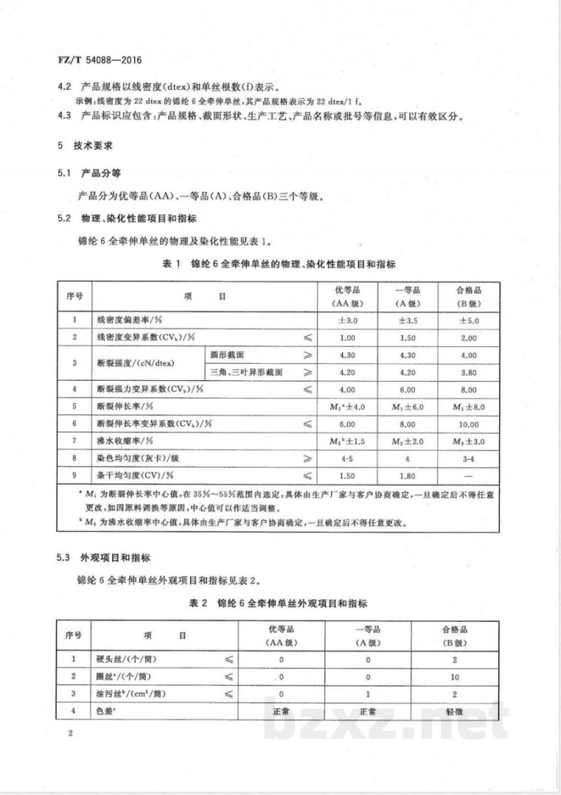
4.2产品规格以线密度(dtex)和单丝根数(f)表示。示例:线密度为22dtex的锦纶6全牵伸单丝,其产品规格表示为22dtex/1f。4.3产品标识应包含:产品规格、截面形状、生产工艺、产品名称或批号等信息,可以有效区分。5技术要求
5.1产品分等
产品分为优等品(AA)、等品(A)、合格品(B)三个等级。5.2物理、染化性能项目和指标
锦纶6全牵伸单丝的物理及染化性能见表1。表1锦纶6全牵伸单丝的物理、染化性能项目和指标序号
线密度偏差率/%
线密度变异系数(CV)/%
断裂强度/(cN/dtex)
断裂强力变异系数(CV)/%
断裂伸长率/%
圆形截面
三角、三叶异形截面
断裂伸长率变异系数(CV.)/%
沸水收缩率/%
染色均勾度(灰卡)/级
条干均匀度(CV)/%
优等品
(AA级)
一等品
(A级)
合格品
(B级)
MI为断裂伸长率中心值,在35%~55%范围内选定,具体由生产厂家与客户协商确定,一旦确定后不得任意更改,如因原料调换等原因,中心值可以作适当调整。bM,为沸水收缩率中心值,具体由生产厂家与客户协商确定,一且确定后不得任意更改。5.3外观项目和指标
锦纶6全牵伸单丝外观项目和指标见表2。表2锦纶6全牵伸单丝外观项目和指标序号
硬头丝/(个/筒)
圈丝/(个/筒)
油污丝/(cm2/筒)
色差?
优等品
(AA级)
一等品
(A级)
合格品
(B级)
拉伸不足丝
简重\(净重)/kg
圈丝的长度不大于10mm。
表2(续)
优等品
(AA级)
不允许此内容来自标准下载网
定长定重
一等品
(A级)
不允许
FZ/T54088—2016
合格品
(B级)
不允许
b油污丝,一等品只允许淡黄色油污,其总面积不超过1cm;合格品只允许淡黄色和较深色油污,其总面积不超过2cm,黑色油污不允许。
色差参照GB/T250的级别定等。其中“正常”相当于4级,“轻微”相当于3级。筒重由供需双方根据品种协商确定。5.4异形截面形状及异形度指标
由供需双方协商确定。
6试验方法
物理性能和染化性能指标检验
6.1.1线密度试验按GB/T14343规定执行。6.1.2断裂强度和断裂伸长试验按GB/T14344规定执行。6.1.3沸水收缩率试验按GB/T6505规定执行。6.1.4染色均勾度试验按FZ/T50008规定执行。6.1.5条干均匀度试验按GB/T14346规定执行。单个试验的试样长度不少于400m,建议试验速度100m/min,试验时间4min。
6.1.6异形度试验按FZ/T50002规定执行。二氧化钛含量试验按FZ/T50027规定执行。6.1.7
6.2外观检验
6.2.1设备
分级台:黑色台面,高度75cm~80cm,上面平行装两支40WD65标准光源或40W双管日光灯,周围环境应无其他散射光和反射光。观察点照度约6001x,观察距离约30cm。6.2.2检验步骤
6.2.2.1操作者两手握住筒子两端的筒管,认定一处开始旋转,按表2要求对每只筒子的两个端面(或斜面)和圆柱面进行目检定等。
6.2.2.2用适宜量程的磅秤、电子秤等衡器称取卷装的质量,扣除已知的皮质量,该净质量即为简重,精确至0.5%。
FZ/T54088—2016
7检验规则
7.1出厂检验
7.1.1检验项目
7.1.1.1表1中项目均为考核项目,并按6.1规定的试验方法进行试验。7.1.1.2外观检验项目按表2规定,并按6.2规定的试验方法进行检验。7.1.2组批规定
在一定范围内采用周期性取样组成检验批。一个生产批可由一个检验批组成,也可由若干检验批组成。
7.1.3取样规定
物理及染化性能试验的实验室样品按GB/T6502规定取样,其中染色均匀度试验可以逐筒取样染色。
7.1.4检验结果评定
7.1.4.1物理及染化性能项目的测定值或计算值按GB/T8170中修约值比较法与表1的物理指标的极限数值比较,评定等级。其中染色均匀度根据染色极差(含同一段袜带内的深浅条纹)按GB/T250评定;如果逐筒取样染色时,应逐筒评定。7.1.4.2外观检验按5.3规定,逐筒评定等级。7.1.4.3产品综合等级的评定,以检验批中物理及染化性能指标和外观指标中最低项的等级定为该批产品的等级。
7.2复验规则
7.2.1通则
一批产品到收货方三个月内,验收或对质量有异议时可提请复验。若该批产品的数量使用了1/3以上时,不得申请复验。但如果收货方可以出示相关证据证明该批产品确实影响到后加工产品的质量,并造成严重损失时,应分析原因,明确双方责任、协商处理。7.2.2检验项目
同7.1.1。
7.2.3组批规定
按原生产批号组批。
7.2.4取样规定
7.2.4.1物理及染化性能项目的实验室样品按GB/T6502规定取样。7.2.4.2外观为抽样检验。根据批量按GB/T2828.1一2012表1中一般检验水平Ⅱ规定确定样本大小(字码)。
7.2.5检验结果的评定
FZ/T54088—2016
7.2.5.1物理及染化性能项目的测定值或计算值按GB/T8170中修约值比较法与表1的物理及染化性能指标的极限数值比较,评定等级。其中染色均匀度根据所有样品筒子的极差(含同一段袜带内的深浅条纹)按GB/T250评定等级。
7.2.5.2外观项目按7.2.4.2样本大小,根据GB/T2828.1一2012表2-A中正常检验一次抽样方案AQL值为4.0,确定接收数Ac和拒收数Re,并按表2要求评定,当不合格的筒子数7.2.6公定质量的验收
锦纶6全牵伸单丝的公定质量按式(1)验收:1+R。
式中:
批产品包装件公定质量,单位为千克(kg);m
批产品包装件净质量,单位为千克(kg);R。—锦纶6的公定回潮率,为4.5%;R
实测回潮率,%。
实际回潮率按GB/T6503规定执行。公定质量差异不超过0.5%时,不予索赔,超过时按实际超过部分赔偿。
8标志、包装、运输、贮存
8.1标志
包装箱上应标明生产企业名称、详细地址、产品名称、规格、等级、批号、净重、毛重、卷装个数、生产日期、商标、产品标准编号和防潮、轻放等标志。8.2包装
8.2.1每个丝筒都应套塑料袋,按不同品种、规格、批号、等级分别进行包装、装箱。8.2.2包装箱内应有定位装置固定丝筒两端筒管,纸箱质量应保证产品质量不受损伤。8.2.3每个包装箱内的丝筒大小要求尽量均匀。8.2.4,每批产品应附有质量检验单。8.3运输
运输过程中禁止损坏外包装,禁止倒置和受潮。8.4贮存
按批堆放,贮存在干燥、清洁、通风、避光的仓库中。5
FZ/T54088-2016
打印日期:2016年6月14日F007
中华人民共和国纺织
行业标准
锦纶6全牵伸单丝
FZ/T54088—2016
中国标准出版社出版发行
北京市朝阳区和平里西街甲2号(100029)北京市西城区三里河北街16号(100045)网址www.spc.net.cn
总编室:(010)68533533发行中心:(010)51780238读者服务部:(010)68523946
中国标准出版社秦皇岛印刷厂印刷各地新华书店经销
开本880×12301/16印张0.75字数11千字2016年6月第一版2016年6月第一次印刷书号:155066·2-30029
如有印装差错由本社发行中心调换版权专有侵权必究
举报电话:(010)68510107
小提示:此标准内容仅展示完整标准里的部分截取内容,若需要完整标准请到上方自行免费下载完整标准文档。
中华人民共和国纺织行业标准
FZ/T54088--2016
锦纶6全牵伸单丝
Polyamide6fulldrawnmonofilament2016-04-05发布
中华人民共和国工业和信息化部发布
2016-09-01实施
本标准按照GB/T1.1一2009给出的规则起草。本标准由中国纺织工业联合会提出。本标准由上海市纺织工业技术监督所归口。FZ/T54088-2016
本标准起草单位:长乐恒申合纤科技有限公司、北京三联虹普新合纤技术服务股份有限公司、上海市纺织工业技术监督所。
本标准主要起草人:陈立军、骨贺磊、于佩霖、李红杰、刘智、林世斌。I
1范围
锦纶6全牵伸单丝
FZ/T54088—2016
本标准规定了锦纶6全牵伸单丝的术语和定义、分类和标识、技术要求、试验方法、检验规则和标志、包装、运输、贮存的要求。本标准所指锦纶6全牵伸单丝是指采用高速纺丝—牵伸一步法生产的锦纶6全牵伸单丝。本标准适用于线密度为11.1dtex44.4dtex,圆形截面、三角、三叶异形截面,有光、半消光、全消光丝,未经加抢和未经压洗定型的民用本色锦纶6全牵伸单丝。其他锦纶6全牵伸单丝可参照执行。2规范性引用文件
下列文件对于本文件的应用是必不可少的。凡是注日期的引用文件,仅注日期的版本适用于本文件。凡是不注日期的引用文件,其最新版本(包括所有的修改单)适用于本文件。GB/T250纺织品色牢度试验评定变色用灰色样卡GB/T2828.1一2012计数抽样检验程序第1部分:按接收质量限(AQL)检索的逐批检验抽样计划
GB/T3291.1
GB/T3291.3
GB/T4146.1
GB/T4146.3
GB/T6502
GB/T6503
GB/T6505
GB/T8170
GB/T14343
纺织材料性能和试验术语第1部分:纤维和纱线纺织
纺织材料性能和试验术语第3部分:通用纺织品
纺织品
化学纤维
化学纤维第1部分:属名
化学纤维第3部分:检验术语
长丝取样方法
化学纤维
回潮率试验方法
化学纤维长丝热收缩率试验方法数值修约规则与极限数值的表示和判定长丝线密度试验方法
化学纤维
GB/T14344
GB/T14346
FZ/T50002
FZ/T50008
FZ/T51004
FZ/T50027
3术语和定义
化学纤维
长丝拉伸性能试验方法
化学纤维长丝条干不匀率试验方法电容法化学纤维异形度试验方法
锦纶长丝染色均勾度试验方法
纤维级聚已内酰胺切片
化学纤维,二氧化钛含量试验方法GB/T3291.1、GB/T3291.3、GB/T4146.1、GB/T4146.3和FZ/T51004界定的术语和定义适用于本文件。
4分类和标识
4.1按生产时二氧化钛添加量的不同,锦纶6全牵伸单丝产品分为有光丝、半消光丝、全消光丝。1
FZ/T54088—2016
4.2产品规格以线密度(dtex)和单丝根数(f)表示。示例:线密度为22dtex的锦纶6全牵伸单丝,其产品规格表示为22dtex/1f。4.3产品标识应包含:产品规格、截面形状、生产工艺、产品名称或批号等信息,可以有效区分。5技术要求
5.1产品分等
产品分为优等品(AA)、等品(A)、合格品(B)三个等级。5.2物理、染化性能项目和指标
锦纶6全牵伸单丝的物理及染化性能见表1。表1锦纶6全牵伸单丝的物理、染化性能项目和指标序号
线密度偏差率/%
线密度变异系数(CV)/%
断裂强度/(cN/dtex)
断裂强力变异系数(CV)/%
断裂伸长率/%
圆形截面
三角、三叶异形截面
断裂伸长率变异系数(CV.)/%
沸水收缩率/%
染色均勾度(灰卡)/级
条干均匀度(CV)/%
优等品
(AA级)
一等品
(A级)
合格品
(B级)
MI为断裂伸长率中心值,在35%~55%范围内选定,具体由生产厂家与客户协商确定,一旦确定后不得任意更改,如因原料调换等原因,中心值可以作适当调整。bM,为沸水收缩率中心值,具体由生产厂家与客户协商确定,一且确定后不得任意更改。5.3外观项目和指标
锦纶6全牵伸单丝外观项目和指标见表2。表2锦纶6全牵伸单丝外观项目和指标序号
硬头丝/(个/筒)
圈丝/(个/筒)
油污丝/(cm2/筒)
色差?
优等品
(AA级)
一等品
(A级)
合格品
(B级)
拉伸不足丝
简重\(净重)/kg
圈丝的长度不大于10mm。
表2(续)
优等品
(AA级)
不允许此内容来自标准下载网
定长定重
一等品
(A级)
不允许
FZ/T54088—2016
合格品
(B级)
不允许
b油污丝,一等品只允许淡黄色油污,其总面积不超过1cm;合格品只允许淡黄色和较深色油污,其总面积不超过2cm,黑色油污不允许。
色差参照GB/T250的级别定等。其中“正常”相当于4级,“轻微”相当于3级。筒重由供需双方根据品种协商确定。5.4异形截面形状及异形度指标
由供需双方协商确定。
6试验方法
物理性能和染化性能指标检验
6.1.1线密度试验按GB/T14343规定执行。6.1.2断裂强度和断裂伸长试验按GB/T14344规定执行。6.1.3沸水收缩率试验按GB/T6505规定执行。6.1.4染色均勾度试验按FZ/T50008规定执行。6.1.5条干均匀度试验按GB/T14346规定执行。单个试验的试样长度不少于400m,建议试验速度100m/min,试验时间4min。
6.1.6异形度试验按FZ/T50002规定执行。二氧化钛含量试验按FZ/T50027规定执行。6.1.7
6.2外观检验
6.2.1设备
分级台:黑色台面,高度75cm~80cm,上面平行装两支40WD65标准光源或40W双管日光灯,周围环境应无其他散射光和反射光。观察点照度约6001x,观察距离约30cm。6.2.2检验步骤
6.2.2.1操作者两手握住筒子两端的筒管,认定一处开始旋转,按表2要求对每只筒子的两个端面(或斜面)和圆柱面进行目检定等。
6.2.2.2用适宜量程的磅秤、电子秤等衡器称取卷装的质量,扣除已知的皮质量,该净质量即为简重,精确至0.5%。
FZ/T54088—2016
7检验规则
7.1出厂检验
7.1.1检验项目
7.1.1.1表1中项目均为考核项目,并按6.1规定的试验方法进行试验。7.1.1.2外观检验项目按表2规定,并按6.2规定的试验方法进行检验。7.1.2组批规定
在一定范围内采用周期性取样组成检验批。一个生产批可由一个检验批组成,也可由若干检验批组成。
7.1.3取样规定
物理及染化性能试验的实验室样品按GB/T6502规定取样,其中染色均匀度试验可以逐筒取样染色。
7.1.4检验结果评定
7.1.4.1物理及染化性能项目的测定值或计算值按GB/T8170中修约值比较法与表1的物理指标的极限数值比较,评定等级。其中染色均匀度根据染色极差(含同一段袜带内的深浅条纹)按GB/T250评定;如果逐筒取样染色时,应逐筒评定。7.1.4.2外观检验按5.3规定,逐筒评定等级。7.1.4.3产品综合等级的评定,以检验批中物理及染化性能指标和外观指标中最低项的等级定为该批产品的等级。
7.2复验规则
7.2.1通则
一批产品到收货方三个月内,验收或对质量有异议时可提请复验。若该批产品的数量使用了1/3以上时,不得申请复验。但如果收货方可以出示相关证据证明该批产品确实影响到后加工产品的质量,并造成严重损失时,应分析原因,明确双方责任、协商处理。7.2.2检验项目
同7.1.1。
7.2.3组批规定
按原生产批号组批。
7.2.4取样规定
7.2.4.1物理及染化性能项目的实验室样品按GB/T6502规定取样。7.2.4.2外观为抽样检验。根据批量按GB/T2828.1一2012表1中一般检验水平Ⅱ规定确定样本大小(字码)。
7.2.5检验结果的评定
FZ/T54088—2016
7.2.5.1物理及染化性能项目的测定值或计算值按GB/T8170中修约值比较法与表1的物理及染化性能指标的极限数值比较,评定等级。其中染色均匀度根据所有样品筒子的极差(含同一段袜带内的深浅条纹)按GB/T250评定等级。
7.2.5.2外观项目按7.2.4.2样本大小,根据GB/T2828.1一2012表2-A中正常检验一次抽样方案AQL值为4.0,确定接收数Ac和拒收数Re,并按表2要求评定,当不合格的筒子数
锦纶6全牵伸单丝的公定质量按式(1)验收:1+R。
式中:
批产品包装件公定质量,单位为千克(kg);m
批产品包装件净质量,单位为千克(kg);R。—锦纶6的公定回潮率,为4.5%;R
实测回潮率,%。
实际回潮率按GB/T6503规定执行。公定质量差异不超过0.5%时,不予索赔,超过时按实际超过部分赔偿。
8标志、包装、运输、贮存
8.1标志
包装箱上应标明生产企业名称、详细地址、产品名称、规格、等级、批号、净重、毛重、卷装个数、生产日期、商标、产品标准编号和防潮、轻放等标志。8.2包装
8.2.1每个丝筒都应套塑料袋,按不同品种、规格、批号、等级分别进行包装、装箱。8.2.2包装箱内应有定位装置固定丝筒两端筒管,纸箱质量应保证产品质量不受损伤。8.2.3每个包装箱内的丝筒大小要求尽量均匀。8.2.4,每批产品应附有质量检验单。8.3运输
运输过程中禁止损坏外包装,禁止倒置和受潮。8.4贮存
按批堆放,贮存在干燥、清洁、通风、避光的仓库中。5
FZ/T54088-2016
打印日期:2016年6月14日F007
中华人民共和国纺织
行业标准
锦纶6全牵伸单丝
FZ/T54088—2016
中国标准出版社出版发行
北京市朝阳区和平里西街甲2号(100029)北京市西城区三里河北街16号(100045)网址www.spc.net.cn
总编室:(010)68533533发行中心:(010)51780238读者服务部:(010)68523946
中国标准出版社秦皇岛印刷厂印刷各地新华书店经销
开本880×12301/16印张0.75字数11千字2016年6月第一版2016年6月第一次印刷书号:155066·2-30029
如有印装差错由本社发行中心调换版权专有侵权必究
举报电话:(010)68510107
小提示:此标准内容仅展示完整标准里的部分截取内容,若需要完整标准请到上方自行免费下载完整标准文档。
标准图片预览:





- 其它标准
- 热门标准
- 其他行业标准
- YS/T280-2011 丁钠黑药
- JB/T8118.2-2011 内燃机 活塞销 第2部分:金相检验
- HG/T3703-2009 荧光增白剂OB-1(C.I.荧光增白剂393)
- QB/T4911-2016 服装用水性聚氨酯合成革技术条件
- FZ/T52039-2014 再生聚苯硫醚短纤维
- FZ/T54088-2016 锦纶6全牵伸单丝
- DGJ32TJ94-2010 江苏省住宅信报箱建设标准
- CB/T3408-2011 船用柴油机球墨铸铁曲轴
- QB/T4621-2013 水平尺通用技术条件
- JB/T6726.1-2011 内燃机 冷凝式散热器 第1部分:技术条件
- QB/T4677-2014 空调器室内外机电源连接线技术要求
- QB/T4687-2014 电磁灶可靠性评价方法
- JB/T6014-2011 柴油机 高压油管组件 技术条件
- JB/T11313-2012 电袋复合除尘器用旁路阀
- JB/T7969-2011 拉刀术语
- 行业新闻
请牢记:“bzxz.net”即是“标准下载”四个汉字汉语拼音首字母与国际顶级域名“.net”的组合。 ©2025 标准下载网 www.bzxz.net 本站邮件:bzxznet@163.com
网站备案号:湘ICP备2025141790号-2
网站备案号:湘ICP备2025141790号-2