- 您的位置:
- 标准下载网 >>
- 标准分类 >>
- 其他行业标准 >>
- YS/T 294-2011冲压电池壳用硬质合金毛坯
标准号:
YS/T 294-2011
标准名称:
冲压电池壳用硬质合金毛坯
标准类别:
其他行业标准
英文名称:
Sintered carbide pellets used in punch-pressing dies for battery shell标准状态:
现行-
发布日期:
2011-12-20 -
实施日期:
2012-07-01 出版语种:
简体中文下载格式:
.pdf .zip下载大小:
2.23 MB
手机扫码下载更方便
标准ICS号:
冶金>>77.160粉末冶金中标分类号:
冶金>>粉末冶金>>H72粉末冶金材料与制品
替代情况:
替代YS/T 294-1994
点击下载
标准简介:
本标准规定了冲压电池壳用硬质合金毛坯的要求、试验方法与检验规则、标志、包装、运输、贮存、质量证明书及合同(或订货单)内容。
本标准适用于冲压电池壳用的硬质合金毛坯。
本标准代替YS/T294—1994《冲压电池壳用硬质合金毛坯》。本标准与YS/T294—1994相比主要技术变化如下:
———修改了型号表示规则;
———修订了尺寸允许偏差;
———增加了毛坯的外径及内径圆度要求;
———增加了毛坯的同心度要求;
———增加了毛坯的上下端面麻孔深度要求。
本标准由全国有色金属标准化技术委员会(SAC/TC243)归口。
本标准起草单位:株洲硬质合金集团有限公司、厦门金鹭特种合金有限公司。
本标准主要起草人:章仕平、邓凯、杨建国、吴高潮、邹建平、彭英健。
本标准所代替的历次版本发布情况:
———YS/T294—1994。
下列文件对于本文件的应用是必不可少的。凡是注日期的引用文件,仅注日期的版本适用于本文件。凡是不注日期的引用文件,其最新版本(包括所有的修改单)适用于本文件。
GB/T5242 硬质合金制品检验规则与试验方法
GB/T5243 硬质合金制品的标志、包装、运输和贮存
部分标准内容:
中华人民共和国有色金属行业标准YS/T294—2011
代替YS/T294-1994
冲压电池壳用硬质合金毛坏
Sintered carbide pellets used in punch-pressing dies for battery shell2011-12-20发布
中华人民共和国工业和信息化部发布
2012-07-01实施
中华人民共和国有色金属
行业标准
冲压电池壳用硬质合金毛坏
YS/T294—2011
中国标准出版社出版发行
北京市朝阳区和平里西街甲2号(100013)北京市西城区三里河北街16号(100045)网址www.spc.net.cn
发行中心:(010)51780235
总编室:(010)64275323
读者服务部:(010)68523946
中国标准出版社皇岛印刷厂印剧各地新华书店经销
开本880×1230
2012年6月第一版
印张0.5
字数9千字
2012年6月第一次印刷
书号:155066·2-23594
如有印装差错
定价14.00
由本社发行中心调换
版权专有
侵权必究
举报电话:(010)68510107
YS/T294—2011
本标准代替YS/T294—1994《冲压电池壳用硬质合金毛坏》。本标准与YS/T294—1994相比主要技术变化如下:
修改了型号表示规则;
“一修订了尺寸允许偏差;
增加了毛坏的外径及内径圆度要求;-增加了毛坏的同心度要求;
一增加了毛坏的上下端面麻孔深度要求。本标准由全国有色金属标准化技术委员会(SAC/TC243)归口。本标准起草单位:株洲硬质合金集团有限公司、厦门金鹭特种合金有限公司。本标准主要起草人:章仕平、邓凯、杨建国、昊高潮、邹建平、彭英健。本标准所代替的历次版本发布情况:-YS/T294—1994。
1范围
冲压电池壳用硬质合金毛坏
YS/T294—2011
本标准规定了冲压电池壳用硬质合金毛坏的要求、试验方法与检验规则、标志、包装、运输、贮存、质量证明书及合同(或订货单)内容。本标准适用于冲压电池壳用的硬质合金毛坏。2规范性引用文件
下列文件对于本文件的应用是必不可少的。凡是注日期的引用文件,仅注日期的版本适用于本文件。凡是不注日期的引用文件,其最新版本(包括所有的修改单)适用于本文件。GB/T5242硬质合金制品检验规则与试验方法GB/T5243硬质合金制品的标志、包装、运输和贮存3要求
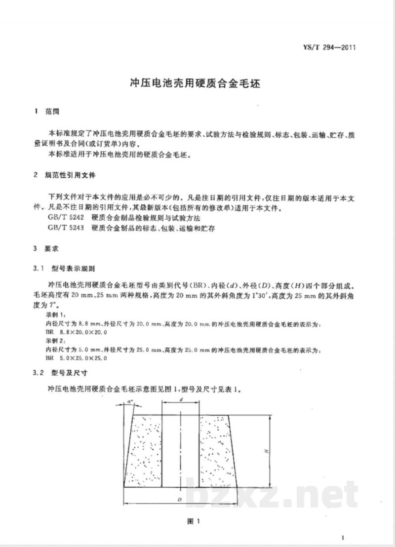
型号表示规则
冲压电池壳用硬质合金毛坏型号由类别代号(BR)、内径(d)、外径(D)、高度(H)四个部分组成。毛坏高度有20mm、25mm两种规格,高度为20mm的其外斜角度为1°30,高度为25mm的其外斜角度为7°。
示例1:
内径尺寸为8.8mm、外径尺寸为20.0mm、高度为20.0mm的冲压电池壳用硬质合金毛坏的表示为:BR8.8×20.0×20.0此内容来自标准下载网
示例2:
内径尺寸为5.0mm、外径尺寸为25.0mm、高度为25.0mm的冲压电池壳用硬质合金毛坏的表示为:BR5.0X25.0X25.0
3.2型号及尺寸
冲压电池壳用硬质合金毛坏示意图见图1,型号及尺寸见表1。D
YS/T294—2011
BR8.8X20.0×20.0
BR9.5×20.0×20.0
BR9.6X20.0X20.0
BR13.0X25.0X20.0
BR19.0X32.0×20.0
BR22.5X38.0X20.0
BR24.0X38.0X20.0
BR24.5×38.0×20.0
BR30.0×48.0×20.0
BR30.8X47.0×20.0
BR30.8X52.0X20.0
BR31.8X47.0X20.0
BR5.0×25.0×25.0
BR7.0X33.0X25.0
BR8.0×46.0×25.0
BR12.5X40.0X25.0
BR14.0×30.0X25.0
BR14.5X48.0X25.0
BR16.0X34.0X25.0
BR20.5×48.0×25.0
化学成分
内径d/mm
毛坏的化学成分由供箫双方协商确定。物理性能、力学性能、组织结构表1
外径D/mm
高度H/mm
毛坏的物理性能、力学性能、组织结构由供需双方按GB/T5242协商确定。尺寸允许偏差
毛坏的内径(d)允许偏差应符合表2的规定。表2
内径(d)
>12~18
>18~24
允许偏差
外斜角/(\)
1’30°
1°30°
1°30'
单位为毫米
3.5.2毛坏的外径(D)允许偏差应符合表3的规定。表3
外径(D)
>20.0~40.0
>40.0~50.0
3.5.3毛坏的高度(H)允许偏差为0~十0.9mm。3.5.4毛坏角度允许偏差为土30。允许偏差
3.5.5外径圆度不超过外径允许偏差的一半,内径圆度不超过内径允许偏差的半。3.5.6外径与内径同心度不超过内径允许偏差的一半。3.6外观质量
YS/T294-2011
单位为旁米
3.6.1毛坏表面不得有起皮、鼓泡、分层、裂纹、脏化、粘料、堵孔、氧化等影响使用的缺陷,并应进行喷砂处理。
3.6.2毛坏上下端面麻孔(面)深度不超过0.3mm,且毛坏高度减去麻孔(面)深度后符合相应高度允许偏差要求。
3.6.3毛坏的工作部位掉边掉角长度(宽度)应不大于0.3mm;非工作部位掉边掉角长度(宽度)应不大于0.6mm。
4试验方法
4.1毛坏的化学成分分析按供需双方协商确定的方法进行。4.2毛坏的物理性能、力学性能、组织结构的检验按GB/T5242规定的方法进行。4.3毛坏的尺寸及允许偏差采用相应精度的量具进行检验。4.4
毛坏的外观质量采用目视检验,并结合相应精度的量具进行检验。5检验规则
5.1检查和验收
5.1.1毛坏应由供方进行检验,保证毛坏质量符合本标准及合同(或订货单)的规定,并填写质量证明书。
5.1.2需方应对收到的毛坏按本标准及合同(或订货单)的规定进行复验。复验结果与本标准及合同(或订货单)的规定不符时,应在收到毛坏之日起三个月内以书面形式向供方提出,由供需双方协商解决。如需仲裁,仲裁取样应由供需双方共同进行。5.2组批
毛坏的组批按GB/T5242的规定进行。5.3.检验项目及取样规定
毛坏的检验项目及取样规定应符合表4的规定。YS/T294—2011
检验项目
化学成分
物理性能、力学性能、组织结构尺寸及允许偏差
外观质量
5.4检验结果的判定
每批1个
取样规定
按GB/T5242的规定进行
5.4.1毛坏的化学成分检验不合格,判该批不合格。要求的章条号
3.2、3.5
试验方法的章条号
5.4.2毛坏的物理性能、力学性能、组织结构检验结果的判定按GB/T5242的规定进行。5.4.3
毛坏的尺寸及允许偏差检验不合格,判该件不合格。5.4.4
毛坏的外观质量检验不合格,判该件不合格。6标志、包装、运输、贮存和质量证明书6.1标志、包装、运输、贮存
毛坏的标志、包装、运输和贮存,按GB/T5243的规定进行。6.2质量证明书
每批产品应附有质量证明书,其上注明:a)
供方名称、地址;
毛坏名称和型号;
批号:
各项分析检验结果及供方质量检测部门印记;出厂日期(或包装日期)。
合同(或订货单内容
本标准所列产品的合同(或订货单)内应包括下列内容:a)毛坏名称;
b)毛坏型号;
毛坏净重或数量;
本标准编号;
特殊要求。
书号:155066·2-23594定价14.00元版权专有侵权必究
书号:155066·2-23594
YS/T294-2011
定价:
VUG山ISA
小提示:此标准内容仅展示完整标准里的部分截取内容,若需要完整标准请到上方自行免费下载完整标准文档。
标准图片预览:





- 其它标准
- 热门标准
- 其他行业标准
- FZ/T73020-2019 针织休闲服装
- FZ/T81007-2022 单、夹服装
- FZ/T54070-2014 涤纶粗单纤牵伸丝
- FZ/T54069-2014 弹性涤纶牵伸丝
- JB/T1308.1-2011 PN2500超高压阀门和管件 第1部分:阀门型式和基本参数
- FZ/T61001-2019 纯毛、毛混纺毛毯
- 03SG519-1 多、高层建筑钢结构节点连接(次梁与主梁的简支螺栓连接、主梁的栓焊拼接)
- YS/T43-2011 高纯砷
- QB/T4934-2016 连体餐桌椅
- XB/T617.7-2014 钕铁硼合金化学分析方法 第7部分氧、氮量的测定 脉冲—红外吸收法和脉冲—热导法
- QB/T4840-2015 户外家具用遮篷
- QB/T4922-2016 工业用缝纫机 计算机控制圆头锁钮孔缝纫机
- 04S531-1 湿陷性黄土地区室外给水排水管道基础及接口
- 08J931 建筑隔声与吸声构造
- GJB509B-2008 热处理工艺质量控制
- 行业新闻