- 您的位置:
- 标准下载网 >>
- 标准分类 >>
- 其他行业标准 >>
- YS/T 293-2011标准螺栓镦粗模具用硬质合金毛坯
标准号:
YS/T 293-2011
标准名称:
标准螺栓镦粗模具用硬质合金毛坯
标准类别:
其他行业标准
英文名称:
Sintered hardmetal blanks used in heading die for standard bolt标准状态:
现行-
发布日期:
2011-12-20 -
实施日期:
2012-07-01 出版语种:
简体中文下载格式:
.pdf .zip
替代情况:
替代YS/T 293-1994
点击下载
标准简介:
本标准规定了标准螺栓镦粗模具用硬质合金毛坯的要求、试验方法、检验规则、标志、包装、运输、贮存、质量证明书及合同(或订货单)内容。
本标准适用于标准螺栓镦粗模具用的硬质合金毛坯。
部分标准内容:
ICS 77.160
中华人民共和国有色金属行业标准YS/T293—2011
代替YS/T293—1994
标准螺栓粗模具用硬质合金毛环Sintered hardmetal blanks used in heading die for standard bolt2011-12-20发布
中华人民共和国工业和信息化部豪奎券行数量,关闭tongyong.exe,重新运行45025有数据到达
2:45025有数据到液次
192.168.1.198:45025
工作次数
启动主程
2012-07-01实施
中华人民共和国有色金属
行业标准
标准螺栓镦粗模具用硬质合金毛坏YS/T293--2011
中国标准出版社出版发行
北京市朝阳区和平里西街甲2号(100013)北京市西城区三里河北街16号(100045)网址www.spc.net.cn
总编室:((010)64275323发行中心:(010)51780235读者服务部:(010)68523946
中国标准出版社秦皇岛印刷厂印刷各地新华书店经销
印张1字数24千字
开本880×12301/16
2012年8月第版2012年8月第一次印刷书号:155066·2-23856定价18.00元如有印装差错由本社发行中心调换版权专有侵权必究
举报电话:(010)68510107
本标准按照GB/T1.1-2009给出的规则起草YS/T293-2011
本标准代替YS/T293--1994《标准螺栓镦粗模具用硬质合金毛坏》,本标准与YS/T293—1994相比主要变化如下:
修改了型号表示规则;
调整了尺寸允许偏差,并增加了外径极差的要求;增加了毛坏的外圆及内孔圆度要求;一增加了毛坏的同轴度要求;
增加了毛坏的上下端面麻孔深度要求;一增加了质量证明书的内容及合同(或订货单)内容。本标准由全国有色金属标准化技术委员会(SAC/TC243)提出并归口。本标准负责起草单位:株洲硬质合金集团有限公司、厦门金鹭特种合金有限公司。本标准主要起草人:章仕平、杨建国、吴高潮、吴建兵、赵声志、邹建平、梁鸿。本标准历次发布情况为:
YS/T293—1994。
标准螺栓镦粗模具用硬质合金毛坏YS/T 293-2011
本标准规定了标准螺栓镦粗模具用硬质合金毛坏的要求、试验方法、检验规则、标志、包装、运输、贮存、质量证明书及合同(或订货单)内容。本标准适用于标准螺栓粗模具用的硬质合金毛坏。规范性引用文件
下列文件对于本文件的应用是必不可少的。凡是注日期的引用文件,仅注日期的版本适用于本文件。凡是不注日期的引用文件,其最新版本(包括所有的修改单)适用于本文件。GB/T5242硬质合金制品检验规则与试验方法GB/T5243硬质合金制品的标志、包装、运输和贮存3
型号表示规则
标准螺栓镦粗模具用硬质合金毛坏由类别代号(BD)、内径(d)、外径(D)、高度(H)四个部分组成。示例:
内径为4.6mm、外径为22.0mm、高度为25.0mm的标准螺栓镦粗模具用硬质合金毛坏型号表示为:BD4.6×22.0×25.0
3.2型号及尺寸
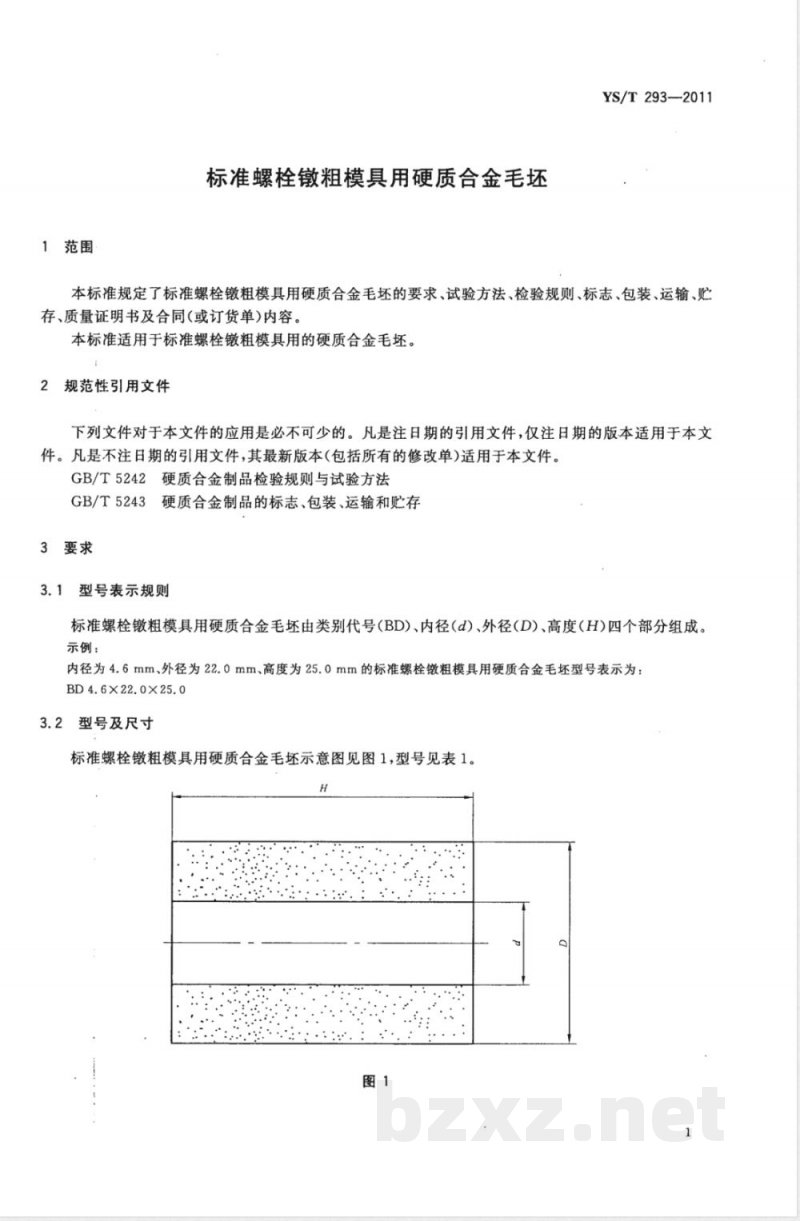
标准螺栓镦粗模具用硬质合金毛坏示意图见图1,型号见表1。H
YS/T 293-—2011
BD 0.7X10.0X15.0
BD0.7X10.0X25.0
BD 0.7X10.0X30.0
BD1.0X10.0X15.0
BD1.0×10.0×20.0
BD1.0X10.0X25.0
BD1.5X10.0X15.0
BD1.5X10.0×20.0
BD1.5×10.0×25.0
BD1.5×10.0×30.0
BD1.5×13.0×15.0
BD1.5X13. 0X20. 0
BD1.5X13.0X25.0
BD1.5X13.0X30.0
BD1.5X13.0X35.0
BD1.5X13.0X40.0
BD2.0X13.0X15. 0
BD2.0X13.0X20.0
BD 2.0X13.0X25.0
BD2.0X13.0X30.0
BD2.0X13.0X35.0
BD 2. 0X20.0X30. 0
BD2.0X20.0×40.0
BD2.0X20.0X45.0
BD 2.8X13.0X15. 0
BD 2. 8X13. 0X20. 0
BD 2.8X13.0X25. 0
BD 2.8X13.0X30. 0
BD2.8X13.0X35.0
BD2.8X20.0X25.0
BD2.8×20.0X30.0
BD 2.8X20.0X40.0
BD 2.8X20.0X50.0
BD2.8X25.0×30.0
内径d
外径D
单位为毫米
高度H
BD 2. 8X25. 0X40. 0
BD 2.8X25.0X50. 0
BD2.8X25.0X60.0
BD3.8X22.0X20.0
BD 3.8X22.0X25.0
BD3.8X22.0X30.0
BD 3.8X22.0X35.0
BD 3.8X22.0X40.0
BD3.8X22.0X45.0
BD 3.8X22.0X50. 0
BD 3.8X22. 0X55. 0
BD4.6X22.0X20.0
BD4.6X22.0X25.0
BD 4.6X22.0X30.0
BD4.6X22.0X35.0
BD 4. 6X22.0X40. 0
BD 4.6X22.0X45.0
BD 4.6X22.0X50.0
BD4.6X22.0X55.0
BD5.4X22.0X35.0
BD5.4X22.0X40.0
BD5.4X22.0X45.0
BD5.4X22.0X50.0
BD5.4X22.0X55.0
BD5.4X22.0X60.0
BD6.0X22.0X30.0
BD 6.0X22.0X35.0
BD 6. 0X22. 0X40. 0
BD6.0X22.0X45.0
BD6.0×22.0×50.0
BD6.0X22.0×55.0
BD 6.0X22.0X60.0
BD 6. 4X22. 0X20. 0
BD6.4X22.0X25.0
内径d
表1(续)
外径D
YS/T 293—2011
单位为毫米
高度H
YS/T293—2011
BD 6.4X22.0X30.0
BD6.4X22.0X35.0
BD 6.4X22.0X40.0
BD 6.4X22.0X45.0
BD6.4×22.0X50.0
BD6.4X22.0X55.0
BD6.4X22.0X60.0bZxz.net
BD6.4X25.0X30.0
BD6.4X25.0X40.0
BD6.4X25.0X50.0
BD7.2X25.0X25.0
BD7.2X25.0X30.0
BD7.2X25.0X35.0
BD7.2X25.0X40.0
BD7.2X30.0X20. 0
BD7.2X30.0X25.0
BD7.2X30.0X30. 0
BD 7.2X30.0X35.0
BD 7. 2× 30. 0× 40. 0
BD7.2X30.0X45.0
BD7.2X30.0X50.0
BD7.2X30.0X55.0
BD 7. 2X30. 0X60. 0
BD 8. 2X 25. 0X40. 0
BD8.2X25.0X45.0
BD8.2X25.0×50.0
BD 8. 2X30. 0X20. 0
BD 8. 2X30. 0X25. 0
BD 8.2X30.0X30.0
BD8.2X30.0X35.0
BD 8.2X30.0X40.0
BD8.2X30.0X45.0
BD 8. 2X 30. 0X 50. 0
BD8.2X30.0X55.0
内径d
表1(续)
外径D
单位为毫米
高度H
BD 8.2X30.0X60.0
BD 9.2X30.0X20.0
BD 9.2X30.0X25.0
BD9.2X30.0X30.0
BD 9.2X30.0X35.0
BD9.2×30.0×40.0
BD 9.2X30.0X45.0
BD9.2X30.0X50.0
BD9.2×30.0×55.0
BD 9.2×30.0×60.0
BD9.2X35.0X25.0
BD 9.2X35.0X30.0
BD9.2X35.0X35.0
BD 9.2X35.0X40.0
BD10:0X30.0X25.0
BD10.0X30.0X30. 0
BD10.0X30.0X35.0
BD10.0X30.0X40.0
BD10.0X30.0X45.0
BD10.0X30.0X50.0
BD10.0×30.0×55.0
BD10.0X30.0X60.0
BD11.2X30.0X30. 0
BD11.2X30.0X40.0
BD11.2×30.0X×50.0
BD11.2X40.0X20. 0
BD11.2X40.0X25.0
BD11.2X40.0X30.0
BD11.2X40.0X35.0
BD11.2X40.0X40.0
BD11.2X40.0X45.0
BD11.2X40.0×50.0
BD11.2X40.0X55.0
BD11.2X40.0X60.0
内径d
表1(续)
外径D
YS/T 293--2011
单位为毫米
高度H
YS/T293—2011
BD11.2X40.0×65.0
BD 11.8X40.0X30. 0
BD11.8X40.0×35.0
BD11.8X40.0X40.0
BD11.8X40.0X45.0
BD11.8X40.0X50.0
BD11,8X40.0×55.0
BD11.8X40.0X60.0
BD11.8X40.0X65.0
BD11.8X45.0X30.0
BD11.8X45.0X40.0
BD 11. 8X45. 0X45. 0
BD11.8X45.0X50.0
BD13.2X40.0X30.0
BD13.2X40.0X35.0
BD13.2X40.0X40.0
BD13.2X40.0X45.0
BD13.2X40.0X50.0
BD13.2X40.0X55.0
BD13.2X40.0×60.0
BD13.2X40.0X65.0
BD14.4X45.0X30.0
BD14.4X45.0X35.0
BD14.4X45.0X40.0
BD14.4X45.0X45.0
BD14.4X45.0X50.0
BD14.4X45.0X55.0
BD14.4X45.0X60.0
BD14.4X45.0X65.0
BD15.4X40.0X30.0
BD15.4X40.0X40.0
BD15.4X40.0X45.0
BD15.4X40.0X50.0
BD15.4X40.0X60.0
内径d
表1(续)
外径D
单位为毫米
高度H
BD15.4X40.0X65.0
BD15.4X45.0X30.0
BD15.4X45.0×35. 0
BD15.4X45.0X40.0
BD15.4X45.0X45.0
BD15.4X45.0×50.0
BD15.4X45.0X55.0
BD15.4X45.0X60.0
BD15.4X45.0X65.0
BD16.4X45.0×30.0
BD16.4X45.0X35.0
BD16.4X45.0X40.0
BD16.4X45.0X45.0
BD16.4X45.0X50.0
BD16.4X45.0X55.0
BD 16.4X45.0X60. 0
BD16.4X45.0X65.0
BD17.4X45.0X30.0
BD17.4X45.0×35.0
BD17.4X45.0X40.0
BD 17. 4X 45. 0X45. 0
BD17.4X45.0X50.0
BD17.4X45.0X55.0
BD17.4×45.0×60.0
BD17.4X45.0X65.0
BD17.4X50.0X30.0
BD 17.4X50.0X35. 0
BD17.4X50.0X40.0
BD17.4X50.0X50.0
BD17.4X50.0×55.0
BD17.4X50.0X60.0
BD18.4X45.0X30.0
BD18.4X45.0X35.0
BD18.4X45.0X40.0
内径d
表1(续)
外径D
YS/T293—2011
单位为毫米
高度H
YS/T 293--2011
BD 18. 4X45.0X45. 0
BD18.4X45.0X50.0
BD18.4X45.0X55.0
BD18.4×45.0×60.0
BD18.4X45.0X65.0
BD19.4X45.0X30.0
BD19.4X45.0X35.0
BD19.4X45.0X40.0
BD19.4X45.0X45.0
BD19.4X45.0X50.0
BD19.4×45.0×55.0
BD 19. 4X45. 0X60. 0
BD19.4X45.0X65.0
BD21.0×45.0×35.0
BD21.0×45.0×45.0
BD21.0X45.0X×60.0
BD21.0X45.0×65.0
BD21.0×50.0×30.0
BD21.0×50.0×35.0
BD21.0X50.0X40.0
BD21.0×50.0×45.0
BD21.0×50.0X50.0
BD21.0×50.0×55.0
BD21.0X50.0X60.0
BD21.0X50.0×65.0
化学成分
内径d
毛坏的化学成分由供需双方协商确定。物理性能、力学性能、组织结构表1(续)
外径D
毛坏的物理性能、力学性能、组织结构由供需双方按GB/T5242协商确定。,尺寸允许偏差
毛坏的内径(d)充许偏差应符合表2的规定。单位为毫米
高度H
小提示:此标准内容仅展示完整标准里的部分截取内容,若需要完整标准请到上方自行免费下载完整标准文档。
中华人民共和国有色金属行业标准YS/T293—2011
代替YS/T293—1994
标准螺栓粗模具用硬质合金毛环Sintered hardmetal blanks used in heading die for standard bolt2011-12-20发布
中华人民共和国工业和信息化部豪奎券行数量,关闭tongyong.exe,重新运行45025有数据到达
2:45025有数据到液次
192.168.1.198:45025
工作次数
启动主程
2012-07-01实施
中华人民共和国有色金属
行业标准
标准螺栓镦粗模具用硬质合金毛坏YS/T293--2011
中国标准出版社出版发行
北京市朝阳区和平里西街甲2号(100013)北京市西城区三里河北街16号(100045)网址www.spc.net.cn
总编室:((010)64275323发行中心:(010)51780235读者服务部:(010)68523946
中国标准出版社秦皇岛印刷厂印刷各地新华书店经销
印张1字数24千字
开本880×12301/16
2012年8月第版2012年8月第一次印刷书号:155066·2-23856定价18.00元如有印装差错由本社发行中心调换版权专有侵权必究
举报电话:(010)68510107
本标准按照GB/T1.1-2009给出的规则起草YS/T293-2011
本标准代替YS/T293--1994《标准螺栓镦粗模具用硬质合金毛坏》,本标准与YS/T293—1994相比主要变化如下:
修改了型号表示规则;
调整了尺寸允许偏差,并增加了外径极差的要求;增加了毛坏的外圆及内孔圆度要求;一增加了毛坏的同轴度要求;
增加了毛坏的上下端面麻孔深度要求;一增加了质量证明书的内容及合同(或订货单)内容。本标准由全国有色金属标准化技术委员会(SAC/TC243)提出并归口。本标准负责起草单位:株洲硬质合金集团有限公司、厦门金鹭特种合金有限公司。本标准主要起草人:章仕平、杨建国、吴高潮、吴建兵、赵声志、邹建平、梁鸿。本标准历次发布情况为:
YS/T293—1994。
标准螺栓镦粗模具用硬质合金毛坏YS/T 293-2011
本标准规定了标准螺栓镦粗模具用硬质合金毛坏的要求、试验方法、检验规则、标志、包装、运输、贮存、质量证明书及合同(或订货单)内容。本标准适用于标准螺栓粗模具用的硬质合金毛坏。规范性引用文件
下列文件对于本文件的应用是必不可少的。凡是注日期的引用文件,仅注日期的版本适用于本文件。凡是不注日期的引用文件,其最新版本(包括所有的修改单)适用于本文件。GB/T5242硬质合金制品检验规则与试验方法GB/T5243硬质合金制品的标志、包装、运输和贮存3
型号表示规则
标准螺栓镦粗模具用硬质合金毛坏由类别代号(BD)、内径(d)、外径(D)、高度(H)四个部分组成。示例:
内径为4.6mm、外径为22.0mm、高度为25.0mm的标准螺栓镦粗模具用硬质合金毛坏型号表示为:BD4.6×22.0×25.0
3.2型号及尺寸
标准螺栓镦粗模具用硬质合金毛坏示意图见图1,型号见表1。H
YS/T 293-—2011
BD 0.7X10.0X15.0
BD0.7X10.0X25.0
BD 0.7X10.0X30.0
BD1.0X10.0X15.0
BD1.0×10.0×20.0
BD1.0X10.0X25.0
BD1.5X10.0X15.0
BD1.5X10.0×20.0
BD1.5×10.0×25.0
BD1.5×10.0×30.0
BD1.5×13.0×15.0
BD1.5X13. 0X20. 0
BD1.5X13.0X25.0
BD1.5X13.0X30.0
BD1.5X13.0X35.0
BD1.5X13.0X40.0
BD2.0X13.0X15. 0
BD2.0X13.0X20.0
BD 2.0X13.0X25.0
BD2.0X13.0X30.0
BD2.0X13.0X35.0
BD 2. 0X20.0X30. 0
BD2.0X20.0×40.0
BD2.0X20.0X45.0
BD 2.8X13.0X15. 0
BD 2. 8X13. 0X20. 0
BD 2.8X13.0X25. 0
BD 2.8X13.0X30. 0
BD2.8X13.0X35.0
BD2.8X20.0X25.0
BD2.8×20.0X30.0
BD 2.8X20.0X40.0
BD 2.8X20.0X50.0
BD2.8X25.0×30.0
内径d
外径D
单位为毫米
高度H
BD 2. 8X25. 0X40. 0
BD 2.8X25.0X50. 0
BD2.8X25.0X60.0
BD3.8X22.0X20.0
BD 3.8X22.0X25.0
BD3.8X22.0X30.0
BD 3.8X22.0X35.0
BD 3.8X22.0X40.0
BD3.8X22.0X45.0
BD 3.8X22.0X50. 0
BD 3.8X22. 0X55. 0
BD4.6X22.0X20.0
BD4.6X22.0X25.0
BD 4.6X22.0X30.0
BD4.6X22.0X35.0
BD 4. 6X22.0X40. 0
BD 4.6X22.0X45.0
BD 4.6X22.0X50.0
BD4.6X22.0X55.0
BD5.4X22.0X35.0
BD5.4X22.0X40.0
BD5.4X22.0X45.0
BD5.4X22.0X50.0
BD5.4X22.0X55.0
BD5.4X22.0X60.0
BD6.0X22.0X30.0
BD 6.0X22.0X35.0
BD 6. 0X22. 0X40. 0
BD6.0X22.0X45.0
BD6.0×22.0×50.0
BD6.0X22.0×55.0
BD 6.0X22.0X60.0
BD 6. 4X22. 0X20. 0
BD6.4X22.0X25.0
内径d
表1(续)
外径D
YS/T 293—2011
单位为毫米
高度H
YS/T293—2011
BD 6.4X22.0X30.0
BD6.4X22.0X35.0
BD 6.4X22.0X40.0
BD 6.4X22.0X45.0
BD6.4×22.0X50.0
BD6.4X22.0X55.0
BD6.4X22.0X60.0bZxz.net
BD6.4X25.0X30.0
BD6.4X25.0X40.0
BD6.4X25.0X50.0
BD7.2X25.0X25.0
BD7.2X25.0X30.0
BD7.2X25.0X35.0
BD7.2X25.0X40.0
BD7.2X30.0X20. 0
BD7.2X30.0X25.0
BD7.2X30.0X30. 0
BD 7.2X30.0X35.0
BD 7. 2× 30. 0× 40. 0
BD7.2X30.0X45.0
BD7.2X30.0X50.0
BD7.2X30.0X55.0
BD 7. 2X30. 0X60. 0
BD 8. 2X 25. 0X40. 0
BD8.2X25.0X45.0
BD8.2X25.0×50.0
BD 8. 2X30. 0X20. 0
BD 8. 2X30. 0X25. 0
BD 8.2X30.0X30.0
BD8.2X30.0X35.0
BD 8.2X30.0X40.0
BD8.2X30.0X45.0
BD 8. 2X 30. 0X 50. 0
BD8.2X30.0X55.0
内径d
表1(续)
外径D
单位为毫米
高度H
BD 8.2X30.0X60.0
BD 9.2X30.0X20.0
BD 9.2X30.0X25.0
BD9.2X30.0X30.0
BD 9.2X30.0X35.0
BD9.2×30.0×40.0
BD 9.2X30.0X45.0
BD9.2X30.0X50.0
BD9.2×30.0×55.0
BD 9.2×30.0×60.0
BD9.2X35.0X25.0
BD 9.2X35.0X30.0
BD9.2X35.0X35.0
BD 9.2X35.0X40.0
BD10:0X30.0X25.0
BD10.0X30.0X30. 0
BD10.0X30.0X35.0
BD10.0X30.0X40.0
BD10.0X30.0X45.0
BD10.0X30.0X50.0
BD10.0×30.0×55.0
BD10.0X30.0X60.0
BD11.2X30.0X30. 0
BD11.2X30.0X40.0
BD11.2×30.0X×50.0
BD11.2X40.0X20. 0
BD11.2X40.0X25.0
BD11.2X40.0X30.0
BD11.2X40.0X35.0
BD11.2X40.0X40.0
BD11.2X40.0X45.0
BD11.2X40.0×50.0
BD11.2X40.0X55.0
BD11.2X40.0X60.0
内径d
表1(续)
外径D
YS/T 293--2011
单位为毫米
高度H
YS/T293—2011
BD11.2X40.0×65.0
BD 11.8X40.0X30. 0
BD11.8X40.0×35.0
BD11.8X40.0X40.0
BD11.8X40.0X45.0
BD11.8X40.0X50.0
BD11,8X40.0×55.0
BD11.8X40.0X60.0
BD11.8X40.0X65.0
BD11.8X45.0X30.0
BD11.8X45.0X40.0
BD 11. 8X45. 0X45. 0
BD11.8X45.0X50.0
BD13.2X40.0X30.0
BD13.2X40.0X35.0
BD13.2X40.0X40.0
BD13.2X40.0X45.0
BD13.2X40.0X50.0
BD13.2X40.0X55.0
BD13.2X40.0×60.0
BD13.2X40.0X65.0
BD14.4X45.0X30.0
BD14.4X45.0X35.0
BD14.4X45.0X40.0
BD14.4X45.0X45.0
BD14.4X45.0X50.0
BD14.4X45.0X55.0
BD14.4X45.0X60.0
BD14.4X45.0X65.0
BD15.4X40.0X30.0
BD15.4X40.0X40.0
BD15.4X40.0X45.0
BD15.4X40.0X50.0
BD15.4X40.0X60.0
内径d
表1(续)
外径D
单位为毫米
高度H
BD15.4X40.0X65.0
BD15.4X45.0X30.0
BD15.4X45.0×35. 0
BD15.4X45.0X40.0
BD15.4X45.0X45.0
BD15.4X45.0×50.0
BD15.4X45.0X55.0
BD15.4X45.0X60.0
BD15.4X45.0X65.0
BD16.4X45.0×30.0
BD16.4X45.0X35.0
BD16.4X45.0X40.0
BD16.4X45.0X45.0
BD16.4X45.0X50.0
BD16.4X45.0X55.0
BD 16.4X45.0X60. 0
BD16.4X45.0X65.0
BD17.4X45.0X30.0
BD17.4X45.0×35.0
BD17.4X45.0X40.0
BD 17. 4X 45. 0X45. 0
BD17.4X45.0X50.0
BD17.4X45.0X55.0
BD17.4×45.0×60.0
BD17.4X45.0X65.0
BD17.4X50.0X30.0
BD 17.4X50.0X35. 0
BD17.4X50.0X40.0
BD17.4X50.0X50.0
BD17.4X50.0×55.0
BD17.4X50.0X60.0
BD18.4X45.0X30.0
BD18.4X45.0X35.0
BD18.4X45.0X40.0
内径d
表1(续)
外径D
YS/T293—2011
单位为毫米
高度H
YS/T 293--2011
BD 18. 4X45.0X45. 0
BD18.4X45.0X50.0
BD18.4X45.0X55.0
BD18.4×45.0×60.0
BD18.4X45.0X65.0
BD19.4X45.0X30.0
BD19.4X45.0X35.0
BD19.4X45.0X40.0
BD19.4X45.0X45.0
BD19.4X45.0X50.0
BD19.4×45.0×55.0
BD 19. 4X45. 0X60. 0
BD19.4X45.0X65.0
BD21.0×45.0×35.0
BD21.0×45.0×45.0
BD21.0X45.0X×60.0
BD21.0X45.0×65.0
BD21.0×50.0×30.0
BD21.0×50.0×35.0
BD21.0X50.0X40.0
BD21.0×50.0×45.0
BD21.0×50.0X50.0
BD21.0×50.0×55.0
BD21.0X50.0X60.0
BD21.0X50.0×65.0
化学成分
内径d
毛坏的化学成分由供需双方协商确定。物理性能、力学性能、组织结构表1(续)
外径D
毛坏的物理性能、力学性能、组织结构由供需双方按GB/T5242协商确定。,尺寸允许偏差
毛坏的内径(d)充许偏差应符合表2的规定。单位为毫米
高度H
小提示:此标准内容仅展示完整标准里的部分截取内容,若需要完整标准请到上方自行免费下载完整标准文档。
标准图片预览:





- 其它标准
- 上一篇: YS/T 296-2011凿岩工具用硬质合金制品
- 下一篇: YS/T 1154-2016粗硒
- 热门标准
- 其他行业标准
- FZ/T73018-2021 毛针织品
- YS/T1035-2015 铝电解质中碳含量的测定 红外吸收光谱法
- FZ/T92054-2010 倍捻锭子
- QB/T1204-2014 复写纸
- FZ/T63055-2021 涤纶低弹丝缝纫线
- YB/T4453-2015 合金结构钢热轧盘条
- YS/T281.20-2011 钴化学分析方法 第20部分:氧量的测定 脉冲-红外吸收法
- FZ/T92019-2021 棉纺环锭细纱机牵伸下罗拉
- JB/T4211.2-2014 螺钉冷镦模 第2部分:凹模
- QX/T317-2016 防雷装置检测质量考核通则
- DGJ08-20-2013 住宅设计标准
- NB/T20194-2012 压水堆核电厂辐射屏蔽设计准则
- CB/T877-2011 掣锚器
- JB/T11142-2011 锂离子蓄电池充电设备通用要求
- QB/T4308-2012 双脂肪酸乙酯基羟乙基甲基硫酸甲酯铵
- 行业新闻
请牢记:“bzxz.net”即是“标准下载”四个汉字汉语拼音首字母与国际顶级域名“.net”的组合。 ©2025 标准下载网 www.bzxz.net 本站邮件:bzxznet@163.com
网站备案号:湘ICP备2025141790号-2
网站备案号:湘ICP备2025141790号-2