- 您的位置:
- 标准下载网 >>
- 标准分类 >>
- 其他行业标准 >>
- QB/T 4542-2013牙刷用聚酰胺丝
标准号:
QB/T 4542-2013
标准名称:
牙刷用聚酰胺丝
标准类别:
其他行业标准
英文名称:
Polyamide filament for toothbrushes标准状态:
已作废-
发布日期:
2013-10-17 -
实施日期:
2014-03-01 -
作废日期:
2025-05-01 出版语种:
简体中文下载格式:
.pdf .zip
标准ICS号:
橡胶和塑料工业>>橡胶和塑料制品>>83.140.99其他橡胶和塑料制品中标分类号:
轻工、文化与生活用品>>日用玻璃、陶瓷、搪瓷、塑料制品>>Y28日用塑料制品
替代情况:
被QB/T 4542-2024代替
点击下载
标准简介:
本标准规定了牙刷用聚酰胺丝的产品分类、术语和定义、要求、试验方法、检验规则、标志、包装、运输、贮存。
本标准适用于聚酰胺树脂原生切片(俗称尼龙,简称PA)经熔融挤出工艺制成的实芯圆形牙刷用丝。
部分标准内容:
ICS 83.140.99
分类号:Y28
备案号:42349-2013
中华人民共和国轻工行业标准
QB/T4542-2013
牙刷用聚酰胺丝
Polyamide filament for toothbrushes2013-10-17 发布
中华人民共和国工业和信息化部2014-03-01实施
本标准按照GB/T1.1一2009给出的规则起草,本标准由中国轻工业联合会提出。QB/T4542-2013
本标准出全国口腔护理用品技术委员会牙刷分技术委员会(SAC/TC492/SC2)归II1。本标准起草单位:无锡市兴达尼龙有限公司、北京市轻工产品质量监督检验·站、江苏五爱集团有限公司、杜邦兴达(无锡)单丝有限公司、宝洁(中国)有限公司、高露洁三笑有限公司、国家洗漱用品质量监督检验中心。
本标准主要起草人:李传和、胡瑞莉、杨兆金、邓小民、喻朝阳、肖清、张林、杨欣、程小虎、张秋格。
1范围
牙刷用聚酰胺丝
QB/T4542-2013
本标准规定了牙刷用聚酰胺丝的术语和定义、产品分类、要求、试验方法、检验规则、标志、包装、运输、贮存。
本标准适用于聚酰胺树脂原生切片(俗称尼龙,简称PA)经熔融挤出工艺制成的实芯圆形牙刷用2规范性引用文件
下列文件对于本文件的应用是必不可少的。凡是注日期的引用文件,仅注日期的版本适用于本文件。凡是不注日期的引用文件,其最新版本(包括所有的修改单)适用于本文件。GB/T191包装储运图示标志(GB/T191-2008,ISO780:1997,MOD)GB/T2828.1一2012计数抽样检验程序第1部分:按接收质量限(AQL)检索的逐批检验抽样计划(ISO2859-1:1999,IDT)
GB/T2829一2002周期检验计数抽样程序及表(适用于对过程稳定性的检验)GB19342-2013牙刷
3术语和定义
下列术语和定义适用于本文件。3.1
未牵伸丝undrawnfilament
在挤出工艺过程中未经充分拉伸而呈现粗细不均匀的单丝。3.2
波浪丝
丝irregularfilament
非工艺要求呈不规则形状的单丝。3.3
原生切片
primarysection
由单体经聚合直接生成的一种单一物质,不包括经螺杆二次混炼加入玻璃纤维、矿物质、阻燃剂等改性切片。
4产品分类
产品按材质可分为PA610、PA612等。5要求
5.1外观质量
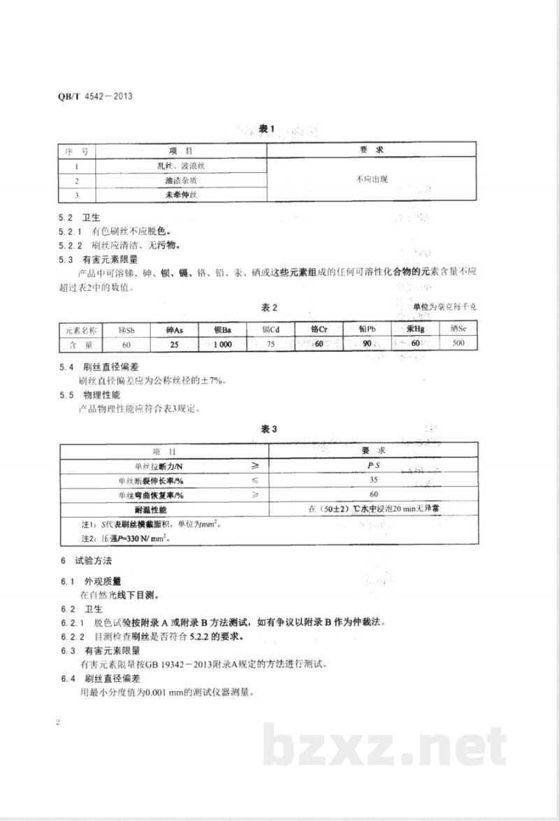
外观质量应符合表1的规定。
QB/T4542-2013
5.2卫生
乱丝、波浪丝
油渍杂质
未牵伸丝
5.2.1有色刷丝不应脱色。
5.2.2刷丝应清洁、无污物。
不应出现
5.3有害元素限量
产品中可溶锑、砷、钡、镉、铬、铅、汞、硒或这些元素组成的任何可溶性化合物的元素含量不应超过表2中的数值。
元素名称
刷丝直径偏差
刷丝直径偏差应为公称丝径的土7%。5.5
物理性能
产品物理性能应符合表3规定。
单丝拉断力/N
单丝断裂伸长率/%
单丝弯曲恢复率/%
耐温性能
注1:S代表刷丝横截面积,单位为mm2。注2:压强P=330N/mm2。
试验方法
6.1外观质量
在自然光线下目测。
6.2卫生
单位为毫克每千克
在(50±2)C水中浸泡20min无异常6.2.1脱色试验按附录A或附录B方法测试,如有争议以附录B作为仲裁法6.2.2目测检查刷丝是否符合5.2.2的要求。6.3有害元素限量
有害元素限量按GB19342一2013附录A规定的方法进行测试。6.4
刷丝直径偏差
用最小分度值为0.001mm的测试仪器测量。2
6.5物理性能
6.5.1单丝拉断力
6.5.1.1试验条件:温度(20土2)℃,放置4h。6.5.1.2试验装置:拉力试验机(最小分度值为0.1N)QB/T4542-2013
6.5.1.3试验步骤:将刷丝通过夹具连接在拉力试验机的上、下钳口上,中空距离为100mm,并保持试样处于松弛状态(张力正好为零),拉力试验机升降速度为500mm/min。刷丝在中部拉断为有效试验数据。
6.5.2单丝断裂伸长率
单丝断裂伸长率按6.5.1的方法测试,按公式(1)计算断裂伸长率:×100%
式中:
断裂伸长率,%;
伸长值,单位为毫米(mm);
起始长度,单位为毫米(mm)。6.5.3单丝弯曲恢复率
试验装置:恒温水槽、秒表,金属板一块,钻有直径(1.5土0.1)mm的通孔5个(见图1)。6.5.3.1
单位为毫米
@1.5±0.1
6.5.3.2试样制备:随机抽取一个包装箱中的2卷,每卷抽取5根丝,每根丝截取约20mm长度。6.5.3.3试样条件及步骤:将制备好的试样分别轻轻放入孔内,凸出部分不应大于孔的半径,单丝的放入方法见图2a)。将金属板连同试样一起浸入(50土2)℃的水中2min,取出后立即浸入(20土2)℃的水中浸泡30s后取出,然后再将试样轻轻从孔中取出,浸入(20土2)℃的水中15min,取出后立即将试样置于平滑的表面,用量角器分别测取5个日角,见图2b)tf:确
不正确
QB/T4542-2013
6.5.3.4将所测得10个θ角(以度为单位),按公式(2)进行计算:?
式中:
单丝弯曲恢复率,%。
6.5.4耐温性能
6.5.4.1试验装置:恒温水槽。
6.5.4.2试样制备:同6.5.3.2。×100%
6.5.4.3试验步骤:将试样浸入(50土2)℃的水中恒温20min,取出后目测。7检验规则
7.1检验分类
检验分为出厂检验和型式检验。7.2出厂检验
7.2.1凡提出交货的产品,均应进行出厂检验。产品应经生产厂质量检验部门按本标准检验合格后方可出厂,并应附有检验合格标识。7.2.2出厂检验按GB/T2828.1一2012规定进行,采用特殊检查水平S-3的正常检查一次抽样方案,其检验项目、要求、试验方法、接收质量限(AQL)值见表4。表4
7.3型式检验
检验项目
外观质量
卫生要求
刷丝直径偏差
有下列情况之一应进行型式检验:7.3.1
a)新产品或老产品转厂生产的试制定型鉴定;试验方法
b)正式生产后,如结构、材料、工艺有较大改变,可能影响产品性能时;c)正常生产时,对批量产品进行抽样检查,每12个月至少1次;d)产品停产6个月以上,恢复生产时;e)出厂检验结果与上次型式检验有较大差异时;f)国家质量监督检验机构提出进行型式检验要求时。AQL值
7.3.2型式检验按GB/T2829一2002规定进行,采用判别水平I的-次抽样方案。从出厂检验合格的产品中随机抽取一个包装箱中的2卷,每卷抽取5根丝,做表5中项目,其余样品做其他检验项目。检验项目、要求、试验方法、不合格分类、不合格质量水平(RQL值)、样本数、判定数组见表5。表5
检验项目
外观质量
物理性能
试验方法
不合格分类
RQL值
样本数
判定数组
QB/T4542—2013
7.3.3刷丝直径偏差采用判别水平I的二次抽样方案。从出厂检验合格的产品中随机抽取一个包装箱中的2卷,每卷抽取5根丝,检验项目、要求、试验方法、不合格分类、不合格质量水平(RQL值)、样本数、判定数组见表6。
检验项目
刷丝直径偏差
试验方法
不合格分类
卫生应符合5.2的要求,否则判定为不合格。有害元素限量应符合5.3的要求,否则判定为不合格。只要有一项不合格,则判定型式检验不合格。7.3.6
8标志、包装、运输、贮存
8.1标志
8.1.1产品包装上应有以下中文内容:a)产品名称;
b)规格:公称丝径、颜色;
c)产品质量检验合格标识;
d)生产日期或批号或代码。
8.1.2产品包装箱应有以下中文内容:a)产品名称:
b)生产厂厂名、厂址;
c)规格:公称丝径、长度、颜色:d)数量:
e)执行标准编号:
f)材质;
g)生产日期或批号或代码。
8.2包装
RQL值
样本数
产品包装箱应牢固,无破损,包装箱上的储运标志应符合GB/T191的规定。8.3运输
产品搬运时应轻取、轻放,防止雨淋和重压,避免包装损坏。8.4购存
产品应贮存在干燥、通风的仓库内。远离热源,防止潮湿和日晒。判定数组
QB/T4542-2013
附录A
(规范性附录)
脱色测试1
A.1原理
单丝分别浸润于醋酸、酒精、花生油中,恒温一定时间后,定性观察有无颜色迁移。A.2试剂
A.2.1去离子水。
A.2.2醋酸:分析纯。
A.2.33%醋酸水溶液:称取30g醋酸,用去离子水移入1L容量瓶中至刻度线,摇匀。A.2.4乙醇:分析纯(不含干扰杂质)。510%乙醇水溶液:用量筒量取100mL乙醇于1L容量瓶中,加去离子水至刻度线,摇匀。A.2.5
花生油。
材料及设备
滤纸。
铝箔。
50℃水浴。
纸夹或回形针。
250mL广瓶。
1L容量瓶
天平,最小分度值为0.0001g。
量简。
A.4操作步骤
称取质量约1g的单丝放在一张滤纸上,使单丝全部包在滤纸里,将滤纸包裹放在一片铝箔上,A.4.1
铝箔需足够大,以便完全包裹样品。用纸夹或回形针夹住铝箔,以防松开。广口瓶中倒入A.2.3试剂约20mL,将铝箔包裹放入广口瓶中,盖好盖子。「瓶里可以同时放入多个样品,样品需悬浮在溶剂里,将口瓶放入50℃水浴中保持5h。取出「瓶,移出铝箔,依次打开铝箔、滤纸,将滤纸自然风干,目测滤纸有无颜色迁移。
A.4.2改用A.2.5试剂重复操作步骤。3改用A.2.6试剂重复操作步骤。A.4.3
A.5测试结果
记录滤纸上有无颜色迁移。
B.1原理
附录B
(规范性附录)
脱色测试2
QB/T4542-2013
单丝分别浸于醋酸、酒精中,恒温一·定时间后,用紫外可见光分光光度计在可见光谱350nm至750nm波长范围内定量分析迁移出的颜料或染料:溶剂中任何污渍或沉淀物都会对测量有干扰。B.2试剂
B.2.1去离子水。
B.2.2醋酸:分析纯。
B.2.33%醋酸水溶液:称取30g醋酸,用去离子水移入1L容量瓶中至刻度线,摇匀。B.2.4乙醇:分析纯(不含干扰杂质)。B.2.5
10%乙醇水溶液:用量筒量取100mL乙醇于1L容量瓶中,加去离子水至刻度线,摇匀。B.3材料及设备
紫外可见光分光光度计。
B.3.21cm比色皿。
B.3.3天平,最小分度值为0.0001g:B.3.425mL具塞试管。
B.3.51L容量瓶。
B.3.6量筒。
B.4操作步骤
称取质量为2g单丝,放入B.3.4试管中,加入3%醋酸溶液20mL作为浸泡液,并放入(40土B.4.1
1)℃水浴中1h后,从水浴中取出,轻轻倒出残液于十净的试管中(注意勿将单丝倒出),加盖。静止残液至室温(至少1h),确保残液中固体沉淀。B.4.2以10%乙醇溶液20mL作为浸泡液,重复述操作步骤B.5分光光度计
B.5.1扫描波长:750nm~350nm,步长:0.05nm。B.5.2输出值:“ABS”。
B.5.3光束:复色光。
B.6样品分析
B.6.1空白样扫描:放置含有空白样的1cm比色血于样品测试区,测试扫描。B.6.2移去空白样,用B.4.1或B.4.2配制的浸泡液清洗比色皿,然后倒入样品,将比色Ⅲ放入样品测试区,测试扫描。
QB/T45422013
测试结果
两次空白样扫描结果,基线偏差不应超过土0.01,若样品扫描吸收峰值从750nm至350nm范围内,峰值超过0.02,则表明有颜色迁移。o
QB/T4542-2013
中华人民共和国
轻工行业标准
牙刷用聚酰胺丝
QB/T4542-2013
中国轻工业出版社出版发行
地址:北京东长安街6号
邮政编码:100740
发行电话:(010)65241695免费标准下载网bzxz
网址:http://www.chlip.com.cnEmail: club@chilip.com.cn
轻1:业标准化编辑出版委员会编辑地址:北京西城区下斜街29号
邮政编码:100053
电话:(010)68049923/24/25
版权所有侵权必究
书号:155019·4135
印数:1200册
定价:20.00元
小提示:此标准内容仅展示完整标准里的部分截取内容,若需要完整标准请到上方自行免费下载完整标准文档。
分类号:Y28
备案号:42349-2013
中华人民共和国轻工行业标准
QB/T4542-2013
牙刷用聚酰胺丝
Polyamide filament for toothbrushes2013-10-17 发布
中华人民共和国工业和信息化部2014-03-01实施
本标准按照GB/T1.1一2009给出的规则起草,本标准由中国轻工业联合会提出。QB/T4542-2013
本标准出全国口腔护理用品技术委员会牙刷分技术委员会(SAC/TC492/SC2)归II1。本标准起草单位:无锡市兴达尼龙有限公司、北京市轻工产品质量监督检验·站、江苏五爱集团有限公司、杜邦兴达(无锡)单丝有限公司、宝洁(中国)有限公司、高露洁三笑有限公司、国家洗漱用品质量监督检验中心。
本标准主要起草人:李传和、胡瑞莉、杨兆金、邓小民、喻朝阳、肖清、张林、杨欣、程小虎、张秋格。
1范围
牙刷用聚酰胺丝
QB/T4542-2013
本标准规定了牙刷用聚酰胺丝的术语和定义、产品分类、要求、试验方法、检验规则、标志、包装、运输、贮存。
本标准适用于聚酰胺树脂原生切片(俗称尼龙,简称PA)经熔融挤出工艺制成的实芯圆形牙刷用2规范性引用文件
下列文件对于本文件的应用是必不可少的。凡是注日期的引用文件,仅注日期的版本适用于本文件。凡是不注日期的引用文件,其最新版本(包括所有的修改单)适用于本文件。GB/T191包装储运图示标志(GB/T191-2008,ISO780:1997,MOD)GB/T2828.1一2012计数抽样检验程序第1部分:按接收质量限(AQL)检索的逐批检验抽样计划(ISO2859-1:1999,IDT)
GB/T2829一2002周期检验计数抽样程序及表(适用于对过程稳定性的检验)GB19342-2013牙刷
3术语和定义
下列术语和定义适用于本文件。3.1
未牵伸丝undrawnfilament
在挤出工艺过程中未经充分拉伸而呈现粗细不均匀的单丝。3.2
波浪丝
丝irregularfilament
非工艺要求呈不规则形状的单丝。3.3
原生切片
primarysection
由单体经聚合直接生成的一种单一物质,不包括经螺杆二次混炼加入玻璃纤维、矿物质、阻燃剂等改性切片。
4产品分类
产品按材质可分为PA610、PA612等。5要求
5.1外观质量
外观质量应符合表1的规定。
QB/T4542-2013
5.2卫生
乱丝、波浪丝
油渍杂质
未牵伸丝
5.2.1有色刷丝不应脱色。
5.2.2刷丝应清洁、无污物。
不应出现
5.3有害元素限量
产品中可溶锑、砷、钡、镉、铬、铅、汞、硒或这些元素组成的任何可溶性化合物的元素含量不应超过表2中的数值。
元素名称
刷丝直径偏差
刷丝直径偏差应为公称丝径的土7%。5.5
物理性能
产品物理性能应符合表3规定。
单丝拉断力/N
单丝断裂伸长率/%
单丝弯曲恢复率/%
耐温性能
注1:S代表刷丝横截面积,单位为mm2。注2:压强P=330N/mm2。
试验方法
6.1外观质量
在自然光线下目测。
6.2卫生
单位为毫克每千克
在(50±2)C水中浸泡20min无异常6.2.1脱色试验按附录A或附录B方法测试,如有争议以附录B作为仲裁法6.2.2目测检查刷丝是否符合5.2.2的要求。6.3有害元素限量
有害元素限量按GB19342一2013附录A规定的方法进行测试。6.4
刷丝直径偏差
用最小分度值为0.001mm的测试仪器测量。2
6.5物理性能
6.5.1单丝拉断力
6.5.1.1试验条件:温度(20土2)℃,放置4h。6.5.1.2试验装置:拉力试验机(最小分度值为0.1N)QB/T4542-2013
6.5.1.3试验步骤:将刷丝通过夹具连接在拉力试验机的上、下钳口上,中空距离为100mm,并保持试样处于松弛状态(张力正好为零),拉力试验机升降速度为500mm/min。刷丝在中部拉断为有效试验数据。
6.5.2单丝断裂伸长率
单丝断裂伸长率按6.5.1的方法测试,按公式(1)计算断裂伸长率:×100%
式中:
断裂伸长率,%;
伸长值,单位为毫米(mm);
起始长度,单位为毫米(mm)。6.5.3单丝弯曲恢复率
试验装置:恒温水槽、秒表,金属板一块,钻有直径(1.5土0.1)mm的通孔5个(见图1)。6.5.3.1
单位为毫米
@1.5±0.1
6.5.3.2试样制备:随机抽取一个包装箱中的2卷,每卷抽取5根丝,每根丝截取约20mm长度。6.5.3.3试样条件及步骤:将制备好的试样分别轻轻放入孔内,凸出部分不应大于孔的半径,单丝的放入方法见图2a)。将金属板连同试样一起浸入(50土2)℃的水中2min,取出后立即浸入(20土2)℃的水中浸泡30s后取出,然后再将试样轻轻从孔中取出,浸入(20土2)℃的水中15min,取出后立即将试样置于平滑的表面,用量角器分别测取5个日角,见图2b)tf:确
不正确
QB/T4542-2013
6.5.3.4将所测得10个θ角(以度为单位),按公式(2)进行计算:?
式中:
单丝弯曲恢复率,%。
6.5.4耐温性能
6.5.4.1试验装置:恒温水槽。
6.5.4.2试样制备:同6.5.3.2。×100%
6.5.4.3试验步骤:将试样浸入(50土2)℃的水中恒温20min,取出后目测。7检验规则
7.1检验分类
检验分为出厂检验和型式检验。7.2出厂检验
7.2.1凡提出交货的产品,均应进行出厂检验。产品应经生产厂质量检验部门按本标准检验合格后方可出厂,并应附有检验合格标识。7.2.2出厂检验按GB/T2828.1一2012规定进行,采用特殊检查水平S-3的正常检查一次抽样方案,其检验项目、要求、试验方法、接收质量限(AQL)值见表4。表4
7.3型式检验
检验项目
外观质量
卫生要求
刷丝直径偏差
有下列情况之一应进行型式检验:7.3.1
a)新产品或老产品转厂生产的试制定型鉴定;试验方法
b)正式生产后,如结构、材料、工艺有较大改变,可能影响产品性能时;c)正常生产时,对批量产品进行抽样检查,每12个月至少1次;d)产品停产6个月以上,恢复生产时;e)出厂检验结果与上次型式检验有较大差异时;f)国家质量监督检验机构提出进行型式检验要求时。AQL值
7.3.2型式检验按GB/T2829一2002规定进行,采用判别水平I的-次抽样方案。从出厂检验合格的产品中随机抽取一个包装箱中的2卷,每卷抽取5根丝,做表5中项目,其余样品做其他检验项目。检验项目、要求、试验方法、不合格分类、不合格质量水平(RQL值)、样本数、判定数组见表5。表5
检验项目
外观质量
物理性能
试验方法
不合格分类
RQL值
样本数
判定数组
QB/T4542—2013
7.3.3刷丝直径偏差采用判别水平I的二次抽样方案。从出厂检验合格的产品中随机抽取一个包装箱中的2卷,每卷抽取5根丝,检验项目、要求、试验方法、不合格分类、不合格质量水平(RQL值)、样本数、判定数组见表6。
检验项目
刷丝直径偏差
试验方法
不合格分类
卫生应符合5.2的要求,否则判定为不合格。有害元素限量应符合5.3的要求,否则判定为不合格。只要有一项不合格,则判定型式检验不合格。7.3.6
8标志、包装、运输、贮存
8.1标志
8.1.1产品包装上应有以下中文内容:a)产品名称;
b)规格:公称丝径、颜色;
c)产品质量检验合格标识;
d)生产日期或批号或代码。
8.1.2产品包装箱应有以下中文内容:a)产品名称:
b)生产厂厂名、厂址;
c)规格:公称丝径、长度、颜色:d)数量:
e)执行标准编号:
f)材质;
g)生产日期或批号或代码。
8.2包装
RQL值
样本数
产品包装箱应牢固,无破损,包装箱上的储运标志应符合GB/T191的规定。8.3运输
产品搬运时应轻取、轻放,防止雨淋和重压,避免包装损坏。8.4购存
产品应贮存在干燥、通风的仓库内。远离热源,防止潮湿和日晒。判定数组
QB/T4542-2013
附录A
(规范性附录)
脱色测试1
A.1原理
单丝分别浸润于醋酸、酒精、花生油中,恒温一定时间后,定性观察有无颜色迁移。A.2试剂
A.2.1去离子水。
A.2.2醋酸:分析纯。
A.2.33%醋酸水溶液:称取30g醋酸,用去离子水移入1L容量瓶中至刻度线,摇匀。A.2.4乙醇:分析纯(不含干扰杂质)。510%乙醇水溶液:用量筒量取100mL乙醇于1L容量瓶中,加去离子水至刻度线,摇匀。A.2.5
花生油。
材料及设备
滤纸。
铝箔。
50℃水浴。
纸夹或回形针。
250mL广瓶。
1L容量瓶
天平,最小分度值为0.0001g。
量简。
A.4操作步骤
称取质量约1g的单丝放在一张滤纸上,使单丝全部包在滤纸里,将滤纸包裹放在一片铝箔上,A.4.1
铝箔需足够大,以便完全包裹样品。用纸夹或回形针夹住铝箔,以防松开。广口瓶中倒入A.2.3试剂约20mL,将铝箔包裹放入广口瓶中,盖好盖子。「瓶里可以同时放入多个样品,样品需悬浮在溶剂里,将口瓶放入50℃水浴中保持5h。取出「瓶,移出铝箔,依次打开铝箔、滤纸,将滤纸自然风干,目测滤纸有无颜色迁移。
A.4.2改用A.2.5试剂重复操作步骤。3改用A.2.6试剂重复操作步骤。A.4.3
A.5测试结果
记录滤纸上有无颜色迁移。
B.1原理
附录B
(规范性附录)
脱色测试2
QB/T4542-2013
单丝分别浸于醋酸、酒精中,恒温一·定时间后,用紫外可见光分光光度计在可见光谱350nm至750nm波长范围内定量分析迁移出的颜料或染料:溶剂中任何污渍或沉淀物都会对测量有干扰。B.2试剂
B.2.1去离子水。
B.2.2醋酸:分析纯。
B.2.33%醋酸水溶液:称取30g醋酸,用去离子水移入1L容量瓶中至刻度线,摇匀。B.2.4乙醇:分析纯(不含干扰杂质)。B.2.5
10%乙醇水溶液:用量筒量取100mL乙醇于1L容量瓶中,加去离子水至刻度线,摇匀。B.3材料及设备
紫外可见光分光光度计。
B.3.21cm比色皿。
B.3.3天平,最小分度值为0.0001g:B.3.425mL具塞试管。
B.3.51L容量瓶。
B.3.6量筒。
B.4操作步骤
称取质量为2g单丝,放入B.3.4试管中,加入3%醋酸溶液20mL作为浸泡液,并放入(40土B.4.1
1)℃水浴中1h后,从水浴中取出,轻轻倒出残液于十净的试管中(注意勿将单丝倒出),加盖。静止残液至室温(至少1h),确保残液中固体沉淀。B.4.2以10%乙醇溶液20mL作为浸泡液,重复述操作步骤B.5分光光度计
B.5.1扫描波长:750nm~350nm,步长:0.05nm。B.5.2输出值:“ABS”。
B.5.3光束:复色光。
B.6样品分析
B.6.1空白样扫描:放置含有空白样的1cm比色血于样品测试区,测试扫描。B.6.2移去空白样,用B.4.1或B.4.2配制的浸泡液清洗比色皿,然后倒入样品,将比色Ⅲ放入样品测试区,测试扫描。
QB/T45422013
测试结果
两次空白样扫描结果,基线偏差不应超过土0.01,若样品扫描吸收峰值从750nm至350nm范围内,峰值超过0.02,则表明有颜色迁移。o
QB/T4542-2013
中华人民共和国
轻工行业标准
牙刷用聚酰胺丝
QB/T4542-2013
中国轻工业出版社出版发行
地址:北京东长安街6号
邮政编码:100740
发行电话:(010)65241695免费标准下载网bzxz
网址:http://www.chlip.com.cnEmail: club@chilip.com.cn
轻1:业标准化编辑出版委员会编辑地址:北京西城区下斜街29号
邮政编码:100053
电话:(010)68049923/24/25
版权所有侵权必究
书号:155019·4135
印数:1200册
定价:20.00元
小提示:此标准内容仅展示完整标准里的部分截取内容,若需要完整标准请到上方自行免费下载完整标准文档。
标准图片预览:





- 其它标准
- 热门标准
- 其他行业标准
- FZ/T72006-2017 割圈法针织人造毛皮
- QB/T2289.4-2012 园艺工具 剪枝剪
- FZ/T13028-2013 聚苯硫醚纤维(中长型)本色布
- JB/T8974-2011 TAW系列增安型无刷励磁同步电动机技术条件
- CECS:7094 建筑安装工程金属熔化焊焊缝射线照相检测标准CECS70:94
- HG/T4544-2013 对苯二酚生产废液回收再利用生产碳酸锰的方法
- JB/T11127-2010 印刷机械 光敏光聚合型直接制版冲版机
- QB/T4639-2014 δ-十二内酯
- FZ/T74006-2017 自行车骑行服
- YS/T661-2016 电池级氟化锂
- YB/T190.12-2014 连铸保护渣 三氧化二硼含量的测定 电感耦合等离子体原子发射光谱法
- QX/T546-2020 空间高能粒子辐射效应术语
- FZ/T95021-2014 热定形机导轨
- CAS166-2008 家用深冷冷藏冷冻箱(附英文版)
- NB/T31048.4-2014 风力发电机用绕组线 第4部分 玻璃丝包薄膜绕包铜扁线
- 行业新闻
请牢记:“bzxz.net”即是“标准下载”四个汉字汉语拼音首字母与国际顶级域名“.net”的组合。 ©2025 标准下载网 www.bzxz.net 本站邮件:bzxznet@163.com
网站备案号:湘ICP备2025141790号-2
网站备案号:湘ICP备2025141790号-2