- 您的位置:
- 标准下载网 >>
- 标准分类 >>
- 其他行业标准 >>
- FZ/T 12044-2014精梳棉涤纶低弹丝包芯本色纱
标准号:
FZ/T 12044-2014
标准名称:
精梳棉涤纶低弹丝包芯本色纱
标准类别:
其他行业标准
英文名称:
Combed cotton/polyester(DTY) core-spun yarn标准状态:
现行-
发布日期:
2014-05-06 -
实施日期:
2014-10-01 出版语种:
简体中文下载格式:
.pdf .zip
点击下载
标准简介:
本标准规定了精梳棉与涤纶低弹丝包芯本色纱产品分类、标记、要求、试验方法、检验规则和标志、包装。
本标准适用于采用50 dtex~111 dtex涤纶低弹丝的环锭纺精梳棉涤纶低弹丝包芯本色纱。
本标准按照GB/T1.1—2009给出的规则起草。
本标准由中国纺织工业联合会提出。
本标准由全国纺织品标准化技术委员会棉纺织印染分技术委员会(SAC/TC209/SC2)归口。
本标准起草单位:浙江春江轻纺集团有限责任公司、昌邑市杨金华纺织有限公司、江苏伊思达纺织有限公司、福建省长乐市华源纺织有限公司、中国棉纺织行业协会、上海市纺织工业技术监督所。
本标准主要起草人:陈乃英、章水龙、杨金华、恽中方、陈宗立、叶戬春、王憬义。
部分标准内容:
ICS59.080.20
中华人民共和国纺织行业标准
FZ/T12044—2014
精梳棉涤纶低弹丝包芯本色纱
Combed cotton/polyester(DTY) core-spun yarn2014-05-06发布
电话话41
甜源房竞真伪
中华人民共和国工业和信息化部2014-10-01实施
本标准按照GB/T1.1一2009给出的规则起草。本标准由中国纺织工业联合会提出。FZ/T12044—2014
本标准由全国纺织品标准化技术委员会棉纺织印染分技术委员会(SAC/TC209/SC2)归口。本标准起草单位:浙江春江轻纺集团有限责任公司、昌邑市杨金华纺织有限公司、江苏伊思达纺织有限公司、福建省长乐市华源纺织有限公司、中国棉纺织行业协会、上海市纺织工业技术监督所。本标准主要起草人:陈乃英、章水龙、杨金华、辉中方、陈宗立、叶戳春、王憬义I
1范围
精梳棉涤纶低弹丝包芯本色纱
FZ/T12044—2014
本标准规定了精梳棉与涤纶低弹丝包芯本色纱产品分类、标记、要求、试验方法、检验规则和标志、包装。
本标准适用于采用50dtex111dtex涤纶低弹丝的环锭纺精梳棉涤纶低弹丝包芯本色纱。2规范性引用文件
下列文件对于本文件的应用是必不可少的。凡是注日期的引用文件,仅注日期的版本适用于本文件。凡是不注日期的引用文件,其最新版本(包括所有的修改单)适用于本文件。GB/T398—2008棉本色纱线
GB/T2910.11纺织品定量化学分析第11部分:纤维素纤维与聚酯纤维的混合物(硫酸法)GB/T3292.1纺织品纱线条干不匀试验方法第1部分:电容法GB/T3916纺织品卷装纱单根纱线断裂强力和断裂伸长率的测定GB/T4743一2009纺织品卷装纱绞纱法线密度的测定FZ/T01050
纺织品纱线疵点的分级与检验方法电容式纺织品纤维含量的测定物理法
FZ/T01101
棉及化纤纯纺、混纺本色纱线检验规则FZ/T10007
FZ/T10008棉及化纤纯纺、混纺本色纱线标志与包装3产品分类、标记
3.1精梳棉涤纶低弹丝包芯本色纱以混纺比及线密度分类。3.2原料代号棉为C,涤纶低弹丝为TDTY。3.3产品纤维含量以公定质量比表示,棉混用比例在50%及以上,混纺比以棉含量/涤纶含量表示,棉混用比例在50%以下,混纺比以涤纶含量/棉含量表示。3.4在线密度前标明纱线的生产工艺过程代号、原料代号,产品混纺比、线密度。线密度后应标注芯丝规格。
示例:精梳棉涤纶低弹丝包芯本色纱其线密度为14.8tex;涤纶低弹丝50dtex;含量为棉含量64%,涤纶36%。应写为:JC/Tpry64/3614.8(50dtex)tex。4要求
4.1项目
精梳棉涤纶低弹丝包芯本色纱技术要求包括单纱断裂强力变异系数、线密度变异系数、单纱断裂强度、线密度偏差率、条干均匀度变异系数、千米棉结、十万米纱疵、纤维含量偏差八项指标。4.2
2产品分等
4.2.1同一原料、同一工艺连续生产的同一规格的产品作为一个或若干检验批。按规定的各项试验方FZ/T12044—2014
法进行试验,并按其结果评定精梳棉涤纶低弹丝包芯本色纱的品等。4.2.2产品质量等级分为优等品、一等品、二等品,低于二等品为等外品。4.2.3精梳棉涤纶低弹丝包芯本色纱质量等级根据产品规格,以考核项目中最低一项进行评等。4.3技术要求
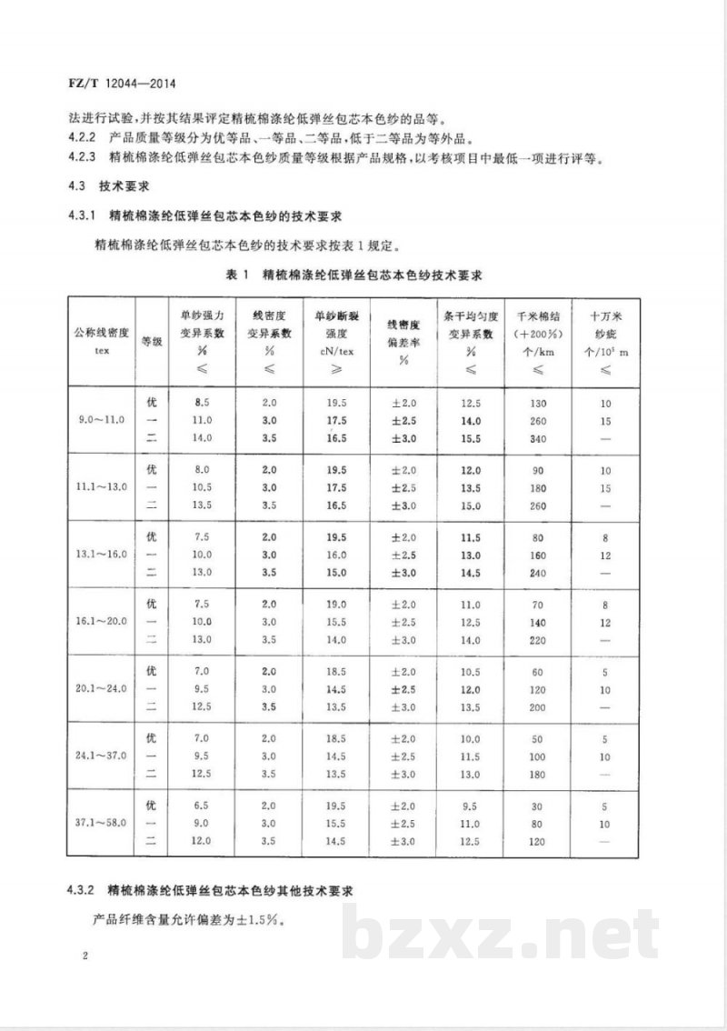
精梳棉涤纶低弹丝包芯本色纱的技术要求精梳棉涤纶低弹丝包芯本色纱的技术要求按表1规定。表1wwW.bzxz.Net
单纱强力
公称线密度
11.1~13.0
13.1~16.0
16.1~20.0
20.1~24.0
24.1~37.0
37.1~58.0
变异系数
精梳棉涤纶低弹丝包芯本色纱技术要求线密度
变异系数
单纱断裂
cN/tex
精梳棉涤纶低弹丝包芯本色纱其他技术要求产品纤维含量允许偏差为土1.5%。2
线密度
偏差率
条干均匀度
变异系数
千米棉结
(+200%)
个/km
十万米
个/105m
5试验方法
5.1试验条件
各项试验应在各方法标准规定的条件下进行。5.2取样规定
从检验批中随机抽取20个筒子,各项目所需样品数量及试验次数按表2规定。FZ/T12044—2014
表2精梳棉涤纶低弹丝包芯本色纱各项目样品数量及试验次数的规定项
线密度变异系数、线密度偏差率断裂强度、断裂强力变异系数
条干均匀度变异系数、千米棉结十万米纱瘫
纤维含量偏差
筒子数
注1:若检验批中的筒子数小于20个,则全部抽取作为样品。每筒试验次数
总次数
注2:线密度变异系数、线密度偏差率、单纱断裂强度、单纱断裂强力变异系数、条干均匀度变异系数可进行在线产品取样,具体取样规定参见附录A,但用户对产品质最有异议时,则以成品质量检验为准。5.3线密度变异系数、线密度偏差率试验摇取绞纱长度应按GB/T4743—2009规定执行,其中线密度变异系数采用程序1,线密度采用程序3。100m纱线标准质量和标准干燥质量按附录B计算,线密度偏差率将烘干后的绞纱折算至100m质量,并按式(1)计算:
D =m= md ×100%
式中:
线密度偏差率,%;
“100m”试样实测干燥质量,单位为克(g);m
“100m”试样标准干燥质量,单位为克(g)。md
5.4单纱断裂强度及单纱断裂强力变异系数试验按GB/T3916规定执行。
5.5条干均匀度变异系数、千米棉结(+200%)试验按GB/T3292.1规定执行。
5.6十万米纱疵试验
按FZ/T01050规定执行,十万米纱疵结果用A;+B3十Cs+D2之和表示。·(1)
FZ/T12044—2014
5.7纤维含量试验
按GB/T2910.11、FZ/T01101规定执行,纤维含量以公定质量比表示,如发生质量争议时,以化学分析方法测定的纤维含量为准。成包净重
按GB/T398--2008中5.9规定执行。5.9试验结果的表示
一批纱线的各种试验结果是由该种试验的全部试验值的计算结果表示,各种试验结果的计算精确度,除已规定者外,按表3规定执行。表3计算值的数值修约位数规定
单纱断裂强度/(cN/tex)
单纱断裂强力变异系数/%
线密度变异系数/%
线密度偏差率/%
条干均匀度变异系数/%
千米棉结(+200%)/(个/km)
十万米纱藏/(个/10°m)
百米质量(每批平均)/(g/100m)平均线密度/tex
折算质量用回潮率/%
检验规则
按FZ/T10007规定执行。
标志、包装
按FZ/T10008规定执行。
用户对本标准有特殊要求者,供需双方可另订协议。4
保留小数位数
A.1在线产品取样周期及卷装形式附录A
(资料性附录)
在线产品取样及试验
FZ/T12044-2014
A.1.1般两天取样试验一次,但周期一经确定,不得任意变更。十万米纱疵、纤维含量偏差试验周期可适当延长,但不得超过两周。A.1.2取样的卷装形式为管纱。
A.2在线产品取样数及试验次数
A.2.1各项试验应在各方法标准规定的条件下进行,如生产需要,可以在接近车间温湿度条件下进行,但试验地点的温湿度应稳定,并不得故意偏离标准条件。A.2.2在线产品取样数见表A.1。表A.1在线产品取样数
生产同一品种的开台数
每机台上采取管纱数
总管纱数
930及以上
A.2.3线密度变异系数、线密度偏差率试验,每份试样30个管纱,每管摇取1缕,总数为30次(开台数在5台及以下的产品,线密度变异系数、线密度偏差率试验可相应减少拔管数,拔取15个管纱,每管摇取2缕)。
A.2.4单纱断裂强度及单纱断裂强力变异系数试验,单纱每份试样30个管纱,每管测试2次,总数为60次(开台数在5台及以下者,可每份试样15个管纱,每管测试4次)。采用全自动纱线强力试验仪的取样数,取20个管纱,每管测5次,总数为100次。A.2.5条于均匀度变异系数需在各机台随机抽取10个管纱,试验次数为10次。FZ/T12044—2014
附录B
(规范性附录)
精梳棉涤纶低弹丝包芯本色纱百米质量的计算B.1精梳棉涤纶低弹丝包芯本色纱的公定回潮率可按干重混纺比例计算,见式(B.1);也可按公定质量混纺比例计算,见式(B.2)。计算结果修约至小数点后一位。其中涤纶公定回潮率为0.4%,棉公定回潮率为8.5%。
a)以干重混纺比例计算公定回潮率,以百分率表示:W_We×Ac+W+×Ar
b)以公定质量混纺比例计算公定回潮率,以百分率表示:BeWe
式中:
公定回潮率,%;
棉、涤纶公定回潮率,%;
棉、涤纶干燥质量混纺百分比例;一棉、涤纶公定质量混纺百分比例。Bc.B1
......(B.2)
B.2100m纱在公定回潮率时的标准质量(g)按式(B.3)计算,计算结果修约至小数点后三位。T,
式中:
100m纱在公定回潮率时的标准质量,单位为克(g);T:-纱公称线密度,单位为特克斯(tex)。B.3100m纱的标准干燥质量(g)按式(B.4)计算,计算结果修约至小数点后三位。T.
式中:
-100m纱标准干燥质量,单位为克(g);T:纱公称线密度,单位为特克斯(tex);公定回潮率,%。
·(B.4)
小提示:此标准内容仅展示完整标准里的部分截取内容,若需要完整标准请到上方自行免费下载完整标准文档。
中华人民共和国纺织行业标准
FZ/T12044—2014
精梳棉涤纶低弹丝包芯本色纱
Combed cotton/polyester(DTY) core-spun yarn2014-05-06发布
电话话41
甜源房竞真伪
中华人民共和国工业和信息化部2014-10-01实施
本标准按照GB/T1.1一2009给出的规则起草。本标准由中国纺织工业联合会提出。FZ/T12044—2014
本标准由全国纺织品标准化技术委员会棉纺织印染分技术委员会(SAC/TC209/SC2)归口。本标准起草单位:浙江春江轻纺集团有限责任公司、昌邑市杨金华纺织有限公司、江苏伊思达纺织有限公司、福建省长乐市华源纺织有限公司、中国棉纺织行业协会、上海市纺织工业技术监督所。本标准主要起草人:陈乃英、章水龙、杨金华、辉中方、陈宗立、叶戳春、王憬义I
1范围
精梳棉涤纶低弹丝包芯本色纱
FZ/T12044—2014
本标准规定了精梳棉与涤纶低弹丝包芯本色纱产品分类、标记、要求、试验方法、检验规则和标志、包装。
本标准适用于采用50dtex111dtex涤纶低弹丝的环锭纺精梳棉涤纶低弹丝包芯本色纱。2规范性引用文件
下列文件对于本文件的应用是必不可少的。凡是注日期的引用文件,仅注日期的版本适用于本文件。凡是不注日期的引用文件,其最新版本(包括所有的修改单)适用于本文件。GB/T398—2008棉本色纱线
GB/T2910.11纺织品定量化学分析第11部分:纤维素纤维与聚酯纤维的混合物(硫酸法)GB/T3292.1纺织品纱线条干不匀试验方法第1部分:电容法GB/T3916纺织品卷装纱单根纱线断裂强力和断裂伸长率的测定GB/T4743一2009纺织品卷装纱绞纱法线密度的测定FZ/T01050
纺织品纱线疵点的分级与检验方法电容式纺织品纤维含量的测定物理法
FZ/T01101
棉及化纤纯纺、混纺本色纱线检验规则FZ/T10007
FZ/T10008棉及化纤纯纺、混纺本色纱线标志与包装3产品分类、标记
3.1精梳棉涤纶低弹丝包芯本色纱以混纺比及线密度分类。3.2原料代号棉为C,涤纶低弹丝为TDTY。3.3产品纤维含量以公定质量比表示,棉混用比例在50%及以上,混纺比以棉含量/涤纶含量表示,棉混用比例在50%以下,混纺比以涤纶含量/棉含量表示。3.4在线密度前标明纱线的生产工艺过程代号、原料代号,产品混纺比、线密度。线密度后应标注芯丝规格。
示例:精梳棉涤纶低弹丝包芯本色纱其线密度为14.8tex;涤纶低弹丝50dtex;含量为棉含量64%,涤纶36%。应写为:JC/Tpry64/3614.8(50dtex)tex。4要求
4.1项目
精梳棉涤纶低弹丝包芯本色纱技术要求包括单纱断裂强力变异系数、线密度变异系数、单纱断裂强度、线密度偏差率、条干均匀度变异系数、千米棉结、十万米纱疵、纤维含量偏差八项指标。4.2
2产品分等
4.2.1同一原料、同一工艺连续生产的同一规格的产品作为一个或若干检验批。按规定的各项试验方FZ/T12044—2014
法进行试验,并按其结果评定精梳棉涤纶低弹丝包芯本色纱的品等。4.2.2产品质量等级分为优等品、一等品、二等品,低于二等品为等外品。4.2.3精梳棉涤纶低弹丝包芯本色纱质量等级根据产品规格,以考核项目中最低一项进行评等。4.3技术要求
精梳棉涤纶低弹丝包芯本色纱的技术要求精梳棉涤纶低弹丝包芯本色纱的技术要求按表1规定。表1wwW.bzxz.Net
单纱强力
公称线密度
11.1~13.0
13.1~16.0
16.1~20.0
20.1~24.0
24.1~37.0
37.1~58.0
变异系数
精梳棉涤纶低弹丝包芯本色纱技术要求线密度
变异系数
单纱断裂
cN/tex
精梳棉涤纶低弹丝包芯本色纱其他技术要求产品纤维含量允许偏差为土1.5%。2
线密度
偏差率
条干均匀度
变异系数
千米棉结
(+200%)
个/km
十万米
个/105m
5试验方法
5.1试验条件
各项试验应在各方法标准规定的条件下进行。5.2取样规定
从检验批中随机抽取20个筒子,各项目所需样品数量及试验次数按表2规定。FZ/T12044—2014
表2精梳棉涤纶低弹丝包芯本色纱各项目样品数量及试验次数的规定项
线密度变异系数、线密度偏差率断裂强度、断裂强力变异系数
条干均匀度变异系数、千米棉结十万米纱瘫
纤维含量偏差
筒子数
注1:若检验批中的筒子数小于20个,则全部抽取作为样品。每筒试验次数
总次数
注2:线密度变异系数、线密度偏差率、单纱断裂强度、单纱断裂强力变异系数、条干均匀度变异系数可进行在线产品取样,具体取样规定参见附录A,但用户对产品质最有异议时,则以成品质量检验为准。5.3线密度变异系数、线密度偏差率试验摇取绞纱长度应按GB/T4743—2009规定执行,其中线密度变异系数采用程序1,线密度采用程序3。100m纱线标准质量和标准干燥质量按附录B计算,线密度偏差率将烘干后的绞纱折算至100m质量,并按式(1)计算:
D =m= md ×100%
式中:
线密度偏差率,%;
“100m”试样实测干燥质量,单位为克(g);m
“100m”试样标准干燥质量,单位为克(g)。md
5.4单纱断裂强度及单纱断裂强力变异系数试验按GB/T3916规定执行。
5.5条干均匀度变异系数、千米棉结(+200%)试验按GB/T3292.1规定执行。
5.6十万米纱疵试验
按FZ/T01050规定执行,十万米纱疵结果用A;+B3十Cs+D2之和表示。·(1)
FZ/T12044—2014
5.7纤维含量试验
按GB/T2910.11、FZ/T01101规定执行,纤维含量以公定质量比表示,如发生质量争议时,以化学分析方法测定的纤维含量为准。成包净重
按GB/T398--2008中5.9规定执行。5.9试验结果的表示
一批纱线的各种试验结果是由该种试验的全部试验值的计算结果表示,各种试验结果的计算精确度,除已规定者外,按表3规定执行。表3计算值的数值修约位数规定
单纱断裂强度/(cN/tex)
单纱断裂强力变异系数/%
线密度变异系数/%
线密度偏差率/%
条干均匀度变异系数/%
千米棉结(+200%)/(个/km)
十万米纱藏/(个/10°m)
百米质量(每批平均)/(g/100m)平均线密度/tex
折算质量用回潮率/%
检验规则
按FZ/T10007规定执行。
标志、包装
按FZ/T10008规定执行。
用户对本标准有特殊要求者,供需双方可另订协议。4
保留小数位数
A.1在线产品取样周期及卷装形式附录A
(资料性附录)
在线产品取样及试验
FZ/T12044-2014
A.1.1般两天取样试验一次,但周期一经确定,不得任意变更。十万米纱疵、纤维含量偏差试验周期可适当延长,但不得超过两周。A.1.2取样的卷装形式为管纱。
A.2在线产品取样数及试验次数
A.2.1各项试验应在各方法标准规定的条件下进行,如生产需要,可以在接近车间温湿度条件下进行,但试验地点的温湿度应稳定,并不得故意偏离标准条件。A.2.2在线产品取样数见表A.1。表A.1在线产品取样数
生产同一品种的开台数
每机台上采取管纱数
总管纱数
930及以上
A.2.3线密度变异系数、线密度偏差率试验,每份试样30个管纱,每管摇取1缕,总数为30次(开台数在5台及以下的产品,线密度变异系数、线密度偏差率试验可相应减少拔管数,拔取15个管纱,每管摇取2缕)。
A.2.4单纱断裂强度及单纱断裂强力变异系数试验,单纱每份试样30个管纱,每管测试2次,总数为60次(开台数在5台及以下者,可每份试样15个管纱,每管测试4次)。采用全自动纱线强力试验仪的取样数,取20个管纱,每管测5次,总数为100次。A.2.5条于均匀度变异系数需在各机台随机抽取10个管纱,试验次数为10次。FZ/T12044—2014
附录B
(规范性附录)
精梳棉涤纶低弹丝包芯本色纱百米质量的计算B.1精梳棉涤纶低弹丝包芯本色纱的公定回潮率可按干重混纺比例计算,见式(B.1);也可按公定质量混纺比例计算,见式(B.2)。计算结果修约至小数点后一位。其中涤纶公定回潮率为0.4%,棉公定回潮率为8.5%。
a)以干重混纺比例计算公定回潮率,以百分率表示:W_We×Ac+W+×Ar
b)以公定质量混纺比例计算公定回潮率,以百分率表示:BeWe
式中:
公定回潮率,%;
棉、涤纶公定回潮率,%;
棉、涤纶干燥质量混纺百分比例;一棉、涤纶公定质量混纺百分比例。Bc.B1
......(B.2)
B.2100m纱在公定回潮率时的标准质量(g)按式(B.3)计算,计算结果修约至小数点后三位。T,
式中:
100m纱在公定回潮率时的标准质量,单位为克(g);T:-纱公称线密度,单位为特克斯(tex)。B.3100m纱的标准干燥质量(g)按式(B.4)计算,计算结果修约至小数点后三位。T.
式中:
-100m纱标准干燥质量,单位为克(g);T:纱公称线密度,单位为特克斯(tex);公定回潮率,%。
·(B.4)
小提示:此标准内容仅展示完整标准里的部分截取内容,若需要完整标准请到上方自行免费下载完整标准文档。
标准图片预览:





- 其它标准
- 热门标准
- 其他行业标准
- DGJ32J16-2014 住宅工程质量通病控制标准
- JB/T8974-2011 TAW系列增安型无刷励磁同步电动机技术条件
- QB/T2164-2013 家用和类似用途风扇型PTCR发热器
- JB/T11127-2010 印刷机械 光敏光聚合型直接制版冲版机
- JB/T9986-2013 工具热处理金相检验
- QB/T4639-2014 δ-十二内酯
- YB/T190.12-2014 连铸保护渣 三氧化二硼含量的测定 电感耦合等离子体原子发射光谱法
- YS/T832-2012 丁辛醇废催化剂化学分析方法 铑量的测定 电感耦合等离子体原子发射光谱法
- CECS:7094 建筑安装工程金属熔化焊焊缝射线照相检测标准CECS70:94
- TB/T2689.4-2018 铁路货物集装化运输 第4部分:一次性集装箱液体集装袋
- QB/T4549-2013 滑板鞋
- JB/T12150-2015 家用和类似用途电容性负载的电源开关
- QB/T1207.8-2011 二胡
- QX/T221-2013 气象计量实验室建设技术要求二等标准实验室
- FZ/T81004-2012 连衣裙、裙套
- 行业新闻
请牢记:“bzxz.net”即是“标准下载”四个汉字汉语拼音首字母与国际顶级域名“.net”的组合。 ©2025 标准下载网 www.bzxz.net 本站邮件:bzxznet@163.com
网站备案号:湘ICP备2025141790号-2
网站备案号:湘ICP备2025141790号-2