- 您的位置:
- 标准下载网 >>
- 标准分类 >>
- 其他行业标准 >>
- YS/T 231-2015钨精矿
标准号:
YS/T 231-2015
标准名称:
钨精矿
标准类别:
其他行业标准
英文名称:
Tungsten concentrate标准状态:
现行-
发布日期:
2015-04-30 -
实施日期:
2015-10-01 出版语种:
简体中文下载格式:
.pdf .zip
替代情况:
替代YS/T 231-2007
起草人:
叶春生、杨新华、谢盛德、姜文伟、张碧兰、唐德胜、谢世勇、刘鸿、潘建忠、张树标、黎英、温智敏、李春海、田永红起草单位:
赣州有色冶金研究所、郴州钻石钨制品有限公司、湖南柿竹园有色金属有限责任公司、洛阳栾川钼业集团股份有限公司归口单位:
全国有色金属标准化技术委员会(SAC/TC 243)提出单位:
全国有色金属标准化技术委员会(SAC/TC 243)发布部门:
中华人民共和国工业和信息化部主管部门:
全国有色金属标准化技术委员会(SAC/TC 243)相关标签:
精矿
点击下载
标准简介:
本标准规定了钨精矿的要求、试验方法、检验规则及标志、包装、运输、贮存以及质量证明书和订货单(或合同)内容。
本标准适用于经选矿所得钨精矿产品,供生产仲钨酸铵、钨酸、偏钨酸铵、氧化钨等使用。
本标准按照GB/T1.1—2009给出的规则起草。
本标准代替YS/T231—2007《钨精矿》。
本标准与YS/T231—2007相比主要变化如下:
———对化学成分做了相应的调整;
———对试验方法和检验规则做了修订。
本标准由全国有色金属标准化技术委员会(SAC/TC243)提出并归口。
本标准起草单位:赣州有色冶金研究所、郴州钻石钨制品有限公司、湖南柿竹园有色金属有限责任公司、洛阳栾川钼业集团股份有限公司。
本标准主要起草人:叶春生、杨新华、谢盛德、姜文伟、张碧兰、唐德胜、谢世勇、刘鸿、潘建忠、张树标、黎英、温智敏、李春海、田永红。
本标准所代替标准的历次版本发布情况为:
———YB504—65、GB2825—1981;
———YS/T231—1994、YS/T231—2007。
下列文件对于本文件的应用是必不可少的。凡是注日期的引用文件,仅注日期的版本适用于本文件。凡是不注日期的引用文件,其最新版本(包括所有的修改单)适用于本文件。
GB/T1480 金属粉末 干筛分法测定粒度
GB/T4414 包装钨精矿取样、制样方法
GB/T6150(所有部分) 钨精矿化学分析方法
GB/T26019 高杂质钨矿化学分析方法 三氧化钨量的测定 二次分离灼烧重量法
部分标准内容:
中华人民共和国有色金属行业标准YS/T231-2015
代替YS/T231—2007
钨精矿
Tungstenconcentrate
2015-04-30发布
中华人民共和国工业和信息化部发布
2015-10-01实施
中华人民共和国有色金属
行业标
YS/T231—2015
中国标准出版社出版发行
北京市朝阳区和平里西街甲2号(100029)北京市西城区三里河北街16号(100045)网址www.spc.net.cn
总编室:(010)68533533
发行中心:(010)51780238
读者服务部:(010)68523946
中国标准出版社秦皇岛印刷厂印刷各地新华书店经销
开本880×12301/16
2015年9月第一版
印张0.5字数10千字
2015年9月第一次印刷
书号:155066·2-28974定价
如有印装差错由本社发行中心调换版权专有侵权必究
举报电话:(010)68510107
本标准按照GB/T1.1一2009给出的规则起草。本标准代替YS/T231—2007《钨精矿》。本标准与YS/T231一2007相比主要变化如下:对化学成分做了相应的调整;
对试验方法和检验规则做了修订。本标准由全国有色金属标准化技术委员会(SAC/TC243)提出并归口。YS/T231—2015
本标准起草单位:赣州有色冶金研究所、郴州钻石钨制品有限公司、湖南柿竹园有色金属有限责任公司、洛阳栾川钼业集团股份有限公司。本标准主要起草人:叶春生、杨新华、谢盛德、姜文伟、张碧兰、唐德胜、谢世勇、刘鸿、潘建忠张树标、黎英、温智敏、李春海、田永红。本标准所代替标准的历次版本发布情况为:YB504—65、GB2825—1981;
—YS/T231—1994、YS/T231—2007。I
1范围
钨精矿
YS/T231-2015
本标准规定了钨精矿的要求、试验方法、检验规则及标志、包装、运输、贮存以及质量证明书和订货单(或合同)内容。
本标准适用于经选矿所得钨精矿产品,供生产仲钨酸铵、钨酸、偏钨酸铵、氧化钨等使用。2规范性引用文件
下列文件对于本文件的应用是必不可少的。凡是注日期的引用文件,仅注日期的版本适用于本文件。凡是不注日期的引用文件,其最新版本(包括所有的修改单)适用于本文件。GB/T1480金属粉末干筛分法测定粒度GB/T4414包装钨精矿取样、制样方法GB/T6150(所有部分)钨精矿化学分析方法GB/T26019高杂质钨矿化学分析方法三氧化钨量的测定二次分离灼烧重量法3要求
3.1产品分类
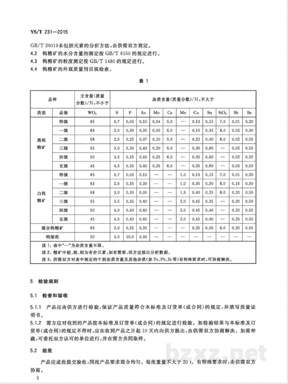
钨精矿按矿物类型分为黑钨和白钨两种;按化学成分划分为特级、一级、二级、三级、四级、五级、混合钨精矿和钨细泥,共计14个品种。混合钨精矿是指黑钨、白钨没有严格分离的钨精矿。钨细泥是指粒度小于0.074mm[WO:含量(质量分数为20%~40%]、杂质含量较高的钨矿产品。3.2化学成分
钨精矿的化学成分应符合表1的规定。钨精矿品位以干矿计算。3.3水分
黑钨精矿中水分含量应不大于2.0%;白钨精矿中水分含量应不大于3.0%。3.4粒度
钨精矿的粒度应不大于9mm(不包括钨细泥的粒度)。用户对粒度有特殊需要,可由供需双方协商。
3.5外观质量
钨精矿中不得混入外来杂物。
4试验方法
钨精矿的化学成分分析方法按GB/T6150或GB/T26019的规定进行,GB/T6150和4.1
YS/T231—2015
GB/T26019未包括元素的分析方法,由供需双方商定。钨精矿的水分含量的测定按GB/T6150的规定进行。4.2
钨精矿的粒度测定按GB/T1480的规定进行。钨精矿的外观质量用目视检查。4.4
混合钨精矿
钨细泥
主含量(质量
分数)/%,不小于
注1:表中“二”为杂质含量不限。S
杂质含量(质量分数)/%,不大于Mo
注2:精矿中钼、锯、钼为有价元素,如有需要,供方应报出分析数据。Mn
注3:供需双方对表中规定的个别杂质含量及其他杂质(如Fe、Pb、Bi等)有特殊要求时,可协商解决5bZxz.net
检验规则
检查和验收
产品应由供方进行检验,保证产品质量符合本标准及订货单(或合同)的规定,并填写质量证明书。
需方应对收到的产品按本标准及订货单(或合同)的规定进行检验。如检验结果与本标准及订5.1.2
货单(或合同)的规定不符时,应在收到产品之日起10天内向供方提出,由供需双方协商解决。如需仲裁,可委托双方认可的单位进行,并在需方共同取样。5.2
产品应成批提交验收,同批产品要求混合均匀。每批重量不大于20t。有特殊要求时,由供需双方协商。
3检验项目
每批产品应进行化学成分、水分含量、粒度及外观质量检验。5.4取样
产品的取样、制样按GB/T4414的规定进行。5检验结果的判定
YS/T231—2015
5.5.1产品的化学成分中某一个元素不合格时,则取双倍试样进行该元素的重复试验,重复试验结果全部合格,则判定整批产品合格。若重复试验结果仍有一个不合格,则判定该批产品不合格。5.5.2产品的水分含量不合格时,则取双倍试样进行水分含量的重复试验,重复试验结果全部合格,则判定整批产品合格。若重复试验结果仍有一个不合格,则判定该批产品不合格。5.5.3产品的粒度不合格时,该批产品为不合格。5.5.4
产品的外观质量不合格时,该批产品为不合格。6标志、包装、运输、存和质量证明书6.1标志
钨精矿袋上应标明:
供方名称;
b)产品名称(精矿类型、品级);c)净重;
d)批号。
包装、运输和贮存
钨精矿用双层袋包装,袋口应封严。包装材料由供需双方协商。每袋产品净重为50kg或1000kg。
运输时严防受潮。产品应存放在干燥处,不得露天放置,并防止产品包装损坏。6.3
质量证明书
每批产品应附有质量证明书,其上注明:供方名称;
b)产品名称;
e)批号;
d)品种;
件数和净重;
分析检验结果和技术监督部门印记;本标准编号;
出厂日期。
7订货单(或合同)内容
本标准所列产品的订货单(或合同)应包括下列内容:YS/T231—2015
产品名称;
品种;
杂质含量的特殊要求;
件数和净重;
本标准编号;
其他。
YS/T231-2015
版权专有侵权必究
书号:155066·2-28974
定价:
小提示:此标准内容仅展示完整标准里的部分截取内容,若需要完整标准请到上方自行免费下载完整标准文档。
标准图片预览:





- 其它标准
- 上一篇: YS/T 947-2013有色金属选矿回收伴生钼精矿
- 下一篇: 没有更多了
- 热门标准
- 其他行业标准
- QJMS0005S-2016 焦作市米奇食品饮料有限公司 果汁饮料
- YS/T254.7-2011 铍精矿、绿柱石化学分析方法 第7部分:水分量的测定 重量法
- YS/T1105-2016 半导体封装用键合银丝
- YS/T824-2012 钛合金用铝锡中间合金
- FZ/T64060-2016 双轴向经编针织粘合衬
- QMYJHZ0001-2016 建宏中天(北京)农业科技有限公司 混合果粒
- QB/T2025-2013 平版印铁油墨
- Q/GDW1876—2013 多功能测控装置技术规范
- YS/T358.1-2011 钽铁、铌铁精矿化学分析方法 第1部分:钽、铌量的测定 纸上色层重量法
- FZ/T64041-2014 熔喷纤网非织造粘合衬
- 沪S/T306-2000 上海市建筑产品推荐性通用图集 44 SHF管道吊挂系统安装图
- 04SG309 钢筋焊接网混凝土楼板与剪力墙构造
- GJB845.2-1991 潜艇核动力装置质量保证安全规定质量保证大纲的制定
- CB/T4190-2011 伸缩型舷梯
- FZ/T93106-2019 上销
- 行业新闻
网站备案号:湘ICP备2025141790号-2