- 您的位置:
- 标准下载网 >>
- 标准分类 >>
- 其他行业标准 >>
- FZ/T 93046-2018棉精梳机
标准号:
FZ/T 93046-2018
标准名称:
棉精梳机
标准类别:
其他行业标准
英文名称:
Comber for cotton标准状态:
现行-
发布日期:
2018-10-22 -
实施日期:
2019-04-01 出版语种:
简体中文下载格式:
.pdf .zip
标准ICS号:
纺织和皮革技术>>纺织机械>>59.120.10纺纱、加捻和卷曲变形机械中标分类号:
纺织>>纺织机械与器具>>W93纺部机械与器具
替代情况:
替代FZ/T 93046-2009
起草人:
张海智、沈玉兰、张立彬、马聪、张立新、卢航远、彭宝瑛起草单位:
经纬纺织机械股份有限公司榆次分公司、国家纺织机械质量监督检验中心、江苏凯宫机械股份有限公司、太平洋机电集团(上海)科技有限公司、山西贝斯特机械制造有限公司、陕西宝成航空精密制造股份有限公司归口单位:
全国纺织机械与附件标准化技术委员会纺纱、染整机械分技术委员会(SAC/TC 215/SC 1)提出单位:
中国纺织工业联合会发布部门:
工业和信息化部相关标签:
精梳机

部分标准内容:
ICS59.120.10
中华人民共和国纺织行业标准
FZ/T93046—2018
代替FZ/T93046—2009
Comberforcotton
2018-10-22发布
中华人民共和国工业和信息化部发布
2019-04-01实施
本标准按照GB/T1.1一2009给出的规则起草。FZ/T93046-2018
本标准代替FZ/T93046—2009《棉精梳机》。与FZ/T93046—2009相比主要技术变化如下:增加了引用文件FZ/T93096《棉精梳机钳板》和GB/T17780.2《纺织机械安全要求第2部分:纺纱准备和纺纱机械》;重新规定了棉精梳机的类别并调整了基本参数(见3.1和表1);规范了棉精梳机钳板要求及检验方法(见4.1.5、5.1.1);提高了噪声、功率消耗测试速度(见表2、表3);提高精条的条干均匀度变异系数(见4.7.2);提高了精梳条重量内不匀率(见4.7.4);增加安全防护要求(见4.8);
删除附录A(见2009年版的4.8)。请注意本文件的某些内容可能涉及专利。本文件的发布机构不承担识别这些专利的责任。本标准由中国纺织工业联合会提出。本标准由全国纺织机械与附件标准化技术委员会纺纱、染整机械分技术委员会(SAC/TC215/SC1)归口。
本标准起草单位:经纬纺织机械股份有限公司榆次分公司、国家纺织机械质量监督检验中心、江苏凯宫机械股份有限公司、太平洋机电集团(上海)科技有限公司、山西贝斯特机械制造有限公司、陕西宝成航空精密制造股份有限公司。本标准主要起草人:张海智、沈玉兰、张立彬、马聪、张立新、卢航远、彭宝瑛。本标准所代替标准的历次版本发布情况为:-FJ/JQ38—1984;
FJ/JQ66-1986;
—FZ/T93046—1997、FZ/T93046-2009。I
1范围
棉精梳机
FZ/T93046—2018
本标准规定了棉精梳机的分类与基本参数、要求、试验方法、检验规则、标志及包装、运输、贮存。本标准适用于棉精梳工序的精梳机。2
规范性引用文件
下列文件对于本文件的应用是必不可少的。凡是注日期的引用文件,仅注日期的版本适用于本文件。凡是不注目期的引用文件,其最新版本(包括所有的修改单适用于本文件。GB/T191包装储运图示标志
GB2894安全标志及其使用导则
GB5226.1一2008机械电气安全机械电气设备第1部分:通用技术条件GB/T6003.1一2012试验筛技术要求和检验第1部分:金属丝编织网试验筛GB/T7111.2纺织机械噪声测试规范第2部分:纺前准备和纺部机械GB/T17780.2一2012纺织机械安全要求第2部分:纺纱准备和纺纱机械
FZ/T90001纺织机械产品包装
FZ/T90074纺织机械产品涂装
FZ/T90089.1
FZ/T90089.2
纺织机械铭牌型式、尺寸及技术要求纺织机械铭牌内容
FZ/T90110—2013纺织机械通用项目质量检验规范FZ/T92070
FZ/T92071
FZ/T92077
FZ/T93051
FZ/T93096
棉精梳机锡林
棉精梳机分离辊
棉精梳机顶梳
纺纱准备和纺纱机械
发上罗拉包覆物用胶管
棉精梳机钳板
JB/T5967—2007
JB/T7929—1999
3分类与基本参数
3.1分类
气动件及系统用空气介质质量等级齿轮传动装置清洁度
按设计速度(钳次/分)分:普通型、高速型。2基本参数
见表1。
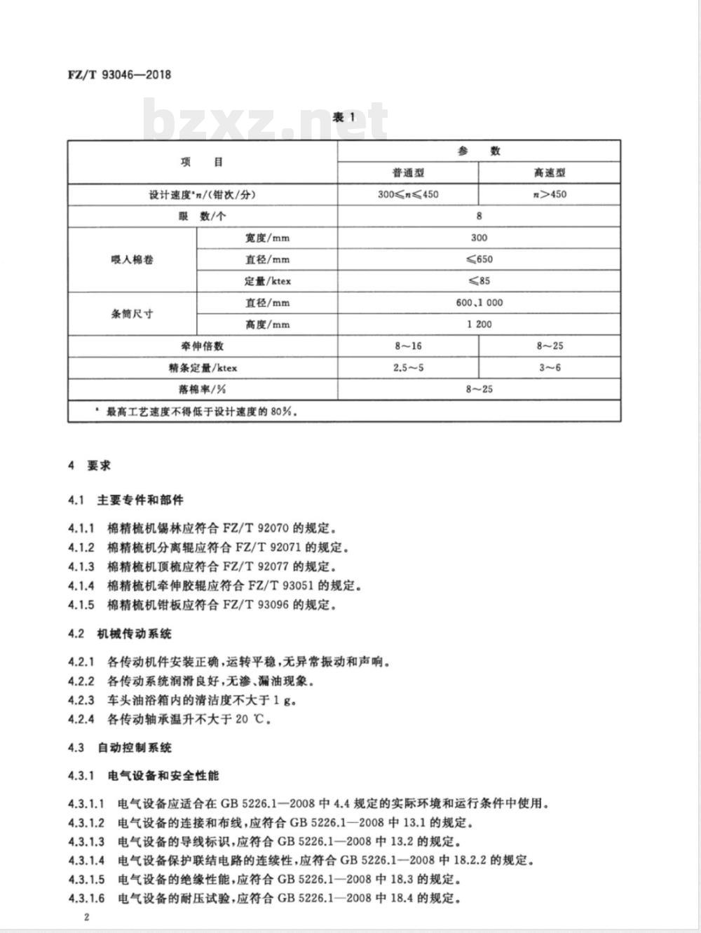
FZ/T93046—2018
设计速度*n/(钳次/分)
喂人棉卷
条筒尺寸
数/个
宽度/mm
直径/mm
定量/ktex
直径/mm
高度/mm
牵伸倍数
精条定量/ktex
落棉率/%
最高工艺速度不得低于设计速度的80%。4
主要专件和部件
棉精梳机锡林应符合FZ/T92070的规定。棉精梳机分离辊应符合FZ/T92071的规定。棉精梳机顶梳应符合FZ/T92077的规定。棉精梳机牵伸胶辊应符合FZ/T93051的规定。棉精梳机钳板应符合FZ/T93096的规定。机械传动系统
普通型
300n450
各传动机件安装正确,运转平稳,无异常振动和声响。各传动系统润滑良好,无渗、漏油现象。车头油浴箱内的清洁度不大于1g。各传动轴承温升不大于20℃。Www.bzxZ.net
自动控制系统
电气设备和安全性能
≤650
600、1000
高速型
电气设备应适合在GB5226.1一2008中4.4规定的实际环境和运行条件中使用。电气设备的连接和布线,应符合GB5226.1一2008中13.1的规定。电气设备的导线标识,应符合GB5226.1一2008中13.2的规定。电气设备保护联结电路的连续性,应符合GB5226.1一2008中18.2.2的规定。电气设备的绝缘性能,应符合GB5226.1一2008中18.3的规定。电气设备的耐压试验,应符合GB5226.1一2008中18.4的规定。4.3.1.7
FZ/T93046—2018
人机界面应操作便捷、反应及时、显示正确;驱动系统控制应可靠、动作准确。气动控制
气路畅通,不漏气。
气动元件动作准确、可靠。
空车运转全机噪声(发射声压级)应符合表2的规定。表2
测试速度/(钳次/分)
噪声/dB(A)
功率消耗
普通型
空车运转主电机输入功率应符合表3的规定。表3
测试速度/(钳次/分)
主电机输人功率/kW
外观及表面质量
过棉及吸落棉通道表面光滑,不挂纤维。防护罩壳封闭良好。
产品涂装应符合FZ/T90074的规定。工艺质量
圈条成形良好,无粘连现象。
精条的条干均匀度变异系数CV<3.5%。普通型
落棉含短绒率(短绒长度≤16mm)≥65%。精梳条重量内不匀率≤0.9%。
安全防护
全机防护罩安装位置准确,牢固可靠。高速型
高速型
全机的安全防护措施和警示标志应符合GB/T17780.2一2012中5.7.6的规定。试验方法
检验方法
主要专件和部件(4.1)按各自相应的标准检测。3
FZ/T93046—2018
5.1.2车头油浴箱内清洁度(4.2.3)的测试方法,按JB/T7929一1999第3章的规定。测试清洁度用的过滤网,按GB/T6003.1一2012标准选用网孔基本尺寸为100μm、金属丝直径为71μm的滤网。5.1.3轴承温升(4.2.4)按FZ/T90110—2013中3.4的方法用接触式温度计检验。5.1.4电气设备的连接和布线(4.3.1.2),检查接线是否牢固;两端子之间的导线和电缆是否有接头和拼接点;电缆和电缆束的附加长度是否满足连接和拆卸的需要。5.1.5电气设备导线的标识(4.3.1.3),检查导线的每个端部是否有标记;如果用颜色作导线标记时,应符合标准的相关规定。
5.1.6电气设备的保护联结电路连续性(4.3.1.4),按GB5226.1一2008中18.2.2的规定测试。5.1.7
电气设备的绝缘性能(4.3.1.5),用兆欧表测试。5.1.8
电气设备的耐压试验(4.3.1.6),用耐压测试仪测试。噪声(4.4)按GB/T7111.2的规定测试。5.1.9
功率消耗(4.5)用功率表测试。
过棉及吸落棉通道表面质量(4.6.1),用棉花擦拭,目测通道是否挂纤维。工艺质量(4.7.2~4.7.4),按FZ/T90110—2013中4.1.2.3c)的方法检验。其余项目感官检测。
空车运转试验
试验条件
试验速度:4.4、4.5分别按表2、表3的规定,其他项目按设计速度的80%。5.2.1.1
连续运转时间:2h。
钳板、锡林、顶梳、分离辊和牵伸胶辊不安装。5.2.2检验项目
见4.2、4.3~4.6、4.8。
工作负荷试验
5.3.1试验条件
5.3.1.1空车运转试验合格后进行。5.3.1.2各运转部件的配合、各加压值、隔距等工艺参数,均应按合理的精梳工艺方案配置,并加注规定的润滑油。
5.3.1.3通人气动系统的压缩空气(压力≥0.6MPa),应配置适宜的净化系统进行净化稳压处理,其质量应符合JB/T5967一2007标准中质量等级为435的要求。注:质量等级435的要求为空气介质中最大粒子尺寸为15μm、最大浓度为8mg/m、水蒸气的最高压力露点为一20℃、最大油含量为25mg/m。5.3.1.4集中吸风时,风量、风压应满足规定的要求。工作环境:温度22℃~30℃,相对湿度55%~65%。5.3.1.5
喂人半制品质量:
细绒配棉等级≤2.5,各唛头主体长度差异<2mm;生条短绒(短绒长度≤16mm)含量≤16%;b)
小卷重量不匀率≤1%。
试验时间:正常生产连续运转15天。5.3.1.7
检验项目
见4.6.1、4.7。
检验规则
6.1型式试验
6.1.1产品在下列情况之一时进行型式检验:a)
生产过程中,如结构、材料、工艺有较大改变,可能影响产品性能时;b)
新产品鉴定或老产品转厂定型生产时;出厂检验结果与上次型式检验有较大差异时;c)
d)第三方进行质量检验时。
6.1.2检验项目:见第4章。
6.2出厂检验
6.2.1制造厂总装的产品均需经空车运转试验,空车运转试验项目见4.1.5、5.2。FZ/T93046-2018
6.2.2每台产品均应经制造厂的检验部门按本标准检验合格,并附有合格证方能出厂。6.3判定原则
按每批产品至少抽查一台进行总装检验;全部项目检验合格,判该批产品符合标准要求。6.4用户在安装调试过程中,发现有项目不符合本标准时,制造厂应会同用户共同处理。7标志
包装箱上的储运图示标志,应符合GB/T191的规定7.2产品铭牌及铭牌内容,应按FZ/T90089.1和FZ/T90089.2的规定7.3产品的安全标志,应按GB2894的规定。8
包装、运输、贮存
产品包装应符合FZ/T90001的规定。8.2在运输过程中,包装箱应按规定的位置起吊、规定的朝向安置,不得倾倒或改变方向。8.3产品出厂后,在有良好防雨及通风的贮存条件下,包装箱内的零件防潮、防锈有效期为1年。5
小提示:此标准内容仅展示完整标准里的部分截取内容,若需要完整标准请到上方自行免费下载完整标准文档。
中华人民共和国纺织行业标准
FZ/T93046—2018
代替FZ/T93046—2009
Comberforcotton
2018-10-22发布
中华人民共和国工业和信息化部发布
2019-04-01实施
本标准按照GB/T1.1一2009给出的规则起草。FZ/T93046-2018
本标准代替FZ/T93046—2009《棉精梳机》。与FZ/T93046—2009相比主要技术变化如下:增加了引用文件FZ/T93096《棉精梳机钳板》和GB/T17780.2《纺织机械安全要求第2部分:纺纱准备和纺纱机械》;重新规定了棉精梳机的类别并调整了基本参数(见3.1和表1);规范了棉精梳机钳板要求及检验方法(见4.1.5、5.1.1);提高了噪声、功率消耗测试速度(见表2、表3);提高精条的条干均匀度变异系数(见4.7.2);提高了精梳条重量内不匀率(见4.7.4);增加安全防护要求(见4.8);
删除附录A(见2009年版的4.8)。请注意本文件的某些内容可能涉及专利。本文件的发布机构不承担识别这些专利的责任。本标准由中国纺织工业联合会提出。本标准由全国纺织机械与附件标准化技术委员会纺纱、染整机械分技术委员会(SAC/TC215/SC1)归口。
本标准起草单位:经纬纺织机械股份有限公司榆次分公司、国家纺织机械质量监督检验中心、江苏凯宫机械股份有限公司、太平洋机电集团(上海)科技有限公司、山西贝斯特机械制造有限公司、陕西宝成航空精密制造股份有限公司。本标准主要起草人:张海智、沈玉兰、张立彬、马聪、张立新、卢航远、彭宝瑛。本标准所代替标准的历次版本发布情况为:-FJ/JQ38—1984;
FJ/JQ66-1986;
—FZ/T93046—1997、FZ/T93046-2009。I
1范围
棉精梳机
FZ/T93046—2018
本标准规定了棉精梳机的分类与基本参数、要求、试验方法、检验规则、标志及包装、运输、贮存。本标准适用于棉精梳工序的精梳机。2
规范性引用文件
下列文件对于本文件的应用是必不可少的。凡是注日期的引用文件,仅注日期的版本适用于本文件。凡是不注目期的引用文件,其最新版本(包括所有的修改单适用于本文件。GB/T191包装储运图示标志
GB2894安全标志及其使用导则
GB5226.1一2008机械电气安全机械电气设备第1部分:通用技术条件GB/T6003.1一2012试验筛技术要求和检验第1部分:金属丝编织网试验筛GB/T7111.2纺织机械噪声测试规范第2部分:纺前准备和纺部机械GB/T17780.2一2012纺织机械安全要求第2部分:纺纱准备和纺纱机械
FZ/T90001纺织机械产品包装
FZ/T90074纺织机械产品涂装
FZ/T90089.1
FZ/T90089.2
纺织机械铭牌型式、尺寸及技术要求纺织机械铭牌内容
FZ/T90110—2013纺织机械通用项目质量检验规范FZ/T92070
FZ/T92071
FZ/T92077
FZ/T93051
FZ/T93096
棉精梳机锡林
棉精梳机分离辊
棉精梳机顶梳
纺纱准备和纺纱机械
发上罗拉包覆物用胶管
棉精梳机钳板
JB/T5967—2007
JB/T7929—1999
3分类与基本参数
3.1分类
气动件及系统用空气介质质量等级齿轮传动装置清洁度
按设计速度(钳次/分)分:普通型、高速型。2基本参数
见表1。
FZ/T93046—2018
设计速度*n/(钳次/分)
喂人棉卷
条筒尺寸
数/个
宽度/mm
直径/mm
定量/ktex
直径/mm
高度/mm
牵伸倍数
精条定量/ktex
落棉率/%
最高工艺速度不得低于设计速度的80%。4
主要专件和部件
棉精梳机锡林应符合FZ/T92070的规定。棉精梳机分离辊应符合FZ/T92071的规定。棉精梳机顶梳应符合FZ/T92077的规定。棉精梳机牵伸胶辊应符合FZ/T93051的规定。棉精梳机钳板应符合FZ/T93096的规定。机械传动系统
普通型
300n450
各传动机件安装正确,运转平稳,无异常振动和声响。各传动系统润滑良好,无渗、漏油现象。车头油浴箱内的清洁度不大于1g。各传动轴承温升不大于20℃。Www.bzxZ.net
自动控制系统
电气设备和安全性能
≤650
600、1000
高速型
电气设备应适合在GB5226.1一2008中4.4规定的实际环境和运行条件中使用。电气设备的连接和布线,应符合GB5226.1一2008中13.1的规定。电气设备的导线标识,应符合GB5226.1一2008中13.2的规定。电气设备保护联结电路的连续性,应符合GB5226.1一2008中18.2.2的规定。电气设备的绝缘性能,应符合GB5226.1一2008中18.3的规定。电气设备的耐压试验,应符合GB5226.1一2008中18.4的规定。4.3.1.7
FZ/T93046—2018
人机界面应操作便捷、反应及时、显示正确;驱动系统控制应可靠、动作准确。气动控制
气路畅通,不漏气。
气动元件动作准确、可靠。
空车运转全机噪声(发射声压级)应符合表2的规定。表2
测试速度/(钳次/分)
噪声/dB(A)
功率消耗
普通型
空车运转主电机输入功率应符合表3的规定。表3
测试速度/(钳次/分)
主电机输人功率/kW
外观及表面质量
过棉及吸落棉通道表面光滑,不挂纤维。防护罩壳封闭良好。
产品涂装应符合FZ/T90074的规定。工艺质量
圈条成形良好,无粘连现象。
精条的条干均匀度变异系数CV<3.5%。普通型
落棉含短绒率(短绒长度≤16mm)≥65%。精梳条重量内不匀率≤0.9%。
安全防护
全机防护罩安装位置准确,牢固可靠。高速型
高速型
全机的安全防护措施和警示标志应符合GB/T17780.2一2012中5.7.6的规定。试验方法
检验方法
主要专件和部件(4.1)按各自相应的标准检测。3
FZ/T93046—2018
5.1.2车头油浴箱内清洁度(4.2.3)的测试方法,按JB/T7929一1999第3章的规定。测试清洁度用的过滤网,按GB/T6003.1一2012标准选用网孔基本尺寸为100μm、金属丝直径为71μm的滤网。5.1.3轴承温升(4.2.4)按FZ/T90110—2013中3.4的方法用接触式温度计检验。5.1.4电气设备的连接和布线(4.3.1.2),检查接线是否牢固;两端子之间的导线和电缆是否有接头和拼接点;电缆和电缆束的附加长度是否满足连接和拆卸的需要。5.1.5电气设备导线的标识(4.3.1.3),检查导线的每个端部是否有标记;如果用颜色作导线标记时,应符合标准的相关规定。
5.1.6电气设备的保护联结电路连续性(4.3.1.4),按GB5226.1一2008中18.2.2的规定测试。5.1.7
电气设备的绝缘性能(4.3.1.5),用兆欧表测试。5.1.8
电气设备的耐压试验(4.3.1.6),用耐压测试仪测试。噪声(4.4)按GB/T7111.2的规定测试。5.1.9
功率消耗(4.5)用功率表测试。
过棉及吸落棉通道表面质量(4.6.1),用棉花擦拭,目测通道是否挂纤维。工艺质量(4.7.2~4.7.4),按FZ/T90110—2013中4.1.2.3c)的方法检验。其余项目感官检测。
空车运转试验
试验条件
试验速度:4.4、4.5分别按表2、表3的规定,其他项目按设计速度的80%。5.2.1.1
连续运转时间:2h。
钳板、锡林、顶梳、分离辊和牵伸胶辊不安装。5.2.2检验项目
见4.2、4.3~4.6、4.8。
工作负荷试验
5.3.1试验条件
5.3.1.1空车运转试验合格后进行。5.3.1.2各运转部件的配合、各加压值、隔距等工艺参数,均应按合理的精梳工艺方案配置,并加注规定的润滑油。
5.3.1.3通人气动系统的压缩空气(压力≥0.6MPa),应配置适宜的净化系统进行净化稳压处理,其质量应符合JB/T5967一2007标准中质量等级为435的要求。注:质量等级435的要求为空气介质中最大粒子尺寸为15μm、最大浓度为8mg/m、水蒸气的最高压力露点为一20℃、最大油含量为25mg/m。5.3.1.4集中吸风时,风量、风压应满足规定的要求。工作环境:温度22℃~30℃,相对湿度55%~65%。5.3.1.5
喂人半制品质量:
细绒配棉等级≤2.5,各唛头主体长度差异<2mm;生条短绒(短绒长度≤16mm)含量≤16%;b)
小卷重量不匀率≤1%。
试验时间:正常生产连续运转15天。5.3.1.7
检验项目
见4.6.1、4.7。
检验规则
6.1型式试验
6.1.1产品在下列情况之一时进行型式检验:a)
生产过程中,如结构、材料、工艺有较大改变,可能影响产品性能时;b)
新产品鉴定或老产品转厂定型生产时;出厂检验结果与上次型式检验有较大差异时;c)
d)第三方进行质量检验时。
6.1.2检验项目:见第4章。
6.2出厂检验
6.2.1制造厂总装的产品均需经空车运转试验,空车运转试验项目见4.1.5、5.2。FZ/T93046-2018
6.2.2每台产品均应经制造厂的检验部门按本标准检验合格,并附有合格证方能出厂。6.3判定原则
按每批产品至少抽查一台进行总装检验;全部项目检验合格,判该批产品符合标准要求。6.4用户在安装调试过程中,发现有项目不符合本标准时,制造厂应会同用户共同处理。7标志
包装箱上的储运图示标志,应符合GB/T191的规定7.2产品铭牌及铭牌内容,应按FZ/T90089.1和FZ/T90089.2的规定7.3产品的安全标志,应按GB2894的规定。8
包装、运输、贮存
产品包装应符合FZ/T90001的规定。8.2在运输过程中,包装箱应按规定的位置起吊、规定的朝向安置,不得倾倒或改变方向。8.3产品出厂后,在有良好防雨及通风的贮存条件下,包装箱内的零件防潮、防锈有效期为1年。5
小提示:此标准内容仅展示完整标准里的部分截取内容,若需要完整标准请到上方自行免费下载完整标准文档。

标准图片预览:





- 其它标准
- 热门标准
- 其他行业标准
- YB/T096-2015 高碳铬不锈钢丝
- QB/T4595.6-2013 合页 第6部分:双袖型合页
- CNAS-CC01:2011 管理体系认证机构要求(2011版本)
- JB/T1308.3-2011 PN2500超高压阀门和管件 第3部分:管子端部
- FZ/T07002-2018 废旧纺织品再加工短纤维
- SG111-1~2 建筑结构加固施工图设计表示方法建筑结构加固施工图设计深度图样(新编)
- HG/T3766-2004 炔螨特乳油
- YB/T4458-2015 家电用彩色涂层钢板及钢带
- NB/T33005-2013 电动汽车充电站及电池更换站监控系统技术规范
- HG/T4605-2014 透明电磁波屏蔽膜
- QB/T4654-2014 香茅醛
- QB/T4656-2014 小茴香(精)油
- QJLYN0005S-2016 吉林省医诺生物技术有限公司 桦树茸复合压片糖果
- NB/SH/T0407-2013 石油蜡水溶性酸或碱试验法
- FZ/T99020-2018 针织圆纬机数控系统通用技术规范
- 行业新闻
请牢记:“bzxz.net”即是“标准下载”四个汉字汉语拼音首字母与国际顶级域名“.net”的组合。 ©2009 标准下载网 www.bzxz.net 本站邮件:bzxznet@163.com
网站备案号:湘ICP备2023016450号-1
网站备案号:湘ICP备2023016450号-1