- 您的位置:
- 标准下载网 >>
- 标准分类 >>
- 纺织行业标准(FZ) >>
- FZ/T 54115-2019 锦纶6牵伸分纤母丝
标准号:
FZ/T 54115-2019
标准名称:
锦纶6牵伸分纤母丝
标准类别:
纺织行业标准(FZ)
标准状态:
现行出版语种:
简体中文下载格式:
.zip .pdf下载大小:
1.40 MB
点击下载
标准简介:
FZ/T 54115-2019.
1范围
FZ/T 54115规定了锦纶6牵伸分纤母丝的术语和定义、分类和标识.技术要求.试验方法.检验规则和标志.包装、运输贮存的要求。
FZ/T 54115适用于总线密度为100.0 dtex~720.0 dtex,单丝线密度为10.0 dtex~60.0 dtex的本色.圆形截面、三角截面的有光.半消光民用锦纶6牵伸分纤母丝,其他类型的锦纶6牵伸分纤母丝可参照使用。
2规范性引用文件
下列文件对于本文件的应用是必不可少的。凡是注日期的引用文件,仅注日期的版本适用于本文件。凡是不注8期的引用文件,其最新版本(包括所有的修改单)适用于本文件。
GB/T 250纺织品色牢度试验 评定变 色用灰色样卡
GB/T 2828.1- -2012计数抽样检验程序 第1部分:按接收质量限(AQL)检索的逐批检验抽样计划
GB/T 3291.1纺织纺织材料性 能和试验术语第1部分:纤维和沙线
GB/T 3291.3纺织纺织材料性 能和试验术语第3 部分:通用
GB/T 4146(所有部分)纺织品化学纤维
GB/T 6502化学纤维长 丝取样方法
GB/T 6503化学纤维回湖率试验方法
GB/T 6505化学纤维长丝热收编率试验方法(处理后)
GB/T 8170- 2008数值 修约规则与极限数值的表示和判定
GB/T 14343化学纤维长丝 线密度试验方法
GB/T14344化学纤维长丝拉伸性能试验方法
GB/T 14346化学纤维长丝 条干不匀率试验方法电容法
FZ/T50008锦纶长丝染色均匀度试验方法
FZ/T 50027化学纤维 二氧化钛含 量试验方法
FZ/T 51004紆维級聚己内酰胶切片
FZ/T 50041化学纤维母丝 分纤性能试验方法
3术语和定义 .
GB/T 3291.1 .GB/T 3291.3和GB/T 4146(所有部分) ,FZ/T 51004界定的以及下列术语和定义适用于本文件。
部分标准内容:
中华人民共和国纺织行业标准
FZ/T54115—2019
锦纶6牵伸分纤母丝
Polyamide 6 drawn mother yarns for splitting2019-05-02发布
中华人民共和国工业和信息化部发布
2019-11-01实施
本标准接照GB/T1.1—2009给出的规则起草。本标准由中国纺织工业联合会提出:本标准由上海市纺织工业技术监督所归口。FZ/T54115—2019
本标准起草单位:长乐恒申合纤科技有限公司.海安县中山合成纤维有限公司、江苏鸿顺合纤科技有限公司,南通苏源化纤有限公司、南通美铭锦纶有限公司、江苏中杰澳新材料有限公司、长乐力恒锦纶科技有限公司、义乌华鼎锦纶股份有限公司、张家港市翔美纺织有限公司、上海市纺织工业技术监督所、中国化学纤维工业协会
本标准主要起草人:陈立军、张振涛、主均、华伯富、朱爱民、周贤兵、周焕民、高洁、周建兵、盛忠勤、李红杰、张子昕。
1范围
锦纶6牵伸分纤母丝
FZ/T54115—2019
本标准规定了锦纶6牵伸分纤母丝的术语和定义、分类和标识技术要求、试验方法,检验规则和标志,包装,运输、贮存的要求。本标准适用于总线密度为100.0dtex~720.0dtex,单丝线密度为10.0dtex60.0dtex的本色、圆形截面,三角截面的有光,半消光民用锦纶6牵伸分纤母丝,其他类型的锦纶6牵伸分纤母丝可参照使用。
2规范性引用文件
下列文件对于本文件的应用是必不可少的。凡是注日期的引用文件,仅注日期的版本适用于本文件。凡是不注日期的引用文件,其最新版本(包括所有的修改单)适用于本文件。GB/T250纺织品
色牢度试验评定变色用灰色样卡GB/T2828.1—2012
GB/T3291.1
GB/T3291.3
计数抽样检验程序第1部分:按接收质量限(AQL)检索的逐批检验抽样纺织材料性能和试验术语
第1部分:纤维和纱线
纺织材料性能和试验术语
第3部分:通用
GB/T4146(所有部分)
GB/T6502
GB/T6503
GB/T6505
化学纤维
化学纤维
化学纤维
纺织品化学纤维
长丝取样方法
回潮率试验方法
长丝热收缩率试验方法(处理后)GB/T8170--2008
数值修约规则与极限数值的表示和判定GB/T14343
GB/T14344
GB/T14346
FZ/T50008
FZ/T50027
FZ/T51004
FZ/T50041
术语和定支
长丝线密度试验方法
化学纤维
化学纤维
化学纤维
长丝拉伸性能试验方法
长丝条干不勾率试验方法
电容法
锦纶长丝染色均匀度试验方法
二氧化钛含量试验方法
化学纤维
纤维级聚已内酰胺切片
化学纤维母丝分纤性能试验方法GB/T3291.1GB/T3291.3和GB/T4146(所有部分),FZ/T51004界定的以及下列术语和定义适用于本文件。
锦纶6牵伸分纤每丝polyamide6drawnmotheryarnsforsplitting在下游直接分丝成多根单丝的锦纶6牵伸长丝。1
FZ/T54115—2019
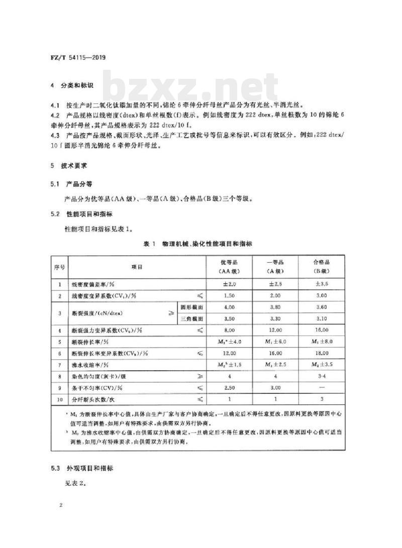
4分类和标识
4.1按生产时二氧化钛添加量的不同,锦纶6牵伸分纤母丝产品分为有光丝、半消光丝。4.2产品规格以线度(dtex)和单丝根数(f)表示。例如线密度为222dtex,单丝根数为10的锦纶6牵伸分纤母丝,其产品规格表示为222dtex/10f。4.3产品按产品规格、截面形状、光泽、生产工艺或批号等信息来标识,可以有效区分。例如:222dtex/10f固形半消光锦纶轮6牵伸分纤母丝。技术要求
5.1产品分等
产品分为优等品(AA级)、一等品(A级)、合格品(B级)三个等级。5.2
性能项目和指标
性能项目和指标见表1。
物理机械、染化性能项目和指标序号免费标准下载网bzxz
线密度偏差率/%
线密度变异系数(CV,)/%
断裂强度/(cN/dtex))
断囊强力变异系数(CV,)/%
断囊伸长率/%
断裂师长率变异系数(CV.)/%
佛水收缩率/%
蒙色均勾度(灰卡)/级
条干不沟率(CV)/%
分纤断头次数/次
圈形面
三角馥面
优等品
(AA级)
一等品
CA级)
合格品
·M,为断毅伸长率中心值,具体由生产厂家与客户协商确定,一旦且确定后不得任意更改,因原料更换等原因中心值可适当调整,如用户有特殊要求,由供需双方另行协商。M为锦水收缩率中心值,由供需双方协商确定,一旦确定后不得任意更改,因原料更换等原因中心值可适当满整,如用户有特殊要求,由供需双方另行协商,5.3外观项目和指标
见表2。
纤丝(蜘蛛丝)/(个/筒)
油污/(cm/简)
简重/kg
锦纶6牵伸分纤母丝外观项目和指标项目
优等品
(AA级)
定长或定重
,色差参照CB/T250的级别定等,其中\正常”相当于四级,“轻\相当于三级。一等品
(A毁)
FZ/T54115—2019
合格品
(B级)
油污,一等品只充许淡黄色油污,其总面积不超过1cm*/简:合格品只充许滤黄色和较深色油污,其总面积不超过2cm/简,黑色油污不充许。定长或定重产品长度或重量要求由供需双方协商确定。试验方法
线密度试验
线密度偏差率,线密度变异系数按GB/T14343规定执行。6.2拉伸性能试验
断裂强度、新裂强力变异系数、断裂伸长率、断裂伸长率变异系数按GB/T14344规定执行。3沸水收缩率试验
按GB/T6505规定执行,
染色均匀度试验
接FZ/T50008规定执行。
5条干不匀率试验
按CB/T14346规定执行,试样速度为100m/min,试验时间为5min,6.6分纤断头次数试验
按FZ/T50041规定执行。
6.7二氧化钛含量试验
按F2/T50027规定执行。
回潮率试验
按GB/T6503规定执行。
FZ/T54115—2019
6.9外观检验
6.9.1设备
可采用移动光源,固定光源进行外观检验:移动光源:要求被观察点的照度大于或等于6001x,无强烈的其他干扰光源;注:移动光源根据实际情况选用,可以是充电灯或手电或其他能达到照度要求的任意一种。固定光源:以平行排列的两支40W普通荧光灯,悬挂于离地面高度为180ctm~~200cm处,丝车在正下方能轻松观察到卷装上面积≥0.5cm的淡黄色油污为宜。6.9.2检验步骤
6.9.2.1仔细观察卷装的二个端面和一个柱表面。6.9.2.2
对每个被检卷装进行外观检验,并记录。6.9.2.3用检定分度值小于等于卷装质量的0.1%,最大秤量的20%~80%能覆盖卷装质量的磅样、电子秤等衡器称取卷装的质量,扣除已知的皮质量,该净质量即为筒重,精确至0.5%,并记录,7检验规则
7.1检验项目
7.1.1表1中项目均为出厂检验项目。7.1.2外观检验项目按5.3规定。7.2
组批规定
在一定范围内采用周期性取样组成检验批。一个生产批可由一个检验批组成,也可由若干检验批组成。
7.3取样规定
7.3.1表1中各项目试验的实验室样品按GB/T6502规定取样。其中,染色均勾度试验宜逐简取样。7.3.2外观检验逐筒取样。
7.4检验结果评定
7.4.1性能项日的测定值或计算值按GB/T8170—2008中修约值比较法与表1的性能指标的极限数值比较,评定等级。其中染色均匀度,根据染色级差(含同一段袜带内的深浅条纹)接GB/T250评定等级。
7.4.2外观检验按5.3规定,逐筒评定等级。7.4.3产品综合等级的评定,以检验批中性能指标和外观指标最低项的等级定为该批产品的等级。7.5复验规则
7.5.1通则
一批产品到收贷方一个月内,作为验收或对品质有异议时可提请复验。若该批产品的数量使用了三分之一以上时,不得申请复验。但如果收货方可以出示相关证据证明该批产品确实影响到后加工产品的品质,并造成严重损失时,应分析原因,明确双方责任协商处理。2检验项目
同7.1。
7.5.3组批规定
按原生产批组批。
7.5.4取样规定
7.5.4.1性能项目的实验室样品按GB/T6502规定取样。FZ/T54115—2019
7.5.4.2外观为抽样检验,根据批量按GB/T2828.1一2012表1中一般检验水平Ⅱ规定确定样本大小(字码)。
7.5.5复验评定
性能项目的测定值或计算值按GB/T81702008中修约值比较法与表1的性能指标的极限数值比较,评定等级。
7.5.5.2外观项目按7.5.4.2样本大小,根据GB/T2828.1—2012表2-A中正常检验一次抽样方案AQL值为4.0,确定接收数Ac和拒收数Re,并按本标准规定指标评定,当不合格的卷装数
按GB/T6503规定测得实测回溯率。公定质量按式(1)计算:1+R。
式中:
一批产品包装件公定质量,单位为千克(kg):瓶,—批产品包装件净质量,单位为千克(kg):R。锦纶6的公定回潮率,为4.5%:R—实测回潮率,%。
公定质量差异不超过0.5%,超过时,由供需双方协商确定。8标志、包装、运输、贮存
8.1标志
包装箱上应标明产品名称、规格、等级、批号,净重、毛重、卷装个数、包装日期、产品标准编号、商标、生产企业名称、详细地址等相关信息和防潮、小心轻放等警示标志。8.2包装
8.2.1每个卷装都应套一个塑料袋后放人包装箱。包装箱内对有支撑的卷装应定位固定,无支撑的卷装应保证其不受损伤。
8.2.2每个包装箱内的卷装大小尽量均勾。不同品种,规格,批号,等级要分别装箱,严禁混装。3每批产品应附质量检验单。
FZ/T54115—2019
运输过程中避免包装箱摄坏、受潮,暴晒、倾斜和倒置。贮存
包装箱按批堆放,贮存在干燥、清洁、通风、避光的场所。ICS59.080.30
中华人民共和国纺织行业标准
FZ/T64007—2019
代替F2/T64007—2010
树脂机织衬
Resin-finished woven interlinings2019-05-02发布
中华人民共和国工业和信息化部发布
2019-11-01实施
本标准按照GB/T1.1一2009给出的规则起草。FZ/T640072019
本标准代替FZ/T64007—2010机织树脂衬》,与FZ/T64007—2010相比主要技术变化如下:标准名称调整为树脂机织村》;增加了树脂机织村的定义;
理化性能增加了组合试样蒸汽熨烫后尺寸变化考核指标,斯破强力按照原料成分分挡考核,提高了折痕回复角考核指标;
外观质量局部性概点分三档考核,提高了色差,局部性疵点的考核指标;删除了原附录A。
本标准由中国纺织工业联合会提出。本标准由全国纺织品标准化技术委员会棉纺织品分技术委员会(SAC/TC209/SC10)归口。本标准起草单位:南通海汇科技发展有限公司、维柏思特村布(南通)有限公司、如阜市五山漂染有限责任公司,上海市纺织工业技术监督所、中国产业用纺织品行业协会。本标准主要起草人:曹平、朱红耀、姜情、吴进、张宝庆、李桂梅。本标准所代替标准的历次版本发布情况为:GB/T11389—1989;
-FZ/T64007—1999.FZ/T64007—2000.FZ/T64007—2010。I
1范围
树脂机织衬
FZ/T64007—2019
本标准规定了树脂机织村的术语和定义、产品分类、技术要求,试验和检验方法,检验规则,标志和包装。
本标准适用于本白、漂白和染色树脂机织村。2规范性引用文件
下列文件对于本文件的应用是必不可少的。凡是注日期的引用文件,仅注日期的版本适用于本文件。凡是不注目期的引用文件,其最新版本(包括所有的修改单)适用于本文件。GB/T250
GB/T3819
纺织品色牢度试验
评定变色用灰色样卡
纺织品织物折痕回复性的测定回复角法GB/T3917.2
GB/T4666
GB/T4668
GB/T4669
GB/T6529
GB/T8170
纺织品
织物撕破性能第2部分:裤形试样(单缝)撕破强力的测定纺织品织物长度和幅宽的测定
机织物密度的测定
纺织品机织物
单位长度质量和单位面积质量的测定纺织品
调湿和试验用标准大气
数值修约规则与极限数值的表示和判定GB/T8629—2017
纺织品试验用家庭洗涤和干燥程序GB/T14801
机织物与针织物纬斜和弓纬试验方法GB/T 18318.1
GB18401
纺织品弯曲性能的测定第1部分:斜面法国家纺织产品基本安全技术规范GB/T 28465
GB31701
服装封布检验规则
婴幼儿及儿童纺织产品安全技术规范GB/T31902
GB/T31903
FZ/T60031
3术语和定义
服装衬布外观瓶点检验方法
服装村布产品命名规则、标志和包装股装用村经蒸汽德后尺寸变化试验方法下列术语和定义适用于本文件。3.1
+ resin-finished woven interlinings树脂机织村
以棉、化纤纯纺或混纺纱原料制成的机织物为基布,经漂染、树脂整理等加工而成的村布。4产品分类
4.1树脂机织衬按基布纤维原料,可分为纯棉村、漆棉衬、涤纶村。1
FZ/T64007—2019
4.2树脂机织衬按漂染加工工艺,可分为本白村、漂白衬和有色衬。4.3
树脂机织衬按手感,可分为柔软村,硬挺村。5
技术要求
分等规定
产品的品等分为优等品,一等品,合格品,低于合格品的为不合格品。5.1.2产品的评等分为理化性能和外观质量两个方面。理化性能包括纬密偏差率,单位面积质量偏差率、撕破强力、水洗尺寸变化率组合试样蒸汽熨烫尽寸变化率、水浸后单位宽度的抗弯刚度变化率、折痕回复角、安全性能。外观质量包括辐宽偏差.色差、纬斜、局部性点、散布性疵点、每卷允许段数和段长。
树脂机织村的理化性能按批评等,外观质量按卷评等,综合评等按其中最低的等级评定。5.2
理化性能
产品的安全性能应符合GB18401或GB31701的规定。树脂机织村的理化性能分等规定接表1。表1理化性能分等规定
纬密偏差率/%
单位面积质量偏差率/%
新酸强力/N
化纤纯纺和混纺
求洗尺寸变化率/%
组合试样燕汽熨烫
尺寸变化率/%
化纤纯纺和混纺
化纤缝纺和混纺
水浸后单位宽度的抗弯刚度变化率/%折撤回复角(经+纬)/(\)
经纬尚
经纬向
经韩向
经韩向
优等品
—1.0~+0.5
-1.0~+0.5
一等品
1.2~+0.5
-0.5~+0.5
—1.0~+0.5
注:柔软树脂机织村不考核折痕回复角,硬挺树脂机织封考核折痕国复角,5.3
外观质量
5.3.1敢布性鹿点采用以点程度不同逐级降等的办法。5.3.2
未列人本标准的概点,按相似疵点进行评定。树脂机织村的外观质量分等规定按表2.合格品
-2.0~+0.5
-1.0~+0.5
-1.5~+0.5
≥195
小提示:此标准内容仅展示完整标准里的部分截取内容,若需要完整标准请到上方自行免费下载完整标准文档。
标准图片预览:





- 其它标准
- 热门标准
- FZ纺织行业标准
- FZ/T32006-2016 苎麻本色线
- FZ/T92037-1995 P型齿链式无级变速器
- FZ/T62005-2003 被、被套
- FZ/T24024-2017 精梳单经单纬毛织品
- FZ/T20018-2000 毛纺织品中二氯甲烷可溶性物质的测定
- FZ/T92042-1995 边字提花装置
- FZ/T93053-2019 转杯纺纱机转杯
- FZ/T92024-2006 LZ系列下罗拉轴承
- FZ/T42007-2001 生丝/氨纶包缠丝
- FZ/T90069-1995 零件表面交接处图形所代表的圆角半径尺寸要求
- FZ/T64058-2016 汽车隔音隔热垫用再加工纤维毡
- FZ/T50001-2005 合成纤维长丝网络度试验方法
- FZ/T63020-2013 混合聚烯烃纤维绳索
- FZ/T94007.1-2013 综第1部分:提花织造用镶入综眼的钢丝综
- FZ/T32024-2019 亚麻与棉混纺色纺纱
- 行业新闻
网站备案号:湘ICP备2025141790号-2