- 您的位置:
- 标准下载网 >>
- 标准分类 >>
- 机械行业标准(JB) >>
- JB/T 7037-1993 液压隔离式蓄能器 试验方法
标准号:
JB/T 7037-1993
标准名称:
液压隔离式蓄能器 试验方法
标准类别:
机械行业标准(JB)
英文名称:
Test methods for hydraulic isolated accumulators标准状态:
已作废-
发布日期:
1993-09-23 -
实施日期:
1994-07-01 -
作废日期:
2007-02-01 出版语种:
简体中文下载格式:
.rar.pdf下载大小:
927.79 KB
替代情况:
被JB/T 7037-2006代替采标情况:
neq JIS B8358-76
点击下载
标准简介:
标准下载解压密码:www.bzxz.net
本标准规定了液压隔离式蓄能器的试验方法。 本标准适用于公称压力为6.3~63MPa,公称容积为0.25~250L,工作温度为-10~70℃,以石油基液压油或乳化液为工作介质的蓄能器。 JB/T 7037-1993 液压隔离式蓄能器 试验方法 JB/T7037-1993
部分标准内容:
中华人民共和国机械行业标准
JB/T7037-1993
液压隔离式蓄能器
1993-09-23发布
中华人民共和国机械工业部
试验方法
1994-07-01实施
中华人民共和国机械行业标准
液压隔离式蓄能器
1主题内容与适用范围
试验方法
本标准规定了液压隔离式蓄能器(以下简称蓄能器)的试验方法,JB/T7037-1993
本标准适用于公称压力为6.3~63MPa,公称容积0.25~250L,以石油基液压油或乳化液为工作介质,工作温度为-10~70℃的蓄能器。2引用标准
GB3868
JB/T7038
JB/JO2050.2
符号和单位
液压隔离式蓄能器胶囊技术条件液压隔离式蓄能器壳体技术条件液压元件内部清洁度检测方法第2部分符号和单位见表1。
试验装置和试验条件
4.1试验回路
运动粘度
典型的液压试验回路原理见图所示。4.2测量点位置www.bzxz.net
称重法(试行)
单位名称
升每分
摄氏度
二次方米每秒
4.2.1压力测量点应设置在距被试件输入口(或输出口)的(2~4)d(d为管道通径)处。稳态试验时,允许将测量点的位置移至距被试件更远处,但应考虑管道的压力损失。4.2.2温度测量点应设置在距压力测量点(更远离被试件)的(2~4)d处。4.3试验用油液
4.3.1粘度:40℃时,运动粘度为42-74mm2/s(特殊要求另行规定)。4.3.2油温:除特殊要求外,被试件进口处的油液温度规定为50℃。型式试验应在50土2℃下进行;出厂试验应在50土4℃下进行。
4.3.3清洁度:试验用油液的固体颗粒污染级代号不得高于19/16。机械工业部1993-09-23批准
1994-07-01实施
4.4测量准确度
测量准确度等级
JB/T 70371993
盐试件
区w区
液压试验回路原理图
测量准确度分为A、B、C三级。型式检验的测量准确度不得低于B级,出厂试验的测量准确度不得低于C级。
测量系统允许系统误差
测量系统允许系统误差应符合表2的规定。表2
测量参量
压力%
流量%
温度℃
测量准确度等级
注:表中所列极限系指测量值的允许极限,而不是试验测量的最大值或仪器仪表最大读数允许极限。4.5
稳态工况
被控参量的平均指示值变化范围在表3规定范围内时为稳态工况。在稳态工况下充许测量各设定
点的各个参量。
被控参量
压力%
流量%
温度℃
测量准确度等级
试验项目和方法
型式试验项目和方法见表4规定。序号
试验项目
胶囊气密性试验
蓄能器密封性和
耐压试验
蓄能器反复动作
漏气检查
渗油检查
解体检查
内部清洁度检查
JB/T70371993
试验方法
将蓄能器油口通大气,从充气阀口向蓄能器胶囊充入0.85倍公称压力的氮气(或空气),在环境温度下记录压力表数值,保压12h后检查是否漏气将蓄能器安装在试验系统中,按下表规定进行试验,在保压时间内检查各密封处的漏气、渗油现象
囊式蓄能器
B型隔膜式蓄能器
A、C型隔膜式蓄能器
公称压力
充气压力
试验压力
保压时间
将蓄能器安装在试验系统中,按下表各试验阶段进行试验,在第1、2阶段结束后和第3阶段每动作2万次后,应用充气工具测量充气压力值,并经常检查各密封处的渗油情况
公称压力
反复动作
充气压力
动作压力
(0.1~1) p
充放频率
反复动作试验后,蓄能器再次充入氮气(或空气),使其压力为公称压力的0.85倍。浸入水中,保压时间不少于1h,检查漏气情况漏气检查后,放掉蓄能器胶囊中的气体,拆去充气阀,从油口施加压为公称压力的压力油,保压时间不少于1h,观察充气阀座处是否渗油上述试验后,解体蓄能器,检查各零件按JB/JQ20502规定进行
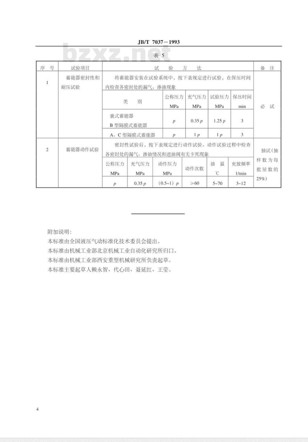
出厂试验项目和方法见表5规定。5.2
5.3胶囊的试验项目和方法按GB3868的规定。5.4壳体的试验项目和方法按JB/T7038的规定。3
试验项目
蓄能器密封性和
耐压试验
蓄能器动作试验
附加说明:
JB/T70371993
将蓄能器安装在试验系统中,按下表规定进行试验,在保压时间内检查各密封处的漏气、渗油现象类
囊式蓄能器
B型隔膜式蓄能器
A、C型隔膜式蓄能器
公称压力
充气压力
试验压力
保压时间
按下表规定进行动作试验。
动作试验过程中检查
密封性试验后,主
各密封处的漏气、渗油情况和进油阀有无卡死现象公称压力
充气压力
动作压力
本标准由全国液压气动标准化技术委员会提出。本标准由机械工业部北京机械工业自动化研究所归口。本标准由机械工业部西安重型机械研究所负责起草。本标准主要起草人赖永智、代心田、聂延红、王莹。动作次数
充放频率
抽试(抽
样数为每
批量数的
25%)
中华人民共和国
机械行业标准
液压隔离式蓄能器
试验方法
JB/T 70371993
机械科学研究院出版发行
机械科学研究院印刷
(北京首体南路2号
邮编100044)
1/16印张1/2
开本880×1230
字数8,000
1994年5月第一版
1994年5月第一次印刷
印数1-500
定价3.00元
机械工业标准服务网:http://www.JB.ac.cn66_0
小提示:此标准内容仅展示完整标准里的部分截取内容,若需要完整标准请到上方自行免费下载完整标准文档。
JB/T7037-1993
液压隔离式蓄能器
1993-09-23发布
中华人民共和国机械工业部
试验方法
1994-07-01实施
中华人民共和国机械行业标准
液压隔离式蓄能器
1主题内容与适用范围
试验方法
本标准规定了液压隔离式蓄能器(以下简称蓄能器)的试验方法,JB/T7037-1993
本标准适用于公称压力为6.3~63MPa,公称容积0.25~250L,以石油基液压油或乳化液为工作介质,工作温度为-10~70℃的蓄能器。2引用标准
GB3868
JB/T7038
JB/JO2050.2
符号和单位
液压隔离式蓄能器胶囊技术条件液压隔离式蓄能器壳体技术条件液压元件内部清洁度检测方法第2部分符号和单位见表1。
试验装置和试验条件
4.1试验回路
运动粘度
典型的液压试验回路原理见图所示。4.2测量点位置www.bzxz.net
称重法(试行)
单位名称
升每分
摄氏度
二次方米每秒
4.2.1压力测量点应设置在距被试件输入口(或输出口)的(2~4)d(d为管道通径)处。稳态试验时,允许将测量点的位置移至距被试件更远处,但应考虑管道的压力损失。4.2.2温度测量点应设置在距压力测量点(更远离被试件)的(2~4)d处。4.3试验用油液
4.3.1粘度:40℃时,运动粘度为42-74mm2/s(特殊要求另行规定)。4.3.2油温:除特殊要求外,被试件进口处的油液温度规定为50℃。型式试验应在50土2℃下进行;出厂试验应在50土4℃下进行。
4.3.3清洁度:试验用油液的固体颗粒污染级代号不得高于19/16。机械工业部1993-09-23批准
1994-07-01实施
4.4测量准确度
测量准确度等级
JB/T 70371993
盐试件
区w区
液压试验回路原理图
测量准确度分为A、B、C三级。型式检验的测量准确度不得低于B级,出厂试验的测量准确度不得低于C级。
测量系统允许系统误差
测量系统允许系统误差应符合表2的规定。表2
测量参量
压力%
流量%
温度℃
测量准确度等级
注:表中所列极限系指测量值的允许极限,而不是试验测量的最大值或仪器仪表最大读数允许极限。4.5
稳态工况
被控参量的平均指示值变化范围在表3规定范围内时为稳态工况。在稳态工况下充许测量各设定
点的各个参量。
被控参量
压力%
流量%
温度℃
测量准确度等级
试验项目和方法
型式试验项目和方法见表4规定。序号
试验项目
胶囊气密性试验
蓄能器密封性和
耐压试验
蓄能器反复动作
漏气检查
渗油检查
解体检查
内部清洁度检查
JB/T70371993
试验方法
将蓄能器油口通大气,从充气阀口向蓄能器胶囊充入0.85倍公称压力的氮气(或空气),在环境温度下记录压力表数值,保压12h后检查是否漏气将蓄能器安装在试验系统中,按下表规定进行试验,在保压时间内检查各密封处的漏气、渗油现象
囊式蓄能器
B型隔膜式蓄能器
A、C型隔膜式蓄能器
公称压力
充气压力
试验压力
保压时间
将蓄能器安装在试验系统中,按下表各试验阶段进行试验,在第1、2阶段结束后和第3阶段每动作2万次后,应用充气工具测量充气压力值,并经常检查各密封处的渗油情况
公称压力
反复动作
充气压力
动作压力
(0.1~1) p
充放频率
反复动作试验后,蓄能器再次充入氮气(或空气),使其压力为公称压力的0.85倍。浸入水中,保压时间不少于1h,检查漏气情况漏气检查后,放掉蓄能器胶囊中的气体,拆去充气阀,从油口施加压为公称压力的压力油,保压时间不少于1h,观察充气阀座处是否渗油上述试验后,解体蓄能器,检查各零件按JB/JQ20502规定进行
出厂试验项目和方法见表5规定。5.2
5.3胶囊的试验项目和方法按GB3868的规定。5.4壳体的试验项目和方法按JB/T7038的规定。3
试验项目
蓄能器密封性和
耐压试验
蓄能器动作试验
附加说明:
JB/T70371993
将蓄能器安装在试验系统中,按下表规定进行试验,在保压时间内检查各密封处的漏气、渗油现象类
囊式蓄能器
B型隔膜式蓄能器
A、C型隔膜式蓄能器
公称压力
充气压力
试验压力
保压时间
按下表规定进行动作试验。
动作试验过程中检查
密封性试验后,主
各密封处的漏气、渗油情况和进油阀有无卡死现象公称压力
充气压力
动作压力
本标准由全国液压气动标准化技术委员会提出。本标准由机械工业部北京机械工业自动化研究所归口。本标准由机械工业部西安重型机械研究所负责起草。本标准主要起草人赖永智、代心田、聂延红、王莹。动作次数
充放频率
抽试(抽
样数为每
批量数的
25%)
中华人民共和国
机械行业标准
液压隔离式蓄能器
试验方法
JB/T 70371993
机械科学研究院出版发行
机械科学研究院印刷
(北京首体南路2号
邮编100044)
1/16印张1/2
开本880×1230
字数8,000
1994年5月第一版
1994年5月第一次印刷
印数1-500
定价3.00元
机械工业标准服务网:http://www.JB.ac.cn66_0
小提示:此标准内容仅展示完整标准里的部分截取内容,若需要完整标准请到上方自行免费下载完整标准文档。
标准图片预览:





- 其它标准
- 热门标准
- 机械行业标准(JB)
- JB/T6316-2006 Z4系列直流电动机技术条件(机座号100~450)
- JB/T8679-2008 炭弧气刨炭棒 物理及使用性能试验方法
- JB/T7895-2008 永磁筒式磁选机
- JB/T10930-2010 200级耐电晕漆包铜圆线
- JB∕T12675-2016 拖拉机液压系统清洁度限值及测量方法
- JB3704-1984 特种调压器用碳电阻片柱电气机械性能试验方法
- JB2664-1980 自动电压调整器用碳电阻片柱
- JB/T8674-2007 YB2系列高压隔爆型三相异步电动机 技术条件(机座号355~560)
- JB/T5425-2013 印刷机械 真空压力复合气泵
- JB/T8511-2011 空气绝缘母线干线系统(空气绝缘母线槽)
- JB/T7140.1-1993 牲畜药浴机械 型式与基本参数
- JB/T56054.1-XXXX 电焊机产品质量分等 总则(内部使用)
- JB/T6387-2010 轴装式圆弧圆柱蜗杆减速器
- JB/T10007-2012 大外径千分尺(测量范围为1000mm~3000mm)
- JB/T12865-2016 畜类屠宰加工机械 螺旋自动刨毛机
- 行业新闻
请牢记:“bzxz.net”即是“标准下载”四个汉字汉语拼音首字母与国际顶级域名“.net”的组合。 ©2025 标准下载网 www.bzxz.net 本站邮件:bzxznet@163.com
网站备案号:湘ICP备2025141790号-2
网站备案号:湘ICP备2025141790号-2