- 您的位置:
- 标准下载网 >>
- 标准分类 >>
- 轻工行业标准(QB) >>
- QB/T 1702.5—1993 预热器
标准号:
QB/T 1702.5—1993
标准名称:
预热器
标准类别:
轻工行业标准(QB)
标准状态:
现行出版语种:
简体中文下载格式:
.zip .pdf下载大小:
71.86 KB
相关标签:
预热器
点击下载
标准简介:
QB/T 1702.5—1993.
4.2所有外购件和原材料应有供货单位的检验合格证或质量保证书,如无合格证或质保书,制造厂应对外购件和原材料进行检验,合格的才能采用。
4.3整机基本技术要求应符合GB/T 14253的有关规定。
4.4铸件不应有JB/T 302所规定的影响铸件强度等性能的各种缺陷,铸件的外表和内腔的型砂、毛刺、浇冒口等应清除干净。
4.5与物料接触的部分应采用符合食品卫生要求的材料制造,产品应便于清洗和消毒,管道应尽量减少弯曲,不得有盲端,不应有直角。
4.6与物料接触的表面,表面粗糙度R。值不得大于3.2 um,不得有明显的凹凸不平、划痕等缺陷。
4.7除特殊规定外零部件和产品的焊接应符合QB/T 1588.1的有关规定。
4.8零件的机械加工应符合QB/T 1588.2的有关规定。
4.9产品的装配应符合QB/T 1588.3的有关规定。
4.10油漆应符合QB/T 1588.4的有关规定。
4.11预热器应进行压力试验,试验压力为0.15 MPa。
5试验方法
5.1处理能力
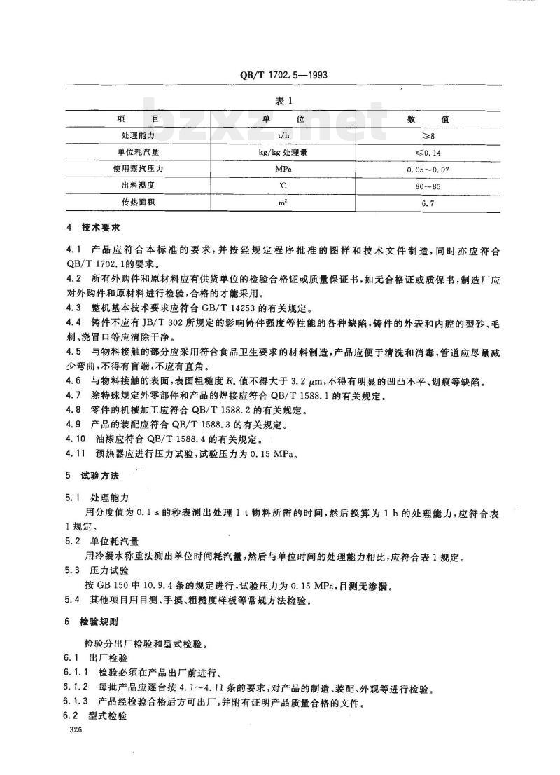
用分度值为0.1 s 的秒表测出处理1 t物料所需的时间,然后换算为1 h的处理能力,应符合表1规定。
5.2单位耗汽量
用冷凝水称重法测出单位时间耗汽量,然后与单位时间的处理能力相比,应符合表1规定。
5.3 压力试验
按GB 150中10.9.4条的规定进行,试验压力为0.15 MPa,目测无渗漏。
5.4其他项目用目测、手摸、粗糙度样板等常规方法检验。
6检验规则
检验分出厂检验和型式检验。
6.1出厂检验
6.1.1检验必须在产品出厂前进行。
6.1.2每批产品应逐台按4.1~4.11条的要求,对产品的制造、装配、外观等进行检验。
6.1.3 产品经检验合格后方可出厂,并附有证明产品质量合格的文件。
6.2型式检验
部分标准内容:
主题内容与适用范围
QB/T 1702. 5—1993
本标准规定了GT6J18型预热器产品分类、技术要求、试验方法、检验规则、标志、包装、运输、贮存。本标准适用于GT11B1型番茄酱成套设备中的预热器。2引用标准
GB150钢制压力容器
GB/T14253轻工机械通用技术条件JB/T302铸件缺陷名称分类
轻工机械焊接件通用技术条件
QB/T1588.1
QB/T 1588. 2
QB/T 1588.3
QB/T 1588. 4
轻工机械切削加工件通用技术条件轻工机械装配通用技术条件
轻工机械涂漆通用技术条件
QB/T 1702. 1
12t/d番茄酱成套设备
3产品分类
3.1产品型式www.bzxz.net
本产品是卧式列管式加热器。
3.2产品型号
设备设计顺序号
设备品种代号(预热)
设备类别代号(物料加工)
设备专业代号(罐头机械)
注:产品型号由轻工业部杭州轻工机械设计研究所统一归口颁发。3.3基本参数
基本参数见表1。
中华人民共和国轻工业部1993-03-28批准1993-10-01实施
处理能力
单位耗汽量
使用蒸汽压力
出料温度
传热面积
4技术要求
QB/T1702.5—1993
kg/kg处理量
0.05~0.07
80~~85
4.1产品应符合本标准的要求,并按经规定程序批准的图样和技术文件制造,同时亦应符合QB/T1702.1的要求。
4.2所有外购件和原材料应有供货单位的检验合格证或质量保证书,如无合格证或质保书,制造厂应对外购件和原材料进行检验,合格的才能采用。4.3整机基本技术要求应符合GB/T14253的有关规定。4.4铸件不应有JB/T302所规定的影响铸件强度等性能的各种缺陷,铸件的外表和内腔的型砂、毛刺、浇冒口等应清除干净。
4.5与物料接触的部分应采用符合食品卫生要求的材料制造,产品应便于清洗和消毒,管道应尽量减少弯曲,不得有盲端,不应有直角。4.6与物料接触的表面,表面粗糙度R。值不得大于3.2um,不得有明显的凹凸不平、划痕等缺陷。4.7除特殊规定外零部件和产品的焊接应符合QB/T1588.1的有关规定。4.8零件的机械加工应符合QB/T1588.2的有关规定。4.9产品的装配应符合QB/T1588.3的有关规定。4.10油漆应符合QB/T1588.4的有关规定。4.11
预热器应进行压力试验,试验压力为0.15MPa。5试验方法
5.1处理能力
用分度值为0.1s的秒表测出处理1t物料所需的时间,然后换算为1h的处理能力,应符合表1规定。
5.2单位耗汽量
用冷凝水称重法测出单位时闻耗汽量,然后与单位时间的处理能力相比,应符合表1规定。5.3压力试验
按GB150中10.9.4条的规定进行,试验压力为0.15MPa,目测无渗漏。5.4其他项目用目测、手摸、粗糙度样板等常规方法检验。6检验规则
检验分出厂检验和型式检验。
6.1出厂检验
6.1.1检验必须在产品出厂前进行。6.1.2每批产品应逐台按4.1~~4.11条的要求,对产品的制造、装配、外观等进行检验。6.1.3产品经检验合格后方可出厂,并附有证明产品质量合格的文件。6.2型式检验
QB/T 1702.5—1993
6.2.1有下列情况之一时,应进行型式检验。a.
新产品试制完成或老产品转厂生产的定型鉴定;正式生产后如结构、材料、工艺有较大改变可能影响产品性能时;正常生产时每三年进行一次;
产品长期停产恢复生产时;
国家质量监督机构提出进行型式检验的要求时。6.2.2型式检验应在出厂检验合格的产品中随机抽取一台,检验项目应符合3.3条、第4章的规定。型式检验在使用单位进行。
6.2.3判定规则
型式检验如不合格,则应加倍抽检,如仍不合格,则该批产品为不合格。7标志、包装、运输、贮存
按QB/T1702.1第8章的规定。
附加说明:
本标准由轻工业部技术装备司提出。本标准由全国轻工机械标准化中心归口。本标准由上海前卫机械厂负责起草。本标准主要起草人施连官。
小提示:此标准内容仅展示完整标准里的部分截取内容,若需要完整标准请到上方自行免费下载完整标准文档。
标准图片预览:



- 其它标准
- 上一篇: QB/T 1702.4—1993 去籽机
- 下一篇: CB/T 3661-94 船用液压铰链技术条件
- 热门标准
- QB轻工标准
- QB/T5247-2018 箱包配件塑料插扣耐 用性能试验方法
- QB/T2856-2007 毛革服装
- QB/T2425-1998 封箱用再湿性牛皮纸胶粘带
- QB/T3520-1999 500kV油纸套管绝缘纸
- QB2584-2003 蒸汽淋浴房
- QB/T2591-2003 抗菌塑料-抗菌性能试验方法和抗菌效果
- QB/T1439-2005 帐册
- QB/T1584-2005 日用皮手套
- QB/T1756-1993 造纸机械湍流式中浓度浆泵
- QB/T1782-1993 苯乙醇
- QB/T1664-1998 纸板戳穿强度测定仪
- QB/T1702.2-1993 括板升运机
- QB/T2501-2000 重力式自动装料衡器
- QB/T3595-1999 铅印书刊油墨
- QB/T2161-1995 儿童推车整车通用技术条件
- 行业新闻
网站备案号:湘ICP备2025141790号-2