- 您的位置:
 - 标准下载网 >>
 - 标准分类 >>
 - 轻工行业标准(QB) >>
 - QB/T 1746-1993 健身球
 
标准号:
QB/T 1746-1993
标准名称:
健身球
标准类别:
轻工行业标准(QB)
标准状态:
现行出版语种:
简体中文下载格式:
.zip .pdf下载大小:
94.89 KB
点击下载
标准简介:
					QB/T 1746-1993.
4.1.3同副球相对直径偏差,不大于0.8mm。
4.1.4惇球的音响清脆悦耳,同副球应有明显差异。
4.1.5同副球相对质量差不大于25g。
4.1.6球体表面镀层均匀,镀层总厚度不小于0.012mm。
4.1.7每磁块中心磁感应强度不低于0.025T。
4.1.8磁体镶嵌牢固,不允许高出球体表面,低于球面的深度不大于0.4mm。
4.2一般性能要求
4.2.1 金属表面镀层均匀、光亮,不能露铜。
4.2.2刻花球表面图案纹路清晰,不允许有影响图案整体外观的断笔。
4.2.3仿玉球、石头球和仿景泰蓝球表面光亮,直径为0.2mm~0.4mm的气孔不得超过8处。
4.2.4景泰蓝球表面光亮,不允许有大于0. 4mm直径的气孔存在。
4.2.5仿景泰蓝球、景泰蓝球表面云丝不得有明显的掉丝和不露丝现象。
4.2.6包胶球包层均匀,图案清晰。
4.2.7音乐球音质应清晰悦耳。
4.2.8石头球表面光亮,用质地细腻的天然石制成。
4.2.9子母球由子球,母球外壳组成,母球由橡胶包层v子球均匀分布于母球外壳内并能转动。
4.2.10穴摩球表面的穴摩块分布均匀,与球体结合牢固。
5试验方法
5.1球体极限偏差、相对球体直径偏差,用分度值为0.02mm游标卡尺刚量。
5.2同副球相对质量差用感量为1g 的天平测量。
5.3镀层厚度用专用测量仪测量球的三个不同位置的镀层厚度值,取其平均值,即为该球的镀层厚度。
5.4音响的音质以耳听鉴别。
5.5︰磁感应强度用CT磁通表测量。
5.6磁块镶嵌于球体表面,饟嵌牢度用0.2T的强力磁棒吸引磁块,观察磁块是否脱落。
5.7球的规格及一般性能要求用感官测定。
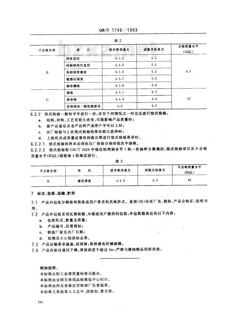
6检验规则
6.1产品须经生产厂检验部门检验并附合格证方可出厂。
6.2产品检验分出厂检验和型式检验。
6.2.1出厂检验按GB/T 2828规定的--般检查水平Ⅰ的一次正常抽样方案,出厂检验项目及合格质量水平(AQL)值按表2的规定进行。
部分标准内容:
健身球
1主题内容与适用范围
QB/T17461993
本标准规定了健身球的产品分类、技术要求、试验方法、检验规则、标志、包装、运输、贮存。本标准适用于不同种类与规格的健身球。2引用标准
GB/T2828逐批检查计数抽样程序及抽样表(适用于连续批的检查)周期检查计数抽样程序及抽样表(适用于生产过程稳定性的检查)GB/T2829
3产品分类
3.1产品规格及型号
见表1。
镀钛球镀铬球刻花球石头球
特3号
特2号
特1号
3.2产品型号表示方法
(直径)
空心仿景实心仿景仿景
包胶球仿玉球磁疗球穴摩球
音乐球子母球
泰蓝球
泰蓝球
泰蓝球
产品型号由三部分组成,首部由二个汉语拼音字母组成,DT表示产品代号,中间用阿拉伯数字,表示产品型号;尾部用二个阿拉伯数字,表示产品直径。各部之间用一横线隔开。型号表示举例如下:中华人民共和国轻工业部1993-04-15批准162
1993-12-01实施
4技术要求
4.1主要性能指标
QB/T 1746--1993
DT-2-50
产品直径,50mm;
产品型号,2型;
产品代号,镀钛球。
4.1.1每副球由两个同规格的球组成。4.1.2球体直径的极限偏差为士1.2mm。4.1.3同副球相对直径偏差,不大于0.8mm。4.1.4球的音响清脆悦耳,同副球应有明显差异。4.1.5同副球相对质量差不大于25g。4.1.6球体表面镀层均匀,镀层总厚度不小于0.012mm。4. 1.7
每磁块中心磁感应强度不低于0.025T。磁体镶嵌牢固,不允许高出球体表面,低于球面的深度不大于0.4mm。一般性能要求
金属表面镀层均匀、光亮,不能露铜。刻花球表面图案纹路清晰,不允许有影响图案整体外观的断笔。4.2.2
仿玉球、石头球和仿景泰蓝球表面光亮,直径为0.2mm~0.:4mm的气孔不得超过8处。4.2.3
4.2.4景泰蓝球表面光亮,不允许有大于0.4mm直径的气孔存在。仿景泰蓝球、景泰蓝球表面云丝不得有明显的掉丝和不露丝现象。4.2.51
包胶球包层均匀,图案清晰。
4.2.7音乐球音质应清晰悦耳。
4.2.8石头球表面光亮,用质地细腻的天然石制成。4.2.9子母球由子球、母球外壳组成,母球由橡胶包层,子球均匀分布于母球外壳内并能转动。4.2.10穴摩球表面的穴摩块分布均匀,与球体结合牢固。5试验方法
5.1球体极限偏差、相对球体直径偏差,用分度值为0.02mm游标卡尺测量。5.2同副球相对质量差用感量为1g的天平测量。5.3镀层厚度用专用测量仪测量球的三个不同位置的镀层厚度值,取其平均值,即为该球的镀层厚度。5.4音响的音质以耳听鉴别。
5.5磁感应强度用CT磁通表测量。5.6磁块镶嵌于球体表面,镶嵌牢度用0.2T的强力磁棒吸引磁块,观察磁块是否脱落。5.7球的规格及一般性能要求用感官测定。6检验规则
6.1产品须经生产厂检验部门检验并附合格证方可出厂。6.2产品检验分出厂检验和型式检验。6.2.1出厂检验按GB/T2828规定的--般检查水乎直的一次正常抽样方案,出厂检验项目及合格质量水平(AQL)值按表2的规定进行。163
TKAKAa
不合格分类
球体直径
同副球相对直径
每副球质量差
磁感应强度
磁体镶嵌
球音响
QB/T 1746—1993
技术要求条文
各种球的一般性能要求
试验方法条文
型式检验一般每半年进行一次,在有下列情况之一时也应进行型式检验。6.2.2
结构、材料、工艺有较大改变,可能影产品质量时;新产品鉴定及老产品转产或停产半年以上时;出厂检验与上次型式检验结果有较大差异时;上级机关或质量监督机构提出需进行型式检验要求时。合格质量水平
型式检验的样本必须在出厂检验合格的批次中抽取。6. 2. 2. 1
型式检验按GB/T2829中规定的判别水平1的一次抽样方案规定,型武检验项目及不合格6. 2. 2. 2
质量水平(RQL)值按表3的规定进行。表3
不合格分类
标志、包装、运输、贮存
镀层厚度
技术要求条文
试验方法条文
不合格质量水平bzxz.net
7.1产品内包装分精装和简装或用户要求的其他形式。盒面(内)应有厂名、商标、产品合格证、说明书等。
7.2产品外包装采用瓦楞纸箱、木箱或用户提供的包装,外包装箱面应有以下内容:a.
包装形式、数量及质量;
产品编号、注册商标;
制造厂家及出厂日期;
防潮及小心轻放标志等。
7.3产品运输要求遮盖、防雨淋,装卸避免机械碰撞。7.4产品存放应通风干燥,堆放高度不超过3m,严禁与腐蚀物品同库存放。附加说明:
本标准由轻工业部质量标准司提出。本标准由全国文体用品标准化中心归口。本标准由河北省保定市铁球厂负责起草。本标准主要起草人王志中、段桂如、曹天厚。164
小提示:此标准内容仅展示完整标准里的部分截取内容,若需要完整标准请到上方自行免费下载完整标准文档。
标准图片预览:



- 热门标准
 - QB轻工标准
 
- QB/T5302-2018 生活用干纸巾流延聚乙烯(CPE) 包装膜
 - QB/T2833-2006 运动营养食品 能量控制食品
 - QB/T1640-1992 陶瓷模用石膏粉物理性能测试方法
 - QB/T4701-2014 毛发护理器具环境意识设计导则
 - QB/T1334-2013 水嘴通用技术条件
 - QB/T2421-1998 铝及铝合金不粘锅
 - QB/T1272-2012 毛皮 化学试验样品的准备
 - QB/T1949-2004 扬琴
 - QB/T2049.5-1994 电光源玻壳K型玻壳尺寸系列
 - QB6005-1992 麦芽厂设计规范
 - QB/T2094.5-1995 鸡尾锯
 - QB/T2173-2001 尼龙拉链
 - QB/T4427-2012 芸香浸膏 枫香树脂提取物
 - QB/T4704-2014 腿脚按摩器
 - QB∕T4971-2018 婴幼儿配方乳粉行业产品质量安全追溯体系规范
 
- 行业新闻
 
网站备案号:湘ICP备2025141790号-2