- 您的位置:
- 标准下载网 >>
- 标准分类 >>
- 轻工行业标准(QB) >>
- QB/T 1748 -1993 织物打印色带
标准号:
QB/T 1748 -1993
标准名称:
织物打印色带
标准类别:
轻工行业标准(QB)
标准状态:
现行出版语种:
简体中文下载格式:
.zip .pdf下载大小:
177.23 KB

点击下载
标准简介:
QB/T 1748 -1993.
5.1 外观检验
用且湖法检验,产品应符合4.1的要求。
5.2尺寸检验
5.2.1色带宽度检验
用测量分度值不低于0.1mm的长度测量器具,每隔2m 测量--次色带宽度,共测最三次:7m 以下长度的色带任选三处测量,均应符合4.2.1.1的要求。
5.2.2 接口处熔融宽度、压痕宽度检验
用测量分度值不低于0.1mm 的长度测量器具,在距色带边缘0.5mm 的整个接缝范围内测量闭环色带接缝熔融窒度和压痕宽度,应符合4.2.1.2和4.2.1.3的要求。
5.2.3色带长度检验
用测量分度值不低于1rnm 的长度测量器具测量色带的长度,应符合4.2.2的要求。
5.2.4 色带厚度和接口处浮度检验
用溯量分度值不低于0.1mm的长度浏量器具在距色带边缘0.5mm 的整个色带范围内,测量色带厚度和接口处厚度,应符合4.2.3的要求。
5.3 断裂强力检验
取相同规格的色带三段﹐在分度值为1N/格的试验拉力机上﹐以100~110mm/min 的拉伸速度进行测试,取其算术平均值,应符合4.3的要求。按同样的方法稠量接口断裂强力,应符合4.3的要求。
5.4色带勾带缝、空心铆钉及双色色区宽度检验
用测量分度值不低于0.1mm 的长度测量器具,测量开环色带勾带缝尺寸和铆钉的位置,应符合4.4的要求。
用溯量分度值不低于1.0mm 的长度测量器具,测量空心铆钉尺寸,应符合4.4的要求。
用测量分度值不低于0. 1mm 的长度测量器具,在色带全长上任选五个点测量双色色带的色区宽度,应符合4.5的要求。
5.5色带使用寿命检验
5.5.1 棉、蚕丝打印色带
取25cm长的色带安装于适当性能的电传打字机上(字模打印方式),清洗字头后在中等打印力( 50bar)的条件下,打印包括“%B.E.G.M.N”六个字符,以30个字符为--行进行连续打印,打印行数见表5,打印用纸为70g/m2208电传纸,打出印迹和色带完好程度应符合4.6的要求,用探头直径为10mm的测色色差计测量印迹的值,测量三次,取平均值。
5.5-2 合成纤维打印色带
将色带安装于24针电脑打印机上,清洗打印头端面,将双层纸张调节钮放到最小位置,装好色带并使其固定。用电脑输入ASCII码中的“%B.E.G.M.N"六个字符,以30字符为一行进行连续打印,打印行数见表5,每行字符都应在色带的原处打出,打印用纸为7Og/m电子计算机打印用纸,打出印迹应符合表6的要求。停机20min后继续打印,打印行数见表5,色带完好程度应符合4.6的要求。用探头直径为1Omrn的测色色差计测量印迹的L值,测量三次,取平均值。
5.6印迹清晰度检验
在完成5.5检验操作24h后观察打字印迹,字迹首行应符合4.8的要求。
5.7印迹日晒牢度检验
按5.5的操作方法另打一个印样,按GB/T 413试验,按GB/T 730评定,应符合4.9的要求。
5.8经纬密度检验

部分标准内容:
织物打印色带
主题内容与适用范围
QB/T1748-1993
本标准规定了织物打印色带产品分类、技术要求、试验方法、检验规则、标志、包装、运输、贮存。本标准适用于信息处理用办公机器和打印机用织物打印色带。2引用标准
印染布日晒牢度试验方法
GB 413
GB730耐光和耐气候色牵度蓝色羊毛标准GB/T2828逐批检查计数抽样程序及抽样表(适用于连续批的检查)GB/T2829周期检查计数抽样程序及抽样表(适用于生产过程稳定性的检查)3产品分类
色带的产品分类见表1。
按织物材料分
按油曼色别分
按带边加固方式分
按色带形式分
4技术要求
4.1外观
合成纤维(尼龙)
色(黑、红)
色带不应有皱纹、疵点等影响使用的缺陷,油墨应涂敷均匀;b.
切边色带的边缘应光洁,不得绽开,并且具有柔软性;接
开式色带中不应有接缝,闭环色带中允许有一个接缝,接缝应具有柔软性;色带换向用的空心铆钉应光滑,无锈蚀现象。4.2尺寸
中华人民共和国轻工业部1993-04-15批准接
1993-12-01实施
4.2.1宽度
4.2.1.1色带宽度
色带的宽度要求见表2。
11~14.3
190~445
QB/T1748--1993
公称宽度中未列入色带宽度的极限偏差,应和序列尺寸相近且以偏小的宽度要求为准。4.2.1.2接口处熔融宽度应小于1.0mm。4.2.1.3接口处压痕宽度应小于5.0mm。4.2.2长度
色带长度≤1m的极限偏差为士1%,色带长度1m的极限偏差为士5%。4.2.3厚度
色带的厚度应小于0.14mm,
色带接口处厚度应小于0.20mm。4.3断裂强力
色带的断裂强力和色带接口的断裂强力要求见表3。表3
断裂强力
接口处
优等品
色带上的空心铆钉及勾带缝的尺寸和位置见表4和图1。4.4
基本尺寸L
#5铆钉下载标准就来标准下载网
合格品
iiKAoNiiKAc
4.5双色色带的色区宽度见图2。黑色区
红色区
4.6色带的使用寿命
QB/T 1748-1993
按表5规定的打印行数打印,第一次打印首行字迹与末行字迹色差△L值应4,5。合成纤维打印125行后不破损,棉蚕丝打印50行无破损。表5
织物材料种类
合成纤维
色带复原度
打印行数
停留 20min 后打印行数
按表5规定的打印行数打印,停留20min后打印首行字迹与第次打印90%行字迹的色差△L值应0。
4.8印迹清晰度
字迹首行经24h后,“%”圈中应有露白为清晰。4.9印迹日晒牢度
印迹日晒牢度要求见表6。
色带经纬线要求见表7。
织物材料种类
合成纤维
优等品
经纬线总根数不少于,根/cm
100~110
110~120
120以上
一等品
合格品
经密或纬密与经纬线总根数的一半之差不大于,%±15
注:例如经纬线总根数为100根,半则50根,最大允许相差土15%,即应在57.5~42.5根之间。5试验方法
受试样本的所有测试均应在正常大气条件下进行。正常大气条件:
激度:15~35C
相对湿度:45%~75%;
大气压力:86~106kPa。
5.1外观检验
QB/T 1748-1993
目測法检验,产品应符合4.1的要求。5.2尺寸检验
5.2.1色带宽度检验
用测量分度值不低于0.1mm的长度测量器具,每隔2m测量--次色带宽魔,共测量三次:7m以下长度的色带任选三处测量,均应符合4.2.1.1的要求。5.2.2接口处熔融宽度、压痕宽度检验用测量分度值不低于0.1mm的长度测量器具,在距色带边缘0.5mm的整个接缝范内测量闭环色带接缝熔融宽度和压痕宽度,应符合4.2.1.2和4.2.1.3的要求。5.2.3色带长度检验
用测量分斑值不低于1mm的长度测量器具测量色带的长度,应符合4.2.2的要求。5.2.4色带厚度和接口处厚度检验用测量分度值不低于0.1mm的长度测量器具在距色带进缘0.5m的整个色带范围内,测量色带厚度和接口处厚度,应符合4.2.3的要求。5.3断裂强力检验
取相同规格的色带三段,在分度值为1N/格的试验拉力机上,以100-110mm/min的拉伸速度进行测试,取其算术平均值,应符合43的要求。按同样的方法测量接口断裂强力,应符合4,3的要求。5.4色带勾带缝、空心铆钉及双色色区宽度检验用测量分度值不低于D.1mm的长度测量器具,测量开环色带勾带缝尺寸和铆钉的位置,应符合4.4的要求。
用测量分度值不低于1.0mm的长度测量器具,测量空心铆钉尺寸,应符合4.4的要求。用测量分度值不低于0.1m的长度测量器具,在色带全长上任选五个点测量双色色带的色这宽度,应符合4.5的要求。
5.5色带使用寿命检验
5.5.1棉、蚕丝打印色带
取25cm长的色带安装于适当性能的电传打字机上(字模打印方式),清洗字头后在中等打印力(50bax)的条件下,打印贷括“%B.E.G.M.N\六个享符,以30个字符为一行进行连续打印,打印行数见表5,打印用纸为70g/m*208传纸,打出印迹色带完好程度应符合4.6的要求,用探头直径为10mm的测色色差计测量印迹的值,测三次,取平均值。5.5.2合成纤维打印色带
将色带安于24针电脑打印机上,清洗打印头嘴面,将双层纸张调节钮放到最小位置,装好色带并使其定。用电脑输入ASCII码中的“%B.E.G.M.N\六个字符,以30字符为行进行连续打印,打印行数免表5,每行字符都应在色带的原处打出,打印用纸为70g/m电手计算机打印用纸,打出印迹应符合表6的要求。停机20xn后继续打印,打印行数见表5,色带完好程度应符合4.6的要求。用探头直径为10mm的测色色差计测量印迹的L值,测量三次,取平均值。5.6印迹清晰度检验
在完成5.5检验操作24h后观察打字印迹,字迹首行应符合4.8的要求。5.7印迹日晒牢度检验
按5.5的操作方法另打一个印样,按GB/T413试验,按GB/T730评定,应符合4.9的要求。5.8经纬密度检验
QB/T1748--1993
略去织物的织边或裁边后,在三个不间的位置上,用织物密度分析仪及精度相同的仪器测出1cm织物的经线数和纬线数,均应符合4.10的要求。6检验规则
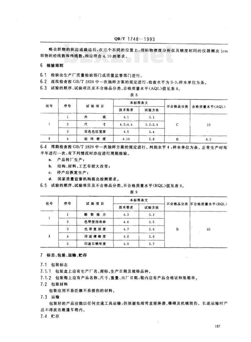
6.1检验由生产厂质量检验部门或质量监督部门进行。逐批检查按GB/T2828中-次抽样方案的规定进行,检查水平为S-3,样本单位为条。6.2
3试验的顺序、试验项目及不合格品分类、合格质量水平(AQL)值见表8。6.3
试验项目
双色色区宽度
经缔密度
本标准条文
技术要求
试验方法
不合格分类
合格质慧水平(AQL)
6.4周期检查按GB/T2829中-次抽样方案的规定进行。判别水平1,样本单位为条。正常生产时每半年进行次,有下列情况时亦应进行周期检验。产品转厂生产,
结构、材料、工艺有较大改变;停产后恢复生产,
国家质量监督机构携出检测要求。6.5试验的顺序、试验项目及不合格品分类,不合格质量水平(RQL)值见表9。表9
试验项目
断裂强力
色带使用寿命
色带复原度
印迹清晰度
印迹日晒率度
7标志、包装、运输、存
7.1包装标志
本标准条文
技术要求
试验方法
7.1.1包装盒上应有生产厂名、商标、生产日期及规格品种。不合格品分类不合格质量水平(RQL)3
7.1.2包装箱上应有产品名称、只寸、重量、出产日期,箱内应有产品合格证和装箱单7.2包装材料
包装应用不易泛潮不易损伤的材料。7.3运输
包装好的产品应能以任何交通工具运输,但须避免雪直接淋袭、曝晒及机械损伤。长途运输时产品不得放在散綫车箱内
7.4贮存
QB/T1748-1993
产品不得放在露天仓库中,仓库环境温度为一5~40℃,相对凝度为40%~80%,室内无酸、碱等腐蚀性气体,产品包装箱应垫高,离地面30mm以上,距离墙壁及取暖或空调设备至少1m。附加说明:
本标准由轻工业部质量标准司提出。本标准由全国文体用品标准化中心归口。本标准由北京文教用品厂、上海复写纸厂负责起草。本标准主要起草人高秋蓉、李绍满、孙瑞祥、宋仲安、曹天厚。188
iiKAaNi KAca
小提示:此标准内容仅展示完整标准里的部分截取内容,若需要完整标准请到上方自行免费下载完整标准文档。

标准图片预览:





- 其它标准
- 热门标准
- QB轻工标准
- QB/T1957-1994 铝锅
- QB/T5396-2019 水晶自动研磨机
- QB/T2485-2000 香皂
- QB/T2062-2006 贵金属饰品
- QB/T4625-2014 黄瓜罐头
- QB/T2578—2002 陶瓷原料化学成分光度分析方法
- QB/T1693-1993 制浆造纸机械设备术语
- QB/T2894-2007 丙烯腈-丁二烯-苯乙烯(ABS)色母料
- QB/T5287一2018 口腔清洁护理用品牙膏用美洲大蠊提取物
- QB/T5201-2017 冰衬疫苗保存箱
- QB/T1975—2004 护发素
- QB/T5281-2018 数显花洒
- QB/T2896-2007 纸和纸板湿拉毛和湿排 斥的测定
- QB/T2961-2017 美工刀
- QB/T4428-2012 电动自行车用锂离子电池产品规格尺寸
- 行业新闻
网站备案号:湘ICP备2023016450号-1