- 您的位置:
- 标准下载网 >>
- 标准分类 >>
- 轻工行业标准(QB) >>
- QB/T 1927. 13-1993 制浆造纸设备能量平衡及热效率计算方法
标准号:
QB/T 1927. 13-1993
标准名称:
制浆造纸设备能量平衡及热效率计算方法
标准类别:
轻工行业标准(QB)
标准状态:
现行出版语种:
简体中文下载格式:
.zip .pdf下载大小:
284.28 KB
点击下载
标准简介:
QB/T 1927. 13-1993.
1主题内容与适用范围
QB/T 1927. 13规定了多效蒸发装置能量平衡及热效率的计算方法。
QB/T 1927. 13适用于制浆造纸企业碱回收黑液多效蒸发装置的能量平衡及热效率测试与计算。
2引用标准
QB/T 1927.1制浆 造纸企业设备能量平衡计算方法通则
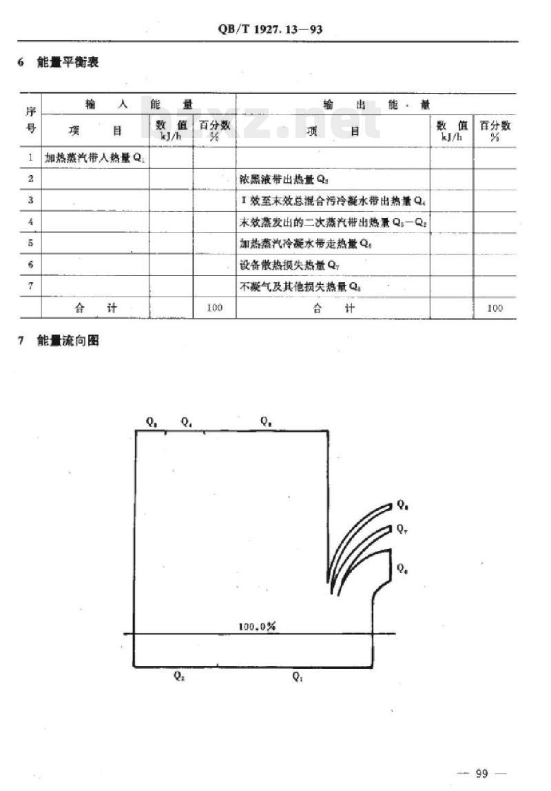
3能量平衡方框图
3.1能量平衡方框图的边界
体系是以稀黑液和加热蒸汽进口开始至浓黑液出口及各效冷凝水和末效二次蒸汽出口为本体系的边界。
3.2能量平衡图中符号的意义
Q--加热蒸汽带人热量;
Q:--稀黑液带人热量;
Q3-浓黑液带出热量;
Q.- I效至末效总的混合污冷凝水带出热量;
Qs-末效蒸发 出的二次蒸汽带出热量;
Q;-加热蒸 汽冷凝水带走热量;
Q,-设备 散热损失热量;
Q:-不凝 气及其他损失热量。
3.3图中符号 单位均为kJ/h.
4能量平衡计算
4.1输人热量
4.1.1加热蒸汽带 人热量Q1 ,kJ/h,按公式(1)计算
Q1=G,(i"-i' )
(1)式中:Gi-加热蒸汽总 用热量,kg/h;
i"一加热蒸汽的热焓 ,kJ/kg;
i'一- 环境温度下水的热焓,kJ/kg.
4.1.2稀黑液带入热量 Q;,kJ/h,按公式(2)计算
式中:G2--进效稀黑液总量,kg/h;
进效稀黑液比热,kJ/(kg. K);
进效稀黑液温度,C;
t--环境温度,C。
4.2输出 热量
4.2.1依黑液 带出热量Q;,kJ/h,按公式(3)计算
式中:G:一-出效浓黑液量,kg/h;
C3---出效浓黑液比热,kJ/(kg. K);
tg一-出效浓黑液温度,C;
t一环境温度,C。
4.2.2 I 效至末效总的混合污冷凝水带出热量Q,kJ/h,按公式(4)计算
式中:G,- I效至末效总的混合污冷凝水量, kg/h;
I效至末效总的混合污冷凝水比热,kJ/(kg. K);
I效至末效总的混合污冷凝水温度,C。
4.2.3末效蒸发 出的二次蒸汽带出热量Q,kJ/h,按公式(5)计算
部分标准内容:
QB/T1927.1928—93
制浆造纸设备能量平衡及
热效率计算方法
1994—01-06发布
中华人民共和国轻工业部
1994-08-01实施
中华人民共和国行业标准
QB/T1927.13-93
多效蒸发装置能量平衡及热效率计算方法主题内容与适用范围
本标准规定了多效蒸发装置能量平衡及热效率的计算方法本标准适用于制浆造纸企业碱回收黑液多效蒸发装置的能量平衡及热效率测试与计算。引用标准
QB/T1927.1
制浆造纸企业设备能量平衡计算方法通则能量平衡方框图
3.1能量平衡方框图的边界
体系是以稀黑液和加热蒸汽进口开始至浓黑液出口及各效冷凝水和末效二次蒸汽出口为本体系的边界。
3.2能量平衡图中符号的意义
Q加热蒸汽带入热量
Q:—稀黑液带人热量:
浓黑被带出热量:
一I效至末效总的混合污冷疑水带出热量一末效蒸发出的二次蒸汽带出热量:中华人民共和国轻工业部1994一01一06批准96
1994-08-01实施
QB/T1927.13-93
Q一加热蒸汽冷凝水带走热量:
Q:设备散热摄失热量:
Q:一一不凝气及其他摄失热量。3.3图中符号单位均为kJ/h。
4能量平街计算
4.1输人热量
4.1+1加热蒸汽带人热量Q1.kJ/h,按公式(1计算Q,-G(-i)
式中:G一加热蒸汽总用热量,kg/hi—加热蒸汽的热焙,kJ/kgt
}\——环境温度下水的热熔,kJ/kg。4.1.2稀黑液带人热量Q2kJ/h,按公式(2)计算Q,-G,C.(t,-t)
式中G.进效稀黑范总量,kg/h:
进效稀黑液比热,kJ/(kg·K):t一进效稀黑液温度,C:
t-环境温度,C。
4.2输出热量
4.2.1浓黑液带出热量Qa+kJ/h,按公式(3)计算Q.=Gc.(t.-..
式中:G一出效浓黑液量,kg/h
C3-出效浓黑液比热,kJ/ckg·K)t.出效浓黑液温度,
t—环境温度,C.
4.2.21效至末效总的混合污冷疑水带出热量Q4.kJ/h,按公式(4)计算Q,-Ge-t).
式中:G【效至末效总的混合污冷凝水量,kg/h:C
1效至末效总的混合污冷凝水比热,kJ/(kg·K):t一一1效至末效总的混合污冷疑水温度,C。4.2.3末效蒸发出的二次蒸汽带出热量Q5+kJ/h,按公式(5)计算Q-G..-)
式中:Gs一末效蒸发出的二次蒸汽量.kg/hi一末效蒸发出的二次蒸汽的热焙,kJ/kg4.2.4加热蒸汽冷凝水带走热量QkJ/h,技公式(6)计算Q,-G.(.\-i\)
加热蒸汽结水量kg/h:
QB/T1927.13—93
i\加热荐汽凝结水的热焙,kJ/kg。4.2.5设备散热损失热量Q.kJ/h.按公式(7)计算Q,-ZFa(t,-t)
式中:F-
每效蒸发器表面散热面积,m:
保温层表面放热系数.kJ/(m2.K.h):(7
对于表面不超过150C时,其α放热系数可以近似计算:α=8.4十0.06(1t一t)×4.187t
一每一效蒸发器保温层外表平均温度,,4.2.6不凝气及其他损失热量QskJ/h,按公式(8)计算Q=(Q+Q)-(Q+Q+Q.+Q+Q)
5设备热效率计
5.1有效热量Qx.kJ/h,按公式(9)计算Q=Q+(Q+Q)-Q.
供给热量Qcg+kJ/h,按公式(10)计算5.2
QGG=Q1
损失热量Qss,kJ/h,按公式(11)计算5.3
Q=Q+Q+Q)
多效蒸发装置正平衡热效率证·kJ/h,按公式(12)计算Q:+(Q+Q)-Q
X100%=
多效蒸发装置反平衡热效率反,kJ/h,按公式(13)计算5.5
Q+Q+Q×100%
Q)×100%=(1-9
假(1
(9)
能量平衡表
加热蒸汽带人热量Q:
能量流向图
OB/T1927.13—93
百分数
浓黑液带出热量Q:
I效至末效总混合污冷置水带出热量Q末效蒸发出的二次蒸汽带出热量Q:一Q:加热带汽冷凝水带走热量Q
设备微热损失热量Q
不凝气及其他损失热量Q
百分数
QB/T1927.13-93
附录A
多效蒸发装置能量平及热效率计算实保(参考件)
五效蒸发装置能量平衡测试数据项目
加热蒸汽
进效稀希黑液
出V效半港液
进1效半浓液
出|效铱黑液
加热蒸汽冷凝水
1效至V效总的混台行冷凝水
末效二次燕汽
环境温度
m/h或t/h
能量平方框图(参见第3章)
A3能量平衡计算
A3.1输人热量
A3.1.1加热蒸汽带人热量Q
Q-G-i)
(Be直测)
换算与查表数据
Q,12.8X103x(2739.17104.67)=33721.6X10*kJ/hA3.1.2稀黑液带人热量Qz
QGgc(t-t)
式中进效稀黑液总质量G的换算:G,=V*d-80m*/hX1.087t/m2-86.96t/hQ=86.96X10X3.806X(87-25)=20520.13X103kJ/h
A4输出能量
A4.1浓黑液带出热量Q
Q=GC(t.-t)
式中出I效浓黑液质量G:的计算G.-V.. d.
固形物
kJ/Clkg+K)
QB/T1927.13-93
式中:V。—进1效半浓液流量,42m2/h:d—半浓液密度.1.162t/m
bm进1效半浓液洗度,29.83%!
b-—出1效浓液浓度,53.69%
G,=42×1.162×29.83
-27.115t/h
Q-27.115X10x2.952x(102—25)-6163.348×10*kJ/hA4+21效至末效总的混合污冷疑水带出热量QQ,=G.c(t-t)
式中I效至V效总的混合污冷疑水量G,的计算若因由I效至末效的各效蒸发出来的二次蒸汽(或水)量测定暂时有困难,可按进出效浓度变化进行计算。考虑到蒸发流程系混流式:稀黑液主要先进!效,部分稀黑液按比例补充进NV效和V效,原设计意图保持后三效蒸发量相同:由V效出来的半浓液再转人前两效(I、I效),故分两段计算。
A4.2.11V效每效平均蒸发水量G1~Vb
式中:G进效稀黑液量,80m/h
bh—进效稀黑液浓度,16.52%;一出V效半浓液液度,29.83%
80X1.087X10*X(1
=12.934X10-kg/h
A4.2.21至直数每效平均蒸发水G1~1G
式中,V。---进效半浓液流量+42m*/hd—半浓液密度,1.162t/m;
Ga—出I效浓黑液量,27.1t/h。(42×1.162-27.1)×10°10. 844×10 kg/hGL-
A4.2.3G.=G.+G.+G+G,=(10.844+12.934+12.934+12.934)X10349.646x10°kg/h
Q,=G,c(t-t)-49.646X10*X4.187X(70—25)=9354+051X103kJ/h
A4.3末效(V效)蒸发出的二次蒸发带出热量QsQ=Gsin-i)=12.934X10X(2591.16--104.670)=32160.262X10\kJ/h
A4.4加热蒸汽冷凝水带走热量Q
OB/T1927.13-93免费标准bzxz.net
Q,-G.(i-i)=12.8X10\X(519.16-104.670)=5305.472X10*k/h
A4.5设备散热损失热量Q1
Q,-ZF.a(t-t)
Q,此项设备散热损失,如果现场测试暂时有困难,也可以取设计参数计算。因多效蒸发装置运行状况较稳定,如果保温良好,根据绝热质量不同,此项热摄失可以选取1%3%,本例取2.0%计算。
Q,=2.0%X(Q,+Q)=0.02X(33721.6+20520.13)X101084.835X10kJ/h
A4.6不凝气及其他损失热量Q
Q(Q+Q)-(Q+Q+Q)-(Q+Q,)
Q.-(33721.6+20520.13)X10-(6163.348+9354.051+32160.262)X10号(5305.472+1084.835)X10
-54241.731X103-47677.661X10-6390.307X102-173.762X103kJ/h
A5多效(五效)蒸发装置热效率计剪A5.1有效热量Qx
Q=Q+Q+Q)-Q
=(6163.348+9354.051+32160.262-20520.13)x1032715.531X10kJ/hA5.2供给热量QcG
Qcc=Qi=33721.6×10kJ/h
A5.3损失热量Q5
Q-Q,+Q:+Q
=(5305.472+1084835+173.762)X103=6564.069X10°kJ/h
A5.4多效(五效)蒸发装置正平衡热效率Q+(Q+Q)-Q2×100%
Qn×100%=9
(6163.348+9354.051+32160.262-20520.13)×10)X100%
33721.6X10
A5.5多效(五效)热发装置反平衡热效率h(Q:+Q:+Q)×100%
=(1(5305.472+1084.835+173.762)X10)2×100%
33721.6X109
=(1-0.19460)X100%
OB/T 1927.13--93
多效(五效)蒸发装置能量平衡表输
加热蒸汽带人热量Q
能量流向图
33721,6X10-
33721.600
百分数
浓黑液带出热量Q
【效至末效总混合污冷
凝水带出热量Q
末效藻发出的二改蒸汽
带出热量Q:-Q:
加热蒸汽冷凝水带走热
量Q:
设备散热摄失热量Q:
不凝气及其他损失热量
6163.348X103
9354.051X103
11640.132X10
5305.472X10
1084.835X10°
173.762X10
33721.600
百分数
OB/T1927.13-93
A8关于比热、度、固形物换算等有关参数可查阅造纸工作者手册》、碱回收技术参考资料》、造纸工业碱回收》等资料,均有草浆、木浆、竹浆等各种原料的黑液不同性质的有关参数。附加说明:
本标准由轻工业部造纸工业司提出。本标准由全国造纸标准化中心归口。本标准由福建省青州造纸厂,轻工业部造纸工业科学研究所负责起草,本标准主要起草人:魏启光,刘江毅,张少玲。104
小提示:此标准内容仅展示完整标准里的部分截取内容,若需要完整标准请到上方自行免费下载完整标准文档。
标准图片预览:





- 热门标准
- QB轻工标准
- QB2176-1995 非公路自行车安全要求
- QB∕T2919-2018 箱包 拉杆耐疲劳试验方法
- QB/T1949-2004 扬琴
- QB6005-1992 麦芽厂设计规范
- QB/T1032-1991 黄樟油
- QB/T2059-1994 照相放大灯泡
- QB/T1639-1992 陶瓷模用石膏粉
- QB1920-1993 磁性卡片门锁技术条件
- QB/T2174-2006 不锈钢厨具
- QB/T3653-1999 羽毛球拍
- QB/T4969-2016 表面活性剂原材料和按配方制造产品中阳离子表面活性剂含量的测定电位滴定法
- QB/T3737.1-1999 民用、建筑灯具玻璃罩口径尺寸
- QB/T3876-1999 抽芯型合页
- QB/T1616-1992 运动手套
- QB/T4214-2011 棒糖扭结包装机
- 行业新闻
网站备案号:湘ICP备2025141790号-2