- 您的位置:
- 标准下载网 >>
- 标准分类 >>
- 铁路运输行业标准(TB) >>
- TB/T 2768-1996 铁路机车动车电子设备元器件、可编程电子设备与电子系统的可靠性
标准号:
TB/T 2768-1996
标准名称:
铁路机车动车电子设备元器件、可编程电子设备与电子系统的可靠性
标准类别:
铁路运输行业标准(TB)
标准状态:
现行出版语种:
简体中文下载格式:
.zip .pdf下载大小:
9.56 MB
点击下载
标准简介:
TB/T 2768-1996.Reliability of electronic equipment components, programmable electronic equipment and electronic system for railway locomotive and train.
1主题内容和适用范围
TB/T 2768等效采用IEc 571一3《铁路机车动车电子设备第3部分:元器件、可编程电子设备与电子系统的可靠性》标准
TB/T 2768规定了铁路机车和动车电子设备的元器件的选择、可编程电子设备以及电子系统的可靠性等。
TB/T 2768适用于TB 1394范围内的电子设备
TB/T 2768适用于新设计的产品。对已经或正在生产的产品或者根据原有设计原则已定型的产品,可参照采用。
2引用标准
GB 1772电子元器件 失效试验方法
GB 3187可靠性基本名 词术语及定义
GB5081电子产品现场工作可靠性、有效性和维修性数据收集指南
GB6990电子设备元器件(或部件)规范中可靠性条款的编写指南
GB6991电子元器件可靠性数据表示法
GB6992可靠性与维修性管理
GB7288设备可靠性试验
TB 1394铁道机车动车电子装置
PTIC 002邮电工业产 品可靠性管理办法
3元器件
3.1所用元器件均应符合有关标准。
3.2元器件的挑选与其它要求。
3.2.1元器件的 挑选。
对外购元器件,要进行质量认证,择优选用,做好下面两项工作:
部分标准内容:
TB/T2768-1996
铁路机车动车电子设备
元器件、可编程电子设备与电子系统的可靠性1997-0103发布
1997--07-01实施
中华人民共和国铁道部发布
中华人民共和国铁道行业标准
铁路机车动车电子设备
TB/T2768—1996
元器件、可编程电子设备与电子系统的可靠性1主题内容和适用范围
本标准等效采用IEC571一3《铁路机车动车电子设备第3部分:元器件、可编程电子设备与电子系统的可靠性》标准
本标准规定了铁路机车和动车电子设备的元器件的选择、可编程电子设备以及电子系统的可靠性等。
本标准适用于TB1394范围内的电子设备本标准适用于新设计的产品。对已经或正在生产的产品或者根据原有设计原则已定型的产品,可参照采用。
2引用标准
GB1772
GB3187
GB5081
GB6990
GB6991
GB6992
GB7288
TB1394
PTIC002
TB2587
3元器件
电子元器件失效试验方法
可靠性基本名词术语及定义
电子产品现场工作可靠性、有效性和维修性数据收集指南电子设备元器件(或部件)规范中可靠性条款的编写指南电子元器件可靠性数据表示法
可靠性与维修性管理
设备可靠性试验
铁道机车动车电子装置
邮电工业产品可靠性管理办法
铁道机车动车电子设备机械结构、电气参量及检测系统标准化一般原则3.1所用元器件均应符合有关标准。3.2元器件的挑选与其它要求。
3.2.1元器件的挑选。
对外购元器件,要进行质量认证,择优选用,做好下面两项工作:3.2.1.1首先对元器件生产厂的质量保证体系进行全面的考察,确认该厂具备稳定生产所需中华人民共和国铁道部1997—01—03批准1997-07-01实施
元器件的条件后,再商谈订货;TB/T2768—1996
3.2.1.2交货时,严格进行入库检查,按照抽样标准进行抽样检查,根据判定标准,决定接收或拒收,符合接收标准的方能入库。每种类型的元器件应至少能从两家生产厂采购(制造厂和用户另有协议的除外)。采用的元器件在设备投入使用后应保证能长期供应,某些元器件如果不再适用,则电子设备制造厂应提出替代的解决办法。3.2.1.3应按TB1394规定的环境条件挑选元器件,至少选择工业品等级(-25℃~一85℃)的元器件。
3.2.2元器件的筛选
元器件应通过外观检验、电老化和热老化等方法进行筛选,以期尽可能降低初期使用的失效率。
对所用元器件应按有关标准进行筛选,筛选工作如在元器件生产厂进行,则用户与生产厂应预先协商下列事项:
a)筛选类型;
b)筛选过的元器件标记;
c)提供有关元器件筛选和检验的记录。3.2.3寿命有限元器件的使用
应该避免采用使用寿命有限的元器件(例如电解质电容器、浪涌抑制器等)。若必须使用,则应做到易于更换。
对于内部使用原电池与蓄电池的设备,均须有明确标记,并指明更换日期。3.2.4防锈蚀保护
全部元器件,包括机械部分和散热器,均应防锈蚀。3.3元器件的订货
电子设备制造厂向元器件生产厂订货时,订单上应规定元器件的特性,并注意下列几点:技术规格;
质量等级;
检验职责;
筛选类别。
3.4元器件的检验
电子设备制造厂应保证元器件在安装前均已通过检验,检验可按下列规定之一进行:a)按元器件生产厂的规定;
b)按电子制造设备厂的规定。
3.5元器件的负载定额
负载定额必须符合规定要求,以使失效率降至最小。元器件负载定额的定义见表1,其值在温度25℃,工作(电压、电流、功率)在标称条件下进行计算和测试确定。
若某些设备负载经常处于较高条件时,则元器件的负载定额应按最高条件下的数值计算。对瞬变过载也应考虑在内。
推荐表1给出的负载定额值。
TB/T2768-1996
表1电子元器件的工作因素
元器件
电阻器
铝电解
质电容
器(非固
态电解
电容器
其它类
型电容
电阻器
整流三
极管和
信号三
二级管
晶闸管
晶体管
负载定额定义
p=实际功率/标称功率
p(Ue+V2r)/U
Ue:外施持续电压
V2Ua):外施交变电压峰值;
Ue.标称电压
p=实际功率/标称功率
p=正向平均工作电流/正向平均最大电流p=工作功率/最大功率
p=正向平均工作电流/正向平均最大电流p=工作功率/最大功率
注:①该栏数据不适于电力电路用的元器件。可编程电子设备
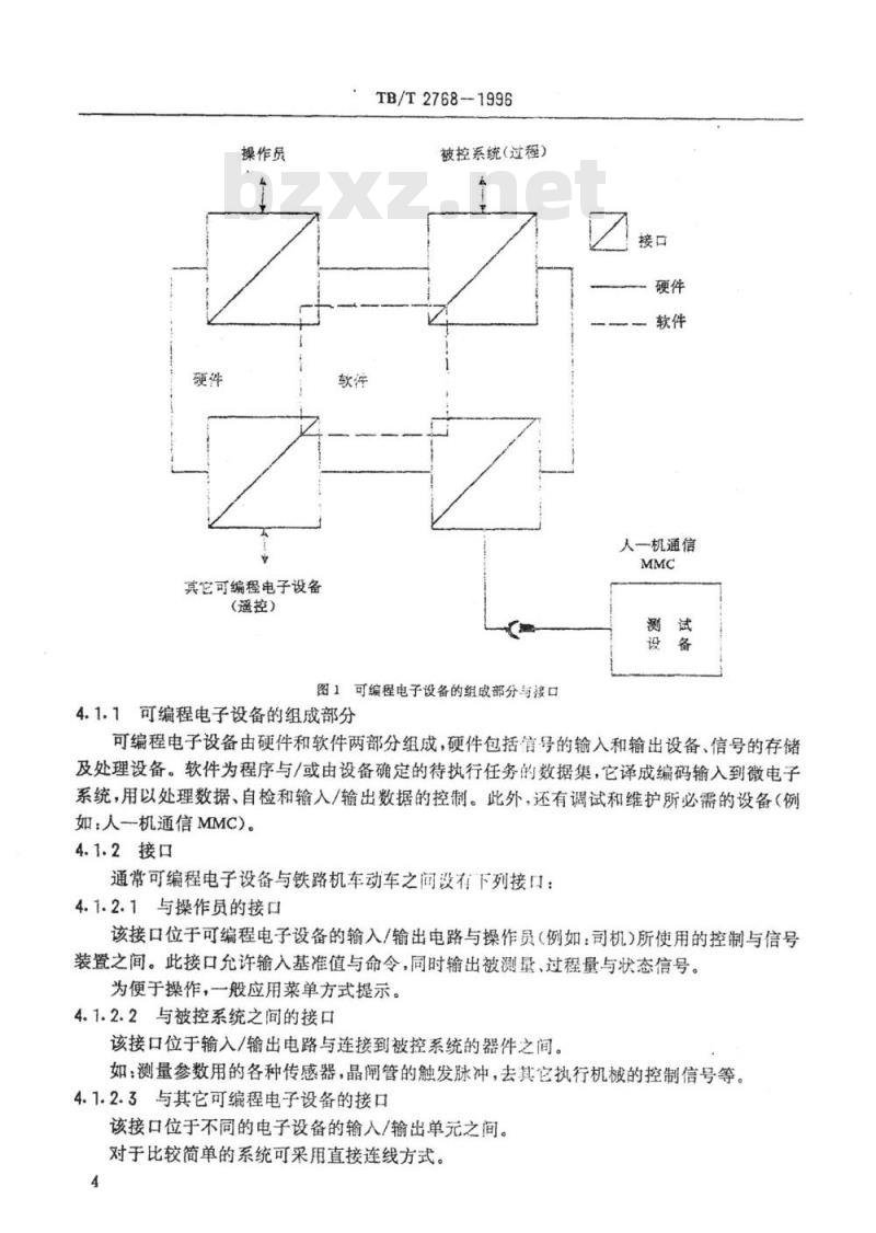
4.1组成部分与接口(见图1)
数值①
(R/V)>10/V
R:负载电阻
V.外施电压
其它条件
a)在环境温度70℃下,结温≤110℃b)外施反向电压/反向电压限值≤0.7对于稳压电源
≤0.5对于非稳压电源
在环境温度70℃下,结温<110℃。a)在环境温度70℃下,结温<110℃。b)外施反向电压/反向电压限值
≤0.7对于稳压电源
≤0.5对于非稳压电源
)在环境温度70℃下,结温≤110℃。b)(外施电压/规定的击穿电压)≤0.7c)相同电流限值
操作员
其它可编程电子设备
(遥控)
TB/T2768-1996
被控系统(过程)
图1可编程电子设备的组成部分与接口4.1.1可编程电子设备的组成部分接口
人一机通信
可编程电子设备由硬件和软件两部分组成,硬件包括信号的输入和输出设备、信号的存储及处理设备。软件为程序与/或由设备确定的待执行任务的效据集,它译成编码输入到微电子系统,用以处理数据、自检和输入/输出数据的控制。此外,还有调试和维护所必需的设备(例如:人一机通信MMC)。
4.1.2接口
通常可编程电子设备与铁路机车动车之间设有下列接口:4.1.2.1与操作员的接口
该接口位于可编程电子设备的输入/输出电路与操作员(例如:司机)所使用的控制与信号装置之间。此接口允许输入基准值与命令,同时输出被测量、过程量与状态信号。为便于操作,一般应用菜单方式提示。4.1.2.2与被控系统之间的接口
该接口位于输入/输出电路与连接到被控系统的器件之间。如:测量参数用的各种传感器,晶闸管的触发脉冲,去其它执行机械的控制信号等。4.1.2.3与其它可编程电子设备的接口该接口位于不同的电子设备的输入/输出单元之间。对于比较简单的系统可采用直接连线方式。4
TB/T2768—1996
对于车载多微处理器的分布式系统可采用总线方式。4.1.2.4人-机通信接口(MMC)
人一机通信接口位于输入/输出单元与测试设备之间,通常该接口对于调试和维护是必要的。如:键盘、显示器、便携式个人计算机和智能终端。4.2硬件
可编程电子设备应符合TB1394,TB/T2587中的所有技术要求和测试条件。此外还应满足下列要求:
4.2.1器件的选用
4.2.1.1器件必须采购有质量保证的产品。4.2.1.2只有高质量的生产厂的产品和广泛应用的大规模集成电路系列才被准许应用。应该尽量采用多货源的器件。
4.2.1.3选用器件要考到该技术领域的飞速发展,并确保等效或兼容元器件的连续供应。4.2.1.4要考虑器件适用的温度范围,特别是关键性的器件,应至少选用工业品级。4.2.2元器件的安装
4.2.2.1对于需要进行中间测试的电路,在印制板设计时应留有测试接点和端子。4.2.2.2集成电路一般不使用插座,但对于下列几种情况可使用插座;a)因测试可能需要拆除的微处理器及其它器件;b)因需修改程序可能要拆下的存储器;c)因为在拆下修理时,退焊可能会毁坏或降低印制板可靠性的大元件;d)配用专用插座的器件。如80186(PLCC一68pin),8097(PGA一68pin)等4.2.2.3所有非易失性存储器应予编码,以便于辨认。当器件装在电路板上时,应采用半永久型自粘标签标明版本号及其修改标志,在软件内部应有软件版本号的标记。4.2.3电磁兼容性
4.2.3.1可编程电子设备与外部控制设备之间的所有接口均应有电位隔离措施,对数字信号可采用光耦,继电器隔离;对于模拟信号中采用变压器,光耦隔离,或是采用运放跟随来提高负载能力。
可编程电子设备的所有总线均应在电路板交界处,用适当的总线驱动电路进行隔4.2.3.2
可编程电子设备除上述隔离外,还应采取屏蔽、滤波、选择合适的接地点等措施来抑4.2.3.37
制干扰。
4.2.4微处理器的自检和软件故障监示微处理器系统应具有自检手段,在每次初始化时能测试设备并检验它是否能正常运行。当自检出现故障时,应尽可能提供诊断信息,指示故障所在区域。微处理器系统应设有监视器(Watchdog),以便在运行不正常时能自动恢复到预定的状态。4.2.5电池维持的存储器
使用电池维持存储器时,应有正常情况下给电池充电的电路,并有在更换电池前将数据转存的能力。电池应易于更换。
4.2.6硬件资料
一般资料应包括:
a)电路图;
b)信号流程和功能框图:
c)调试大纲;
d)使用说明书;
e)元器件布图及明细表。
TB/T2768-1996
向用户提供的资料由各产品技术条件规定。:4.3软件
4.3.1总体设计
软件设计首先要编制有注释的功能方框图,说明制造者达到“功能规范”的途径。包括信号的输入、数据的处理、实现预定功能的方法、安全保护、输出数据的控制等。功能方框图为机车设计者与程序编制者间的桥梁。机车设计者通过功能方框图可审查控制是否能实现预定的要求,而程序编制者则可根据功能方框图具体地编制程序。4.3.2程序设计
4.3.2.1程序分系统程序和应用程序系统程序是系统管理操作的通用程序,是为用户配备的,它包括:语言翻译程序、服务性程序(装入、调试、诊断)和实时操作管理程序等。应用程序是根据功能需要而编制的程序。4.3.2.2程序设计应根据功能方框图的要求,按结构化的编程方法,将程序分成若干个程序模块。
程序模块为有确定功能,确定的输入和输出参数,有确定的入口和确定出口的编码组。每一模块只允许有一个入口和一个出口。为便于读懂、模块通常不超过50行高级语言,150行汇编语言。超长程序模块只能作为例外,例如要求执行时间很短者。4.3.2.3一个程序由层次化的程序模块构成。为了将各程序模块连接起来构成逻辑结构的数据和执行命令,可用分层次的流程图表达各模块之间的相互关系。用户无需了解程序模块的内部结构,但需了解程序模块的功能,输入和输出的规定状态以及入口和出口的确切地址。
4.3.2.4程序应便于修改,有良好的可读性,抗干扰和容错能力。4.3.3软件资料
软件资料应包括:
a)有注释的功能方框图。说明达到“功能规范”的途径;b)分层次的流程图。说明系统与各模块间的关系;c)系统存储器分配图和内部数据格式;d)每个程序模块应注明功能、输入和输出参数,入口及出口地址,调用条件,变量所占用的内存单元、流程图和源程序清单;e)适用的硬件电路图或要求的硬件环境(如内存规模等);f)采用的开发系统详细参考资料和软件调试步骤。6
TB/T2768-1996
向用户提供的软件资料一般仅为a项。4.3.4故障监视
微处理器靠硬件监视器(Watchdog)的作用,在软件故障时能恢复到预定的状态。应有微处理器系统上电自检的程序;应有对系统信号进行监测和保护的程序;应为调试和维护提供进入系统的通路。4.3.5软件的检测
a)在设计阶段分析检查是否符合第4.3.1和4.3.2条的技术要求b)对软件进行功能测试,应符合功能方框图中预定的要求;c)检验软件资料是否齐备、正确;d)检验软件是否有清晰正确的标识。4.3.6流程图中的图形符号
见附录A
5电子系统的可靠性
5.1可靠性要求
电子设备制造厂应对其生产的电子设备给出可靠性指标,为达到给定的可靠性,应考虑下列几点:
a)产品技术条件;免费标准下载网bzxz
b)系统设计;
c)电路设计、机械设计、总体布置及软件;d)元器件可靠性:
e)预期寿命;
f)运行应力等级,温度、定额、振动、负载等影响;g)制造质量;
h)维护。
有关计算、测定和判断可靠性指标所采用的方法,在开始设计工作时就应预先考虑。有关的国家标准可以作为指导:GB3187,GB6992,GB5081,GB6991,GB6990,GB7288。5.1.1产品技术条件
产品技术条件应给出电路功能、元器件质量、环境条件、供电电源、测试条件、产品性能等所有技术要求。
5.1.2系统设计
通过合理的系统设计来提高系统的可靠性,例如利用整台设备或其中重要部件的余度。5.1.3电路设计、机械设计、总体布置和软件电路设计、机械设计和总体布置等要利于提高设备的可靠性,使设备的可靠性不会受到不利的影响,在调试设备软件时应严格按照规定进行,以保证软件的性能不致下降。5.1.4元器件的可靠性
元器件可靠性数据,可由下列资料获得:7
a)用户的元器件可靠性数据;
b)国内参考数据;
c)设备制造厂的可靠性数据;
d)早期运用结果。
TB/T2768-1996
对从上述可靠性资料来源采集到的数据进行分析时,可将GB7288作为导则。5.1.5预期寿命
设备制造厂应利用现有的元器件可靠性数据来提供预期寿命的预测。5.1.6运行应力等级
为了提高设备的可靠性,元器件指标要明显地在元器件生产厂给出的数据基础上降级使5.1.7制造质量
设备制造厂应采用良好的装配工序,特别是应采取措施保证元器件不会因为存放不当或生产技术问题而造成质量的下降(如:在库存期间要保护元器件免受恶劣环境的损害,正确的加工工艺、使用工具和焊接工艺等)。生产工艺不应该降低原有的设计质量。5.1.8维护
设备制造厂应说明电子设备必需的维护要求,以保证达到预定的可靠性指标。用户也应对电子设备进行预计的维护和保养工作。5.2可靠性验证
用户应尽可能在电子设备装车考核或早期运用阶段,例如在保修期内,极其仔细地监视其工作性能。
设备制造厂应会同用户记录设备上的所有已知的工作情况,使用固定格式说明下列信息。a)故障情况;
b)被更换的元器件的标记(电路参考代码,型号,制造厂,生产批号等);c)由于设计弱点造成的故障;
d)由于软化问题造成的故障;
e)由于元器件质量引起的故障;f)由于装配质量引起的故障;
g)由于制造和维护质量引起的故障。上述信息将用以评定电子设备的可靠性指标对于电子设备使用初期发生的故障,依据使用程序,在初始的1000至3000工作小时内可以接受较低的可靠性,其数值由设备制造厂与用户协商决定,国标GB5081可用作导则。8
附加说明:
基本符号
TB/T2768-1996
附录A
流程图中的图形符号
表示确定的操作或一组操作。
表示一个决定或导致多种选择途径的转移操作。表示不指定媒界的输入/输出操作。表示一组予定的操作,如子程序。指与处理不同步的手动操作(如合电源)指处理期间在线输入信息,如通过键盘、开关等。指任一终端,如起始、完成或中断。指另一页上的入口或出口。
指同页中由图的不同部位进入或引出的入出口用箭头表示流向
标准由铁道部株洲电力机车研究所提出并归口:本标准由株洲电力机车研究所负责起草;本标准主要起草人陈开先严云升
小提示:此标准内容仅展示完整标准里的部分截取内容,若需要完整标准请到上方自行免费下载完整标准文档。
标准图片预览:





- 其它标准
- 热门标准
- TB铁路运输标准
- TB/T2769-2008 重型轨道车试验方法
- TB/T1686-2000 25t电动架车机技术条件
- TB/T3015.6-2001 铁道车辆整体车轮外形尺寸检测量具技术条件轮辋宽度卡尺
- TB/T2075.4-2002 电气化铁道接触网零部件 第4部分:双横承力索线夹
- TB/T2075.54-2002 电气化铁道接触网零部件 第54部分:接地线连接线夹
- TB/T3121-2005 铁路食(饮)具洁净度ATP生物发光检测法和分级判定
- TB/T2455.15-2006 铁道货车减振器斜楔量规
- TB/T2922.2-1998 铁路混凝土用骨料碱活性试验方法化学法
- TB/T2472-1993 DK.S型道口闪光器
- TB/T2494.1-1994 轨道车辆车轴探伤方法 新制车轴超声波探伤
- TB1670.8-1985 15号车钩钩体防跳台样板
- TB/T2997.1-2000 铁路程控共线电话设备 主控机技术要求及试验方法
- TB/T3107-2011 铁道客车单元式组合车窗
- TB/T3112.2-2017 铁路车站电码化设备 第2部分:发码、检测、调整器
- TB/T1333.3-2004 铁路应用 机车车辆电气设备 第3部分:电工器件 直流断路器规则
- 行业新闻
网站备案号:湘ICP备2025141790号-2