- 您的位置:
- 标准下载网 >>
- 标准分类 >>
- 化工行业标准(HG) >>
- HG/T 3402-2010 代替 HG/T 3402-2002 直接深红 4BR(直接耐酸枣红)
标准号:
HG/T 3402-2010
标准名称:
代替 HG/T 3402-2002 直接深红 4BR(直接耐酸枣红)
标准类别:
化工行业标准(HG)
标准状态:
现行出版语种:
简体中文下载格式:
.zip .pdf下载大小:
795.75 KB
点击下载
标准简介:
HG/T 3402-2010.Direct dark red 4BR(Direct fast bordeaux).
1范围
HG/T 3402规定了直接深红4BR(直接耐酸枣红)产品的要求、采样、试验方法、检验规则以及标志、标签、包装、运输和贮存。
HG/T 3402适用于直接深红4BR的产品质量控制。
相对分子质量:827. 75和870. 77(按2007年国际相对原子质量)
2规范性引用文件
下列文件对于本文件的应用是必不可少的。凡是注日期的引用文件,仅注日期的版本适用于本文件。凡是不注日期的引用文件,其最新版本(包括所有的修改单)适用于本文件。
GB/T 2374-2007 染料染色测定的一般条件规定
GB/T 2375-2003 直接染料染色色光和强度的测定
GB/T 2381-2006染料及染料中间体不溶 物质含量的测定
GB/T 2383染料筛分细度的测定
GB/T 2386-2006染料及染料中间体水分的测定
GB/T 3920-2008 纺织品色牢度试验耐摩擦色牢度(mod ISO 105-X12 : 2001)
GB/T 3921-2008纺织品色牢度试验耐皂洗色牢度(mod ISO 105-C10 : 2006)
GB/T 3922-1995纺织品耐汗渍色牢度试验方法(eqv ISO 105-E04 : 1994)
GB/T 4841.1-2006染 料染色标准深度色卡1/1
GB/T 5713-1997纺织品色牢度试验耐水色牢度(eqv ISO 105-E01 : 1994)
GB/T 6152-1997纺织品色牢度试验耐热压色牢度(eqv ISO 105-X11 : 1994)
GB/T 6678-2003化工产品采样总则
GB/T 8427-2008 纺织品色牢度试验 耐人造 光色牢度:氙弧(mod ISO 105-B02 : 1994)
GB 19601染料产品中23种有害芳香胺的限量及测定
GB 20814染料产品中10种重金属元素的限量及测定
3要求
3.1 外观:深棕色均匀粉末。
3.2直接深红 4BR的质量要求应符合表1的规定。
部分标准内容:
备案号:30159——2011
中华人民共和国化工行业标准
HG/T3402—2010
代替HG/T3402—2002
直接深红4BR
(直接耐酸枣红)
Directdark red4BR
(Direct fast bordeaux)
2010-11-22发布
2011-03-01实施
中华人民共和国工业和信息化部发布直接深
B(直接耐酸枣红)
HG/T3402—2010
本标准依据GB/T1.1一2009《标准化工作导则第1部分:标准的结构和编写》进行编制。本标准代替HG/T3402—2002《直接深红4BR(直接耐酸枣红)。本标准与HG/T3402—2002相比,除编辑性修改外主要技术变化如下:增加了有害芳香胺的量和重金属元素的量指标(见3.2);增加了有害芳香胺的量和重金属元素的量测试方法(见5.6、5.7)。请注意本文件的某些内容可能涉及专利。本文件的发布单位不承担识别这些专利的责任。本标准由中国石油和化学工业协会提出。本标准由全国染料标准化技术委员会(SAC/TC134)归口。本标准起草单位:沈阳化工研究院有限公司。本标准主要起草人:姬兰琴,马君庆。本标准所代替标准的历次版本发布情况为:HG2-1313—1980;
HG/T3402-1980
HG/T3402—2002。
TKANTKAca-
1范围:
直接深红4BR(直接耐酸枣红)
HG/T3402—2010
本标准规定了直接深红4BR(直接耐酸枣红)产品的要求、采样、试验方法、检验规则以及标志、标签、包装、运输和贮存。
本标准适用于直接深红4BR的产品质量控制。结构式:
H,COCHN-
H,COCHN
NHCONH
分子式C36H27NNaO1oS和CHagNNa2O11SOH
相对分子质量:827.75和870.77(按2007年国际相对原子质量)2规范性引用文件
NHCOCH
NHCOCH
下列文件对于本文件的应用是必不可少的。凡是注日期的引用文件,仅注日期的版本适用于本文件。凡是不注日期的引用文件,其最新版本(包括所有的修改单)适用于本文件。GB/T2374—2007
GB/T2375—2003
GB/T2381—2006
GB/T2383
GB/T2386—2006
GB/T 3920—2008
GB/T3921—2008
GB/T3922—1995
染料染色测定的一般条件规定
直接染料染色色光和强度的测定染料及染料中间体不溶物质含量的测定筛分细度的测定
染料及染料中间体水分的测定
纺织品
纺织品
色牢度试验耐摩擦色牢度(madISO105-X12:2001)色牢度试验耐皂洗色牢度(modISO105-C10+2006)纺织品耐汗渍色牢度试验方法(eqvISO105-E04:1994)GB/T 4841.1—2006
GB/T 5713—1997
GB/T6152—1997
GB/T 6678—2003
GB/T 8427—2008
GB19601
染料染色标准深度色卡1/1
纺织品
纺织品
色牢度试验耐水色牢度(eqvISO105-E01:1994)色牢度试验耐热压色牢度(eqvISO105-X11:1994)化工产品采样总则
纺织品色牢度试验耐人造光色牢度:氩弧(modISO105-B02:1994)染料产品中23种有害芳香胺的限量及测定染料产品中10种重金属元素的限量及测定GB20814
3要求
3.1外观:深棕色均勾粉末。
3.2直接深红4BR的质量要求应符合表1的规定。1
HG/T3402—2010
1.强度(为标准品的)/分
2.色光(与标准品)
3.水分的质量分数/%
4.水不溶物的质量分数/%
表1直接深红4BR的质量要求
5.细度(通过孔径180μm筛残余物的质量分数)/%6.有害芳香胺的质量分数/(mg/kg)7.重金属元素的质量分数/(mg/kg)3.3
直接深红4BR在棉织物上的色牢度应不低于表2的规定。表2直接深红4BR在棉织物上的色牢度耐洗下载标准就来标准下载网
(氙弧)
注:1.5%(owf)相当于1/1染色标准深度。4采样
耐汗渍
近假~微
符合GB19601标准要求
符合GB20814标准要求
耐摩擦
耐热压
200℃
(4h后)
以批为单位采样,生产厂以一次拼混均匀的产品为一批。每批采样桶数应符合GB/T6678—2003中7.6的规定。所采样产品的包装必须完好,采样时勿使外界杂质落人产品中。用探管从桶上、中、下三部分采样,所采样品总量不得少于200g。将所采样品充分混匀后,分装于两个清洁、干燥、密封良好的容器中,其上粘贴标签,注明产品名称、批号、生产厂名称、采样日期、地点。一个供检验,另一个保存备查。
5试验方法
5.1外观的评定
采用目视评定。
5.2染色色光和强度的测定
5.2.1染色一般条件
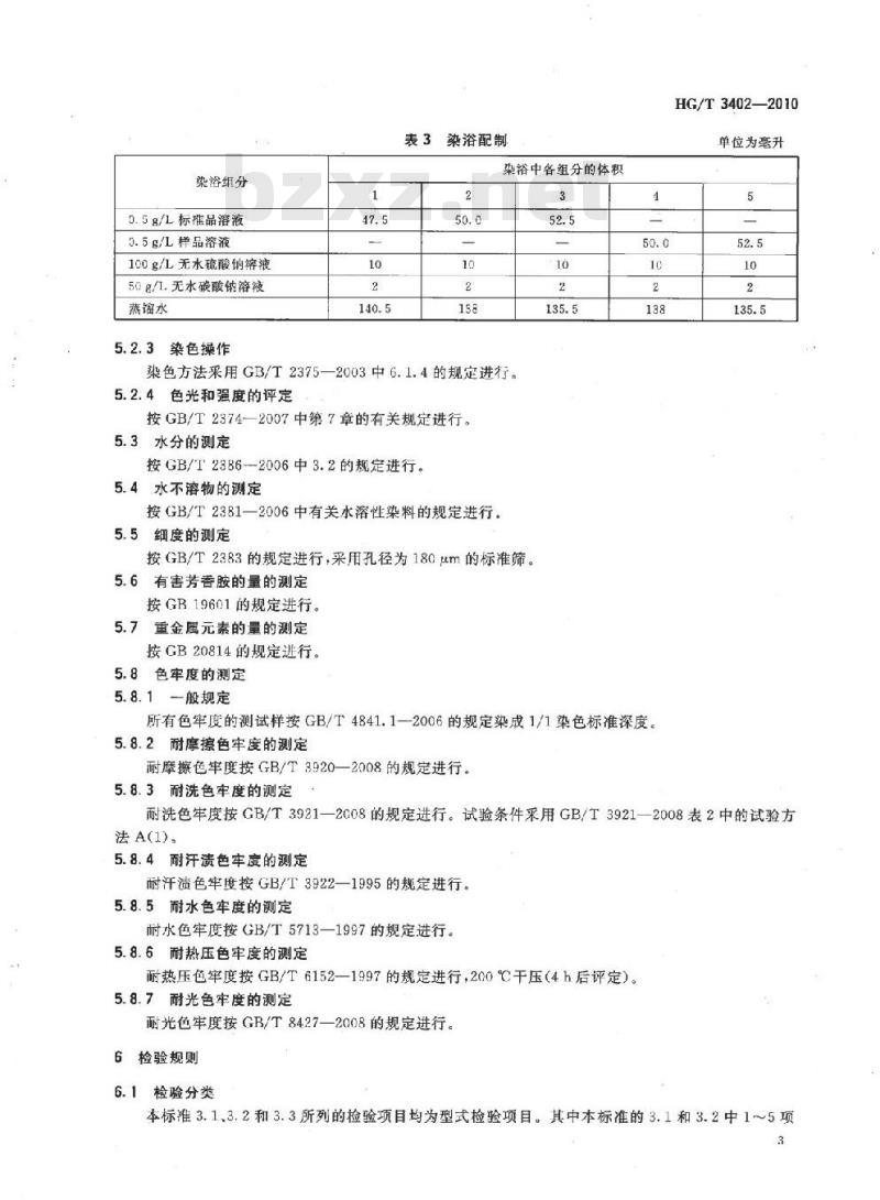
染色时的一般条件应符合GB/T2374—2007和GB/T2375-2003的有关规定。染色深度0.5%(owf),染色用5g棉纱或棉布,染色浴比1:40。5.2.2染浴配制
以5g棉布染色为例,于5个染缸中按表3规定配制染浴。2
TKAONIKAca-
染浴组分
0.5g/L标准品溶液
0.5g/L样品溶液
100g/L无水硫酸钠溶液
50g/L.无水碳酸钠溶液
蒸馏水
5.2.3染色操作
表3染浴配制
染浴中各组分的体积
染色方法采用GB/T2375-—2003中6.1.4的规定进行。5.2.4色光和强度的评定
按GB/T2374—2007中第7章的有关规定进行。5.3水分的测定
按GB/T2386--2006中3.2的规定进行。5.4水不溶物的测定
按GB/T2381—2006中有关水溶性染料的规定进行。5.5细度的测定
按GB/T2383的规定进行,采用孔径为180μm的标准筛。5.6有害芳香胺的量的测定
按GB19601的规定进行。
5.7重金属元素的量的测定
按GB20814的规定进行。
5.8色牢度的测定
5.8.1一般规定
所有色牢度的测试样按GB/T4841.1--2006的规定染成1/1染色标准深度。5.8.2耐摩擦色牢度的测定
耐摩擦色牢度按GB/T3920—2008的规定进行。5.8.3耐洗色牢度的测定
HG/T3402—2010
单位为毫升
耐洗色牢度按GB/T3921—2008的规定进行。试验条件采用GB/T3921—2008表2中的试验方法A(1)。
5.8.4耐汗渍色牢度的测定
耐汗溃色牢度按GB/T3922—1995的规定进行。5.8.5耐水色牢度的测定
耐水色牢度按GB/T5713—1997的规定进行。5.8.6耐热压色牢度的测定
耐热压色牢度按GB/T6152—1997的规定进行,200℃干压(4h后评定)。5.8.7耐光色牢度的测定
耐光色牢度按GB/T8427—2008的规定进行。6检验规则
6.1检验分类
本标准3.1、3.2和3.3所列的检验项目均为型式检验项目。其中本标准的3.1和3.2中1~5项3
HG/T3402—2010
为出厂检验项目,应逐批进行检验。在正常连续生产情况下,每年至少进行一次型式检验。但如有下述情况需进行型式检验:
a)新产品最初定型时:
b)产品异地生产时;
生产配方、工艺及原材料有较大改变时;c
停产三个月后又恢复生产时:
e)客户提出要求时。
6.2出厂检验
直接深红4BR应由生产厂的质量检验部门检验合格,附合格证明后方可出厂。生产厂应保证所有出厂的直接深红4BR产品均符合本标准的要求。6.3复检
如果检验结果中有一项指标不符合本标准的要求时,应重新自两倍量的包装中取样进行检验,重新检验的结果,即使只有一项指标不符合本标准要求,则整批产品不能验收。7标志、标签、包装、运输、贮存7.1标志、标签
7.1.1标志
直接深红4BR的每个包装容器上都应涂印耐久、清晰的标志,标志内容至少应有:a)产品名称;
b)生产厂名称、地址:
c)生产日期;
d)净含量;
e)产品质量检验合格证明。
7.1.2标签
产品应有标签,标签上应注明产品生产日期、合格证明、执行标准编号、批号。7.2包装
直接深红4BR装于内衬塑料袋的包装容器内,并加密封,每件净含量40kg土0.2kg或45kg士0.2kg,其他包装可与用户协商确定。7.3运输
运输时应防止倒置,小心轻放,避免碰撞,切勿损坏包装。7.4贮存
直接深红4BR应贮存于阴凉、于燥、通风处,防止受潮受热。KAONiKAca-
中华人民共和国
化工行业标准
直接深红4BR
(直接耐酸枣红)
HG/T34022010
出版发行:化学工业出版社
(北京市东城区青年潮南街13号邯政编码100011)北京云浩印刷有限责任公司印装880mm×1230mm1/16印张字数9千字2011年3月北京第1版第1次印刷
书号:1550250918
购书咨询:010-64518888
售后服务:010-64518899
网址:http://cip..com.cn凡购买本书,如有缺损质量问题,本社销售中心负责调换。定价:10.00元
版权所有违者必充
小提示:此标准内容仅展示完整标准里的部分截取内容,若需要完整标准请到上方自行免费下载完整标准文档。
标准图片预览:





- 热门标准
- HG化工标准
- HG/T20518-2008 化工粉体工程设计通用规范
- HG/T3985-2007 聚四氟乙烯波纹管膨胀节
- HG∕T5056-2016 GB 7544在天然橡胶胶乳避孕套质量管理中的使用指南
- HG/T3219-2009 代替 HG/T 3219-1999 搪玻璃平面阀
- HG/T3459-2003 化学试剂 顺丁烯二酸酐
- HG/T2017-2011 代替 HG/T 2017-2000 普通运动鞋
- HG/T2257-2011 代替 HG/T 2257-1991 照相化学品 成色剂挥发分的测定
- HG/T21529-2014 代替 HG/T 21529-2005 板式平焊法兰手孔
- HG/T2956.5-2001 硼镁矿石中氧化亚铁含量的测定重铬酸钾 容量法
- HG/T2371-2003 代替 HG/T 2371-1992 搪玻璃开式搅拌容器
- HG/T2225-2010 代替 HG/T 2225-2001 工业硫酸铝
- HG/T2044-2020 代替 HG/T 2044-2003 机械密封用喷涂氧化铬密封环技术条件
- HG/T2343-2012 硫化促进剂 ETU
- HG/T3531-2011 代替 HG/T 3531-2003 工业循环冷却水污垢和腐蚀产物中水分含量的测定
- HG/T3415-2010 代替 HG/T 3415-2001 红色基 B(2-甲氧基-4-硝基苯胺)
- 行业新闻
网站备案号:湘ICP备2025141790号-2