- 您的位置:
- 标准下载网 >>
- 标准分类 >>
- 国家标准(GB) >>
- GB/T 39315.3-2020 军民通用资源 数据模型第3部分:器材类 航材
- 标准号: - GB/T 39315.3-2020
- 标准名称: - 军民通用资源 数据模型第3部分:器材类 航材
- 标准类别: - 国家标准(GB)
- 英文名称: General resource of military and civilian—Data model—Part 3:Equipment—Aviation repair parts
- 标准状态: 现行
- 
          	发布日期: 2020-11-19
- 
		 实施日期: 2021-06-01
- 出版语种: 简体中文
- 下载格式: .zip .pdf
- 下载大小: 1.02 MB
 标准简介/下载
标准简介/下载点击下载
标准简介:
					GB/T 39315.3-2020.General resource of military and civilian-Data model-Part 3: Equipment- Aviation repair parts.
1范围
GB/T 39315的本部分规定了军民通用资源中器材类航材数据模型的一般要求、组成结构图、索引表、航材共用数据模型和航材专用数据模型。
GB/T 39315.3适用于军民通用资源中器材类航材数据模型的交换与共享。
2规范性引用文件
下列文件对于本文件的应用是必不可少的。凡是注日期的引用文件,仅注日期的版本适用于本文件。凡是不注日期的引用文件,其最新版本(包括所有的修改单)适用于本文件。
GB/T 18391.1-2009信息技术 元数据注 册系统(MDR)第1部分:框架
GB/T 37944-2019军民通用资源数据模型编制要求
GB/T 37948-2019军民通用资源数据 元编制要求
GB/T 39316.3-2020军民通用资源元数据第3 部分:器材类航材
3术语和定义
GB/T 18391.1-2009界定的以及下列术语和定义适用于本文件。为了便于使用,以下重复列出了GB/T 18391.1-2009 中的某些术语和定义。
3.1
数据模型 data model
数据的图形或文字表示,指明其特性、结构和相互间关系。
[GB/T 18391.1-2009,定 义3.2.7]
3.2
实体 entity
任何现存、曾经存在的或可能存在的具体的或抽象的事物,包括事物间的关联。
示例:一个人、对象(物体)、事件、观念、过程等等。
注:实体的存在不依赖于是否有关它的可用数据。
[GB/T 18391.1-2009,定义3.2.10]
3.3
数据元 data element
由一组属性规定其定义、标识、表示和允许值的数据单元。
[GB/T 18391.1-2009,定义3.3.8]
3.4
值域 value domain
允许值的集合。
[GB/T 18391.1-2009,定 义3.3.38]
  
               本标准规定了军民通用资源中器材类航材数据模型的一般要求、组成结构、索引表、航材共用数据模型和航材专用数据模型的要求。
本部分适用于军民通用资源中器材类航材数据模型的交换与共享。
 标准内容
标准内容部分标准内容:
中华人民共和国国家标准
GB/T39315.3—2020
军民通用资源
数据模型
第3部分:器材类
General resource of military and civilian-Data model-Part3:EquipmentAviation repair parts2020-11-19发布
国家市场监督管理总局
国家标准化管理委员会
2021-06-01实施
规范性引用文件
术语和定义
一般要求
组成结构图
索引表
数据元取值和表述规则
航材共用数据模型
数据元-实体关系表
数据元索引表
9航材专用数据模型
9.1电子产品专用数据模型
9.1.1数据元-实体关系表
数据元索引表
9.2机械产品专用数据模型,
数据元-实体关系表
数据元索引表
9.3仪表产品专用数据模型,
数据元-实体关系表·
9.3.2数据元索引表.….
9.4电气产品专用数据模型.……9.4.1数据元-实体关系表
9.4.2数据元索引表
9.5航材专用数据元应用示例
附录A(资料性附录)航材专用数据元应用示例次
GB/T39315.3—2020
GB/T39315《军民通用资源
第1部分:物资类
第2部分:设备类
第3部分:器材类
第4部分:器材类
——第5部分:人员类;
-第6部分:设施类
数据模型》分为以下6个部分:
油品;
民用运输船舶;
航材;
卫生器材;
本部分为GB/T39315的第3部分
本部分按照GB/T1.1—2009给出的规则起草本部分由全国物流信息管理标准化技术委员会(SAC/TC267)提出并归口。GB/T39315.3—2020
本部分起草单位:中国航空综合技术研究所、中国物品编码中心、黑龙江省标准化研究院、深圳市标准技术研究院、河南省标准化研究院、哈尔滨市标准化研究院、西安市质量与标准化研究院,本部分主要起草人:董洪飞、刘俊、杨瑛、李素彩、韩树文、干佩、杜景荣、方方、廖权虹、刘萍、张海平、李驰、王子一、邵冬梅、王复龙、邓惠朋、刘欣。S
1范围
军民通用资源数据模型
第3部分:器材类
GB/T39315.3—2020
GB/T39315的本部分规定了军民通用资源中器材类航材数据模型的一般要求、组成结构图、索引表、航材共用数据模型和航材专用数据模型。本部分适用干军民通用资源中器材类航材数据模型的交换与共享。规范性引用文件
下列文件对干本文件的应用是必不可少的。凡是注日期的引用文件,仅注日期的版本适用于本文件。凡是不注日期的引用文件,其最新版本(包括所有的修改单)适用干本文件。GB/T18391.1-2009信息技术元数据注册系统(MDR)第1部分:框架GB/T37944—2019军民通用资源数据模型编制要求GB/T37948—2019军民通用资源数据元编制要求GB/T39316.3一2020军民通用资源元数据第3部分:器材类航材3术语和定义
GB/T18391.1一2009界定的以及下列术语和定义适用于本文件。为了便于使用,以下重复列出了GB/T18391.1—2009中的某些术语和定义。3.1
datamodel
数据模型
数据的图形或文字表示,指明其特性、结构和相互.间关系。[GB/T18391.1—2009,定义3.2.7]3.2
实体entity
任何现存、曾经存在的或可能存在的具体的或抽象的事物,包括事物间的关联。示例:一个人、对象(物体)、事件、观念、过程等等。注:实体的存在不依赖于是否有关它的可用数据[GB/T18391.1—2009,定义3.2.10]]3.3
dataelement
数据元
由一组属性规定其定义、标识、表示和允许值的数据单元。[GB/T18391.1—2009,定义3.3.8]3.4
valuedomain
允许值的集合。
[GB/T18391.1—2009,定义3.3.38]]1
GB/T39315.3—2020
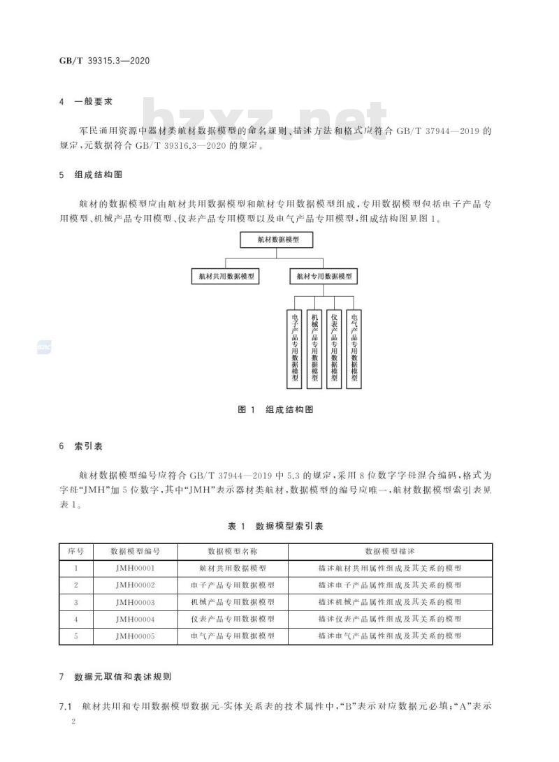
4一般要求
军民通用资源中器材类航材数据模型的命名规则、描述方法和格式应符合GB/T37944一2019的规定,元数据符合GB/T39316.3—2020的规定。5组成结构图
航材的数据模型应由航材共用数据模型和航材专用数据模型组成,专用数据模型包括申子产品专用模型、机械产品专用模型、仪表产品专用模型以及电气产品专用模型,组成结构图见图1。航材数据模型
航材共用数据模型
航材专用数据模型
电子产品专用
数据模
械产品专
专用数
图1组成结构图
6索引表
表产品专用
电气产品专用
数据模
航材数据模型编号应符合GB/T37944一2019中5.3的规定,采用8位数字字母混合编码,格式为字母“JMH”加5位数字,其中“JMH”表示器材类航材,数据模型的编号应唯一,航材数据模型索引表见表1。
表1数据模型索引表
数据模型编号
JMH00001
JMH00002
JMH00003
JMH00004
JMH00005
数据元取值和表述规则
数据模型名称
航材共用数据模型
电子产品专用数据模型
机械产品专用数据模型
仪表产品专用数据模型
电气产品专用数据模型
数据模型描述
描述航材共用属性组成及其关系的模型描述电子产品属性组成及其关系的模型描述机械产品属性组成及其关系的模型描述仪表产品属性组成及其关系的模型描述电气产品属性组成及其关系的模型航材共用和专用数据模型数据元-实体关系表的技术属性中,“B”表示对应数据元必填;“A”表示对应数据元选填;“X”代表该实体包含该数据元且存在取值相互.影响的情况。7.2共用数据模型中取值影响表述规则如下:a)
GB/T39315.3—2020
H0001A0000(型号)、H0002A0000(图号)、H0003A0000(零组件号)和H0004A0000(规格)中至少有1项不能为空;
如有正式型号的航材,则H0001A0000(型号)不能为空;如无正式型号,但有图号的航材,则H0001A0000(型号)为空,H0002A0000(图号)不能为空;如无正式型号、图号,但有零组件号的航材,则H0001A0000(型号)、H0002A0000(图号)为空,H0003A0000(零组件号)不能为空;如无正式型号、图号、零组件号的航材,则H0001A0000(型号)、H0002A0000(图号)、H0003A0000(零组件号)为空,H0004A0000(规格)不能为空。航材共用数据模型
数据元-实体关系表
航材共用数据模型的数据元-实体关系表见表2。表2
数据元标识符
Z0001G0000
Z0002G0000
Z0003G0000
Z0004G0000
Z0005G0000
Z0006G0000
Z0007G0000
H0001A0000
H0002A0000
H0003A0000
H0004A0000
H0005A0000
H0006A0000
H0007A0000
H0008A0000
H0009A0000
H0010A0000
H0011A0000
数据元名称
军民通用资源品种标识代码
品种中文名称
品种外文名称
分类代码
分类名称
基准名称
零组件号
所属零组件号/产品型号
产品类型代码
功能用途
设计寿命
设计重量
直方体长度
直方体宽度
数据元-实体关系表
适航性
危险材料
适用性
承制/承修
单位数据
GB/T39315.3—2020
数据元标识符
H0012A0000
H0013A0000
H0014A0000
H0015A0000
H0016A0000
H0017A0000
H0018A0000
H0019A0000www.bzxz.net
H0020A0000
H0021A0000
H0022A0000
H0023A0000
H0024A0000
H0025A0000
H0026A0000
H0027A0000
H0028A0000
H0029A0000
H0030A0000
H0031A0000
H0032A0000
H0033A0000
H0034A0000
H0035A0000
H0036A0000
H0037A0000
H0038A0000
H0039A0000
H0040A0000
H0041A0000
数据元名称
直方体高度
航材计数单位代码
立项批复时间
列装定型时间
材料名称
材料牌号
材料标准编号
装配要求
升级件标识
升级前件号
产品图片
进口件标识
可修性标识
维修级别名称
包装尺寸
包装后重量
保管年限
封存状态标识
封存方法代码
封存日期
封存期
贮存条件
贮存期
静申敏感性标识
标准件标识
成套性标识
逐号管理标识
额定申压
额定电流
额定功率
表2(续)
适航性
危险材料
适用性
承制/承修
单位数据
数据元标识符
H0042A0000
H0043A0000
H0044A0000
H0045A0000
H0046A0000
H0047A0000
H0048A0000
H0049A0000
H0050A0000
H0051A0000
H0052A0000
H0053A0000
H0054A0000
H0055A0000
H0056A0000
H0057A0000
H0058A0000
H0059A0000
H0060A0000
H0061A0000
H0062A0000
H0063A0000
H0064A0000
数据元名称
航材备注
专利所属单位名称
专利权人名称
专利号
专利件备注
ATA(美国航空运输协会)章
技术引用号
技术出版物名称
危险品分类代码
危险品描述
适用机型
所属系统
装机部位
安装/配套数量
有效架次
航材承制单位名称
航材承制单位类型代码
制造国或地区代码
停产标识
软件名称
软件研制单位名称
软件版本
软件备注
数据元索引表
表2(续)
适航性
危险材料
适用性
GB/T39315.3—2020
承制/承修
单位数据
数据元的值域的定义规则应符合GB/T37948—2019中5.2.15的规定,其中:a)
(DEF)表示一个普通文本的值域范围;软件
TAB1代码表编号)表示一个代码文本的值域范围。TAB为固定标识,表示代码表:TAB1表示第一个代码表;H01001~H01009表示代码表编号。代码表编号应符合GB/T39316.3一2020第6章的规定。
航材共用数据模型的数据元索引表见表3。5
GB/T39315.3—2020
数据元标识符
Z0001G0000
Z0002G0000
Z0003G0000
Z0004G0000
Z0005G0000
Z0006G0000
Z0007G0000
H0001A0000
H0002A0000
H0003A0000
H0004A0000
H0005A0000
H0006A0000
H0007A0000
H0008A0000
H0009A0000
H0010A0000
H0011A0000
H0012A0000
H0013A0000
H0014A0000
H0015A0000
H0016A0000
H0017A0000
H0018A0000
H0019A0000
H0020A0000
H0021A0000
H0022A0000
H0023A0000
H0024A0000
航材共用数据模型数据元索引表数据元名称
军民通用资源品种标识代码
品种中文名称
品种外文名称
分类代码
分类名称
基准名称
零组件号
所属零组件号/产品型号
产品类型代码
功能用途
设计寿命
设计重量
直方体长度
直方体宽度
直方体高度
航材计数单位代码
立项批复时间
列装定型时间
材料名称
材料牌号
材料标准编号
装配要求
升级件标识
升级前件号
产品图片
进口件标识
可修性标识
数据元的值域
(TAB1|H01001)
(TAB1/H01001)
(TAB1/H01002
(TAB1|H01003)
(0,1000000000)
(0,1000000000)
(0,1000000000)
(0,1000000000)
(TAB1|H01004)
(TAB1/H01005)
(0,1000000000)
(TAB1/H01005)
(TAB1|H01005
小提示:此标准内容仅展示完整标准里的部分截取内容,若需要完整标准请到上方自行免费下载完整标准文档。
 标准图片预览
标准图片预览 标准图片预览:





- 其它标准
- 热门标准
- GB国家标准
- GB/T21666-2008 尿吸收辅助器具 评价的一般指南
- GB/T2828.1-2012 计数抽样检验程序 第1部分:按接收质量限(AQL)检索的逐批检验抽样计划
- GB/T32999-2016 表面化学分析 深度剖析 用机械轮廓仪栅网复型法测量溅射速率
- GB/T39454-2020 国际贸易业务数据规范货物跟踪与追溯
- GB/T13589-2007 锌及锌合金废料
- GB28355-2012 食品添加剂 水杨酸甲酯(柳酸甲酯)
- GB/T38948-2020 沥青混合料低温抗裂性能评价方法
- GB/T13070-1991 铀矿石中铀的测定 电位滴定法
- GB/T43912-2024 铸造机械 再制造 通用技术规范
- GB5585.3-1985 电工用铜、铝及其合金母线 第3部分:铝母线
- GB/T19561-2004 寒地节能日光温室建造规程
- GB/T7574-1987 信息处理交换用磁带标号和文卷结构
- GB/T24715-2009 氧源转换器
- GB/T35963-2018 家用和类似用途电器成套家电服务规范
- GB14880-2012 食品营养强化剂使用标准
- 行业新闻
网站备案号:湘ICP备2025141790号-2
