- 您的位置:
- 标准下载网 >>
- 标准分类 >>
- 商检行业标准(SN) >>
- SN/T 1732.7-2014 烟花爆竹用烟火药剂第7部分:铅含量的测定
标准号:
SN/T 1732.7-2014
标准名称:
烟花爆竹用烟火药剂第7部分:铅含量的测定
标准类别:
商检行业标准(SN)
标准状态:
现行出版语种:
简体中文下载格式:
.zip .pdf下载大小:
1.43 MB
点击下载
标准简介:
SN/T 1732.7-2014.Pyrotechnic composition used for fireworks and firecracker-Part 7 : Determination of lead content.
1范围
SN/T 1732.7规定了烟花爆竹用烟火药剂中铅含量测定的方法。
SN/T 1732.7适用于烟花爆竹用烟火药剂中铅含量大于1%的测定。
2规范性引用文件
下列文件对于本文件的应用是必不可少的。凡是注日期的引用文件,仅注日期的版本适用于本文件。凡是不注日期的引用文件,其最新版本(包括所有的修改单)适用于本文件。
GB/T601化学试剂标准滴定溶液的制备
GB/T 6682分析实验室用水规格和试验方法
GB/T 8170数值修约规则 与极限数值的表示和判定
GB/T 15813-1995烟花爆竹成型药剂 样 品分离和粉碎
3原理
试料经适当预处理后,用硝酸和过氧化氢加热溶解,分别加人铬酸钾、氢氧化钠单独分离出铅离子,在一定pH下以二甲酚橙为指示液,用氯化锌标准滴定溶液络合滴定返滴法测定铅的含量。
4试剂和材料
除非另有说明,在分析中仅使用确认为分析纯的试剂和GB/T6682中规定的至少3级的水。
4.1无水乙醇。
4.2丙酮。
4.330%过氧化氢。
4.4硝酸(1+3)。
4.5氢氧化钠溶 液(10%)。
4.6铬酸钾 溶液(10%)。
部分标准内容:
代替SN/T1732.7—2006
烟花爆竹用烟火药剂
第7部分:铅含量的测定
Pyrotechnic composition used for fireworks and firecrackerPart7:Determination of lead content2014-04-09发布
中华人民共和国
国家质量监督检验检疫总局
cnha915c
刮涂屋查真伪
2014-11-01实施
SN/T1732《烟花爆竹用烟火药剂》共分为13部分:第1部分:锁含量的测定;
第2部分:重铬酸盐含量的测定;第3部分:锌含量的测定;
第4部分:铜含量的测定;
第5部分:钛含量的测定;
第6部分:锶含量的测定;
第7部分:铅含量的测定;
第8部分:钠含量的测定;
第9部分:镁含量的测定;
第10部分:硫含量的测定;
第11部分:钾含量的测定;
第12部分:红磷含量的测定;
第13部分:硼酸含量的测定。
本部分为SN/T1732的第7部分。
本部分按照GB/T1.1—2009和GB/T20001.4—2001给出的规则起草。SN/T1732.7—2014
本部分代替SN/T1732.7一2006《烟花爆竹用烟火药剂第7部分:铅含量的测定》,除编辑性修改外主要技术变化如下:
在前言的规定中,增加了标准编制所依据的起草规则;修改了“规范性引用文件”的引导语(见第2章);修改了本部分的适用范围,将适用范围由“本部分适用于烟花爆竹用烟火药剂中铅含量的测定”修改为本部分适用于烟花爆竹用烟火药剂中铅含量大于1%的测定”(见第1章);修改了第3章原理部分内容;
增加了氯化锌和EDTA的反应式;合并原理和反应式章节;
原第5章中,删除了“5.3氨水”、“5.6盐酸”和“5.8六次甲基四胺溶液(20%)”,修改了氢氧化钠溶液的浓度和硝酸的浓度,增加了“氢氧化钠溶液[c(NaOH)=0.1mol/L]”、“邻苯二甲酸氢钾-氢氧化钠缓冲溶液(pH6.0)”和“氯化锌标准滴定溶液[c(ZnCl2)=0.1mol/L”;修改了第7章中的部分内容;
修改了试样量,将“称取约5g试样”修改为“称取约2g~5g试样”(见7.1);修改了第8章中的公式;
修改了第8章中公式符号意义的部分内容。本部分由国家认证认可监督管理委员会提出。本部分由国家认证认可监督管理委员会归口。本部分起草单位:北海出人境检验检疫局。本部分主要起草人:何流、肖焕新、吴俊逸、商杰。本部分所代替标准的历次版本发布情况为:SN/T1732.7—2006。
烟花爆竹用烟火药剂
第7部分:铅含量的测定
SN/T1732.7—2014
警告:使用本标准的人员应有正规实验室工作的实践经验。本标准并未指出所有可能的安全问题,使用者有责任采用适当的安全和健康措施,并保证符合国家有关法律规定的条件。本标准涉及的烟火药剂是一种易燃易爆的危险品,以下是最主要的安全技术规定:a)试样的制备应在有安全防护措施条件下进行;b)
试样的制备和存放量不能超过安全防护允许的条件;试样干燥应在安全防爆干燥箱中进行,其干燥温度不超过55℃。e)
1范围
SN/T1732的本部分规定了烟花爆竹用烟火药剂中铅含量测定的方法。本部分适用于烟花爆竹用烟火药剂中铅含量大于1%的测定2规范性引用文件
下列文件对于本文件的应用是必不可少的。凡是注日期的引用文件,仅注日期的版本适用于本文件。凡是不注日期的引用文件,其最新版本(包括所有的修改单)适用于本文件。GB/T601化学试剂标准滴定溶液的制备GB/T6682分析实验室用水规格和试验方法GB/T8170
数值修约规则与极限数值的表示和判定GB/T15813一1995烟花爆竹成型药剂样品分离和粉碎3原理
试料经适当预处理后,用硝酸和过氧化氢加热溶解,分别加人铬酸钾、氢氧化钠单独分离出铅离子,在一定pH下以二甲酚橙为指示液,用氯化锌标准滴定溶液络合滴定返滴法测定铅的含量。Pb3O4+H,O2+6H+=3Pbz++4HzO+Oz+Pb2++CrO,2-=PbCrO+
PbCrO+4OH-=PbO22-+CrO.2-+2H,OPbO22-+4H+=Pb2++2HzO
H,Y2-+Pb2+=PbY2-+2H+
Zn2++H,Y2-=ZnY2-+2H+
4试剂和材料
除非另有说明,在分析中仅使用确认为分析纯的试剂和GB/T6682中规定的至少3级的水。4.1无水乙醇。
4.2丙酮。免费标准下载网bzxz
SN/T1732.7—2014
4.330%过氧化氢。
4.4硝酸(1+3)。
4.5氢氧化钠溶液(10%)。
4.6铬酸钾溶液(10%)。
4.7氢氧化钠溶液[c(NaOH)=0.1mol/L]:称取4g氢氧化钠,精确到0.1g,溶于水中,冷却后,再用水稀释至1000mL,混匀后装于塑料瓶中。4.8邻苯二甲酸氢钾-氢氧化钠缓冲溶液(pH6.0):取400mL氢氧化钠溶液(4.9),加人约11g的邻苯二甲酸氢钾,边加边搅拌,同时测缓冲液的pH值,用水稀释至1000mL,混勾。4.9乙二胺四乙酸二钠(EDTA)标准滴定溶液[c(EDTA)=0.1mol/L]:配制与标定按GB/T601执行。
4.10氯化锌标准滴定溶液[c(ZnCl2)=0.1mol/L]:配制与标定按GB/T601执行。4.11二甲酚橙指示液(0.5%)。5仪器
5.1隔水式防爆烘箱:精度为土2℃。5.2分析天平:精度为0.01mg。
5.3pH计:精度为0.1。
试样的制备
按照GB/T15813—1995中的第3章和第4章规定制备试样。试样在5.1中规定的隔水式防爆烘箱中于50℃55℃干燥4h后,置于干燥器内冷却至室温。7
分析步骤
7.1称取约2g~5g试样,精确到0.1mg,置于干燥的300mL烧杯中,用约100mL无水乙醇和100mL丙酮先后分多次洗涤,充分搅拌后用滤纸过滤,静置使滤纸中的丙酮基本挥发。7.2用水将滤纸上的滤渣转移至7.1中300mL烧杯中,加50mL硝酸,在不断搅拌下逐滴加人5mL过氧化氢,加热至微沸5min后冷却至室温,用滤纸过滤,用水多次洗涤,洗液和滤液一并转移至一洁净的500mL容量瓶中,摇匀并定容。7.3准确量取25mL土0.05mL试液于300mL烧杯中,加人20mL铬酸钾溶液,充分搅拌后,静置15min。用滤纸过滤,用水多次洗涤滤渣,尽可能把滤渣留在烧杯里。用水把滤纸上的滤渣全部转移至烧杯中,缓慢加入氢氧化钠溶液(4.6),不断搅拌,直至沉淀完全溶解。7.4将7.3烧杯中的溶液过滤转移至300mL三角烧瓶中,加人25mLEDTA,稍微振荡后静置3min。用硝酸和氢氧化钠溶液调节溶液至pH6,再加入30mL邻苯二甲酸氢钾-氢氧化钠缓冲溶液,加3滴二甲酚橙指示液,用氯化锌标准滴定溶液滴定至溶液由黄色变为橙色即为终点,记录所消耗的氯化锌标准滴定溶液的体积数(V)。
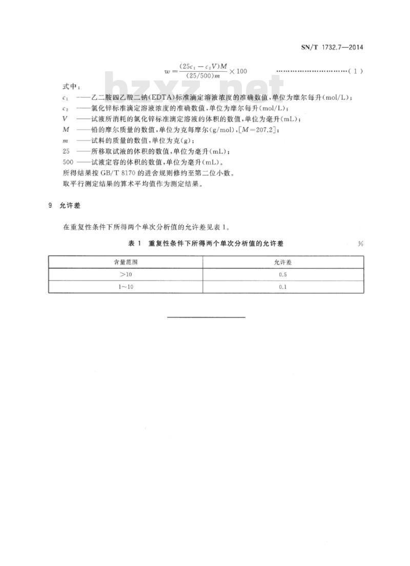
8结果计算
铅含量以铅的质量分数(w)计,数值以%表示,按式(1)计算:2
式中:
(25ci-c2V)M
(25/500)m
SN/T1732.7—2014
乙二胺四乙酸二钠(EDTA)标准滴定溶液浓度的准确数值,单位为摩尔每升(mol/L);氯化锌标准滴定溶液浓度的准确数值,单位为摩尔每升(mol/L);试液所消耗的氯化锌标准滴定溶液的体积的数值,单位为毫升(mL):铅的摩尔质量的数值,单位为克每摩尔(g/mol),[M=207.2];试料的质量的数值,单位为克(g);所移取试液的体积的数值,单位为毫升(mL);试液定容的体积的数值,单位为毫升(mL)。所得结果按GB/T8170的进舍规则修约至第二位小数。取平行测定结果的算术平均值作为测定结果。充许差
在重复性条件下所得两个单次分析值的允许差见表1。表1重复性条件下所得两个单次分析值的允许差含量范围
允许差
SN/T1732.7-2014
中华人民共和国出入境检验检疫行业标准
烟花爆竹用烟火药剂
第7部分:铅含量的测定
SN/T1732.7—2014
中国标准出版社出版
北京市朝阳区和平里西街甲2号(100029)北京市西城区三里河北街16号(100045)总编室:(010)68533533
网址spc.net.cn
中国标准出版社秦皇岛印刷厂印刷开本880×12301/16印张0.5字数6千字2014年12月第一版2014年12月第一次印刷印数1—1300
书号:155066·2-27916定价14.00元
小提示:此标准内容仅展示完整标准里的部分截取内容,若需要完整标准请到上方自行免费下载完整标准文档。
标准图片预览:





- 热门标准
- SN商检标准
- SN/T3714-2013 橡胶和塑料制品中钴、砷、铬、锡和铅的定量筛选方法电感耦合等离子体原子发射 光谱法
- SN/T4242-2015 进出口钕铁硼永磁材料中钕、镝、镨、镧、钴、硼、铝的测定电感耦合等离子体原子发射光谱法
- SN/T3775.3-2014 (进)出口纺织品质量符合性验证规范第3部分:纺织织物
- SN/T3896.6-2017 进出口纺织品纤维定量分析近红外法第6部分:聚酯纤维与羊毛的混合物
- SN/T3777.3-2014 纺织产品出口企业分类规范第3部分:纺织织物
- SN/T0684-2011 出口肉及肉制品中奥芬哒唑、芬苯哒唑、苯硫胍及奥芬哒唑砜残留量检测方法液相色谱-质谱/质谱法
- SN/T4247-2015 自贸试验区进口再制造用途机电产品检验规程
- SN/T4304-2015 出口氯化钡中铝、镁、铅、硅的测定电感耦合等离子体原子发射光谱法
- SN/T3480.2-2013 进口电子电工行业成套设备检验技术要求第2部分:电线电缆制造专用设备
- SN/T3694.7-2014 进出口工业品中全氟烷基化合物测定第7部分:油漆和涂料液相色谱-串联质谱法
- SN/T4401.1-2015 临床检验标本中毒品成分的定性及定量分析方法.第1部分:氯胺酮
- SN/T4669-2016 进出口纺织品悬挂材料抗火焰传播性测试标准方法开 口测试箱法
- SN/T3981.5-2015 进出口纺织品质量符合性评价方法纺织原料第5部分:蚕丝类绢丝
- SN/T3696-2013 进口再制造用途机电产品检验风险评估方法指南
- SN/T3771-2014 进出口轮胎通用技术要求
- 行业新闻
网站备案号:湘ICP备2025141790号-2