- 您的位置:
- 标准下载网 >>
- 标准分类 >>
- 轻工行业标准(QB) >>
- QB/T 1556-1992 地毯用聚丙烯底基布
标准号:
QB/T 1556-1992
标准名称:
地毯用聚丙烯底基布
标准类别:
轻工行业标准(QB)
英文名称:
Polypropylene backing fabric for carpet标准状态:
现行-
发布日期:
1992-07-06 -
实施日期:
1993-03-01 出版语种:
简体中文下载格式:
.rar.pdf下载大小:
158.91 KB
点击下载
标准简介:
标准下载解压密码:www.bzxz.net
本标准规定了簇绒地毯用聚丙烯底基布的产品分类、技术要求、试验方法、检验规则和标志、包装、运输、贮存的要求。本标准适用于以聚丙烯切膜纤维织造而成的簇绒地毯用底基布(以下简称“底基布”)。 QB/T 1556-1992 地毯用聚丙烯底基布 QB/T1556-1992
部分标准内容:
中华人民共和国轻工行业标准
地毯用聚丙烯底基布
1主题内容与适用范围
QB/T 1556-—1992
本标准规定了簇绒地毯用聚丙烯底基布的产品分类、技术要求、试验方法、检验规则和标志、包装、运输、贮存的要求。
本标准适用于以聚丙烯切膜纤维织造而成的簇绒地毯用底基布(以下简称“底基布”)。2引用标准
塑料力学性能试验方法总则
GB/T 1039
GB/T 1040
GB/T 2918
GB/T 8170
GB/T 8946
3产品分类
3.1产品品种
塑料拉伸试验方法
塑料状态调节和试验的标准环境数值修约规则
塑料编织袋
底基布按其经、纬密度分为95×50,90×50和70×65等品种。3.2产品规格
底基布按幅宽分为4.18,3.78,3.48和3.18等规格。3.3产品标记
幅宽,m
单位面积质量,g/m2
经密×纬密,根/10cm
3.4标记示例
经密95根/10cm,纬密50根/10cm,单位面积质量115g/m2,幅宽4.18m,符合本标准的底基布,其标记为:
95×50-115-4.18
QB/T 1556
地毯用聚丙烯底基布
注,其他品种和规格的产品由供需双方商定。4技术要求
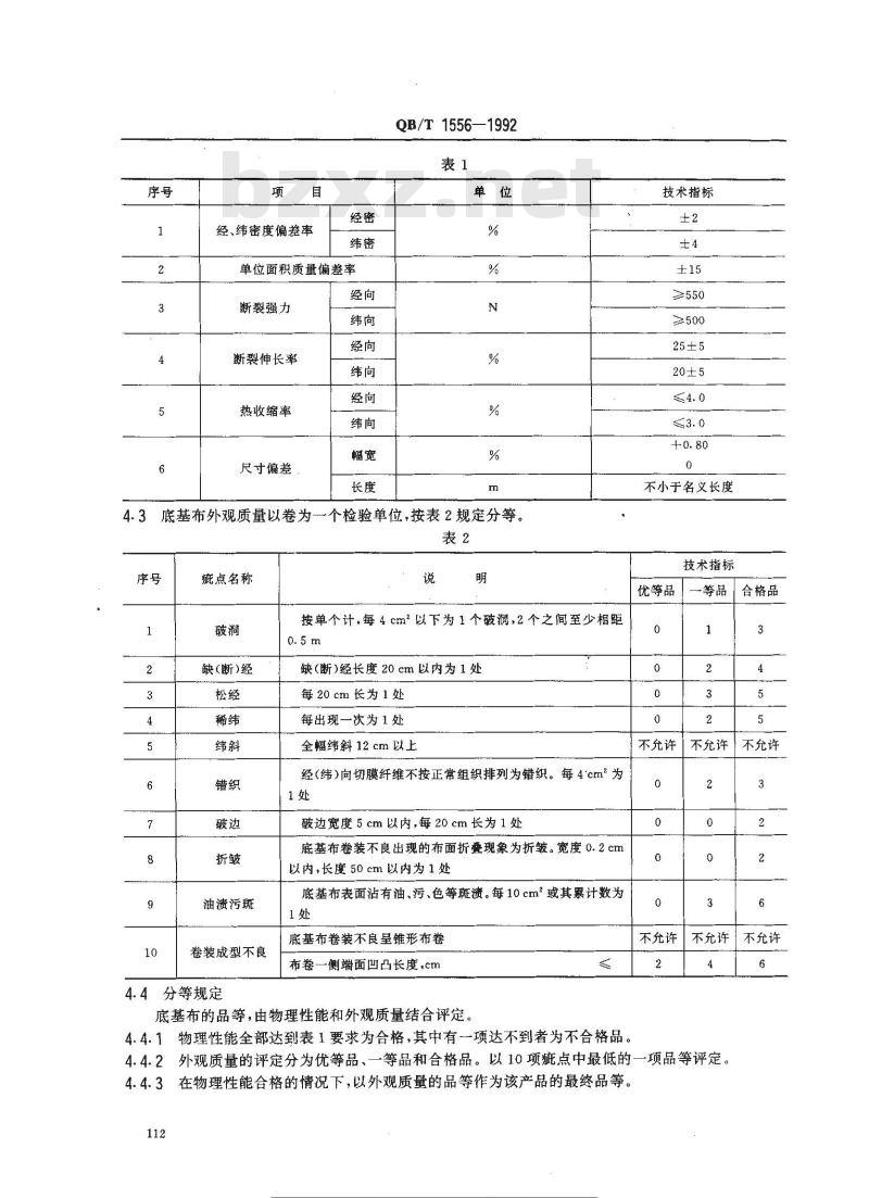
4.1底基布的切膜纤维技术指标按GB/T8946中附录A(参考件)执行。4.2底基布的物理性能技术指标应符合表1规定。中华人民共和国轻工业部1992-07-06批准1993-03-01实施
经、纬密度偏差率
单位面积质量偏差率
断裂强力
断裂伸长率
热收缩率
尺寸偏差
QB/T1556—1992
底基布外观质量以卷为一个检验单位,按表2规定分等。表2
疵点名称
缺(断)经
油渍污斑
卷装成型不良
4.4分等规定
按单个计,每4 cm2以下为1个破洞,2个之间至少相距0.5m
缺(断)经长度20cm以内为1处
每20cm长为1处
每出现一次为1处
全幅纬斜12cm以上
经(纬)向切膜纤维不按正常组织排列为错织。每4cm2为1处
破边宽度5cm以内,每20cm长为1处底基布卷装不良出现的布面折叠现象为折皱。宽度0.2cm以内,长度50cm以内为1处
底基布表面沾有油、污、色等斑溃。每10 cm2或其累计数为1处
底基布卷装不良呈锥形布卷
布卷一侧端面凹凸长度,cm
底基布的品等,由物理性能和外观质量结合评定物理性能全部达到表1要求为合格,其中有一项达不到者为不合格品。4.4.1
技术指标
≥550
不小于名义长度
技术指标
优等品
不允许
不允许
一等品丨合格品
不允许
不允许
不允许|不允许
一等品和合格品。以10项疵点中最低的4.4.2外观质量的评定分为优等品、一可一项品等评定。
在物理性能合格的情况下,以外观质量的品等作为该产品的最终品等。4.4.3
注传慢图wbss
石各水标注行业资料免费下载
5试验方法
5.1物理性能
5.1.1试验条件
QB/T1556-1992
5.1.1.1试样状态调节和试验采用GB/T2918中规定的标准环境条件。5.1.1.2试样状态调节采用GB/T1039的方法在5.1.1.1规定的环境中进行。5.1.2取样
5.1.2.1每次取样为全幅宽,长度1m,每卷头尾10m内不取样,样品上不得有疵点。5.1.2.2试样应在下图规定的区域内裁取。150
糖药的糖
5.1.3数据的处理
经向裁样区
数值修约执行GB/T8170的规定。5.1.4经、纬密度偏差率的试验方法5.1.4.1器具:分度为1mm的钢直尺,纬向裁样区
5.1.4.2步骤:将试样置于水平台上,使其处于自然状态,在上图规定的6个区域内分别计数10cm中纬向和经向的切膜纤维根数,起点在二根经(纬)切膜纤维的空隙中间,当点在最后一根切膜纤维上不足一根时,作0.5根计。计算其算术平均值(根/10.cm)及偏差率。5.1.5单位面积质量偏差率的试验方法用分度为1mm的钢直尺裁取6块200mm×200mm的试样,分别称重(精确至0.001g),按式(1)计算单位面积质量算术平均值(g/m2)。G.
式中:G,—一单位面积质量,g/m2;X,--每块试样质量,g;
试样块数。
由平均单位面积质量G与名义单位面积质量G,计算其偏差率。5.1.6断裂强力和断裂伸长率的试验方法活装
QB/T1556-1992
5.1.6.1试验设备应符合GB/T1040第3章规定。夹钳有效宽度不得小于60mm,夹具间距为200mm,试验速度为(200±20)mm/min。5.1.6.2裁取经向、纬向的试样各6块,长300mm、宽50mm,试验步骤按GB/T1040第4章执行。5.1.6.3测试结果:断裂强力精确至2N,断裂伸长率精确至1%,分别计算其算术平均值。5.1.6.4试验中如遇试样在夹具中断裂、滑脱或影响准确性时,应另换试样重做。5.1.7热收缩率的试验方法
5.1.7.1器具:恒温烘箱、分度1mm的立式量尺(上端附夹持器)、预加张力重锤(0.5士0.1)cN/tex、秒表。
5.1.7.2步骤
a.在规定区域内抽取经向和纬向的切膜纤维各6根,长度约为700mm。b.分别将试样夹入立式量尺上端的夹持器中,在试样下端挂上预加张力重锤,待30s后,在零点和500mm处作上标记(即加热前试样长度)。c.
取下试样,放入(132土1)℃的烘箱内(搁板上铺4层纱布),烘20min。d.取出试样,冷却至室温,分别挂于立式量尺上,一端标记与零点对齐,挂上原张力重锤,待30s后,测量两标记间长度(即加热后试样长度)并记录,精确至1mm。按式(2)计算热收缩率(%)。Lo= L × 100
E(%) =
式中:E热收缩率,
L。--—加热前试样长度,mm;
加热后试样平均长度,mm。
5.1.8幅宽偏差的测定方法
使用长度大于幅宽、分摩为1mm的钢直尺,在取样布卷一端不小于10m的范围内,均勾量取五处幅宽尺寸,精确至0.01m,按式(3)计算幅宽偏差。=×100
式中:D—一幅宽偏差率,%;
L—实测幅宽平均值,m;
Ls—规定幅宽,m。
5.2外观质量
(3)
在光线充足的条件下,以目测方法进行检验。疵点处作出标记,并记录、评等。疵点记录卡随卷包装。6检验规则
检验分出厂检验和型式检验。
6.1出厂检验
6.1.1物理性能中对断裂强力、断裂伸长率和热收缩率按批进行抽样检验。6.1.2外观质量进行全数检验。
6.2型式检验
6.2.1有下列情况之时,应进行型式检验。a.正式生产后,如组织结构、材料、工艺有较大改变,可能影响产品性能时;b.正常生产时,定期或积累一定产量以后,应周期性进行一次检验;c.
国家质量监督机构提出进行型式检验要求时。6.2.2型式检验对物理性能和外观质量按批进行抽样检验。以同品种、同材料、同规格、同加工过程连续生产的产品为一批,取样数量见表3。114
样本大小
6.3判定规则
50以下
QB/T 1556—1992
50~~100
101~200
200以上
6.3.1物理性能按表1规定进行检验。如有一项指标不合格时,允许从该批产品中加倍抽样对该项复验,如复验合格,则判该批产品为合格品,若仍不合格时,则判该批产品为等外品。6.3.2外观质量按表2规定进行检验。型式检验时如有一项指标低于原品等要求时,允许从该批产品中加倍抽样进行复验,如复验达到或优于原品等要求时,则判该批产品为原品等;若仍达不到原品等要求时,则以复验结果的品等作为该批产品的品等。7标志、包装、运输、贮存
7.1标志
7.1.1.产品标志
生产单位应向用户提供以下内容的产品标志:a.
制造厂厂名:
产品名称;
商标;
产品标记;
数量;
颜额色;
产品品等。
包装标志
包装标志的基本内容为:
制造厂厂名;
产品名称;
商标;
产品标记;
产品品等;
产品数量;
颜色;
制造日期;
提示语:“不准用钩”、“防潮防晒”等。7.2包装
7.2.1底基布每个卷装长度为800~1000m。7.2.2底基布采用整体封闭式包装,应保证产品不受损伤,能防污、防潮,便于贮存和运输。7.3运输、贮存
7.3.1底基布在运输过程中,应避免日晒雨淋。7.3.2底基布应贮存于室内,水平放置,贮存期不超过一年。附加说明:
本标准由轻工业部质量标准司提出。本标准由全国地毯标准化中心归口。本标准由北京燕山石油化工公司化纤地毯厂、无锡市塑料铺地材料厂、承德市黄麻化纤纺织总厂、天津地毯研究所负责起草。
本标准主要起草人吴彬怡、杨萍红、钱小勤、阎慧敏、夏嘉蝶。115免费标准bzxz.net
标准搜零网邮
小提示:此标准内容仅展示完整标准里的部分截取内容,若需要完整标准请到上方自行免费下载完整标准文档。
地毯用聚丙烯底基布
1主题内容与适用范围
QB/T 1556-—1992
本标准规定了簇绒地毯用聚丙烯底基布的产品分类、技术要求、试验方法、检验规则和标志、包装、运输、贮存的要求。
本标准适用于以聚丙烯切膜纤维织造而成的簇绒地毯用底基布(以下简称“底基布”)。2引用标准
塑料力学性能试验方法总则
GB/T 1039
GB/T 1040
GB/T 2918
GB/T 8170
GB/T 8946
3产品分类
3.1产品品种
塑料拉伸试验方法
塑料状态调节和试验的标准环境数值修约规则
塑料编织袋
底基布按其经、纬密度分为95×50,90×50和70×65等品种。3.2产品规格
底基布按幅宽分为4.18,3.78,3.48和3.18等规格。3.3产品标记
幅宽,m
单位面积质量,g/m2
经密×纬密,根/10cm
3.4标记示例
经密95根/10cm,纬密50根/10cm,单位面积质量115g/m2,幅宽4.18m,符合本标准的底基布,其标记为:
95×50-115-4.18
QB/T 1556
地毯用聚丙烯底基布
注,其他品种和规格的产品由供需双方商定。4技术要求
4.1底基布的切膜纤维技术指标按GB/T8946中附录A(参考件)执行。4.2底基布的物理性能技术指标应符合表1规定。中华人民共和国轻工业部1992-07-06批准1993-03-01实施
经、纬密度偏差率
单位面积质量偏差率
断裂强力
断裂伸长率
热收缩率
尺寸偏差
QB/T1556—1992
底基布外观质量以卷为一个检验单位,按表2规定分等。表2
疵点名称
缺(断)经
油渍污斑
卷装成型不良
4.4分等规定
按单个计,每4 cm2以下为1个破洞,2个之间至少相距0.5m
缺(断)经长度20cm以内为1处
每20cm长为1处
每出现一次为1处
全幅纬斜12cm以上
经(纬)向切膜纤维不按正常组织排列为错织。每4cm2为1处
破边宽度5cm以内,每20cm长为1处底基布卷装不良出现的布面折叠现象为折皱。宽度0.2cm以内,长度50cm以内为1处
底基布表面沾有油、污、色等斑溃。每10 cm2或其累计数为1处
底基布卷装不良呈锥形布卷
布卷一侧端面凹凸长度,cm
底基布的品等,由物理性能和外观质量结合评定物理性能全部达到表1要求为合格,其中有一项达不到者为不合格品。4.4.1
技术指标
≥550
不小于名义长度
技术指标
优等品
不允许
不允许
一等品丨合格品
不允许
不允许
不允许|不允许
一等品和合格品。以10项疵点中最低的4.4.2外观质量的评定分为优等品、一可一项品等评定。
在物理性能合格的情况下,以外观质量的品等作为该产品的最终品等。4.4.3
注传慢图wbss
石各水标注行业资料免费下载
5试验方法
5.1物理性能
5.1.1试验条件
QB/T1556-1992
5.1.1.1试样状态调节和试验采用GB/T2918中规定的标准环境条件。5.1.1.2试样状态调节采用GB/T1039的方法在5.1.1.1规定的环境中进行。5.1.2取样
5.1.2.1每次取样为全幅宽,长度1m,每卷头尾10m内不取样,样品上不得有疵点。5.1.2.2试样应在下图规定的区域内裁取。150
糖药的糖
5.1.3数据的处理
经向裁样区
数值修约执行GB/T8170的规定。5.1.4经、纬密度偏差率的试验方法5.1.4.1器具:分度为1mm的钢直尺,纬向裁样区
5.1.4.2步骤:将试样置于水平台上,使其处于自然状态,在上图规定的6个区域内分别计数10cm中纬向和经向的切膜纤维根数,起点在二根经(纬)切膜纤维的空隙中间,当点在最后一根切膜纤维上不足一根时,作0.5根计。计算其算术平均值(根/10.cm)及偏差率。5.1.5单位面积质量偏差率的试验方法用分度为1mm的钢直尺裁取6块200mm×200mm的试样,分别称重(精确至0.001g),按式(1)计算单位面积质量算术平均值(g/m2)。G.
式中:G,—一单位面积质量,g/m2;X,--每块试样质量,g;
试样块数。
由平均单位面积质量G与名义单位面积质量G,计算其偏差率。5.1.6断裂强力和断裂伸长率的试验方法活装
QB/T1556-1992
5.1.6.1试验设备应符合GB/T1040第3章规定。夹钳有效宽度不得小于60mm,夹具间距为200mm,试验速度为(200±20)mm/min。5.1.6.2裁取经向、纬向的试样各6块,长300mm、宽50mm,试验步骤按GB/T1040第4章执行。5.1.6.3测试结果:断裂强力精确至2N,断裂伸长率精确至1%,分别计算其算术平均值。5.1.6.4试验中如遇试样在夹具中断裂、滑脱或影响准确性时,应另换试样重做。5.1.7热收缩率的试验方法
5.1.7.1器具:恒温烘箱、分度1mm的立式量尺(上端附夹持器)、预加张力重锤(0.5士0.1)cN/tex、秒表。
5.1.7.2步骤
a.在规定区域内抽取经向和纬向的切膜纤维各6根,长度约为700mm。b.分别将试样夹入立式量尺上端的夹持器中,在试样下端挂上预加张力重锤,待30s后,在零点和500mm处作上标记(即加热前试样长度)。c.
取下试样,放入(132土1)℃的烘箱内(搁板上铺4层纱布),烘20min。d.取出试样,冷却至室温,分别挂于立式量尺上,一端标记与零点对齐,挂上原张力重锤,待30s后,测量两标记间长度(即加热后试样长度)并记录,精确至1mm。按式(2)计算热收缩率(%)。Lo= L × 100
E(%) =
式中:E热收缩率,
L。--—加热前试样长度,mm;
加热后试样平均长度,mm。
5.1.8幅宽偏差的测定方法
使用长度大于幅宽、分摩为1mm的钢直尺,在取样布卷一端不小于10m的范围内,均勾量取五处幅宽尺寸,精确至0.01m,按式(3)计算幅宽偏差。=×100
式中:D—一幅宽偏差率,%;
L—实测幅宽平均值,m;
Ls—规定幅宽,m。
5.2外观质量
(3)
在光线充足的条件下,以目测方法进行检验。疵点处作出标记,并记录、评等。疵点记录卡随卷包装。6检验规则
检验分出厂检验和型式检验。
6.1出厂检验
6.1.1物理性能中对断裂强力、断裂伸长率和热收缩率按批进行抽样检验。6.1.2外观质量进行全数检验。
6.2型式检验
6.2.1有下列情况之时,应进行型式检验。a.正式生产后,如组织结构、材料、工艺有较大改变,可能影响产品性能时;b.正常生产时,定期或积累一定产量以后,应周期性进行一次检验;c.
国家质量监督机构提出进行型式检验要求时。6.2.2型式检验对物理性能和外观质量按批进行抽样检验。以同品种、同材料、同规格、同加工过程连续生产的产品为一批,取样数量见表3。114
样本大小
6.3判定规则
50以下
QB/T 1556—1992
50~~100
101~200
200以上
6.3.1物理性能按表1规定进行检验。如有一项指标不合格时,允许从该批产品中加倍抽样对该项复验,如复验合格,则判该批产品为合格品,若仍不合格时,则判该批产品为等外品。6.3.2外观质量按表2规定进行检验。型式检验时如有一项指标低于原品等要求时,允许从该批产品中加倍抽样进行复验,如复验达到或优于原品等要求时,则判该批产品为原品等;若仍达不到原品等要求时,则以复验结果的品等作为该批产品的品等。7标志、包装、运输、贮存
7.1标志
7.1.1.产品标志
生产单位应向用户提供以下内容的产品标志:a.
制造厂厂名:
产品名称;
商标;
产品标记;
数量;
颜额色;
产品品等。
包装标志
包装标志的基本内容为:
制造厂厂名;
产品名称;
商标;
产品标记;
产品品等;
产品数量;
颜色;
制造日期;
提示语:“不准用钩”、“防潮防晒”等。7.2包装
7.2.1底基布每个卷装长度为800~1000m。7.2.2底基布采用整体封闭式包装,应保证产品不受损伤,能防污、防潮,便于贮存和运输。7.3运输、贮存
7.3.1底基布在运输过程中,应避免日晒雨淋。7.3.2底基布应贮存于室内,水平放置,贮存期不超过一年。附加说明:
本标准由轻工业部质量标准司提出。本标准由全国地毯标准化中心归口。本标准由北京燕山石油化工公司化纤地毯厂、无锡市塑料铺地材料厂、承德市黄麻化纤纺织总厂、天津地毯研究所负责起草。
本标准主要起草人吴彬怡、杨萍红、钱小勤、阎慧敏、夏嘉蝶。115免费标准bzxz.net
标准搜零网邮
小提示:此标准内容仅展示完整标准里的部分截取内容,若需要完整标准请到上方自行免费下载完整标准文档。
标准图片预览:





- 其它标准
- 热门标准
- 轻工行业标准(QB)
- QB/T5302-2018 生活用干纸巾流延聚乙烯(CPE) 包装膜
- QB/T2833-2006 运动营养食品 能量控制食品
- QB/T1819-1993 R6纸板电池生产线
- QB/T2058-1994 照相灯泡
- QB/T1949-2004 扬琴
- QB/T2956-2008 皮鞋外底
- QB/T2173-2001 尼龙拉链
- QB/T2421-1998 铝及铝合金不粘锅
- QB2176-1995 非公路自行车安全要求
- QB/T1753.3-1993 轻机产品图样及设计文件规定格式及填写要求
- QB/T4704-2014 腿脚按摩器
- QB/T1272-2012 毛皮 化学试验样品的准备
- QB/T1660-1992 猪鬃
- QB/T2674-2004 皮鞋试穿检验规则
- QB/T4427-2012 芸香浸膏 枫香树脂提取物
- 行业新闻
请牢记:“bzxz.net”即是“标准下载”四个汉字汉语拼音首字母与国际顶级域名“.net”的组合。 ©2025 标准下载网 www.bzxz.net 本站邮件:bzxznet@163.com
网站备案号:湘ICP备2025141790号-2
网站备案号:湘ICP备2025141790号-2