- 您的位置:
- 标准下载网 >>
- 标准分类 >>
- 轻工行业标准(QB) >>
- QB 1733.3-1993 裹衣花生
标准号:
QB 1733.3-1993
标准名称:
裹衣花生
标准类别:
轻工行业标准(QB)
英文名称:
Coated peanuts标准状态:
现行-
发布日期:
1993-04-15 -
实施日期:
1994-12-01 出版语种:
简体中文下载格式:
.rar.pdf下载大小:
97.25 KB
中标分类号:
食品>>食品加工与制品>>X24果类加工与制品
起草人:
李彩霞、董焰生起草单位:
厦门食品厂、轻工业部食品发酵工业科学研究所归口单位:
全国食品发酵标准化中心提出单位:
轻工业部食品工业司发布部门:
中华人民共和国轻工业部相关标签:
花生
点击下载
标准简介:
标准下载解压密码:www.bzxz.net
本标准规定了裹衣花生的产品分类、技术要求、试验方法、检验规则和标志、包装、运输、贮存要求。本标准适用于以花生仁为主要原料,经裹衣、烘烤或油炸或溶糖裹衣等工艺制成的酥、脆裹衣花生。 QB 1733.3-1993 裹衣花生 QB1733.3-1993
部分标准内容:
1主题内容与适用范围
中华人民共和国行业标准
裹衣花生
QB/T1733.3-93
本标准规定了裹衣花生的产品分类、技术要求、试验方法、检验规则和标志、包装、运输、贮存要求。
本标准适用于以花生仁为主要原料,经裹衣、烘烤或油炸或溶糖裹衣等工艺制成的酥、脆裹衣花生。
2引用标准
白砂糖
GB1354
GB1355
GB1533
GB2760
GB2761
GB7100
小麦粉
花生仁
食品添加剂使用卫生标准
食品中黄曲霉毒素B1允许量标准糕点、饼干、面包卫生标准
ZBX31005
麦芽糖饸(饸糖)
QB1733.1花生制品的试验方法、检验规则和标志、包装、运输、贮存要求3产品分类
3.1淀粉型指外衣以大米粉、小麦粉及其他淀粉为主要原料,经裹衣、烘烤或油炸、择料等工序制成的具有酥脆特点的裹衣花生。如鱼皮花生等。3.2糖衣型指外衣以白砂糖为主要原科,经裹衣等工序制成的糖衣花生制品。如糖皮花生等。
3.3混合型指外衣以淀粉和白砂糖为主要原料,经裹衣等工序制成的具有酥、脆、香特点的裹衣花生制品。如多味花生等。4技术要求
4.1原料
a.花生仁应符合GB1533的规定;b.白砂糖应符合GB317的规定:
C.大米应符合GB1354的规定;
d.小麦粉应符合GB1355的规定;e.麦芽糖饸应符合ZBX31005的规定。4.2感官要求
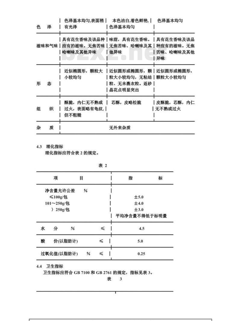
感官要求应符合表1的规定。
com合
色泽基本均匀,表面稍
有光泽
本色洁白着色鲜艳,」
「色泽基本均匀
色泽基本均匀
」具有花生香味及该品种味甜,具有花生香味。「具有花生香味及该品滋味和气味」应有的滋味。无焦苦味无焦苦味、哈喇味及其「种应有的滋味。无焦|哈喇味及其他异味
【他异味
「苦味、哈喇味及其他
「异味
近似椭圆形,颗粒大近似圆形或椭圆形,颗「近似圆形或椭圆形,1小较均匀
「粒大小较均匀,无粘结「颗粒大小较均匀「粒、无未裹衣粒。返砂
|晶花点明显突出
酥脆,内仁无不熟或芯酥,皮略松脆组
过火,表面略有龟纹,
但不粗糙
理化指标
理化指标应符合表2的规定。
无外来杂质
净含量允许公差
≤100g/包
101~250g/包
)250g/包
价(以脂肪计)
过氧化值(以脂肪计)
卫生指标
「皮酥脆,芯酥,内仁
「无不熟或过火
平均净含量不得低于标明量
卫生指标应符合GB7100和GB2761的规定,指标见表3。
com项
砷(以As计)bzxz.net
铅(以 Pb计)
黄曲霉毒素B1
食品添加剂
细菌总数,(出厂)个/g
(销售)个/g
大肠菌群个/100g
致病菌(系指肠道致病菌及致病性球菌)+
符合GB2760规定
不得检出
试验方法、检验规则和标志、1
运输、贮存
包装、
按照QB1733.1的规定执行。
附加说明:
本标准由轻工业部食品工业司提出。本标准由全国食品发酵标准化中心归口。轻工业部食品发酵工业科学研究所负责起草。本标准由厦门食品厂、车
本标准主要起草人:李彩霞董焰生陈岩
中华人民共和国轻工业部1993—04—15批准1993—12—01实施
小提示:此标准内容仅展示完整标准里的部分截取内容,若需要完整标准请到上方自行免费下载完整标准文档。
中华人民共和国行业标准
裹衣花生
QB/T1733.3-93
本标准规定了裹衣花生的产品分类、技术要求、试验方法、检验规则和标志、包装、运输、贮存要求。
本标准适用于以花生仁为主要原料,经裹衣、烘烤或油炸或溶糖裹衣等工艺制成的酥、脆裹衣花生。
2引用标准
白砂糖
GB1354
GB1355
GB1533
GB2760
GB2761
GB7100
小麦粉
花生仁
食品添加剂使用卫生标准
食品中黄曲霉毒素B1允许量标准糕点、饼干、面包卫生标准
ZBX31005
麦芽糖饸(饸糖)
QB1733.1花生制品的试验方法、检验规则和标志、包装、运输、贮存要求3产品分类
3.1淀粉型指外衣以大米粉、小麦粉及其他淀粉为主要原料,经裹衣、烘烤或油炸、择料等工序制成的具有酥脆特点的裹衣花生。如鱼皮花生等。3.2糖衣型指外衣以白砂糖为主要原科,经裹衣等工序制成的糖衣花生制品。如糖皮花生等。
3.3混合型指外衣以淀粉和白砂糖为主要原料,经裹衣等工序制成的具有酥、脆、香特点的裹衣花生制品。如多味花生等。4技术要求
4.1原料
a.花生仁应符合GB1533的规定;b.白砂糖应符合GB317的规定:
C.大米应符合GB1354的规定;
d.小麦粉应符合GB1355的规定;e.麦芽糖饸应符合ZBX31005的规定。4.2感官要求
感官要求应符合表1的规定。
com合
色泽基本均匀,表面稍
有光泽
本色洁白着色鲜艳,」
「色泽基本均匀
色泽基本均匀
」具有花生香味及该品种味甜,具有花生香味。「具有花生香味及该品滋味和气味」应有的滋味。无焦苦味无焦苦味、哈喇味及其「种应有的滋味。无焦|哈喇味及其他异味
【他异味
「苦味、哈喇味及其他
「异味
近似椭圆形,颗粒大近似圆形或椭圆形,颗「近似圆形或椭圆形,1小较均匀
「粒大小较均匀,无粘结「颗粒大小较均匀「粒、无未裹衣粒。返砂
|晶花点明显突出
酥脆,内仁无不熟或芯酥,皮略松脆组
过火,表面略有龟纹,
但不粗糙
理化指标
理化指标应符合表2的规定。
无外来杂质
净含量允许公差
≤100g/包
101~250g/包
)250g/包
价(以脂肪计)
过氧化值(以脂肪计)
卫生指标
「皮酥脆,芯酥,内仁
「无不熟或过火
平均净含量不得低于标明量
卫生指标应符合GB7100和GB2761的规定,指标见表3。
com项
砷(以As计)bzxz.net
铅(以 Pb计)
黄曲霉毒素B1
食品添加剂
细菌总数,(出厂)个/g
(销售)个/g
大肠菌群个/100g
致病菌(系指肠道致病菌及致病性球菌)+
符合GB2760规定
不得检出
试验方法、检验规则和标志、1
运输、贮存
包装、
按照QB1733.1的规定执行。
附加说明:
本标准由轻工业部食品工业司提出。本标准由全国食品发酵标准化中心归口。轻工业部食品发酵工业科学研究所负责起草。本标准由厦门食品厂、车
本标准主要起草人:李彩霞董焰生陈岩
中华人民共和国轻工业部1993—04—15批准1993—12—01实施
小提示:此标准内容仅展示完整标准里的部分截取内容,若需要完整标准请到上方自行免费下载完整标准文档。
标准图片预览:



- 其它标准
- 上一篇: QB 1733.2-1993 花生类糖制品
- 下一篇: QB 1733.6-1993 烤花生仁
- 热门标准
- 轻工行业标准(QB)
- QB/T2833-2006 运动营养食品 能量控制食品
- QB/T2058-1994 照相灯泡
- QB/T2956-2008 皮鞋外底
- QB/T1819-1993 R6纸板电池生产线
- QB/T1949-2004 扬琴
- QB2176-1995 非公路自行车安全要求
- QB/T2173-2001 尼龙拉链
- QB/T2421-1998 铝及铝合金不粘锅
- QB/T1753.3-1993 轻机产品图样及设计文件规定格式及填写要求
- QB/T4704-2014 腿脚按摩器
- QB/T2674-2004 皮鞋试穿检验规则
- QB/T1660-1992 猪鬃
- QB/T4427-2012 芸香浸膏 枫香树脂提取物
- QB6005-1992 麦芽厂设计规范
- QB/T1334-2013 水嘴通用技术条件
- 行业新闻
请牢记:“bzxz.net”即是“标准下载”四个汉字汉语拼音首字母与国际顶级域名“.net”的组合。 ©2025 标准下载网 www.bzxz.net 本站邮件:bzxznet@163.com
网站备案号:湘ICP备2025141790号-2
网站备案号:湘ICP备2025141790号-2