- 您的位置:
- 标准下载网 >>
- 标准分类 >>
- 机械行业标准(JB) >>
- JB/T 2403.2-2012 辊锻机 第2部分 精度
标准号:
JB/T 2403.2-2012
标准名称:
辊锻机 第2部分 精度
标准类别:
机械行业标准(JB)
标准状态:
现行出版语种:
简体中文下载格式:
.rar .pdf下载大小:
部分标准内容:
ICS25.120.10
备案号:36503—2012bZxz.net
中华人民共和国机械行业标准
JB/T2403.2—2012
代替JB/T2403.2—1996
辊锻机第2部分:精度
Forging roll machine—Part 2: Testing of the accuracy2012-05-24发布
2012-11-01实施
中华人民共和国工业和信息化部发布前言
规范性引用文件,
++++++-++-++++++++
3精度检验的基本要求
4几何精度检验..
表1不检验长度.
表2预调检验.
表3精度检验.
JB/T2403.2—2012
++++++++++++++++++++++++++++++++++++++++++++..I
JB/T2403.2—2012
JB/T2403《辊锻机》分为三个部分:一一第1部分:参数;
一第2部分:精度:
一第3部分:技术条件。本部分为JB/T2403的第2部分。本部分按照GB/T1.12009给出的规则起草。
本部分代替JB/T2403.2—1996《辊锻机精度》,与JB/T2403.2—1996相比主要技术变化如下:
-增加了3.5、3.6、3.7。本部分由中国机械工业联合会提出。本部分由全国锻压机械标准化技术委员会(SAC/TC220)归口。本部分起草单位:北京机电研究所、深圳市华测检测技术股份有限公司、山东英才学院。本部分主要起草人:张浩、钱浩臣、陈培丽、蒋鹏、孙国强、朱平、何增先、王维荣。本部分所代替标准的历次版本发布情况为:
—JB3845—1985
—JB/T2403.2—1996。
1范围
辊锻机第2部分:精度
JB/T2403的本部分规定了辊锻机的几何精度和检验方法。本部分适用于热态辊锻的辊锻机。2规范性引用文件
JB/T2403.2—2012
下列文件对于本文件的应用是必不可少的。凡是注日期的引用文件,仅注日期的版本适用于本文件。凡是不注日期的引用文件,其最新版本(包括所有的修改单)适用于本文件。GB/T10923—2009锻压机械精度检验通则GB/T24760—2009铸铁平尺
3精度检验的基本要求
3.1精度检验时,不得对影响机器精度的零件和机构进行调整。3.2当实测长度与本部分规定的不同时,允差按可能测量的最大长度折算,若折算结果小于0.01mm,仍按0.01mm计算。
3.3本部分的精度检验顺序,并不表示实际检验顺序,为了装拆检验工具和检验方便,可按任意顺序进行检验
3.4精度检验应在上、下锻辊中心距等于锻模公称直径时进行。3.5辊锻机精度检验时,应满足下列条件:-辊锻机处于室温并调整至水平;一辊锻机应处于无负荷状态:
挡板键中心与上下锻辊中心连线重合。辑辊锻机精度检验量具必须是经过校验后的量具。检验平尺精度应符合GB/T24760—2009中2级准3.6
确度等级的规定
3.7辊锻机精度检验的实际检验长度按表1的规定去除不检验长度。表1不检验长度
被检验长度L
4几何精度检验
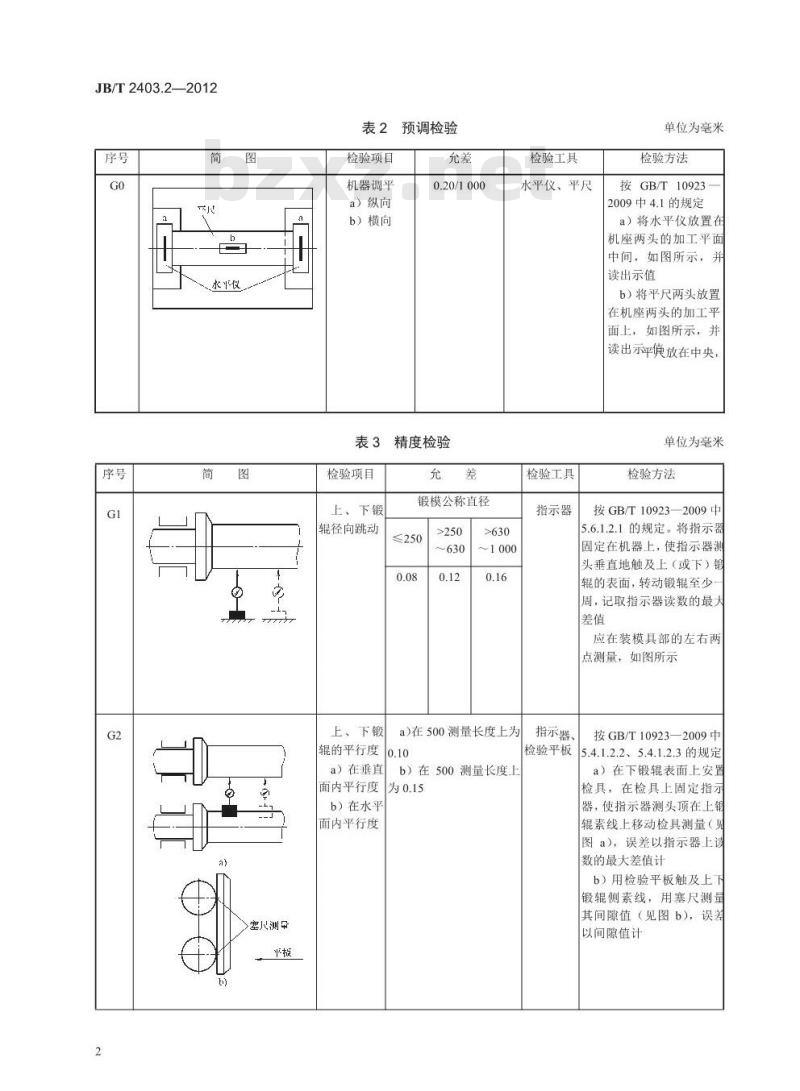
预调检验应符合表2的规定。
4.2精度检验应符合表3的规定。不检验长度e
单位为毫米
JB/T2403.2—2012
>塞尺测甲
表2预调检验
检验项目
机器调平
a)纵向
b)横向
0.20/1000
表3精度检验
检验项目
上、下锻
辑径向跳动
上、下锻
辊的平行度
a)在垂直
面内平行度
b)在水平
面内平行度
段模公称直径
≤250
a)在500测量长度上为
b)在500测量长度上
检验工具
水平仪、平尺
检验工具
指示器
指示器、
检验平板
单位为毫来
检验方法
按GB/T10923-
2009中4.1的规定
a)将水平仪放置在
机座两头的加工平面
中间,如图所示,并
读出示值
b)将平尺两头放置
在机座两头的加工平
面上,如图所示,并
读出示平候放在中央
单位为毫米
检验方法
按GB/T10923—2009中
5.6.1.2.1的规定。将指示器
固定在机器上,使指示器测
头垂直地触及上(或下)
辊的表面,转动锻辊至少
周,记取指示器读数的最大
应在装模具部的左右两
点测量,如图所示
按GB/T10923—2009中
5.4.1.2.2、5.4.1.2.3的规定
a)在下锻辊表面上安置
检具,在检具上固定指示
器,使指示器测头顶在上银
辊素线上移动检具测量(见
图a),误差以指示器上读
数的最大差值计
b)用检验平板触及上下
锻辊侧素线,用塞尺测量
其间隙值(见图b),误差
以间隙值计
密尺洲量
为度样技
检验项目
表3(续)
上、下锻
辊模具固定
定位面轴向
上、下锻
锻模公称直径
≤250
~630
在500测量长度上为
辊模具固定
键定位面的
平行度
上、下锻
辊模具固定
键定位面的
注1:辑锻机有轴向调整机构时,不检验G3项,注2:辊锻机有角度调整机构时,不检验G5项。0.30
检验工具
角度样
板、塞尺、
指示器、
JB/T2403.2—2012
检验方法
a)当轴向定位面为锥面
时,在底座上放置平尺,用
角度样板紧靠在上(或下)
锻辊的模具轴向定位面(见
图a),然后用平尺紧贴在角
度样板上,找出最高点(或
最低点)后,再将角度样板
移至在下(或上)锻辊模具
的轴向定位面,用塞尺测量
角度样板与平尺检验面间的
间隙,该间隙即为错位误差
b)当轴向定位面为平面
锻辊的定位面,用寒尺测量
苹尺检验面写另一是位面
间的间隙(见图b),该间
隙即为错位误差
按GB/T10923—2009中
5.4.2.1的规定。将上、下银
专用指示
平尺、
辊停在图示位置,使专用指
示器座与下锻辊侧素线及
固定键模具定位面接触,指
示器测头垂直地接触上
辊固定键模具定位面上,移
动专用指示器座测量(女
图),误差以指示器读数的
最大差值计
将上、下锻辊停在图示位
置,直尺测量面贴合在下
(或上)锻辊固定键模具定
位面上,在键长的中间位
置,用塞尺测量上(或下)
锻辊固定键模具定位面与
直尺测量面间的间隙,该间
隙值即为错位误差
中华人民共和国
机械行业标准
辊锻机第2部分:精度
JB/T2403.2—2012
*机械工业出版社出版发
行北京市百万庄大街22
号邮政编码:100037
210mm×297mm?0.5印张·11千字2012年12月第1版第1次印刷
定价:12.00元
*书号:15111·10600网址:
http://cmpbook.com编辑部电话:(010)88379778直销中心电话:
(010)88379693封面无防
伪标均为盗版
版权专有
侵权必究
小提示:此标准内容仅展示完整标准里的部分截取内容,若需要完整标准请到上方自行免费下载完整标准文档。
备案号:36503—2012bZxz.net
中华人民共和国机械行业标准
JB/T2403.2—2012
代替JB/T2403.2—1996
辊锻机第2部分:精度
Forging roll machine—Part 2: Testing of the accuracy2012-05-24发布
2012-11-01实施
中华人民共和国工业和信息化部发布前言
规范性引用文件,
++++++-++-++++++++
3精度检验的基本要求
4几何精度检验..
表1不检验长度.
表2预调检验.
表3精度检验.
JB/T2403.2—2012
++++++++++++++++++++++++++++++++++++++++++++..I
JB/T2403.2—2012
JB/T2403《辊锻机》分为三个部分:一一第1部分:参数;
一第2部分:精度:
一第3部分:技术条件。本部分为JB/T2403的第2部分。本部分按照GB/T1.12009给出的规则起草。
本部分代替JB/T2403.2—1996《辊锻机精度》,与JB/T2403.2—1996相比主要技术变化如下:
-增加了3.5、3.6、3.7。本部分由中国机械工业联合会提出。本部分由全国锻压机械标准化技术委员会(SAC/TC220)归口。本部分起草单位:北京机电研究所、深圳市华测检测技术股份有限公司、山东英才学院。本部分主要起草人:张浩、钱浩臣、陈培丽、蒋鹏、孙国强、朱平、何增先、王维荣。本部分所代替标准的历次版本发布情况为:
—JB3845—1985
—JB/T2403.2—1996。
1范围
辊锻机第2部分:精度
JB/T2403的本部分规定了辊锻机的几何精度和检验方法。本部分适用于热态辊锻的辊锻机。2规范性引用文件
JB/T2403.2—2012
下列文件对于本文件的应用是必不可少的。凡是注日期的引用文件,仅注日期的版本适用于本文件。凡是不注日期的引用文件,其最新版本(包括所有的修改单)适用于本文件。GB/T10923—2009锻压机械精度检验通则GB/T24760—2009铸铁平尺
3精度检验的基本要求
3.1精度检验时,不得对影响机器精度的零件和机构进行调整。3.2当实测长度与本部分规定的不同时,允差按可能测量的最大长度折算,若折算结果小于0.01mm,仍按0.01mm计算。
3.3本部分的精度检验顺序,并不表示实际检验顺序,为了装拆检验工具和检验方便,可按任意顺序进行检验
3.4精度检验应在上、下锻辊中心距等于锻模公称直径时进行。3.5辊锻机精度检验时,应满足下列条件:-辊锻机处于室温并调整至水平;一辊锻机应处于无负荷状态:
挡板键中心与上下锻辊中心连线重合。辑辊锻机精度检验量具必须是经过校验后的量具。检验平尺精度应符合GB/T24760—2009中2级准3.6
确度等级的规定
3.7辊锻机精度检验的实际检验长度按表1的规定去除不检验长度。表1不检验长度
被检验长度L
4几何精度检验
预调检验应符合表2的规定。
4.2精度检验应符合表3的规定。不检验长度e
单位为毫米
JB/T2403.2—2012
>塞尺测甲
表2预调检验
检验项目
机器调平
a)纵向
b)横向
0.20/1000
表3精度检验
检验项目
上、下锻
辑径向跳动
上、下锻
辊的平行度
a)在垂直
面内平行度
b)在水平
面内平行度
段模公称直径
≤250
a)在500测量长度上为
b)在500测量长度上
检验工具
水平仪、平尺
检验工具
指示器
指示器、
检验平板
单位为毫来
检验方法
按GB/T10923-
2009中4.1的规定
a)将水平仪放置在
机座两头的加工平面
中间,如图所示,并
读出示值
b)将平尺两头放置
在机座两头的加工平
面上,如图所示,并
读出示平候放在中央
单位为毫米
检验方法
按GB/T10923—2009中
5.6.1.2.1的规定。将指示器
固定在机器上,使指示器测
头垂直地触及上(或下)
辊的表面,转动锻辊至少
周,记取指示器读数的最大
应在装模具部的左右两
点测量,如图所示
按GB/T10923—2009中
5.4.1.2.2、5.4.1.2.3的规定
a)在下锻辊表面上安置
检具,在检具上固定指示
器,使指示器测头顶在上银
辊素线上移动检具测量(见
图a),误差以指示器上读
数的最大差值计
b)用检验平板触及上下
锻辊侧素线,用塞尺测量
其间隙值(见图b),误差
以间隙值计
密尺洲量
为度样技
检验项目
表3(续)
上、下锻
辊模具固定
定位面轴向
上、下锻
锻模公称直径
≤250
~630
在500测量长度上为
辊模具固定
键定位面的
平行度
上、下锻
辊模具固定
键定位面的
注1:辑锻机有轴向调整机构时,不检验G3项,注2:辊锻机有角度调整机构时,不检验G5项。0.30
检验工具
角度样
板、塞尺、
指示器、
JB/T2403.2—2012
检验方法
a)当轴向定位面为锥面
时,在底座上放置平尺,用
角度样板紧靠在上(或下)
锻辊的模具轴向定位面(见
图a),然后用平尺紧贴在角
度样板上,找出最高点(或
最低点)后,再将角度样板
移至在下(或上)锻辊模具
的轴向定位面,用塞尺测量
角度样板与平尺检验面间的
间隙,该间隙即为错位误差
b)当轴向定位面为平面
锻辊的定位面,用寒尺测量
苹尺检验面写另一是位面
间的间隙(见图b),该间
隙即为错位误差
按GB/T10923—2009中
5.4.2.1的规定。将上、下银
专用指示
平尺、
辊停在图示位置,使专用指
示器座与下锻辊侧素线及
固定键模具定位面接触,指
示器测头垂直地接触上
辊固定键模具定位面上,移
动专用指示器座测量(女
图),误差以指示器读数的
最大差值计
将上、下锻辊停在图示位
置,直尺测量面贴合在下
(或上)锻辊固定键模具定
位面上,在键长的中间位
置,用塞尺测量上(或下)
锻辊固定键模具定位面与
直尺测量面间的间隙,该间
隙值即为错位误差
中华人民共和国
机械行业标准
辊锻机第2部分:精度
JB/T2403.2—2012
*机械工业出版社出版发
行北京市百万庄大街22
号邮政编码:100037
210mm×297mm?0.5印张·11千字2012年12月第1版第1次印刷
定价:12.00元
*书号:15111·10600网址:
http://cmpbook.com编辑部电话:(010)88379778直销中心电话:
(010)88379693封面无防
伪标均为盗版
版权专有
侵权必究
小提示:此标准内容仅展示完整标准里的部分截取内容,若需要完整标准请到上方自行免费下载完整标准文档。
标准图片预览:





- 其它标准
- 热门标准
- 行业标准
- JB/T7895-2008 永磁筒式磁选机
- JB/T10288-2001 连栋温室结构
- JB/T10056-1999 直流电流互感器 技术条件
- JB/T2756-2006 无轨电车用炭滑块
- JB/T3411.50-1999 两爪顶拔器 尺寸
- JB/T8679-2008 炭弧气刨炭棒 物理及使用性能试验方法
- JB/T7140.1-1993 牲畜药浴机械 型式与基本参数
- JB/T9933.2-1999 小模数齿轮滚齿机 精度检验
- JB/T20086-2006 药用容器 料斗
- JB∕T12618-2016 家用和类似用途电器的触摸开关
- JB/T5934-1991 工程机械门锁 技术条件
- JB/T8108.2-1999 起重用短环链 用于葫芦的其他起重设备的T(8)级校准链条
- JB/T8528-1997 普通型阀门电动装置 技术条件
- JB/T9768-1999 内燃机 气缸套平台珩磨网纹 技术规范及检测方法
- JB/T5000.14-2007 重型机械通用技术条件 第14部分:铸钢件无损探伤
- 行业新闻
请牢记:“bzxz.net”即是“标准下载”四个汉字汉语拼音首字母与国际顶级域名“.net”的组合。 ©2025 标准下载网 www.bzxz.net 本站邮件:bzxznet@163.com
网站备案号:湘ICP备2025141790号-2
网站备案号:湘ICP备2025141790号-2