- 您的位置:
- 标准下载网 >>
- 标准分类 >>
- 商检行业标准(SN) >>
- SN/T 0987.8-2013 出口危险货物中型散装容器检验规程 第8部分:金属中型散装容器
标准号:
SN/T 0987.8-2013
标准名称:
出口危险货物中型散装容器检验规程 第8部分:金属中型散装容器
标准类别:
商检行业标准(SN)
英文名称:
Rules for performance inspection of IBCs for exprot dangerous goods—Part8:Metal IBCs标准状态:
现行-
发布日期:
2013-11-06 -
实施日期:
2014-06-01 出版语种:
简体中文下载格式:
.rar .pdf下载大小:
中标分类号:
综合>>标志、包装、运输、贮存>>A82包装材料与容器
点击下载
标准简介:
标准下载解压密码:www.bzxz.net
SN/T 0987.8-2013 出口危险货物中型散装容器检验规程 第8部分:金属中型散装容器
SN/T0987.8-2013
SN/T 0987的本部分规定了出口危险货物金属中型散装容器的定义、分类、要求、抽样、检验及不合格的处置。
本部分适用于出口危险货物金属中型散装容器的性能要求。
部分标准内容:
中华人民共和国出入境检验检疫行业标准SN/T 0987.8-2013
代替SN/T0987.8-2001
出口危险货物中型散装容器检验规程第8部分:金属中型散装容器
Rules for performance inspection of IBCs for export dangerous goods-Part 8:Metal IBCs
2013-11-06发布
中华人民共和国
国家质量监督检验检疫总局
2014-06-01实施
SN/TO987《出口危险货物中型散装容器检验规程》共分为8部分:第1部分:总则;
一第2部分:使用鉴定;
一第3部分:复合中型散装容器:第4部分:刚性塑料中型散装容器;一第5部分:木质中型散装容器:第6部分:柔性中型散装容器;
一第7部分:纤维板中型散装容器:第8部分:金属中型散装容器。
本部分为SN/T0987的第8部分
本部分按照GB/T1.1一2009给出的规则起草。SN/T0987.8-—2013
本部分替代SN/T0987.8一2001《出口危险货物中型散装货物包装容器性能检验规程星金属中
型散货箱》
本部分与SN/T0987.8-2001相比,主要技术变化如下:一更新了引用文件,并将相关的国际危规作为引用文件,增加在引用标准后;对检验批的定义进行了修改;
-将金属中型散装容器的分类从原定义部分剔除,增加第4章分类:增加了检测方法的试验顺序和振动试验的要求和试验内容及合格判定。本部分由国家认证认可监督管理委员会提出并归口。本部分起草单位:中华人民共和国天津出人境检验检疫局,中华人民共和国广州出入境检验检疫局。
本部分主要起草人:李宁涛、罗璇、张勇、钟邦奇、李秀萍、高建。本部分所代替标准的历次版本发布情况为:SN/T0987.8—2001。
1范围
出口危险货物中型散装容器检验规程第8部分:金属中型散装容器
SN/T0987.8-2013
SN/T0987的本部分规定了出口危险货物金属中型散装容器的定义、分类、要求,抽样、检验及不合格的处置。
本部分适用于出口危险货物金属中型散装容器的性能检验。规范性引用文件
下列文件对于本文件的应用是必不可少的,凡是注日期的引用文件,仅注日期的版本适用于本文件。凡是不注日期的引用文件,其最新版本(包括所有的修改单)适用于本文件。SN/T0370.1出口危险货物包装检验规程第1部分:总则SN/T0987.1出口危险货物中型散装容器检验规程第1部分:总则《关于危险货物运输的建议书规章范本》(联合国,第17修订版3术语和定义
SN/T0370.1和SN/T0987.1界定的以及下列术语和定义适用于本文件。3.1
检验批inspectionlot
以相同原材料、相同工艺、相同结构生产并汇集在一起的一定数量的危险货物中型散装容器。3.2
金属中型散装容器metalIBCs
由一个金属箱体以及适当的辅助设备和结构装置组成的中型散装容器。4分类
依照联合国《关于危险货物运输的建议书规章范本》金属中型散装容器有三种类型:用于装运靠重力装货或卸货的固体(11A、11B、11N);a)
用于装运在大于10kPa的表压下进行装货或卸货的固体(21A21B、21N)。c
5要求
用于装运液体(31A,31B、31N)。拟用于运输液体并且符合本标准规定的中型散装容器,不能用于运送在50℃时蒸气压大于110kPa或在55℃时蒸气压大于130kPa的液体。5.1拟装液体的每个中型散装容器在首次使用及经修理再次投人使用时都应进行密封性试验。试验时,中型散装容器不必装有自已的封闭装置5.2箱体应当用已充分显示其可焊接性的适当韧性金属材料制造。焊接工艺要好,并能保证绝对安SN/T0987.8—2013
全。必要时,应考虑到低温性能,5.3,如果所装运物质与制造壳体所用的材料接触会使箱壁厚度不断减小,在制造时应该适当增加箱壁厚度。这一允许的腐蚀厚度应加到5.7确定的箱壁厚度上5.4应当注意避免由于不同的金属并列引起的电池效应造成的损坏。用于装运易燃液体的铝质中型散装容器不应有用易生锈的无防护层的钢材制作的活动部件。5.5
金属中型散装容器应使用达到如下要求的金属制造:对于钢,断裂伸长百分率不应低于10000/R,绝对最小值为20%;其中:R为所使用钢的保a)
证最小抗拉强度,单位N/mm;
对于铝,断裂伸长百分率不应低于10000/6R㎡,绝对最小值为8%。b)
用于确定断裂伸长率的试样应从与轧制方向垂直的方向切取,所取的长度按式(1)或式(2)计算:L。=5d
L。=5.65VA
式中:
试验前试样的长度:
直径:
试样的横截面面积。
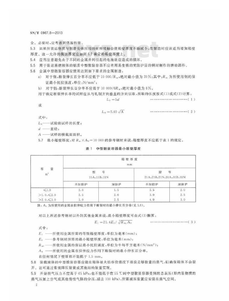
5.7最小箱壁厚度:对R,×A。=10000的参考钢材来说,箱壁厚度不应低于表1的规定。中型散装容器最小箱壁厚度
箱壁厚度
>1.0,≤2.0
不加防护
11A,11B.11N
加防护
..(2)
21A.21B,21N.31A.31B.31N
不加防护
注:A。为所使用的金居在拉伸应力作用下断裂时的最小伸长百分率(见5.6)。对以上所述参考钢材以外的其他金属来说,最小箱壁厚度可由式(3)推算:E,=21.4E./R.A.
式中:
所使用金属所需的等效箱壁厚度,单位为毫米(mm);参考钢材所需的最小箱壁厚度,单位为毫米(mm);所使用金屏的保证最小抗拉强度,单位为牛每平方毫米(N/mm)A。
一所使用的金属在拉伸应力作用下断裂时的最小伸长百分率。在任何情况下壁厚都不能低于1.5mm。加防护
-(3)
5.8装载液体的中型散装容器应能在箱体被火焰吞没情况下排放足够数量的蒸气,以确保箱体不会裂并。这可通过常规降压装置或其他结构装置实现,5.9开始泄气压力不应高于65kPa;也不能低于在55℃时中型散装容器受到的总表压(即内装物质的蒸气压加上空气或其他情性气体的分压,减去100kPa),所需减压装置应安装在蒸气空间。2
6抽样
SN/T0987.8-2013
以采用相同原材料、相同工艺、相同结构生产的金属中型散装容器为一检验批。6.1
2原材料、工艺、结构任一项有变更,需重新申请检验。如果中型散装容器与其设计类型仅存在细微6.2
的差别,如外部尺寸稍微缩小等,可允许对此中型散装容器采用选择性试验。抽样数量见表2。在不影响检验结果的情况下,按照表3检验项目的顺序检测,允许减少抽样数6.3
量,二个样品同时进行多项试验。表2
试验项目
振动试验
底部提升试验
顶部提升试验
堆码试验
渗漏试验
液压试验
跌落试验
抽样方法:从整个检验批中随机抽取。性能检验
检验项目
抽样数量
抽样数量/件
金属中型散装容器的检验项目见表3。检验顺序以表3自上而下的顺序进行。表35
检验项目
检验项目
振动试验
底部提升试验
预部提升试验
堆码试验
渗漏试验
液压试验
跌落试验
11H1.11H2
不要求
要求·
要求5
不要求
不要求
中型散装容器类型
21H1.21H2
不要求
要求·
要求*
31H1.31H2
要求”
如中型散装容器设计适用于这种装卸方式,至少进行其中一项试验(顶部提升或底部提升)。适用于被设计用于堆码的中型散装容器。SN/T0987.8-2013
7.2试验内容
7.2.1振动试验
7.2.1.1适用范围:所有装载液体的中型散装容器-作为设计型号试验。注:这项试验适用于2011年1月1日起制造的中型散装容器的设计型号。7.2.1.2试样准备:试验的中型散装容器应是随意选出的,做好运输前的调试和封闭。向中型散装容器中装水,至不少于其最大容量的98%。7.2.1.3试验方法和时间:中型散装容器置于试验机器平台的中央,垂直正弦曲线、双振幅峰对峰间值)25mm(1土5%)。如有必要,在平台上安装约束装置,防止试样水平移动从平台上滑落,但不限制上下移动。
试验应进行1h,使用的频率应造成中型散装容器在每个周期的一段时间里瞬间脱离振动平台,达到可将一个金属薄片间歇地完全插人中型散装容器的箱底与试验平台之间的空隙。在第一次设定频率后,可能需要进行调整,以防止容器产生共振,但试验频率必须始终保证本段所要求的,能够将金属薄片插入中型散装容器之下,金属薄片能够不断插人,是通过本试验的基本要求。本试验使用的金属片,应至少1.6mm厚,50mm宽,并有足够的长度,以便插人中型散装容器与试验平台之间至少100mm,完成试验。
7.2.1.4合格准则:看不到泄漏或开裂。此外,看不到结构部性的破损或失效,如裂焊或松动。7.2.2底部提升试验
7.2.2.1适用范围:装有底部提升装置的金属中型散装容器。7.2.2.2
试样准备:中型散装容器应充灌至其最大允许总重的1.25倍,负荷应分布均匀。3试验方法中型散装容器应由叉车升降两次,叉子的位置应在中央,使其之间的距离等于进人7.2.2.3
面长度的75%(进叉点固定的除外)进叉深度应为进叉方向深度的75%。每一可能的进叉方向均应重复进行此项试验。
7.2.2.4合格准则:内装物无损失:中型散装容器未出现任何会危及运输安全的永久性变形。7.2.3顶部提升试验
适用范围:装有顶部提升装置的金属中型散装容器7.2.3.2
5min。
试样准备:中型散装容器应充灌至其最大允许总重的2倍。试验方法:中型散装容器应按照设计的提升方法进行提升直至脱离地面并保持高度至少合格准则:内装物无损失,中型散装容器未出现任何会危及运输安全的水久性变形。7.2.4堆码试验
7.2.4.1适用范围:用于相互堆积存放的金属中型散装容器。2试样准备:中型散装容器应充灌至其最大允许总重。7.2.4.2
7.2.4.3试验方法:中型散装容器应底部向下置于坚硬平坦的地面,然后向其施加分布均勾的试验负荷(见7.2.4.4)至少5mina
7.2.4.4试验负荷的计算:施加到中型散装容器上的试验负荷应相当于运输中其上面堆码的相同中型散装容器数目最大允许总重之和的1.8倍。7.2.4.5合格准则:内装物无损失,中型散装容器未出现任何会危及运输安全的永久性变形。4
7.2.5渗漏试验
SN/T0987.8—-2013
适用范围:用于装运液体或用于装运固体使用压力装载和卸载方式的中型散装容器。7.2.5.1
试样准备:试验应在安装隔热设备之前进行,通气口应采用非通气装置替换或将通气口堵塞。7.2.5.2
试验方法和施加压力:此项试验应使用空气不低于20kPa的表压至少进行10min,并使用合适的方法确定被试中型散装容器的气密性,例如,用肥皂水涂抹焊缝及连接部位,使用气压差试验或将中型散装容器置于水中。如果使用后一种方法,应对静水压力采用修正系数。7.2.5.4合格准则:无漏气现象。7.2.6液压试验
7.2.6.1适用范围:用于21A.21B.21N.31A31B和31N的中型散装容器7.2.6.2试样准备:此项试验应在安装隔热设备之前进行。减压装置应确定在不工作状态,或将减压装置拆下并将开口堵住。
7.2.6.3试验方法:此项试验应按不低于7.2.6.4规定的压力至少进行10min。试验期间,中型散装容器不得受到任何机械约束。
7.2.6.4施加的压力:
对所有用于装运属于包装类的固体的中型散装容器类型21A,21B,21N,31A,31B和31N,a)
使用250kPa表压;
对于全部用于装运属于包装类I和Ⅲ的物质的中型散装容器类型21A,21B,21N,31A,31Bb)
和31N,使用200kPa表压:
除上述压力外,对于装运液体的中型散装容器类型31A,31B和31N,还要采用65kPa表压。c
这项试验应在200kPa试验之前进行。7.2.6.5
合格准则:
对于按7.2.6.4a)和b)规定压力试验的中型散装容器类型21A,21B.21N,31A,31B和31N无a)
渗漏现象。
对于按7.2.6.4c)规定压力试验的中型散装容器类型31A31B和31N:无渗漏现象,也无任何b)wwW.bzxz.Net
会危及中型散装容器运输安全的永久性变形。7.2.7跌落试验
7.2.7.1试样准备:按照设计类型,用于装运固体的中型散装容器应充灌至不低于其容量的95%,用于装运液体的中型散装容器应充灌至不低于其容量的98%。减压装置应确定在不工作的状态,或将减压装置拆下并将其开口堵塞。
中型散装容器应按本标准的规定进行装货。拟装货物可以用其他物质代替,但不得影响试验结果。如果是固体物质,当使用另一种物质代替时,该替代物质的物理性质(重量、颗粒大小等)应与待运物质相同。允许使用外加物如铅粒袋等,以便达到规定的包件总重,只要外加物的放置方式不会使试验结果受到影响。
7.2.7.2试验方法:中型散装容器应跌落至坚硬,无弹性,光滑,平坦和水平的表面。跌落的方式应使中型散装容器底部被认为最脆弱的部位成为冲击点。容量等于或低于0.45m的中型散装容器还应对除第一次跌落外的最薄弱部分进行跌落试验。每次跌落可使用同一个或不同的中型散装容器。7.2.7.3跌落高度见表4。
SN/T0987.8—2013
包装类I
表4跌落高度
包装类Ⅱ
包装类皿
单位为米
拟装液体的箱体跌落试验时,如使用另一种物质代替,这种物质的相对密度及粘度应与待运输7.2.7.4
物质相似,也可用水来进行跌落试验,其跌落高度如下:a)
如待运物质的相对密度不超过1.2,跌落高度见表4;如待运物质的相对密度大于1.2,应根据待运物质的相对密度d计算(四舍五入取第一位小数)其跌落高度(见表5)。
I类包装
合格准则
跌落高度计算
Ⅱ类包装
加类包装
上述各项试验全部合格,则判该检验批合格。如有一项不合格者,判该检验批不合格。8
不合格的处置
单位为米
如检验结果仅有一项不合格,则应加倍抽样重新进行检验,如仍有一项或一项以上不合格,则判定该检验批不合格。
小提示:此标准内容仅展示完整标准里的部分截取内容,若需要完整标准请到上方自行免费下载完整标准文档。
代替SN/T0987.8-2001
出口危险货物中型散装容器检验规程第8部分:金属中型散装容器
Rules for performance inspection of IBCs for export dangerous goods-Part 8:Metal IBCs
2013-11-06发布
中华人民共和国
国家质量监督检验检疫总局
2014-06-01实施
SN/TO987《出口危险货物中型散装容器检验规程》共分为8部分:第1部分:总则;
一第2部分:使用鉴定;
一第3部分:复合中型散装容器:第4部分:刚性塑料中型散装容器;一第5部分:木质中型散装容器:第6部分:柔性中型散装容器;
一第7部分:纤维板中型散装容器:第8部分:金属中型散装容器。
本部分为SN/T0987的第8部分
本部分按照GB/T1.1一2009给出的规则起草。SN/T0987.8-—2013
本部分替代SN/T0987.8一2001《出口危险货物中型散装货物包装容器性能检验规程星金属中
型散货箱》
本部分与SN/T0987.8-2001相比,主要技术变化如下:一更新了引用文件,并将相关的国际危规作为引用文件,增加在引用标准后;对检验批的定义进行了修改;
-将金属中型散装容器的分类从原定义部分剔除,增加第4章分类:增加了检测方法的试验顺序和振动试验的要求和试验内容及合格判定。本部分由国家认证认可监督管理委员会提出并归口。本部分起草单位:中华人民共和国天津出人境检验检疫局,中华人民共和国广州出入境检验检疫局。
本部分主要起草人:李宁涛、罗璇、张勇、钟邦奇、李秀萍、高建。本部分所代替标准的历次版本发布情况为:SN/T0987.8—2001。
1范围
出口危险货物中型散装容器检验规程第8部分:金属中型散装容器
SN/T0987.8-2013
SN/T0987的本部分规定了出口危险货物金属中型散装容器的定义、分类、要求,抽样、检验及不合格的处置。
本部分适用于出口危险货物金属中型散装容器的性能检验。规范性引用文件
下列文件对于本文件的应用是必不可少的,凡是注日期的引用文件,仅注日期的版本适用于本文件。凡是不注日期的引用文件,其最新版本(包括所有的修改单)适用于本文件。SN/T0370.1出口危险货物包装检验规程第1部分:总则SN/T0987.1出口危险货物中型散装容器检验规程第1部分:总则《关于危险货物运输的建议书规章范本》(联合国,第17修订版3术语和定义
SN/T0370.1和SN/T0987.1界定的以及下列术语和定义适用于本文件。3.1
检验批inspectionlot
以相同原材料、相同工艺、相同结构生产并汇集在一起的一定数量的危险货物中型散装容器。3.2
金属中型散装容器metalIBCs
由一个金属箱体以及适当的辅助设备和结构装置组成的中型散装容器。4分类
依照联合国《关于危险货物运输的建议书规章范本》金属中型散装容器有三种类型:用于装运靠重力装货或卸货的固体(11A、11B、11N);a)
用于装运在大于10kPa的表压下进行装货或卸货的固体(21A21B、21N)。c
5要求
用于装运液体(31A,31B、31N)。拟用于运输液体并且符合本标准规定的中型散装容器,不能用于运送在50℃时蒸气压大于110kPa或在55℃时蒸气压大于130kPa的液体。5.1拟装液体的每个中型散装容器在首次使用及经修理再次投人使用时都应进行密封性试验。试验时,中型散装容器不必装有自已的封闭装置5.2箱体应当用已充分显示其可焊接性的适当韧性金属材料制造。焊接工艺要好,并能保证绝对安SN/T0987.8—2013
全。必要时,应考虑到低温性能,5.3,如果所装运物质与制造壳体所用的材料接触会使箱壁厚度不断减小,在制造时应该适当增加箱壁厚度。这一允许的腐蚀厚度应加到5.7确定的箱壁厚度上5.4应当注意避免由于不同的金属并列引起的电池效应造成的损坏。用于装运易燃液体的铝质中型散装容器不应有用易生锈的无防护层的钢材制作的活动部件。5.5
金属中型散装容器应使用达到如下要求的金属制造:对于钢,断裂伸长百分率不应低于10000/R,绝对最小值为20%;其中:R为所使用钢的保a)
证最小抗拉强度,单位N/mm;
对于铝,断裂伸长百分率不应低于10000/6R㎡,绝对最小值为8%。b)
用于确定断裂伸长率的试样应从与轧制方向垂直的方向切取,所取的长度按式(1)或式(2)计算:L。=5d
L。=5.65VA
式中:
试验前试样的长度:
直径:
试样的横截面面积。
5.7最小箱壁厚度:对R,×A。=10000的参考钢材来说,箱壁厚度不应低于表1的规定。中型散装容器最小箱壁厚度
箱壁厚度
>1.0,≤2.0
不加防护
11A,11B.11N
加防护
..(2)
21A.21B,21N.31A.31B.31N
不加防护
注:A。为所使用的金居在拉伸应力作用下断裂时的最小伸长百分率(见5.6)。对以上所述参考钢材以外的其他金属来说,最小箱壁厚度可由式(3)推算:E,=21.4E./R.A.
式中:
所使用金属所需的等效箱壁厚度,单位为毫米(mm);参考钢材所需的最小箱壁厚度,单位为毫米(mm);所使用金屏的保证最小抗拉强度,单位为牛每平方毫米(N/mm)A。
一所使用的金属在拉伸应力作用下断裂时的最小伸长百分率。在任何情况下壁厚都不能低于1.5mm。加防护
-(3)
5.8装载液体的中型散装容器应能在箱体被火焰吞没情况下排放足够数量的蒸气,以确保箱体不会裂并。这可通过常规降压装置或其他结构装置实现,5.9开始泄气压力不应高于65kPa;也不能低于在55℃时中型散装容器受到的总表压(即内装物质的蒸气压加上空气或其他情性气体的分压,减去100kPa),所需减压装置应安装在蒸气空间。2
6抽样
SN/T0987.8-2013
以采用相同原材料、相同工艺、相同结构生产的金属中型散装容器为一检验批。6.1
2原材料、工艺、结构任一项有变更,需重新申请检验。如果中型散装容器与其设计类型仅存在细微6.2
的差别,如外部尺寸稍微缩小等,可允许对此中型散装容器采用选择性试验。抽样数量见表2。在不影响检验结果的情况下,按照表3检验项目的顺序检测,允许减少抽样数6.3
量,二个样品同时进行多项试验。表2
试验项目
振动试验
底部提升试验
顶部提升试验
堆码试验
渗漏试验
液压试验
跌落试验
抽样方法:从整个检验批中随机抽取。性能检验
检验项目
抽样数量
抽样数量/件
金属中型散装容器的检验项目见表3。检验顺序以表3自上而下的顺序进行。表35
检验项目
检验项目
振动试验
底部提升试验
预部提升试验
堆码试验
渗漏试验
液压试验
跌落试验
11H1.11H2
不要求
要求·
要求5
不要求
不要求
中型散装容器类型
21H1.21H2
不要求
要求·
要求*
31H1.31H2
要求”
如中型散装容器设计适用于这种装卸方式,至少进行其中一项试验(顶部提升或底部提升)。适用于被设计用于堆码的中型散装容器。SN/T0987.8-2013
7.2试验内容
7.2.1振动试验
7.2.1.1适用范围:所有装载液体的中型散装容器-作为设计型号试验。注:这项试验适用于2011年1月1日起制造的中型散装容器的设计型号。7.2.1.2试样准备:试验的中型散装容器应是随意选出的,做好运输前的调试和封闭。向中型散装容器中装水,至不少于其最大容量的98%。7.2.1.3试验方法和时间:中型散装容器置于试验机器平台的中央,垂直正弦曲线、双振幅峰对峰间值)25mm(1土5%)。如有必要,在平台上安装约束装置,防止试样水平移动从平台上滑落,但不限制上下移动。
试验应进行1h,使用的频率应造成中型散装容器在每个周期的一段时间里瞬间脱离振动平台,达到可将一个金属薄片间歇地完全插人中型散装容器的箱底与试验平台之间的空隙。在第一次设定频率后,可能需要进行调整,以防止容器产生共振,但试验频率必须始终保证本段所要求的,能够将金属薄片插入中型散装容器之下,金属薄片能够不断插人,是通过本试验的基本要求。本试验使用的金属片,应至少1.6mm厚,50mm宽,并有足够的长度,以便插人中型散装容器与试验平台之间至少100mm,完成试验。
7.2.1.4合格准则:看不到泄漏或开裂。此外,看不到结构部性的破损或失效,如裂焊或松动。7.2.2底部提升试验
7.2.2.1适用范围:装有底部提升装置的金属中型散装容器。7.2.2.2
试样准备:中型散装容器应充灌至其最大允许总重的1.25倍,负荷应分布均匀。3试验方法中型散装容器应由叉车升降两次,叉子的位置应在中央,使其之间的距离等于进人7.2.2.3
面长度的75%(进叉点固定的除外)进叉深度应为进叉方向深度的75%。每一可能的进叉方向均应重复进行此项试验。
7.2.2.4合格准则:内装物无损失:中型散装容器未出现任何会危及运输安全的永久性变形。7.2.3顶部提升试验
适用范围:装有顶部提升装置的金属中型散装容器7.2.3.2
5min。
试样准备:中型散装容器应充灌至其最大允许总重的2倍。试验方法:中型散装容器应按照设计的提升方法进行提升直至脱离地面并保持高度至少合格准则:内装物无损失,中型散装容器未出现任何会危及运输安全的水久性变形。7.2.4堆码试验
7.2.4.1适用范围:用于相互堆积存放的金属中型散装容器。2试样准备:中型散装容器应充灌至其最大允许总重。7.2.4.2
7.2.4.3试验方法:中型散装容器应底部向下置于坚硬平坦的地面,然后向其施加分布均勾的试验负荷(见7.2.4.4)至少5mina
7.2.4.4试验负荷的计算:施加到中型散装容器上的试验负荷应相当于运输中其上面堆码的相同中型散装容器数目最大允许总重之和的1.8倍。7.2.4.5合格准则:内装物无损失,中型散装容器未出现任何会危及运输安全的永久性变形。4
7.2.5渗漏试验
SN/T0987.8—-2013
适用范围:用于装运液体或用于装运固体使用压力装载和卸载方式的中型散装容器。7.2.5.1
试样准备:试验应在安装隔热设备之前进行,通气口应采用非通气装置替换或将通气口堵塞。7.2.5.2
试验方法和施加压力:此项试验应使用空气不低于20kPa的表压至少进行10min,并使用合适的方法确定被试中型散装容器的气密性,例如,用肥皂水涂抹焊缝及连接部位,使用气压差试验或将中型散装容器置于水中。如果使用后一种方法,应对静水压力采用修正系数。7.2.5.4合格准则:无漏气现象。7.2.6液压试验
7.2.6.1适用范围:用于21A.21B.21N.31A31B和31N的中型散装容器7.2.6.2试样准备:此项试验应在安装隔热设备之前进行。减压装置应确定在不工作状态,或将减压装置拆下并将开口堵住。
7.2.6.3试验方法:此项试验应按不低于7.2.6.4规定的压力至少进行10min。试验期间,中型散装容器不得受到任何机械约束。
7.2.6.4施加的压力:
对所有用于装运属于包装类的固体的中型散装容器类型21A,21B,21N,31A,31B和31N,a)
使用250kPa表压;
对于全部用于装运属于包装类I和Ⅲ的物质的中型散装容器类型21A,21B,21N,31A,31Bb)
和31N,使用200kPa表压:
除上述压力外,对于装运液体的中型散装容器类型31A,31B和31N,还要采用65kPa表压。c
这项试验应在200kPa试验之前进行。7.2.6.5
合格准则:
对于按7.2.6.4a)和b)规定压力试验的中型散装容器类型21A,21B.21N,31A,31B和31N无a)
渗漏现象。
对于按7.2.6.4c)规定压力试验的中型散装容器类型31A31B和31N:无渗漏现象,也无任何b)wwW.bzxz.Net
会危及中型散装容器运输安全的永久性变形。7.2.7跌落试验
7.2.7.1试样准备:按照设计类型,用于装运固体的中型散装容器应充灌至不低于其容量的95%,用于装运液体的中型散装容器应充灌至不低于其容量的98%。减压装置应确定在不工作的状态,或将减压装置拆下并将其开口堵塞。
中型散装容器应按本标准的规定进行装货。拟装货物可以用其他物质代替,但不得影响试验结果。如果是固体物质,当使用另一种物质代替时,该替代物质的物理性质(重量、颗粒大小等)应与待运物质相同。允许使用外加物如铅粒袋等,以便达到规定的包件总重,只要外加物的放置方式不会使试验结果受到影响。
7.2.7.2试验方法:中型散装容器应跌落至坚硬,无弹性,光滑,平坦和水平的表面。跌落的方式应使中型散装容器底部被认为最脆弱的部位成为冲击点。容量等于或低于0.45m的中型散装容器还应对除第一次跌落外的最薄弱部分进行跌落试验。每次跌落可使用同一个或不同的中型散装容器。7.2.7.3跌落高度见表4。
SN/T0987.8—2013
包装类I
表4跌落高度
包装类Ⅱ
包装类皿
单位为米
拟装液体的箱体跌落试验时,如使用另一种物质代替,这种物质的相对密度及粘度应与待运输7.2.7.4
物质相似,也可用水来进行跌落试验,其跌落高度如下:a)
如待运物质的相对密度不超过1.2,跌落高度见表4;如待运物质的相对密度大于1.2,应根据待运物质的相对密度d计算(四舍五入取第一位小数)其跌落高度(见表5)。
I类包装
合格准则
跌落高度计算
Ⅱ类包装
加类包装
上述各项试验全部合格,则判该检验批合格。如有一项不合格者,判该检验批不合格。8
不合格的处置
单位为米
如检验结果仅有一项不合格,则应加倍抽样重新进行检验,如仍有一项或一项以上不合格,则判定该检验批不合格。
小提示:此标准内容仅展示完整标准里的部分截取内容,若需要完整标准请到上方自行免费下载完整标准文档。
标准图片预览:





- 热门标准
- 行业标准
- SN/T3714-2013 橡胶和塑料制品中钴、砷、铬、锡和铅的定量筛选方法电感耦合等离子体原子发射 光谱法
- SN/T4242-2015 进出口钕铁硼永磁材料中钕、镝、镨、镧、钴、硼、铝的测定电感耦合等离子体原子发射光谱法
- SN/T3775.3-2014 (进)出口纺织品质量符合性验证规范第3部分:纺织织物
- SN/T3896.6-2017 进出口纺织品纤维定量分析近红外法第6部分:聚酯纤维与羊毛的混合物
- SN/T3777.3-2014 纺织产品出口企业分类规范第3部分:纺织织物
- SN/T0684-2011 出口肉及肉制品中奥芬哒唑、芬苯哒唑、苯硫胍及奥芬哒唑砜残留量检测方法液相色谱-质谱/质谱法
- SN/T4247-2015 自贸试验区进口再制造用途机电产品检验规程
- SN/T4304-2015 出口氯化钡中铝、镁、铅、硅的测定电感耦合等离子体原子发射光谱法
- SN/T3480.2-2013 进口电子电工行业成套设备检验技术要求第2部分:电线电缆制造专用设备
- SN/T3694.7-2014 进出口工业品中全氟烷基化合物测定第7部分:油漆和涂料液相色谱-串联质谱法
- SN/T4401.1-2015 临床检验标本中毒品成分的定性及定量分析方法.第1部分:氯胺酮
- SN/T4669-2016 进出口纺织品悬挂材料抗火焰传播性测试标准方法开 口测试箱法
- SN/T3981.5-2015 进出口纺织品质量符合性评价方法纺织原料第5部分:蚕丝类绢丝
- SN/T3696-2013 进口再制造用途机电产品检验风险评估方法指南
- SN/T3771-2014 进出口轮胎通用技术要求
- 行业新闻
请牢记:“bzxz.net”即是“标准下载”四个汉字汉语拼音首字母与国际顶级域名“.net”的组合。 ©2025 标准下载网 www.bzxz.net 本站邮件:bzxznet@163.com
网站备案号:湘ICP备2025141790号-2
网站备案号:湘ICP备2025141790号-2