- 您的位置:
- 标准下载网 >>
- 标准分类 >>
- 农业行业标准(NY) >>
- NY/T 2328-2013 农作物种质资源鉴定评价技术规范 板栗
标准号:
NY/T 2328-2013
标准名称:
农作物种质资源鉴定评价技术规范 板栗
标准类别:
农业行业标准(NY)
标准状态:
现行出版语种:
简体中文下载格式:
.rar .pdf下载大小:
部分标准内容:
ICS 65.020.20
中华人民共和国农业行业标准
NY/T 2328-2013
农作物种质资源鉴定评价技术规范Technical code for evaluating crop gernplasn resources-Chestnut(Castanea molissima Blume)2013-05-20发布
2013-08-01实施
中华人民共和国农业部
5发布
本标准按照CB/T1.1-2009给出的规则起草,本标准由农业部种植业管理提出本标准出全国果品标准化技术委员会(SAC/TC501)归口。本标准起草单位:中国农业科学院茶叶研究所、东省果树研究所。NY/T2328—-2013
本标主要起草人:刘庆忠,陈新、江用文、魏海蓉、熊兴平、张力思、李国田、徐丽、赵红军、王甲威、宗晓娟、朱建淼。
1范围
农作物种质资源鉴定评价技术规范板票
NY/T2328—--2013
本标准规定了板票((astuneamottissimaBlurne)种质资源鉴定评价的术语和定义、技术要求,鉴定方法和优异种质资源的判定。
本标准适用于板恶种质资源的鉴定和优异种质资源评价,栗属其他种可以参照本标准。2规范性引用文性
下列文件对于本文件的应用是必不可少的。凡是注日期的引用文件,仅注口期的版本适用于本文件。凡是不注月期的引用文件,其最新版本(包括所有的修改单)适用丁本文件。GB/T1278蔬菜及其制品中可济性糖的测定GB5009.3食品中水分的测定
GI35009.5食品中蛋白质的测定
GI/T5009.9食品中淀粉的测链
GB/T20346板栗质量等级
3术语和定义
下列术语和定义适用于本文件。3.1
优良种质资源elitegermplasmresourccs主要经济性状表现好且其有重要价值的种质资源。3.2
特异种质资源
rare germplasm resources
性状表现特殊、稀有的种质资源。3.3
优异种质资源elite and raregermplasm resources优良种质资源和特异种质资源的总称。4技术要求
4.1样本采集
除特殊说明外,成在正常生长的盛果期植株上采集样本,样本树至少选3株。4.2数据采集
每个性状应在同地点至少进行3年的重复有效鉴定。4.3定内容
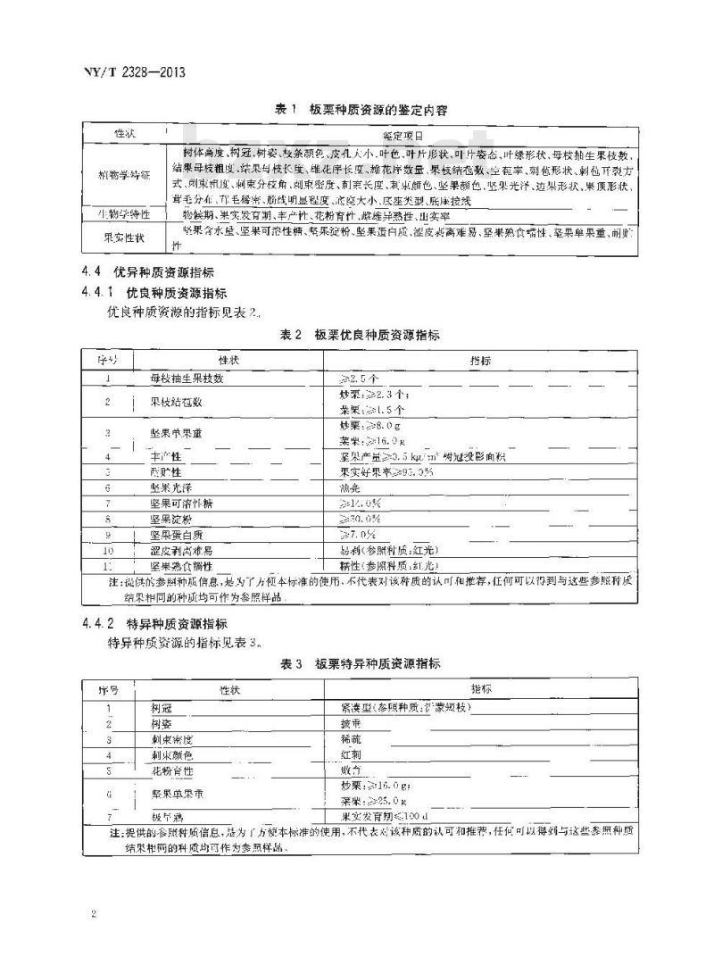
鉴定内容见表1。
VY/T 2328—2013
表1板栗种质资源的鉴定内容
瑶定项目
树体高度、树冠、树姿、极条颜色、皮人小,叶色、叶片形状、叶片姿态、叶缘形状,母枝拍生果枝数,结果母枝粗度、结果与枝长度、雄花序长度、雄花序数压、果枝结莅数、空率、剂苞形状、刺包开裂方树物学持征
生物学特性
果实性状
式剑束粗度、删束分枝角、剑束密度、刺索长度、刺束颜色、坚果额色、坚果光泽、逆果形状、果顶形状、茸毛分作、毛稀、筋线明显程度、减率大小、底座类型、底库接线物候期、果实发育期、丰产件、花粉育性、雌雄异熬性、山实率坚果含水望、坚果可浓性糖、坚果淀粉、坚果蛋白质、涩皮款离难易、坚果熟食端性、坚果单果重、耐购4.4优异种质资源指标
4.4.1优良种质资源指标
优良种质资源的指标见表2.
表2板栗优良种质资源指标
母枝抽生果枝数
果枝结苞数
坚果弟果重
丰净性
坚果光泽
坚果可济性糖
坚果将
坚果蛋白质
超皮利离易
坚果熟食性
炒栗22.3个;
荣巢21.5个
炒栗:8.0g
菜米:16.0g
坚果产量≥3.5k/树冠投影面积
果实好果率≥93,5
易刹(参照科质:红光)
精性(参照科质:红光)
注:提供的参照种瓶信息,是为了方视本标准的使用、不代表对该种质的认可和推荐,任何可以得到与这些参照种质结果相同的种孤均可作为参照样品4.4.2
特异种质资源指标
特异种质资源的指标见表3,
表3板栗特异种质资源指标
刺束密度
刺束颜色
花粉脊性
坚果单果乖
紧读型(参照种质:记蒙短枝)披丧
炒栗:2:16.0g:
莱米:25.0 g
来实发育期100
注:提供的参照种质信息,是为「方便本标准的使用,不代表对该种质的认可和推荐,任何可以得到与这些参照种质结果相网的科质均可作为秦照样品。2
5鉴定方法
5.1植物学特征
NY/T2328—2013
5. 1. 1 树体高度
选取10株成龄结果树-测量树高,结果以其平均值表示。单位为米(m),精确到0.1m。树体高矮分为矮小(树体高度3.0m)、中等(3.0m树体高度4.0m).高大(树体高度24.0m)。5.1.2树冠
用5.1.1的样本.按图1确定白然状态下整株树型的紧漆程度,分为松散、圆头和紧离。松蔽
5.1.3树姿
图1板栗树冠
吞梢停长后至夏梢抽发前.测量3个基部主枝中心轴线与主十的夹角,依据火角的平均值确定树姿。分为直立(夹角45°),半开张(45≤夹角60)开张(60°夹角90)披垂(夹角290°)。5.1.4枝条颜色
于体眠期随机抽取白顶芽抽生的一年升结果母枝,确定技条颜色,分为红褐、灰褐、绿褐,5.1.5皮孔大小
丁休眠期随机抽取白顶芽抽生的:-年生结果母枝10条,测量30个皮孔的直径,结果以平均值表示,单位为毫米(mm),精确到0.1mm分为小(直径平均值<0.6mm)、中(0.6mm≤直径平均值<1.0mm)、人(自径平均值1.cmm)。5.1.6叶色
观祭结果树树冠外围新梢中部的战龄叫片颜色.分为浓绿、灰绿、黄绿,红绿5.1.7叶片形状
用5.1.6的样本,接图2确定叫片形状,叶片形状分为椭圆形、阔披针形、披针形。团志
5.1.8叶片姿态
阔被针形
图2板栗叶片形状
披针彩
用5.1.6的样本按图3确定叶片姿态,分为挺立、平展、搭垂、叶缘上翻。3
VY/T2328—2013
5.1.9叶缘形状
图3板栗叶片姿态
叶缘上翻
用5.1.6的样本,按图4确定叶片边缘的锯齿形状.分为锐锯齿、钝齿。说据齿
图 4 板栗叶缘形状
5.1.10母技抽生果枝数
于盛花期在树冠外湖中上部随机选取20条结果母枝:调查记录每个结果母枝抽尘的果枝数量,结果以平均值表示,单位为个,精确到0.1个。5.1.11结果母枝粗度
屑5.1.10的样本.测量20个结果母枝中部的直径,结果以平均值表示。单位为毫米(mm).精确到0. 1 mm.
5.1.12结果母枝长度
用5.1.10的样本。测量20个结果用枝的长度,结果以平均值表示。单位为厘米(cm),精确到0. 1 cm。
5.1.13雄花序长度
在雄花初川时:测定结果新梢中部的30个雄花序长度。结果以平均值表示。单位为厘米(ctm).精确到0.7cm。
5.1.14雄花序数量
在雄花盛花期,统计30个结果新栉的雄花序数量.结果以平均值表示:单位为个,精确到0.!个,5.1.15果枝结苞数
在坚果成熟前,选择成龄树树冠外用的20个结果新梢,统计其若生刺苞数,结果以平均值示.单位为个,精确到.1个
5.1.16空苞率
在坚果近成熟时选择每株成龄树树冠外闽的20个结果新梢,统计其者牛刺苞总数及空苞数接按节苞数/差生刺苞总数,计算空苞率,结果以平均值表示.单位为分率,精确到0.1%。5.1.17刺苞形状
在坚果成熟期.从成龄树工随机观蔡20个生长正常、未开裂的刺苞,按图5确定刺苞形状、分为球形、栅圆形圆锥形:
5.1.18刺苞开裂方式
图5板栗刺苞形状
园锥形
NY/T 2328--2013
在坚果成熟期,从成龄树上随机观察20个生长正常,开裂的刺苞,按图6确定刺范开裂的方式,分为纵裂.瓣裂:
图6板栗刺苞开裂方式
5.1.19刺束粗度
用5.1.18的样本,观察刺苞上的刺束基部粗度。分为细(参照种质:红光)、中(参照种质:宋家早)、粗(参照种质:长刺板红)。
注:提供的参照种质信息.是为方便本标准的使用,不代表对该种质的认可和推荐,任何可以得到与这些参照种质结果相同的种质均可作为参照样品。5.1.20刺束分枝角
在坚果成熟期.从成龄树上随机选择201个生长正常的初裂刺苞,测量刺苞上刺束的分枝角度,结果以平均值表示,单位为度(\).精确到0.1°。分为小(刺束分枝角20\)中(20≤刺束分枝角.50)、大(刺束分枝角≥50\)。
5.1.21刺束密度
用5.1.20的样木,观察刺苞上刺束密度,分为稀疏(透过刺束能清晰见到他肉)、中(透过刺束能稀少见到苞肉)、密(刺束密集,看不清苞肉)5.1.22刺束长度
用5.1.18的样:本,随机测量20个刺束长度,结果以平均值表示,单位为厘米(cm),精确到0.1cm刺束分为短(刺束长度0.5cm)中(0.5cm刺束长度1.0cm)、长(刺束长度1.0cm)。5.1.23刺束颜色
用5.1.20的样本,观察刺苞上刺束颜色,分为青刺、黄刺、棕褐刺、红刺5.1.24坚果颜色
在坚果成熟期,随机选取生长正常的20个完熟刺芭,取出坚果.观察坚果外皮颜色分为黄褐、红棕、红耦、紫褐、
5.1.25坚果光泽
用5.1.24样本,观察坚果外皮的光泽和被毛。分为油亮(坚果表面光滑油亮,参照种质:尖顶油栗)、明亮(坚果表面光滑明完,参照种质:石丰)、半毛(坚果表面中上部覆盖稀疏井毛,下部可见坚果额NY/T2328—2013
色参照种质:沂蒙短枝)、毛(坚果表面全部覆盖棕黄或灰白色较密茸毛,参照种质:铁粒头)注:提供的参照种质信息,是为了方便本标准的使用,不代表对该种质的认可和择荐,任何可以得到与这些参照种质结果相同的种质均可作为参照样品。5. 1.26边果形状
用5.1.21样本,按图7确定边果形状,分为椭圆形、圆形三角形。国
主角形
板栗边果形状此内容来自标准下载网
5.1.27果顶形状
用5.1.24样本,观察坚果的顶部与肩部之间构成的形状,按图8确定果顶形状,分为喙突,平、浑圆、微凹。
图8板栗果顶形状
5.1.28茸毛分布部位
用5.1.24样本,按图9观察坚果壳草毛的分布,分为果顶被毛,果肩被毛、周身被毛。渠顶被号
果肯被毛
是身被毛
图9板栗坚果聋毛分布部位
5.1.29茸毛疏密
用5.1.24样本,观察坚果响部表皮上卦毛的流密,分为稀、中、密。5.1.30筋线明显程度
用5.1.24样本,且测坚果表皮筋线。按图10确定筋线明显程度,分为不明显、较明显,明显,小显
较比显
图10板栗筋线明显程度
5.1.31底座大小
NY/T 2328—2013
川5.1.24样本.按图11确定坚果的底座大小分为小(底座与坚果最大横截面积之比1/2)、巾(1/2≤底座与坚果最大横截面积之比2/3)大(底座与坚果最人横截面积之比2/3)。小
5.1.32底座类型
图11板栗底座大小
用5.1.24样本,按图12确定质坚果底座的光滑程度,分为平滑型(底座较光滑、用手触感说平整)、瘤凸型(底座不光清,具有较炎出的小瘤用手触感觉不平)。平滑型
瘤凸型
图12板栗底座类型
5.1.33底座接线
用5.1.24样本,按图13确定坚果底座接线的形态,分为波纹.圆弧,波纹
图13板栗底座接线
5.2生物学特性
5.2.1物候期
5.2.1.1萌芽期
25%的芽尖露绿并显露出幼叶的口期。以\年月口”表示,5.2.1.2展叶期
25%的第1片幼叶完全展开的日期。以“年月日”表示,5.2.1.3雄花盛开期
25%的雄花花丝伸直,花药开裂吐粉的日期。以“年月月”表示。5.2.1.4雌花盛开期
25%幼苞中心雌花性头分叉至30\~15\的日期,以“年川日”表示。5.2.1.5雄花序凋落期
75%花丝变为褐色的口期。以\年厅日\表示,5.2.1.6果实成熟期
50%的刺危开裂、果实成熟的期。以“年月日表示。5.2.1.7落叶期
植株匕25%叶片色泽变黄、绿色减退、十枯、脱落的日期。以\年月H\表示。7
NY/T2328—2013
5.2.2果实发育期
从雌花盛并期到果实成熟期所经历的天数,单位为d。5.2.3丰产性
按附录八执行。
5.2.4花粉育性
按附录H执行。
5.2.5雌雄异熟性
在初花期随机标记2C条外用结果新梢,每天定时观察记录雌雄花开放数量,直至全部花开放为止。分为同熟(雌雄花达到盛花期相差不超过3d)、唯先(雌花盛期在雄花盛期之前3d以上)、雄先(雄花盛期在雌花盛期之前3d以上),
5.2.6出实率
在坚果成熟期,取生长正常的30个始裂刺苞,分别称刺总质量、坚果质量,按坚果质量/刺范总质量计算出率结果以平均值表示,以百分率表示,精确到心.1%。5.3果实性状
5.3. 1坚果含水量
采摘成果实1kg,装人0.03mm厚的打孔聚乙烯塑料保鲜袋内(孔径10mm,孔数10个),置丁0'C冷库中,4周后按F5009.3的方法测定。5.3.2坚果可溶性糖
用5.3.7的样本.按GB/T1278的方法测定。5.3.3坚果淀粉
用5.3.1的样本,按GB/T5009.9的方法测定,5.3.4坚果蛋白质
用 5. 3. 1的样本,按GB 5009. 5 的法测定。5.3.5涩皮剥离难易
取完全成熟.有代表性的坚果30粒,将其蒸熟-趁热剥去外壳,手下剥除涩皮,判断剥离难易程度,分为易剥、难别。
5.3.6坚果熟食性
按照GB/T2G346执行。
5.3.7坚果单果重
在成熟期,随机来集树冠外固完全成熟刺苞30个,取出坚果,称其质量,结渠以平均值表示,单位为克(g),精硫到 0. 1g
5.3. 8耐贮性
按附录C执行。
6优异种质资源判定
6.1优良种质资源
除应同时符合表2中坚果单果重、半产性、竖果光泽指标外,还应符合表2其他至少1项指标。6.2特异种质资源判定
符合表3中任何1项指标。
6.3其他
具有除表2、表3规定以外的其他优良性状和特异性状指标的种质资源。8
A.1适用范围
附录A
(规范性附录)
板栗种质资源丰产性测定方法
本附录适用于板栗种质资源卡产性的鉴定。A.2步骤
A.2.1样品准备
在坚果成熟期,随机选择3株生长正常的成龄树。A.2.2单株产
NY/T2328—2013
用米尺测量为株树的东西冠径和南北冠径,单株深收后称重,记录单株产量,按式(A.1)计算每-方米树冠投影面积产量。
P:= (nXT(a / b)/AF)
式中:
P一—单位树冠投影面积量,单位为千克每平方米(k/㎡);a东西冠径,单位为米(m),精确到0.1m:南北冠径,单位为米(m)).精确到0.1mW--
单株产量,单位为下克(kg),精确到0.1 kg计算结果表示到小数点后一位。以三株树单位树冠影面积产量的平均数,作为每份种质丰产性的鉴定结果、A. 3结果计算
依据表A.1标准评价板栗丰产性
表A.1板栗丰产性鉴定评价标准
丰产性级别
丰产性指数
C. 2.P. n. 5
++++*+(A.1)
NY/T2328—2013
B.1适用范围
附录B
(规范性附录】
板栗种质资源花粉育性测定方法本附录适川于板柴种质资源花將育性的鉴定。B.2步骤
B.2、1样品准备
在初花期,随机选取1C个雄花序,从每个花序中取2个花药,将花药置于载玻片匕:用镊子擒碎,头掉花药壁
B.2.2试剂
B.2.2. 1碘化钾(KI)
B. 2. 2. 2 碘(I2 )
B.2.3染色剂配制
碘一碘化铆溶液:将碘化(B.2.2.1)2g溶十1Oml.蒸馏水中.再加人1g碘(B.2.2.2)待全部溶解后,加蒸馏水至20CmI定容。
B.2.4染色
滴册1滴2滴碘碘化钾溶液个载有去掉花药壁的花药的载玻片上、盖好玻片·用吸水纸吸去多余碟一碘化钾。
B. 2. 5镜检
将玻片置十100倍显微镜下观察。每片选择有代表性的2个~3个视野,规察花粉粒形状和染色反成,
B.3结果分析
正常花粉粒遇碘一碘化钾卫紫色,不育花粉粒染色浅或不染色。观察传个视野中是否有叫育花粉粒存在来决定种质是否具有可育性·分为可育性、败育性,10
小提示:此标准内容仅展示完整标准里的部分截取内容,若需要完整标准请到上方自行免费下载完整标准文档。
中华人民共和国农业行业标准
NY/T 2328-2013
农作物种质资源鉴定评价技术规范Technical code for evaluating crop gernplasn resources-Chestnut(Castanea molissima Blume)2013-05-20发布
2013-08-01实施
中华人民共和国农业部
5发布
本标准按照CB/T1.1-2009给出的规则起草,本标准由农业部种植业管理提出本标准出全国果品标准化技术委员会(SAC/TC501)归口。本标准起草单位:中国农业科学院茶叶研究所、东省果树研究所。NY/T2328—-2013
本标主要起草人:刘庆忠,陈新、江用文、魏海蓉、熊兴平、张力思、李国田、徐丽、赵红军、王甲威、宗晓娟、朱建淼。
1范围
农作物种质资源鉴定评价技术规范板票
NY/T2328—--2013
本标准规定了板票((astuneamottissimaBlurne)种质资源鉴定评价的术语和定义、技术要求,鉴定方法和优异种质资源的判定。
本标准适用于板恶种质资源的鉴定和优异种质资源评价,栗属其他种可以参照本标准。2规范性引用文性
下列文件对于本文件的应用是必不可少的。凡是注日期的引用文件,仅注口期的版本适用于本文件。凡是不注月期的引用文件,其最新版本(包括所有的修改单)适用丁本文件。GB/T1278蔬菜及其制品中可济性糖的测定GB5009.3食品中水分的测定
GI35009.5食品中蛋白质的测定
GI/T5009.9食品中淀粉的测链
GB/T20346板栗质量等级
3术语和定义
下列术语和定义适用于本文件。3.1
优良种质资源elitegermplasmresourccs主要经济性状表现好且其有重要价值的种质资源。3.2
特异种质资源
rare germplasm resources
性状表现特殊、稀有的种质资源。3.3
优异种质资源elite and raregermplasm resources优良种质资源和特异种质资源的总称。4技术要求
4.1样本采集
除特殊说明外,成在正常生长的盛果期植株上采集样本,样本树至少选3株。4.2数据采集
每个性状应在同地点至少进行3年的重复有效鉴定。4.3定内容
鉴定内容见表1。
VY/T 2328—2013
表1板栗种质资源的鉴定内容
瑶定项目
树体高度、树冠、树姿、极条颜色、皮人小,叶色、叶片形状、叶片姿态、叶缘形状,母枝拍生果枝数,结果母枝粗度、结果与枝长度、雄花序长度、雄花序数压、果枝结莅数、空率、剂苞形状、刺包开裂方树物学持征
生物学特性
果实性状
式剑束粗度、删束分枝角、剑束密度、刺索长度、刺束颜色、坚果额色、坚果光泽、逆果形状、果顶形状、茸毛分作、毛稀、筋线明显程度、减率大小、底座类型、底库接线物候期、果实发育期、丰产件、花粉育性、雌雄异熬性、山实率坚果含水望、坚果可浓性糖、坚果淀粉、坚果蛋白质、涩皮款离难易、坚果熟食端性、坚果单果重、耐购4.4优异种质资源指标
4.4.1优良种质资源指标
优良种质资源的指标见表2.
表2板栗优良种质资源指标
母枝抽生果枝数
果枝结苞数
坚果弟果重
丰净性
坚果光泽
坚果可济性糖
坚果将
坚果蛋白质
超皮利离易
坚果熟食性
炒栗22.3个;
荣巢21.5个
炒栗:8.0g
菜米:16.0g
坚果产量≥3.5k/树冠投影面积
果实好果率≥93,5
易刹(参照科质:红光)
精性(参照科质:红光)
注:提供的参照种瓶信息,是为了方视本标准的使用、不代表对该种质的认可和推荐,任何可以得到与这些参照种质结果相同的种孤均可作为参照样品4.4.2
特异种质资源指标
特异种质资源的指标见表3,
表3板栗特异种质资源指标
刺束密度
刺束颜色
花粉脊性
坚果单果乖
紧读型(参照种质:记蒙短枝)披丧
炒栗:2:16.0g:
莱米:25.0 g
来实发育期100
注:提供的参照种质信息,是为「方便本标准的使用,不代表对该种质的认可和推荐,任何可以得到与这些参照种质结果相网的科质均可作为秦照样品。2
5鉴定方法
5.1植物学特征
NY/T2328—2013
5. 1. 1 树体高度
选取10株成龄结果树-测量树高,结果以其平均值表示。单位为米(m),精确到0.1m。树体高矮分为矮小(树体高度3.0m)、中等(3.0m树体高度4.0m).高大(树体高度24.0m)。5.1.2树冠
用5.1.1的样本.按图1确定白然状态下整株树型的紧漆程度,分为松散、圆头和紧离。松蔽
5.1.3树姿
图1板栗树冠
吞梢停长后至夏梢抽发前.测量3个基部主枝中心轴线与主十的夹角,依据火角的平均值确定树姿。分为直立(夹角45°),半开张(45≤夹角60)开张(60°夹角90)披垂(夹角290°)。5.1.4枝条颜色
于体眠期随机抽取白顶芽抽生的一年升结果母枝,确定技条颜色,分为红褐、灰褐、绿褐,5.1.5皮孔大小
丁休眠期随机抽取白顶芽抽生的:-年生结果母枝10条,测量30个皮孔的直径,结果以平均值表示,单位为毫米(mm),精确到0.1mm分为小(直径平均值<0.6mm)、中(0.6mm≤直径平均值<1.0mm)、人(自径平均值1.cmm)。5.1.6叶色
观祭结果树树冠外围新梢中部的战龄叫片颜色.分为浓绿、灰绿、黄绿,红绿5.1.7叶片形状
用5.1.6的样本,接图2确定叫片形状,叶片形状分为椭圆形、阔披针形、披针形。团志
5.1.8叶片姿态
阔被针形
图2板栗叶片形状
披针彩
用5.1.6的样本按图3确定叶片姿态,分为挺立、平展、搭垂、叶缘上翻。3
VY/T2328—2013
5.1.9叶缘形状
图3板栗叶片姿态
叶缘上翻
用5.1.6的样本,按图4确定叶片边缘的锯齿形状.分为锐锯齿、钝齿。说据齿
图 4 板栗叶缘形状
5.1.10母技抽生果枝数
于盛花期在树冠外湖中上部随机选取20条结果母枝:调查记录每个结果母枝抽尘的果枝数量,结果以平均值表示,单位为个,精确到0.1个。5.1.11结果母枝粗度
屑5.1.10的样本.测量20个结果母枝中部的直径,结果以平均值表示。单位为毫米(mm).精确到0. 1 mm.
5.1.12结果母枝长度
用5.1.10的样本。测量20个结果用枝的长度,结果以平均值表示。单位为厘米(cm),精确到0. 1 cm。
5.1.13雄花序长度
在雄花初川时:测定结果新梢中部的30个雄花序长度。结果以平均值表示。单位为厘米(ctm).精确到0.7cm。
5.1.14雄花序数量
在雄花盛花期,统计30个结果新栉的雄花序数量.结果以平均值表示:单位为个,精确到0.!个,5.1.15果枝结苞数
在坚果成熟前,选择成龄树树冠外用的20个结果新梢,统计其若生刺苞数,结果以平均值示.单位为个,精确到.1个
5.1.16空苞率
在坚果近成熟时选择每株成龄树树冠外闽的20个结果新梢,统计其者牛刺苞总数及空苞数接按节苞数/差生刺苞总数,计算空苞率,结果以平均值表示.单位为分率,精确到0.1%。5.1.17刺苞形状
在坚果成熟期.从成龄树工随机观蔡20个生长正常、未开裂的刺苞,按图5确定刺苞形状、分为球形、栅圆形圆锥形:
5.1.18刺苞开裂方式
图5板栗刺苞形状
园锥形
NY/T 2328--2013
在坚果成熟期,从成龄树上随机观察20个生长正常,开裂的刺苞,按图6确定刺范开裂的方式,分为纵裂.瓣裂:
图6板栗刺苞开裂方式
5.1.19刺束粗度
用5.1.18的样本,观察刺苞上的刺束基部粗度。分为细(参照种质:红光)、中(参照种质:宋家早)、粗(参照种质:长刺板红)。
注:提供的参照种质信息.是为方便本标准的使用,不代表对该种质的认可和推荐,任何可以得到与这些参照种质结果相同的种质均可作为参照样品。5.1.20刺束分枝角
在坚果成熟期.从成龄树上随机选择201个生长正常的初裂刺苞,测量刺苞上刺束的分枝角度,结果以平均值表示,单位为度(\).精确到0.1°。分为小(刺束分枝角20\)中(20≤刺束分枝角.50)、大(刺束分枝角≥50\)。
5.1.21刺束密度
用5.1.20的样木,观察刺苞上刺束密度,分为稀疏(透过刺束能清晰见到他肉)、中(透过刺束能稀少见到苞肉)、密(刺束密集,看不清苞肉)5.1.22刺束长度
用5.1.18的样:本,随机测量20个刺束长度,结果以平均值表示,单位为厘米(cm),精确到0.1cm刺束分为短(刺束长度0.5cm)中(0.5cm刺束长度1.0cm)、长(刺束长度1.0cm)。5.1.23刺束颜色
用5.1.20的样本,观察刺苞上刺束颜色,分为青刺、黄刺、棕褐刺、红刺5.1.24坚果颜色
在坚果成熟期,随机选取生长正常的20个完熟刺芭,取出坚果.观察坚果外皮颜色分为黄褐、红棕、红耦、紫褐、
5.1.25坚果光泽
用5.1.24样本,观察坚果外皮的光泽和被毛。分为油亮(坚果表面光滑油亮,参照种质:尖顶油栗)、明亮(坚果表面光滑明完,参照种质:石丰)、半毛(坚果表面中上部覆盖稀疏井毛,下部可见坚果额NY/T2328—2013
色参照种质:沂蒙短枝)、毛(坚果表面全部覆盖棕黄或灰白色较密茸毛,参照种质:铁粒头)注:提供的参照种质信息,是为了方便本标准的使用,不代表对该种质的认可和择荐,任何可以得到与这些参照种质结果相同的种质均可作为参照样品。5. 1.26边果形状
用5.1.21样本,按图7确定边果形状,分为椭圆形、圆形三角形。国
主角形
板栗边果形状此内容来自标准下载网
5.1.27果顶形状
用5.1.24样本,观察坚果的顶部与肩部之间构成的形状,按图8确定果顶形状,分为喙突,平、浑圆、微凹。
图8板栗果顶形状
5.1.28茸毛分布部位
用5.1.24样本,按图9观察坚果壳草毛的分布,分为果顶被毛,果肩被毛、周身被毛。渠顶被号
果肯被毛
是身被毛
图9板栗坚果聋毛分布部位
5.1.29茸毛疏密
用5.1.24样本,观察坚果响部表皮上卦毛的流密,分为稀、中、密。5.1.30筋线明显程度
用5.1.24样本,且测坚果表皮筋线。按图10确定筋线明显程度,分为不明显、较明显,明显,小显
较比显
图10板栗筋线明显程度
5.1.31底座大小
NY/T 2328—2013
川5.1.24样本.按图11确定坚果的底座大小分为小(底座与坚果最大横截面积之比1/2)、巾(1/2≤底座与坚果最大横截面积之比2/3)大(底座与坚果最人横截面积之比2/3)。小
5.1.32底座类型
图11板栗底座大小
用5.1.24样本,按图12确定质坚果底座的光滑程度,分为平滑型(底座较光滑、用手触感说平整)、瘤凸型(底座不光清,具有较炎出的小瘤用手触感觉不平)。平滑型
瘤凸型
图12板栗底座类型
5.1.33底座接线
用5.1.24样本,按图13确定坚果底座接线的形态,分为波纹.圆弧,波纹
图13板栗底座接线
5.2生物学特性
5.2.1物候期
5.2.1.1萌芽期
25%的芽尖露绿并显露出幼叶的口期。以\年月口”表示,5.2.1.2展叶期
25%的第1片幼叶完全展开的日期。以“年月日”表示,5.2.1.3雄花盛开期
25%的雄花花丝伸直,花药开裂吐粉的日期。以“年月月”表示。5.2.1.4雌花盛开期
25%幼苞中心雌花性头分叉至30\~15\的日期,以“年川日”表示。5.2.1.5雄花序凋落期
75%花丝变为褐色的口期。以\年厅日\表示,5.2.1.6果实成熟期
50%的刺危开裂、果实成熟的期。以“年月日表示。5.2.1.7落叶期
植株匕25%叶片色泽变黄、绿色减退、十枯、脱落的日期。以\年月H\表示。7
NY/T2328—2013
5.2.2果实发育期
从雌花盛并期到果实成熟期所经历的天数,单位为d。5.2.3丰产性
按附录八执行。
5.2.4花粉育性
按附录H执行。
5.2.5雌雄异熟性
在初花期随机标记2C条外用结果新梢,每天定时观察记录雌雄花开放数量,直至全部花开放为止。分为同熟(雌雄花达到盛花期相差不超过3d)、唯先(雌花盛期在雄花盛期之前3d以上)、雄先(雄花盛期在雌花盛期之前3d以上),
5.2.6出实率
在坚果成熟期,取生长正常的30个始裂刺苞,分别称刺总质量、坚果质量,按坚果质量/刺范总质量计算出率结果以平均值表示,以百分率表示,精确到心.1%。5.3果实性状
5.3. 1坚果含水量
采摘成果实1kg,装人0.03mm厚的打孔聚乙烯塑料保鲜袋内(孔径10mm,孔数10个),置丁0'C冷库中,4周后按F5009.3的方法测定。5.3.2坚果可溶性糖
用5.3.7的样本.按GB/T1278的方法测定。5.3.3坚果淀粉
用5.3.1的样本,按GB/T5009.9的方法测定,5.3.4坚果蛋白质
用 5. 3. 1的样本,按GB 5009. 5 的法测定。5.3.5涩皮剥离难易
取完全成熟.有代表性的坚果30粒,将其蒸熟-趁热剥去外壳,手下剥除涩皮,判断剥离难易程度,分为易剥、难别。
5.3.6坚果熟食性
按照GB/T2G346执行。
5.3.7坚果单果重
在成熟期,随机来集树冠外固完全成熟刺苞30个,取出坚果,称其质量,结渠以平均值表示,单位为克(g),精硫到 0. 1g
5.3. 8耐贮性
按附录C执行。
6优异种质资源判定
6.1优良种质资源
除应同时符合表2中坚果单果重、半产性、竖果光泽指标外,还应符合表2其他至少1项指标。6.2特异种质资源判定
符合表3中任何1项指标。
6.3其他
具有除表2、表3规定以外的其他优良性状和特异性状指标的种质资源。8
A.1适用范围
附录A
(规范性附录)
板栗种质资源丰产性测定方法
本附录适用于板栗种质资源卡产性的鉴定。A.2步骤
A.2.1样品准备
在坚果成熟期,随机选择3株生长正常的成龄树。A.2.2单株产
NY/T2328—2013
用米尺测量为株树的东西冠径和南北冠径,单株深收后称重,记录单株产量,按式(A.1)计算每-方米树冠投影面积产量。
P:= (nXT(a / b)/AF)
式中:
P一—单位树冠投影面积量,单位为千克每平方米(k/㎡);a东西冠径,单位为米(m),精确到0.1m:南北冠径,单位为米(m)).精确到0.1mW--
单株产量,单位为下克(kg),精确到0.1 kg计算结果表示到小数点后一位。以三株树单位树冠影面积产量的平均数,作为每份种质丰产性的鉴定结果、A. 3结果计算
依据表A.1标准评价板栗丰产性
表A.1板栗丰产性鉴定评价标准
丰产性级别
丰产性指数
C. 2.P. n. 5
++++*+(A.1)
NY/T2328—2013
B.1适用范围
附录B
(规范性附录】
板栗种质资源花粉育性测定方法本附录适川于板柴种质资源花將育性的鉴定。B.2步骤
B.2、1样品准备
在初花期,随机选取1C个雄花序,从每个花序中取2个花药,将花药置于载玻片匕:用镊子擒碎,头掉花药壁
B.2.2试剂
B.2.2. 1碘化钾(KI)
B. 2. 2. 2 碘(I2 )
B.2.3染色剂配制
碘一碘化铆溶液:将碘化(B.2.2.1)2g溶十1Oml.蒸馏水中.再加人1g碘(B.2.2.2)待全部溶解后,加蒸馏水至20CmI定容。
B.2.4染色
滴册1滴2滴碘碘化钾溶液个载有去掉花药壁的花药的载玻片上、盖好玻片·用吸水纸吸去多余碟一碘化钾。
B. 2. 5镜检
将玻片置十100倍显微镜下观察。每片选择有代表性的2个~3个视野,规察花粉粒形状和染色反成,
B.3结果分析
正常花粉粒遇碘一碘化钾卫紫色,不育花粉粒染色浅或不染色。观察传个视野中是否有叫育花粉粒存在来决定种质是否具有可育性·分为可育性、败育性,10
小提示:此标准内容仅展示完整标准里的部分截取内容,若需要完整标准请到上方自行免费下载完整标准文档。
标准图片预览:





- 热门标准
- 行业标准
- NY/T3102-2017 枇杷贮藏技术规范
- NY/T1561-2007 秸秆燃气灶
- NY∕T3212-2018 拖拉机和联合收割机登记证书
- NY/T5357-2007 无公害食品 海洋水产品捕捞生产管理规范
- NY/T2444-2013 菠萝叶纤维
- NY/T2493-2013 植物新品种特异性、一致性和稳定性测试指南 荞麦
- NY/T2446-2013 热带作物品种区域试验技术规程 木薯
- NY/T2484-2013 植物新品种特异性 一致性和稳定性测试指南 无芒雀麦
- NY/T2360-2013 十字花科小菜蛾抗药性监测技术规程
- NY/T2520-2013 植物新品种特异性、一致性和稳定性测试指南 树莓
- NY2188-2012 联合收割机号牌座设置技术要求
- NY/T2494-2013 植物新品种特异性、一致性和稳定性测试指南 紫苏
- NY/T1153.3-2013 农药登记用白蚁防治剂药效试验方法及评价 第3部分农药土壤处理预防白蚁
- NY/T2422-2013 植物新品种特异性、一致性和稳定性测试指南 茶树
- NY/T676-2010 牛肉等级规格
- 行业新闻
请牢记:“bzxz.net”即是“标准下载”四个汉字汉语拼音首字母与国际顶级域名“.net”的组合。 ©2025 标准下载网 www.bzxz.net 本站邮件:bzxznet@163.com
网站备案号:湘ICP备2025141790号-2
网站备案号:湘ICP备2025141790号-2