- 您的位置:
- 标准下载网 >>
- 标准分类 >>
- 农业行业标准(NY) >>
- NY/T 2363-2013 奶牛热应激评价技术规范
- 标准号: - NY/T 2363-2013
- 标准名称: - 奶牛热应激评价技术规范
- 标准类别: - 农业行业标准(NY)
- 标准状态: 现行
- 出版语种: 简体中文
- 下载格式: .rar .pdf
- 下载大小: 
 标准内容
标准内容部分标准内容:
					
					1CS 65.020.30
中华人民共和国农业行业标准
NY/T2363-2013
奶牛热应激评价技术规范
Technical specification for heat stress of dairy cows2013-05-20发布
2013-08-01实施
中华人民共和国农业部
本标准按照GB/T1.1—2009给出的规则起草。言此内容来自标准下载网
本标准由农业部畜牧业司提出。本标准出全国畜牧业标推化技术委员会(SAC/TC274)归口、NY/T 2363—2013
本标准起草单位:中国农业科学院北京畜牧兽医研究所。本标准主要起草人:三加启、郭同军、土建平、张养东、魏宏阳、卜登攀、胡荫、霍小凯、周凌云。I
1范围
奶牛热应激价技术规范
本标准规定了奶牛热应激评价技术规范。本标准适用于遭受不程度热应激的成年健康荷斯坦奶牛。2规范性引用文件
NY/T 2363—2013
下列文件对于本文件的应月是必不可少的。凡是注几期的引用义件,仪注日期的版本适用于本文件。凡是不注日期的引用文件,其最新版本(包括所有的修改单)适用于木文件。(GB/T9022测量管理体系测量过程和测量设备的要求3术语和定义
下列术语和定义适用于本文件。3.1
热应激 heat stress
机体应对温高湿环境所产生的非特异性应答反应。3.2
lemperature humidity index; THI温湿度指数
捕述奶牛所处的环境条件,客观反应热成激程度的数值。3.3
呼吸频率
respiratory frequeney:RF
每分钟呼吸的次数。
直肠温度
rectal temperature: RT
体温计在直肠内停留3 min5 min后测得的温度值,3.5
等热区
thermoneutral zone
中立温度区
恒温动物依靠物理性调节维持体温正常的环境温度范围。注:在该区内动物的基剂代谢强度和产热量保特正理最低水平,是最适正产区。奶牛的等热区为10℃24℃,4测量用具
测量工具应符合G3/T19022的要求。包括体温计、下湿球温混度测量仪、计时秒表。5测量方法
5.1测量牛群数虽
如待测牛群数量小于10头,则全部测定:11头~-100头牛样,随机抽测10头奶牛:100头以上,应随机抽测牛群数量的10%,
5.2测量次数与时间点
NY/T2363—2013
每天至少测量3次,分别为一天小清晨温度最低的时候、中4温度最高的时候和晚何温度开始变凉的时候,具体测量时间点,可根据本地区气候条件适当谢整。测量牛舍温度及湿度,直肠温度和呼吸频率,求平均温度及湿度、平均直旸温度和平均呼吸频率。示例:
上海测量时间点为:5:00、11:00和2:00,5.3温湿度测量
湿球温湿度测量仪应等距悬挂于牛舍内纵向所中,非太阳直晒处、与牛体等高的位置。一栋牛舍内应至少悬挂3处,求均值。
5.4呼吸频率测量
观察奶牛呼吸频率(腹部起伏次数).记录1min内奶牛的呼吸次数,重复测定?次~3次,求平均值。
5.5直肠温度测量
将体温计放胃在奶牛直肠内并停留3 in~5 min,测得奶牛直肠温度。6牛含环境温湿度指数计算方法
6.1计算法
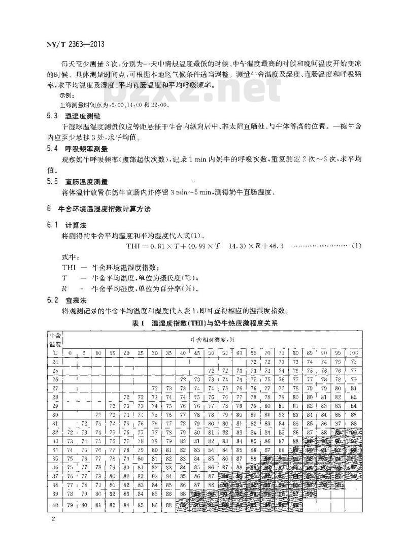
将测得的牛舍平均温度和平均湿度代人式(1)TIHII = 0. 81 X T+(0. 99 X T. 14. 3) X R-I- 46. 3武中:
THI一牛舍环境温湿度指数;
T一牛含舍平均温度,单位为摄氏度():R牛舍平均湿度.单位为百分率(%)。6.2查表法
将观测记录的牛舍平均温度和凝度代人表1,即查得相应的温湿度指数。表 1温湿度指数(TH)与奶牛热应激程度关系合
舍对湿度.%
20253035404550 [536
C0+50151
77 1 78
79 -80
76 77
71 ! 7:
70 80
82 1 83
85 86
7580 85
85 186
951JOC
牛含!
奶牛热应激评价方法
7.1按牛舍环境温湿度指数评价
表1 (续)
牛含相对度·%
NY/T 2363-—2013
55560657017580185
90:951
轻谁热应激
中度热应激
牛舍环境平均温湿度指数处于72≤TH79时,奶牛处于轻度热应激状态;平均温度指数处于79TH1≤88时,奶牛处于中度热应激状态;平均温湿指数>88时,奶4处于高度热应激状态7.2按呼吸频率评价
奶牛在正常情况下呼吸频率约为20次/nil。均呼吸频率为50次/min~79次/min时,奶牛处于轻度热应激状态;平均呼吸频率为80次/trin1~-119次/min时,奶牛处于中度热激状态:平均呼吸频率为120砍/min~160次/rmin时.奶毕处十离度热应激状态。,7.3按直肠温度评价
奶牛正常直肠温度为38.3℃~38.7℃,平均直肠度处于39.4℃RT~39.6℃时,奶牛处于轻度热成激状态:平均直肠温度处于39.6%℃≤RT40.0℃时奶牛处了中度热应激状态,均直肠温度40C时,奶牛处于高度热成激状态7.4评价方法选择
评价奶牛群体热应激程度,宣用温湿度指数评:重点观测个体奶牛或小群体奶牛,宣用呼吸频率或直肠温度评定,
小提示:此标准内容仅展示完整标准里的部分截取内容,若需要完整标准请到上方自行免费下载完整标准文档。
	 
	        
	      中华人民共和国农业行业标准
NY/T2363-2013
奶牛热应激评价技术规范
Technical specification for heat stress of dairy cows2013-05-20发布
2013-08-01实施
中华人民共和国农业部
本标准按照GB/T1.1—2009给出的规则起草。言此内容来自标准下载网
本标准由农业部畜牧业司提出。本标准出全国畜牧业标推化技术委员会(SAC/TC274)归口、NY/T 2363—2013
本标准起草单位:中国农业科学院北京畜牧兽医研究所。本标准主要起草人:三加启、郭同军、土建平、张养东、魏宏阳、卜登攀、胡荫、霍小凯、周凌云。I
1范围
奶牛热应激价技术规范
本标准规定了奶牛热应激评价技术规范。本标准适用于遭受不程度热应激的成年健康荷斯坦奶牛。2规范性引用文件
NY/T 2363—2013
下列文件对于本文件的应月是必不可少的。凡是注几期的引用义件,仪注日期的版本适用于本文件。凡是不注日期的引用文件,其最新版本(包括所有的修改单)适用于木文件。(GB/T9022测量管理体系测量过程和测量设备的要求3术语和定义
下列术语和定义适用于本文件。3.1
热应激 heat stress
机体应对温高湿环境所产生的非特异性应答反应。3.2
lemperature humidity index; THI温湿度指数
捕述奶牛所处的环境条件,客观反应热成激程度的数值。3.3
呼吸频率
respiratory frequeney:RF
每分钟呼吸的次数。
直肠温度
rectal temperature: RT
体温计在直肠内停留3 min5 min后测得的温度值,3.5
等热区
thermoneutral zone
中立温度区
恒温动物依靠物理性调节维持体温正常的环境温度范围。注:在该区内动物的基剂代谢强度和产热量保特正理最低水平,是最适正产区。奶牛的等热区为10℃24℃,4测量用具
测量工具应符合G3/T19022的要求。包括体温计、下湿球温混度测量仪、计时秒表。5测量方法
5.1测量牛群数虽
如待测牛群数量小于10头,则全部测定:11头~-100头牛样,随机抽测10头奶牛:100头以上,应随机抽测牛群数量的10%,
5.2测量次数与时间点
NY/T2363—2013
每天至少测量3次,分别为一天小清晨温度最低的时候、中4温度最高的时候和晚何温度开始变凉的时候,具体测量时间点,可根据本地区气候条件适当谢整。测量牛舍温度及湿度,直肠温度和呼吸频率,求平均温度及湿度、平均直旸温度和平均呼吸频率。示例:
上海测量时间点为:5:00、11:00和2:00,5.3温湿度测量
湿球温湿度测量仪应等距悬挂于牛舍内纵向所中,非太阳直晒处、与牛体等高的位置。一栋牛舍内应至少悬挂3处,求均值。
5.4呼吸频率测量
观察奶牛呼吸频率(腹部起伏次数).记录1min内奶牛的呼吸次数,重复测定?次~3次,求平均值。
5.5直肠温度测量
将体温计放胃在奶牛直肠内并停留3 in~5 min,测得奶牛直肠温度。6牛含环境温湿度指数计算方法
6.1计算法
将测得的牛舍平均温度和平均湿度代人式(1)TIHII = 0. 81 X T+(0. 99 X T. 14. 3) X R-I- 46. 3武中:
THI一牛舍环境温湿度指数;
T一牛含舍平均温度,单位为摄氏度():R牛舍平均湿度.单位为百分率(%)。6.2查表法
将观测记录的牛舍平均温度和凝度代人表1,即查得相应的温湿度指数。表 1温湿度指数(TH)与奶牛热应激程度关系合
舍对湿度.%
20253035404550 [536
C0+50151
77 1 78
79 -80
76 77
71 ! 7:
70 80
82 1 83
85 86
7580 85
85 186
951JOC
牛含!
奶牛热应激评价方法
7.1按牛舍环境温湿度指数评价
表1 (续)
牛含相对度·%
NY/T 2363-—2013
55560657017580185
90:951
轻谁热应激
中度热应激
牛舍环境平均温湿度指数处于72≤TH79时,奶牛处于轻度热应激状态;平均温度指数处于79TH1≤88时,奶牛处于中度热应激状态;平均温湿指数>88时,奶4处于高度热应激状态7.2按呼吸频率评价
奶牛在正常情况下呼吸频率约为20次/nil。均呼吸频率为50次/min~79次/min时,奶牛处于轻度热应激状态;平均呼吸频率为80次/trin1~-119次/min时,奶牛处于中度热激状态:平均呼吸频率为120砍/min~160次/rmin时.奶毕处十离度热应激状态。,7.3按直肠温度评价
奶牛正常直肠温度为38.3℃~38.7℃,平均直肠度处于39.4℃RT~39.6℃时,奶牛处于轻度热成激状态:平均直肠温度处于39.6%℃≤RT40.0℃时奶牛处了中度热应激状态,均直肠温度40C时,奶牛处于高度热成激状态7.4评价方法选择
评价奶牛群体热应激程度,宣用温湿度指数评:重点观测个体奶牛或小群体奶牛,宣用呼吸频率或直肠温度评定,
小提示:此标准内容仅展示完整标准里的部分截取内容,若需要完整标准请到上方自行免费下载完整标准文档。
 标准图片预览
标准图片预览 标准图片预览:





- 其它标准
- 热门标准
- 行业标准
- NY/T3102-2017 枇杷贮藏技术规范
- NY/T1561-2007 秸秆燃气灶
- NY∕T3212-2018 拖拉机和联合收割机登记证书
- NY/T5357-2007 无公害食品 海洋水产品捕捞生产管理规范
- NY/T2444-2013 菠萝叶纤维
- NY/T2493-2013 植物新品种特异性、一致性和稳定性测试指南 荞麦
- NY/T2446-2013 热带作物品种区域试验技术规程 木薯
- NY/T2360-2013 十字花科小菜蛾抗药性监测技术规程
- NY/T2484-2013 植物新品种特异性 一致性和稳定性测试指南 无芒雀麦
- NY/T2520-2013 植物新品种特异性、一致性和稳定性测试指南 树莓
- NY/T2494-2013 植物新品种特异性、一致性和稳定性测试指南 紫苏
- NY2188-2012 联合收割机号牌座设置技术要求
- NY/T676-2010 牛肉等级规格
- NY/T1153.3-2013 农药登记用白蚁防治剂药效试验方法及评价 第3部分农药土壤处理预防白蚁
- NY/T2422-2013 植物新品种特异性、一致性和稳定性测试指南 茶树
- 行业新闻
请牢记:“bzxz.net”即是“标准下载”四个汉字汉语拼音首字母与国际顶级域名“.net”的组合。 ©2025 标准下载网 www.bzxz.net 本站邮件:bzxznet@163.com
网站备案号:湘ICP备2025141790号-2
网站备案号:湘ICP备2025141790号-2
