- 您的位置:
- 标准下载网 >>
- 标准分类 >>
- 机械行业标准(JB) >>
- JB/T 4412-2011 电动绞肉机
标准号:
JB/T 4412-2011
标准名称:
电动绞肉机
标准类别:
机械行业标准(JB)
标准状态:
现行出版语种:
简体中文下载格式:
.rar .pdf下载大小:
相关标签:
电动
部分标准内容:
ICS67.260
备案号:33684—2011
中华人民共和国机械行业标准
JB/T4412—2011
代替JB/T4412—1999
电动绞肉机
Motorizedmeatgrinder
2011-08-15发布
2011-11-01实施
中华人民共和国工业和信息化部发布前言
规范性引用文件
3术语和定义.
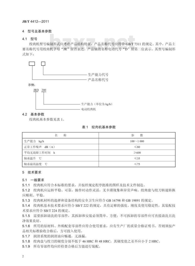
4型号及基本参数
4.1型号...
4.2基本参数
5技术要求,
般要求,
外观质量
电路控制.
安全防护
试验方法
试验条件.
外观质量检查,
材质检查.
空运转试验.
生产能力测量,
绞肉刀与绞肉盘的硬度测定
工作噪声试验
电气安全试验
安全防护检查.
平均无故障工作时间试验
检验规则,
总则.
检验分类
出厂检验
型式检验
标志、
包装、运输和贮存
运输,
绞肉机基本参数
HTTKANKACa
JB/T4412—2011
JB/T4412—2011
本标准按照GB/T1.1—2009给出的规则起草。本标准代替JB/T4412—1999《电动绞肉机》,与JB/T4412—1999相比主要技术变化如下:增加了平均无故障工作时间、轴承温升、轴承最高温度等基本参数;删除了额定功率、出肉孔板装配后凸出肉筒端面等基本参数;修改了电路控制、安全防护、绞肉盘与绞刀的硬度等技术要求;修改了噪声试验、电气安全试验、安全防护检查、生产能力测量等试验方法:增加了空运转试验方法。
请注意本文件的某些内容可能涉及专利。本文件的发布机构不承担识别这些专利的责任本标准由中国机械工业联合会提出。本标准由机械工业食品机械标准化技术委员会(CMIFTC14)归口。本标准起草单位:常熟市屠宰成套设备厂有限公司、中国包装和食品机械总公司。本标准主要起草人:张屹、王国扣、陆文胜、蔡晓湛、张雪明、赵有斌。本标准于1988年首次发布,1999年第一次修订,本次为第二次修订。I
TTKANrKAca
1范围
电动绞肉机
JB/T44122011
本标准规定了电动绞肉机的术语和定义、型号及基本参数、技术要求、试验方法、检验规则、标志、包装、运输和贮存。
本标准适用于加工肉类的电动绞肉机(以下简称绞肉机)。2规范性引用文件
下列文件对于本文件的应用是必不可少的。凡是注日期的引用文件,仅注日期的版本适用于本文件。凡是不注日期的引用文件,其最新版本(包括所有的修改单)适用于本文件。包装储运图示标志
GB/T191
GB1002
家用和类似用途单相插头插座型式、基本参数和尺寸GB1003
家用和类似用途三相插头插座型式、基本参数和尺寸家用和类似用途插头插座第1部分:通用要求GB2099.1
GB2894
安全标志及其使用导则
GB/T3768
GB/T5048
声学声压法测定噪声源声功率级反射面上方采用包络测量表面的简易法家用和类似用途电器的安全第1部分:通用要求防潮包装
GB5226.1一2008机械电气安全机械电气设备第1部分:通用技术条件GB/T7311
GB/T13306
包装机械分类与型号编制方法
GB/T13384
GB16798
GB19891
JB7233
SB/T222
SB/T224
SB/T227
机电产品包装通用技术条件
食品机械安全卫生
机械安全机械设计的卫生要求
包装机械安全要求
食品机械通用技术条件基本技术要求食品机械通用技术条件装配技术要求食品机械通用技术条件电气装置技术要求3术语和定义
下列术语和定义适用于本文件。3.1
平均无故障工作时间(MTBF)
mean timebetweenfailure
绞肉机相邻两次故障之间的平均工作时间,即绞肉机在总的使用阶段累计工作时间与故障次数的比值为MTBF。
生产能力
productioncapacity
单位时间内绞肉的总质量,单位为千克每小时(kg/h)。1
HTKAONTKACa
JB/T4412—2011
4型号及基本参数
4.1型号
绞肉机型号编制形式应考虑产品结构特征,产品名称代号应符合GB/T7311的规定。其中,产品主要名称代号用绞肉机字母“JR”居首表达,产品辅助名称电动代号“D”居第二位表示。其型号编制形式如下:
生产能力代号
产品名称代号
示例:
JRD200
生产能力(单位为kg/h)
电动绞肉机
4.2基本参数
绞肉机基本参数见表1。
表1绞肉机基本参数
生产能力kg/h
正常工作噪声dB(A)
平均无故障工作时间h
轴承温升℃
轴承最高温度℃
5技术要求
5.1一般要求
100~1000
≥600
5.1.1绞肉机应符合本标准的要求,并按经规定程序批准的图样及技术文件制造。5.1.2绞肉机应运转平稳、可靠,操作时动作灵活,无卡滞现象和异常声响。绞肉盘与绞刀转速转换应顺利、平稳。
5.1.3绞肉机材料的选择和设备结构的安全卫生应符合GB16798和GB19891的规定5.1.4绞肉机基本技术要求应符合SB/T222的规定,具有足够的强度、刚度及使用稳定性,其装配技术要求应符合SB/T224的规定。
5.1.5需要拆卸清洗的零部件,其拆卸和安装必须简单、方便;不可拆卸的零部件应可直接清洗且洗净效果良好。
5.1.6所用的原材料、外购配套零部件应符合使用要求,应有生产厂的质量合格证明书。否则须按产品相关标准验收合格后,方可投入使用。5.1.7润滑系统的润滑油应畅通,无渗漏。3绞肉盘与绞刀的硬度分别不低于46HRC和48HRC,其硬度值之差不应小于2HRC。5.1.8
所有零部件均应经检查合格后方能进行装配。HTTKANKACa
5.2外观质量
5.2.1绞肉机的外表面应清洁、平整、光滑,不应有明显的机械损伤。JB/T4412—2011
5.2.2电镀件的镀层应光滑细密、色泽均匀,不应有斑点、针孔、气泡和脱落等缺陷。5.2.3外观油漆的漆膜应贴合牢固、平整光亮、色泽均匀,无明显流漆、皱纹等缺陷。5.2.4绞肉机与食品直接接触的零部件表面应平整光滑,便于清洗。5.3电路控制
5.3.1电路控制系统应安全可靠、动作准确,各电器接头应连接牢固并加以编号,操作按钮应灵活,并有急停按钮,指示灯显示应正常,绞肉机的导电线不应裸露。5.3.2除满足5.3.1外,其安全性能还应符合下列要求a)接地:绞肉机应有可靠的接地装置,并有明显的接地标志,接地电阻应符合SB/T227的要求:插头应符合GB1002、GB1003和GB2099.1的要求。b)绝缘电阻:动力电路导线和保护接地电路间施加500Vd.c.时,测得的绝缘电阻应不小于1MQ。电器在冷态下应具备良好的绝缘性能。c)耐压强度:最大试验电压1000V应施加在动力电路导线和保护联结电路之间近似1s的时间,未出现击穿、放电现象。电器在冷态下应具备良好的耐压强度性5.4安全防护
5.4.1绞肉机的安全防护应符合JB7233的规定5.4.2绞肉机应有急停开关。
5.4.3绞肉机上应有清晰醒自的操纵、润滑等安全警示标志。安全标志应符合GB2894的规定。5.4.4对易脱落的零部件应有防松装置,各零件及螺栓、螺母等紧固件应固定可靠,不应因振动而松动和脱落。
6试验方法
6.1试验条件
6.1.1试验环境温度为-15℃~40℃;环境相对湿度≤85%6.1.2试验物料为原料肉。
6.2外观质量检查
用手感和目测检查绞肉机外观质量,开机和运转检查,应符合5.2的规定。6.3材质检查
检查绞肉机材质报告及质量合格证明书,应符合5.1.6的规定。6.4空运转试验
每台绞肉机装配完成后,机械部分均应做空运转试验,连续运转时间不少于30min,检查绞肉机性能,应符合5.1.2的规定。
6.5生产能力测量
6.5.1将去皮、骨、筋的原料肉按生产设备大小切成相应条状。6.5.2在额定工作条件下,连续均匀地将切割好的肉条投入绞笼中,观察并称取成品重量(单位为kg),测定绞肉所需时间(单位为h),计算生产能力,结果应符合表1要求。6.6绞肉刀与绞肉盘的硬度测定
用洛氏硬度计在其加工面平均测3点,取其平均值,应符合5.1.8的规定6.7工作噪声试验
在连续工作过程中,绞肉机的噪声按GB/T3768规定的方法进行测量,其噪声值不大于80dB(A)。6.8电气安全试验
6.8.1绝缘电阻测量
TTKONYKA
JB/T4412—2011
用兆欧表按GB5226.1一2008的规定测量其绝缘电阻,应符合本标准5.3.2b)的规定。冷态下绝缘电阻按GB4706.1中的有关规定进行测量。6.8.2接地装置测量
按SB/T227的规定测量其接地装置,应符合本标准5.3.2a)的规定。冷态下泄漏电流按GB4706.1中的有关规定进行测量。
6.8.3耐压强度试验
用耐压测试仪按GB5226.1一2008的规定做耐压试验,应符合本标准5.3.2c)的规定。冷态下耐压试验按GB4706.1中的有关规定进行测量。6.9安全防护检查
检查各安全防护和安全装置,其安全性能应符合5.4的规定。6.10平均无故障工作时间试验
在总的使用阶段累计工作时间与故障数的比值。即在每两次相邻故障之间的工作时间的平均值,用MTBF表示[见公式(1)]:
MTBF=t/Ne(t)
式中:
绞肉机的工作时间,单位为小时(h);Net)
一绞肉机在工作时间内的故障数,单位为次。7检验规则
7.1总则
绞肉机必须经过制造厂检验部门检验合格,并签发合格证后方可出厂。7.2检验分类
产品检验分出厂检验和型式检验。7.3出厂检验
每台绞肉机均应进行出厂检验,检验项目为外观、标牌、技术文件、空运转性能、电气安全和安全防护。
7.4型式检验
7.4.1有下列情况之一,应进行型式检验:正式生产后,如结构、材料、工艺有较大改变,可能影响产品性能时;停产一年以上再投产时;
新产品或老产品转厂生产的试制定型鉴定时:国家质量监督部门提出进行型式试验的要求时:出厂检验结果与上次型式检验有较大差异时:正常生产时间满两年时。
7.4.2抽样及判定规则:从出厂检验合格的产品中随机抽样,每次抽样2台。检验项目为本标准要求中的全部项目,全部项目合格则判定型式检验合格:如有不合格项,应加倍抽样,对不合格项进行复检,复检再不合格,则判定型式检验不合格,其中安全性能不允许复检。8标志、包装、运输和贮存
8.1标志
标牌应固定在绞肉机的明显位置,标牌的技术要求应符合GB/T13306的规定。除标示安全警示外还应标示下列内容:
-制造企业名称和商标;
HTTKAONTKACa
产品名称、型号:
一制造日期、出厂编号:
一主要技术参数:
一产品执行标准号。
8.2包装
8.2.1绞肉机的包装应符合GB/T13384的规定。JB/T4412—2011
8.2.2绞肉机外包装上除有8.1规定的标志外,还应有“小心轻放、向上、防潮”等储运标志,并符合GB/T191的规定。
8.2.3绞肉机应罩上塑料薄膜后装入瓦楞纸或木质包装箱内,绞肉机及附件在箱内应牢固固定,适合运输装卸的要求。
8.2.4包装箱应有可靠的防潮、防雨措施,并符合GB/T5048的规定。8.2.5包装箱内应有装箱单、产品合格证、产品使用说明书、必要的随机备件及工具。8.3运输
8.3.1运输时应小心轻放,严禁雨淋。8.3.2搬运时严禁碰撞,不应损坏产品。8.3.3按包装箱上指定朝向置于运输工具上。8.4购存下载标准就来标准下载网
8.4.1绞肉机应贮存在通风、清洁、阴凉、干燥的场所,远离热源和污染源,严禁与有害物品同仓混放。
8.4.2在正常储运条件下,自出厂之日起应保证在12个月内不致因包装不良引起锈蚀、霉损等。5
TTKAN KACa
小提示:此标准内容仅展示完整标准里的部分截取内容,若需要完整标准请到上方自行免费下载完整标准文档。
备案号:33684—2011
中华人民共和国机械行业标准
JB/T4412—2011
代替JB/T4412—1999
电动绞肉机
Motorizedmeatgrinder
2011-08-15发布
2011-11-01实施
中华人民共和国工业和信息化部发布前言
规范性引用文件
3术语和定义.
4型号及基本参数
4.1型号...
4.2基本参数
5技术要求,
般要求,
外观质量
电路控制.
安全防护
试验方法
试验条件.
外观质量检查,
材质检查.
空运转试验.
生产能力测量,
绞肉刀与绞肉盘的硬度测定
工作噪声试验
电气安全试验
安全防护检查.
平均无故障工作时间试验
检验规则,
总则.
检验分类
出厂检验
型式检验
标志、
包装、运输和贮存
运输,
绞肉机基本参数
HTTKANKACa
JB/T4412—2011
JB/T4412—2011
本标准按照GB/T1.1—2009给出的规则起草。本标准代替JB/T4412—1999《电动绞肉机》,与JB/T4412—1999相比主要技术变化如下:增加了平均无故障工作时间、轴承温升、轴承最高温度等基本参数;删除了额定功率、出肉孔板装配后凸出肉筒端面等基本参数;修改了电路控制、安全防护、绞肉盘与绞刀的硬度等技术要求;修改了噪声试验、电气安全试验、安全防护检查、生产能力测量等试验方法:增加了空运转试验方法。
请注意本文件的某些内容可能涉及专利。本文件的发布机构不承担识别这些专利的责任本标准由中国机械工业联合会提出。本标准由机械工业食品机械标准化技术委员会(CMIFTC14)归口。本标准起草单位:常熟市屠宰成套设备厂有限公司、中国包装和食品机械总公司。本标准主要起草人:张屹、王国扣、陆文胜、蔡晓湛、张雪明、赵有斌。本标准于1988年首次发布,1999年第一次修订,本次为第二次修订。I
TTKANrKAca
1范围
电动绞肉机
JB/T44122011
本标准规定了电动绞肉机的术语和定义、型号及基本参数、技术要求、试验方法、检验规则、标志、包装、运输和贮存。
本标准适用于加工肉类的电动绞肉机(以下简称绞肉机)。2规范性引用文件
下列文件对于本文件的应用是必不可少的。凡是注日期的引用文件,仅注日期的版本适用于本文件。凡是不注日期的引用文件,其最新版本(包括所有的修改单)适用于本文件。包装储运图示标志
GB/T191
GB1002
家用和类似用途单相插头插座型式、基本参数和尺寸GB1003
家用和类似用途三相插头插座型式、基本参数和尺寸家用和类似用途插头插座第1部分:通用要求GB2099.1
GB2894
安全标志及其使用导则
GB/T3768
GB/T5048
声学声压法测定噪声源声功率级反射面上方采用包络测量表面的简易法家用和类似用途电器的安全第1部分:通用要求防潮包装
GB5226.1一2008机械电气安全机械电气设备第1部分:通用技术条件GB/T7311
GB/T13306
包装机械分类与型号编制方法
GB/T13384
GB16798
GB19891
JB7233
SB/T222
SB/T224
SB/T227
机电产品包装通用技术条件
食品机械安全卫生
机械安全机械设计的卫生要求
包装机械安全要求
食品机械通用技术条件基本技术要求食品机械通用技术条件装配技术要求食品机械通用技术条件电气装置技术要求3术语和定义
下列术语和定义适用于本文件。3.1
平均无故障工作时间(MTBF)
mean timebetweenfailure
绞肉机相邻两次故障之间的平均工作时间,即绞肉机在总的使用阶段累计工作时间与故障次数的比值为MTBF。
生产能力
productioncapacity
单位时间内绞肉的总质量,单位为千克每小时(kg/h)。1
HTKAONTKACa
JB/T4412—2011
4型号及基本参数
4.1型号
绞肉机型号编制形式应考虑产品结构特征,产品名称代号应符合GB/T7311的规定。其中,产品主要名称代号用绞肉机字母“JR”居首表达,产品辅助名称电动代号“D”居第二位表示。其型号编制形式如下:
生产能力代号
产品名称代号
示例:
JRD200
生产能力(单位为kg/h)
电动绞肉机
4.2基本参数
绞肉机基本参数见表1。
表1绞肉机基本参数
生产能力kg/h
正常工作噪声dB(A)
平均无故障工作时间h
轴承温升℃
轴承最高温度℃
5技术要求
5.1一般要求
100~1000
≥600
5.1.1绞肉机应符合本标准的要求,并按经规定程序批准的图样及技术文件制造。5.1.2绞肉机应运转平稳、可靠,操作时动作灵活,无卡滞现象和异常声响。绞肉盘与绞刀转速转换应顺利、平稳。
5.1.3绞肉机材料的选择和设备结构的安全卫生应符合GB16798和GB19891的规定5.1.4绞肉机基本技术要求应符合SB/T222的规定,具有足够的强度、刚度及使用稳定性,其装配技术要求应符合SB/T224的规定。
5.1.5需要拆卸清洗的零部件,其拆卸和安装必须简单、方便;不可拆卸的零部件应可直接清洗且洗净效果良好。
5.1.6所用的原材料、外购配套零部件应符合使用要求,应有生产厂的质量合格证明书。否则须按产品相关标准验收合格后,方可投入使用。5.1.7润滑系统的润滑油应畅通,无渗漏。3绞肉盘与绞刀的硬度分别不低于46HRC和48HRC,其硬度值之差不应小于2HRC。5.1.8
所有零部件均应经检查合格后方能进行装配。HTTKANKACa
5.2外观质量
5.2.1绞肉机的外表面应清洁、平整、光滑,不应有明显的机械损伤。JB/T4412—2011
5.2.2电镀件的镀层应光滑细密、色泽均匀,不应有斑点、针孔、气泡和脱落等缺陷。5.2.3外观油漆的漆膜应贴合牢固、平整光亮、色泽均匀,无明显流漆、皱纹等缺陷。5.2.4绞肉机与食品直接接触的零部件表面应平整光滑,便于清洗。5.3电路控制
5.3.1电路控制系统应安全可靠、动作准确,各电器接头应连接牢固并加以编号,操作按钮应灵活,并有急停按钮,指示灯显示应正常,绞肉机的导电线不应裸露。5.3.2除满足5.3.1外,其安全性能还应符合下列要求a)接地:绞肉机应有可靠的接地装置,并有明显的接地标志,接地电阻应符合SB/T227的要求:插头应符合GB1002、GB1003和GB2099.1的要求。b)绝缘电阻:动力电路导线和保护接地电路间施加500Vd.c.时,测得的绝缘电阻应不小于1MQ。电器在冷态下应具备良好的绝缘性能。c)耐压强度:最大试验电压1000V应施加在动力电路导线和保护联结电路之间近似1s的时间,未出现击穿、放电现象。电器在冷态下应具备良好的耐压强度性5.4安全防护
5.4.1绞肉机的安全防护应符合JB7233的规定5.4.2绞肉机应有急停开关。
5.4.3绞肉机上应有清晰醒自的操纵、润滑等安全警示标志。安全标志应符合GB2894的规定。5.4.4对易脱落的零部件应有防松装置,各零件及螺栓、螺母等紧固件应固定可靠,不应因振动而松动和脱落。
6试验方法
6.1试验条件
6.1.1试验环境温度为-15℃~40℃;环境相对湿度≤85%6.1.2试验物料为原料肉。
6.2外观质量检查
用手感和目测检查绞肉机外观质量,开机和运转检查,应符合5.2的规定。6.3材质检查
检查绞肉机材质报告及质量合格证明书,应符合5.1.6的规定。6.4空运转试验
每台绞肉机装配完成后,机械部分均应做空运转试验,连续运转时间不少于30min,检查绞肉机性能,应符合5.1.2的规定。
6.5生产能力测量
6.5.1将去皮、骨、筋的原料肉按生产设备大小切成相应条状。6.5.2在额定工作条件下,连续均匀地将切割好的肉条投入绞笼中,观察并称取成品重量(单位为kg),测定绞肉所需时间(单位为h),计算生产能力,结果应符合表1要求。6.6绞肉刀与绞肉盘的硬度测定
用洛氏硬度计在其加工面平均测3点,取其平均值,应符合5.1.8的规定6.7工作噪声试验
在连续工作过程中,绞肉机的噪声按GB/T3768规定的方法进行测量,其噪声值不大于80dB(A)。6.8电气安全试验
6.8.1绝缘电阻测量
TTKONYKA
JB/T4412—2011
用兆欧表按GB5226.1一2008的规定测量其绝缘电阻,应符合本标准5.3.2b)的规定。冷态下绝缘电阻按GB4706.1中的有关规定进行测量。6.8.2接地装置测量
按SB/T227的规定测量其接地装置,应符合本标准5.3.2a)的规定。冷态下泄漏电流按GB4706.1中的有关规定进行测量。
6.8.3耐压强度试验
用耐压测试仪按GB5226.1一2008的规定做耐压试验,应符合本标准5.3.2c)的规定。冷态下耐压试验按GB4706.1中的有关规定进行测量。6.9安全防护检查
检查各安全防护和安全装置,其安全性能应符合5.4的规定。6.10平均无故障工作时间试验
在总的使用阶段累计工作时间与故障数的比值。即在每两次相邻故障之间的工作时间的平均值,用MTBF表示[见公式(1)]:
MTBF=t/Ne(t)
式中:
绞肉机的工作时间,单位为小时(h);Net)
一绞肉机在工作时间内的故障数,单位为次。7检验规则
7.1总则
绞肉机必须经过制造厂检验部门检验合格,并签发合格证后方可出厂。7.2检验分类
产品检验分出厂检验和型式检验。7.3出厂检验
每台绞肉机均应进行出厂检验,检验项目为外观、标牌、技术文件、空运转性能、电气安全和安全防护。
7.4型式检验
7.4.1有下列情况之一,应进行型式检验:正式生产后,如结构、材料、工艺有较大改变,可能影响产品性能时;停产一年以上再投产时;
新产品或老产品转厂生产的试制定型鉴定时:国家质量监督部门提出进行型式试验的要求时:出厂检验结果与上次型式检验有较大差异时:正常生产时间满两年时。
7.4.2抽样及判定规则:从出厂检验合格的产品中随机抽样,每次抽样2台。检验项目为本标准要求中的全部项目,全部项目合格则判定型式检验合格:如有不合格项,应加倍抽样,对不合格项进行复检,复检再不合格,则判定型式检验不合格,其中安全性能不允许复检。8标志、包装、运输和贮存
8.1标志
标牌应固定在绞肉机的明显位置,标牌的技术要求应符合GB/T13306的规定。除标示安全警示外还应标示下列内容:
-制造企业名称和商标;
HTTKAONTKACa
产品名称、型号:
一制造日期、出厂编号:
一主要技术参数:
一产品执行标准号。
8.2包装
8.2.1绞肉机的包装应符合GB/T13384的规定。JB/T4412—2011
8.2.2绞肉机外包装上除有8.1规定的标志外,还应有“小心轻放、向上、防潮”等储运标志,并符合GB/T191的规定。
8.2.3绞肉机应罩上塑料薄膜后装入瓦楞纸或木质包装箱内,绞肉机及附件在箱内应牢固固定,适合运输装卸的要求。
8.2.4包装箱应有可靠的防潮、防雨措施,并符合GB/T5048的规定。8.2.5包装箱内应有装箱单、产品合格证、产品使用说明书、必要的随机备件及工具。8.3运输
8.3.1运输时应小心轻放,严禁雨淋。8.3.2搬运时严禁碰撞,不应损坏产品。8.3.3按包装箱上指定朝向置于运输工具上。8.4购存下载标准就来标准下载网
8.4.1绞肉机应贮存在通风、清洁、阴凉、干燥的场所,远离热源和污染源,严禁与有害物品同仓混放。
8.4.2在正常储运条件下,自出厂之日起应保证在12个月内不致因包装不良引起锈蚀、霉损等。5
TTKAN KACa
小提示:此标准内容仅展示完整标准里的部分截取内容,若需要完整标准请到上方自行免费下载完整标准文档。
标准图片预览:





- 其它标准
- 上一篇: JB/T 4389-2011 食品搅拌机
- 下一篇: JB/T 4413-2011 液压灌肠机
- 热门标准
- 行业标准
- JB/T7893.1-1999 立式振动离心机
- JB/T7899-1999 填充聚四氟乙烯软带导轨 技术条件
- JB/T7938-1999 液压泵站油箱公称容量系列
- JB/T1625-2002 工业锅炉焊接管孔
- JB/T7850-1995 手夹快换接头
- JB/T8009.4-1999 机床夹具零件及部件 弧形压块
- JB/T7936-1999 直廓环面蜗杆减速器
- JB/T7939-1999 单活塞杆液压缸两腔面积比
- JB/T7941.2-1995 旋入式圆形油杯
- JB/T7946.2-1999 铸造铝硅合金过烧
- JB/T7925.2-1995 滑动轴承 多层轴承减摩合金硬度检验方法
- JB/T6375-1992 气动阀用橡胶密封圈 尺寸系列和公差
- JB/T7945-1999 灰铸铁机械性能试验方法
- JB/T7966.3-1999 模具铣刀 第 3 部分:莫氏锥柄圆柱形球头立铣刀
- JB/T7946.3-1999 铸造铝合金针孔
- 行业新闻
请牢记:“bzxz.net”即是“标准下载”四个汉字汉语拼音首字母与国际顶级域名“.net”的组合。 ©2025 标准下载网 www.bzxz.net 本站邮件:bzxznet@163.com
网站备案号:湘ICP备2025141790号-2
网站备案号:湘ICP备2025141790号-2