- 您的位置:
- 标准下载网 >>
- 标准分类 >>
- 电子行业标准(SJ) >>
- SJ 50065.2A-2002 JRW-210M型有可靠性指标的TO-5密封直流电磁继电器详细规范
标准号:
SJ 50065.2A-2002
标准名称:
JRW-210M型有可靠性指标的TO-5密封直流电磁继电器详细规范
标准类别:
电子行业标准(SJ)
标准状态:
现行出版语种:
简体中文下载格式:
.rar .pdf下载大小:
266.50 KB
点击下载
标准简介:
标准下载解压密码:www.bzxz.net
SJ 50065.2A-2002 JRW-210M型有可靠性指标的TO-5密封直流电磁继电器详细规范 SJ50065.2A-2002
部分标准内容:
中华人民共和国电子行业军用标准FL5945
SJ50065/2A—2002
代赞SJ50065/2-—96
JRW-210M型有可靠性指标的
TO-5密封直流电磁继电器详细规范Detail specification for model JRW-210m,T0-5,d.c. hermetically sealed, electromagnetic relaysestablished reliability
2002-01-31发布
2002-05-01实施
中华人民共和国信息产业部批准中华人民共和国电子行业军用标准JRW-210M型有可靠性指标的
T0-5密封直流电磁继电器详细规范Detail speciflcation for model JRW-210m, T0-5,d.c, hermetically sealed, electromagnetic relaysestablished reliabillity
SJ50065/2A—2002
代替SJ50065/2--96
本规范规定的继电器,其全部要求由本规范和GJB65B一99《有可靠性指标的电磁继电器总规范》作出规定。
1范围
1.1主题内容
本规范规定了触点负载从低电平至1.0A,二组转换触点有可靠性指标的微型密封直流电磁继电器的详细要求。
1.2适用范围
本规范适用于JRW-210M型有可靠性指标的T0-5密封直流电磁继电器。1.3结构型式、尺寸及分类参数
1.3.1结构型式及尺寸
外形尺寸、安装方式和安装尺寸、引出端型式和尺寸及底视电路图见图1。中华人民共和国信息产业部2002-01-31发布2002-05-01实施
36°±39
SJ50065/2A—2002
8-40.45±0.05
$5.08±0.2
36°±3°
引出端型式1
(焊接式)
引出端型式2
(软引线式)
底视电路图
图1外形、安装、引出端及底视电路图0王9
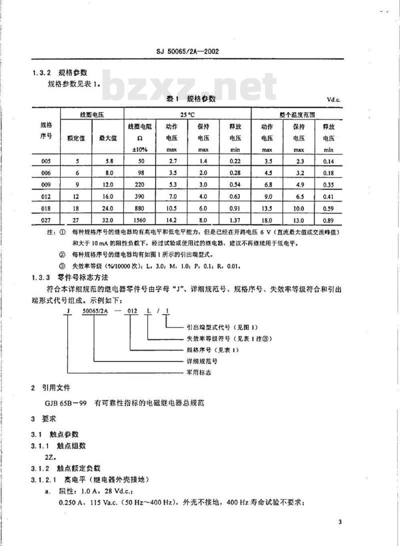
1.3.2规格参数
规格参数见表1。
线圈电压
额定值
最大值
线圈电阻
SJ50065/2A—2002
装1规格参数
整个温度范围
注:①
每种规格序号的继电器均有高电平和低电平能力,但是已经在开路电压6V(直流最大值或交流峰值)和大于10mA的阻性负载下,经过试验或使用过的继电器,建议不再继续用于低电平。②
每种规格序号的继电器均有如图1所示的引出端型式失效率等级(%/10000次):L,3.0:M,1.0:P,0.1:R,0.01.1.3.3誉件号标志方法
符合本详细规范的继电器零件号由字母“”、详细规范号、规格序号、失效率等级符合和引出端形式代号组成。示例如下:
50065/2A
引用文件
引出端型式代号(见图1)
失效率等级符号(见表1注③)
规格序号(见表1)
详细规范号
军用标志
GJB65B—99
有可靠性指标的电磁继电器总规范3要求
3.1触点参数
3.1.1触点组数
3.1.2触点额定负载
3.1.2.1高电平(继电器外壳接地)阻性:1.0A,28Vd.c.;
0.250A,115Va.c.(50Hz~400Hz),外壳不接地,400Hz寿命试验不要求:3
SJ50065/2A-2002
0.100A,115Va.c.(50Hz~400Hz),400Hz寿命试验不要求感性:0.200A,28Vd.c.,0.320H;b.
c.灯负载:0.100A,28Vd.c.寿命试验不要求:3.1.2.2低电平
10~50μA,10~50mA(直流或交流蜂值)。3.1.2.3中等电流
适用,100mA,28Vd.c.(阻性)3.1.3接触电阻或接触电压降
初始值:≤0.100Q。
3.1.3.1高电平
寿命试验中:接触电压降不大于开路电压的5%:b.寿命试验后:≤0.200n。
3.1.3.2低电平
寿命试验中:≤33Q:
寿命试验后:≤0.150Q。
3.1.3.3中等电流
试验中:≤32;
b.试验后:≤0.2002。
3.1.4触点动态特性
触点回跳时间(适用于L级失效率):≤1.5ms触点稳定时间(适用于M、P、R级失效率):≤2.0ms。b.
3.1.5过负载(只适用于高电平)两倍额定电流。
3.2线图参数
3.2.1工作方式
连续。
3.2.2规格参数
见表1。
3.2.3动作时间
不大于2.0ms(适用于整个温度范围,线圈以额定电压激励)。3.2.4释放时间
不大于1.5ms(适用于整个温度范围,线圈以额定电压激励)。3.2.5线图寿命
适用。
3.2.5.1线图耐久性
适用。
3.3绝缘性能
3.3.1绝缘电阻
a.正常条件下:≥10000MQ:
SJ50065/2A--2002
高温下外壳与线圈间:≥1000MQb.
高电平寿命试验后:≥1000MQ;c.
测盘电压:500Vd.c.
施加点:见表2。
3.3.2介质耐电压
试验电压的施加点和试验电压的大小按表2规定,但在高电平寿命试验之后,其介质耐电压数值不得低于初始正带大气压下介质耐电压数值的75%。表2介质耐电压
施加点
正带大气压下
外壳、底座与处于激励与去激励状态下的各触点之间
外壳、底座与线圈之间
所有触点与线圈之间
处于激励与去激励状态下的各断开触点之间龙
3.4环境适应性能
3.4.1温度范围
-65 °C~125 °C。
3.4.2温度冲击
适用。
3.4.3低气压
3.4.4冲击(规定脉冲)
适用。试验条件B,735m/s2。
3.4.5振动(正弦)
适用。试验条件D,10~3000Hz,294m/s2。3.4.6振动(随机,仅适用于鉴定检验和C组检验)适用。试验条件IG,40(m/s)/Hz,239.1m/s3.4.7稳态加速度
适用。试验条件A,490m/s*。
3.4.8盐气(腐蚀)
适用。
3.4.9磁干扰
适用。
3.4.10耐焊接热
适用。
中等电流试验后
正常大气压下
Vtm.5.(50Hz)
4kPa气压下
所有引出端与
外壳之间125
3.4.11耐溶剂
适用。
3.5材料
适用。
3.6设计与结构
SJ50065/2A-2002
除以下规定外,其它要求均按65B规定。3.6.1外形与安装配置尺寸见图1.3.6.2引出端配置和尺寸见图1。3.7可焊性
适用。
3.8密封
适用。允许的最大漏率为1×10-Pa?cm/s。引出端强度
适用。拉力试验条件A,拉力5.0N:弯曲试验条件为C,负载2.5N。3.10标志(双少)
适用。还应标志产品型号。
3.11重量
不大于2.5kg.
3.12加工质量
适用。
3.13玻璃绝缘子
适用。
3.14微粒碰撞哚声检测
适用。
3.15筛选
适用。
3.16寿命
高电平:1×10°次:
低电平:1×10°次。
3.17中等电流
5×10*次。
3.18机械寿命
1×10°次。
4质量保证规定
鉴定检验
鉴定检验表按表3。
检验项目
内部目检和机械检查\
可焊性(3只样品)2)
介质耐电压”
绝缘电阻)
电性能:3)
线圈电阻
静态接触电阻
动作、释放、保持电压
动作和释放时间
触点动态特性
SJ50065/2A—2002
监定检验
本规范
的章条号
3.6,3.12
3.2.3,3.2.4
外部目检和机械检查(仅对2只样品进行尺寸检查)
温度冲击
耐溶剂
冲击(规定脉冲)
报动(正弦)
报动(随机)
微粒碰撞噪声检测
稳态加速度
引出端强度
介质耐电压3)
绝续电阻3
电性能:3)
线圈电阻
静态接触电阻
动作、释放、保持电压
动作和释放时间
触点动态特性
3.6,3.10,
3.11.3.12,
3.4.1,3.4.2
3.2.3,3.2.4
GJB65B
的章条号
3.5,3.28.
3.29,3.30
试验方法
GJB65B
的章条号
4.8.8.1.1
4.8.8.1.1
受检的
样品数
所有样
品加一
只未封
充许的
失效数
磁干扰
线图寿命
耐焊接热
检验项目
勐气(腐蚀)
介质耐电压)
绝缘电阻\)
电性能:3)
线圜电阻
静态接触电阻
动作、释放、保持电压
动作和释放时间
触点动态特性
过负载(最大直流阻性负载较)介质耐电压3
绝续电阻3)
电性能:3)
线图电阻
静态接触电阻
动作、释放、保持电压
动作和释放时间
触点动态特性
寿命”
介质耐电压3)
绝缘电阻\
电性能:
线圈电阻
静态接触电阻
动作、释放、保持电压
动作和释放时间
触点动态特性
SJ50085/2A—2002
表3(续)
本规范
的章条号
3.2.3,3.2.4此内容来自标准下载网
3.2.3,3.2.4
3.2.3,3.2.4
GJB65B
的章条号
试验方法
GJB65B
的章条号
4.8.8.1.1
4.8.8.1.1
4.8.8.1.1
受检的
样品数
L级鉴定
充许的
失效数
中等电流
检验项目
介质耐电压\)
绝续电3)
电性能:3)
线圈电阻
静态接触电阻
动作、释放、保持电压
动作和释放时间
触点动态特性
机械寿命
介质耐电压
绝缘电阻
动作和释放时间
外部目检
SJ50065/2A—2002
表3(续)
本规范
的章条号
3.2.3,3.2.4
3.2.3,3.2.4
3.6,3.10,
注:1)一只未封罩的样品应经受内部检查。求
GJB65B
的章条号
3.5,3.28,
试验方法
GJB65B
的章条号
4.8.8.1.1
2)可焊性试验样品不经受介质耐电压、绝缘电阻、电性能和密封试验。受检的
样品数
充许的
失效数
3)线圈电阻测试可在介质耐电压和绝续电阻试验之前进行,在电性能测试之前的绝续电阻和介质耐电压的试验顺序可以任意,
4)样本大小应在规定的触点额定值之间平均分配,每种触点额定值至少有一只继电器在所有触点上都加额定负载的条件下经受试验。当样品数多于负载种类时,剩余样品应从最大额定值直流负载开始按顺序分配。
5)如果选择的样品数允许1只或者多只失效,则鉴定检验需要的样品数应按GJB65B表2中6组要求增加。
6)中等电流循环速率5次/秒。
4.2质量一致性检验
4.2.1A组检验
A组检验表按表4。
Al\分组
A2分组
A3分组
A4分组
检验项目
报动(正弦)
微粒碰撞噪声检测
筛选,内部潮湿
筛选,运行
介质耐电压2)
绝缘电阻2)
电性能:2)
线圈电阻
静态接触电阻
动作、释放、保持电压
动作和释放时间
触点动态特性
可焊性
外部目检和机械检查)4)
试验应按所示顺序进行,
注:1)
SJ50065/2A—2002
衰4A组检验
本规范
的章条号
3.2.3,3.2.4
3.6,3.10,3.11,
3.12.3.13
GJB65B
的章条号
3.5,3.28,
3.29,3.30
试验方法
GJB65B
的章条号
4.8.8.1.1
受检的
样品数
2只样品
线圈电阻测试可在介质耐电压和绝缘电阻之前进行。电性能测试之前的绝缘电阻和介质耐电压试验顺序可以任意。
诸如标志之类的轻不合格品可以返工。3)
4)任意抽取2只样品进行检查。4.2.2B组检验
B组检验表按表5。
表5B组检验
检验项目
寿命1)
介质耐电压2)
绝缘电阻2)
电性能:2
线圈电阻
静态接触电阻
动作、释放、保持电压
动作和释放时间
触点动态特性
外部目检
本规范的章条号
3.2.3,3.2.4
3.6,3.10,3.12
GJB65B的章条号
3.5,3.28,3.29
试验方法
GJB65B的章条号
4.8.8.1.1
SJ50065/2A—2002
注:1)样品应技照由承制方确定和整定机构批准的预定顾序进行测试,所有负较均应试验,所有负载在一个维持周期(6个月)内不必全部试验,但在两个维持周期内应全部进行试验。2)线圈电阻测试可在介质耐电压和绝缘电阻之前进行:电性能测试之前的绝缘电阻和介质耐电压试验顺序可以任意。
4.2.3C组检验
C组检验表按表6。
表6C组检验
C1分组
(每个月)
C2分组
(每6个月)
检验项目
中等电流\
介质耐电压2)
绝缘电阻3)
电性能,2)
线圈电阻
静态接触电阻
动作、释放、保持电压
动作和释放时间
触点动态特性
外部目检
温度冲击
冲击(规定脉冲)
引出端强度
介质耐电压2)
绝缘电阻2)
电性能:2)
线圈电阻
静态接触电阻
动作、释放、保持电压
动作和释放时间
触点动态特性
外部目检
本规范
的章条号
3.2.3,3.2.4
3.6,3.10,
3.4.1,3.4.2
3.4.5,3.4.6
3.2.3,3.2.4
3.6,3.10,
GJB65B
的章条号
3.5,3.28
3.5,3.28
试验方法
GIB65B
的章条号
4.8.8.1.1
4.8.8.1.1
受检的
样品数
小提示:此标准内容仅展示完整标准里的部分截取内容,若需要完整标准请到上方自行免费下载完整标准文档。
SJ50065/2A—2002
代赞SJ50065/2-—96
JRW-210M型有可靠性指标的
TO-5密封直流电磁继电器详细规范Detail specification for model JRW-210m,T0-5,d.c. hermetically sealed, electromagnetic relaysestablished reliability
2002-01-31发布
2002-05-01实施
中华人民共和国信息产业部批准中华人民共和国电子行业军用标准JRW-210M型有可靠性指标的
T0-5密封直流电磁继电器详细规范Detail speciflcation for model JRW-210m, T0-5,d.c, hermetically sealed, electromagnetic relaysestablished reliabillity
SJ50065/2A—2002
代替SJ50065/2--96
本规范规定的继电器,其全部要求由本规范和GJB65B一99《有可靠性指标的电磁继电器总规范》作出规定。
1范围
1.1主题内容
本规范规定了触点负载从低电平至1.0A,二组转换触点有可靠性指标的微型密封直流电磁继电器的详细要求。
1.2适用范围
本规范适用于JRW-210M型有可靠性指标的T0-5密封直流电磁继电器。1.3结构型式、尺寸及分类参数
1.3.1结构型式及尺寸
外形尺寸、安装方式和安装尺寸、引出端型式和尺寸及底视电路图见图1。中华人民共和国信息产业部2002-01-31发布2002-05-01实施
36°±39
SJ50065/2A—2002
8-40.45±0.05
$5.08±0.2
36°±3°
引出端型式1
(焊接式)
引出端型式2
(软引线式)
底视电路图
图1外形、安装、引出端及底视电路图0王9
1.3.2规格参数
规格参数见表1。
线圈电压
额定值
最大值
线圈电阻
SJ50065/2A—2002
装1规格参数
整个温度范围
注:①
每种规格序号的继电器均有高电平和低电平能力,但是已经在开路电压6V(直流最大值或交流峰值)和大于10mA的阻性负载下,经过试验或使用过的继电器,建议不再继续用于低电平。②
每种规格序号的继电器均有如图1所示的引出端型式失效率等级(%/10000次):L,3.0:M,1.0:P,0.1:R,0.01.1.3.3誉件号标志方法
符合本详细规范的继电器零件号由字母“”、详细规范号、规格序号、失效率等级符合和引出端形式代号组成。示例如下:
50065/2A
引用文件
引出端型式代号(见图1)
失效率等级符号(见表1注③)
规格序号(见表1)
详细规范号
军用标志
GJB65B—99
有可靠性指标的电磁继电器总规范3要求
3.1触点参数
3.1.1触点组数
3.1.2触点额定负载
3.1.2.1高电平(继电器外壳接地)阻性:1.0A,28Vd.c.;
0.250A,115Va.c.(50Hz~400Hz),外壳不接地,400Hz寿命试验不要求:3
SJ50065/2A-2002
0.100A,115Va.c.(50Hz~400Hz),400Hz寿命试验不要求感性:0.200A,28Vd.c.,0.320H;b.
c.灯负载:0.100A,28Vd.c.寿命试验不要求:3.1.2.2低电平
10~50μA,10~50mA(直流或交流蜂值)。3.1.2.3中等电流
适用,100mA,28Vd.c.(阻性)3.1.3接触电阻或接触电压降
初始值:≤0.100Q。
3.1.3.1高电平
寿命试验中:接触电压降不大于开路电压的5%:b.寿命试验后:≤0.200n。
3.1.3.2低电平
寿命试验中:≤33Q:
寿命试验后:≤0.150Q。
3.1.3.3中等电流
试验中:≤32;
b.试验后:≤0.2002。
3.1.4触点动态特性
触点回跳时间(适用于L级失效率):≤1.5ms触点稳定时间(适用于M、P、R级失效率):≤2.0ms。b.
3.1.5过负载(只适用于高电平)两倍额定电流。
3.2线图参数
3.2.1工作方式
连续。
3.2.2规格参数
见表1。
3.2.3动作时间
不大于2.0ms(适用于整个温度范围,线圈以额定电压激励)。3.2.4释放时间
不大于1.5ms(适用于整个温度范围,线圈以额定电压激励)。3.2.5线图寿命
适用。
3.2.5.1线图耐久性
适用。
3.3绝缘性能
3.3.1绝缘电阻
a.正常条件下:≥10000MQ:
SJ50065/2A--2002
高温下外壳与线圈间:≥1000MQb.
高电平寿命试验后:≥1000MQ;c.
测盘电压:500Vd.c.
施加点:见表2。
3.3.2介质耐电压
试验电压的施加点和试验电压的大小按表2规定,但在高电平寿命试验之后,其介质耐电压数值不得低于初始正带大气压下介质耐电压数值的75%。表2介质耐电压
施加点
正带大气压下
外壳、底座与处于激励与去激励状态下的各触点之间
外壳、底座与线圈之间
所有触点与线圈之间
处于激励与去激励状态下的各断开触点之间龙
3.4环境适应性能
3.4.1温度范围
-65 °C~125 °C。
3.4.2温度冲击
适用。
3.4.3低气压
3.4.4冲击(规定脉冲)
适用。试验条件B,735m/s2。
3.4.5振动(正弦)
适用。试验条件D,10~3000Hz,294m/s2。3.4.6振动(随机,仅适用于鉴定检验和C组检验)适用。试验条件IG,40(m/s)/Hz,239.1m/s3.4.7稳态加速度
适用。试验条件A,490m/s*。
3.4.8盐气(腐蚀)
适用。
3.4.9磁干扰
适用。
3.4.10耐焊接热
适用。
中等电流试验后
正常大气压下
Vtm.5.(50Hz)
4kPa气压下
所有引出端与
外壳之间125
3.4.11耐溶剂
适用。
3.5材料
适用。
3.6设计与结构
SJ50065/2A-2002
除以下规定外,其它要求均按65B规定。3.6.1外形与安装配置尺寸见图1.3.6.2引出端配置和尺寸见图1。3.7可焊性
适用。
3.8密封
适用。允许的最大漏率为1×10-Pa?cm/s。引出端强度
适用。拉力试验条件A,拉力5.0N:弯曲试验条件为C,负载2.5N。3.10标志(双少)
适用。还应标志产品型号。
3.11重量
不大于2.5kg.
3.12加工质量
适用。
3.13玻璃绝缘子
适用。
3.14微粒碰撞哚声检测
适用。
3.15筛选
适用。
3.16寿命
高电平:1×10°次:
低电平:1×10°次。
3.17中等电流
5×10*次。
3.18机械寿命
1×10°次。
4质量保证规定
鉴定检验
鉴定检验表按表3。
检验项目
内部目检和机械检查\
可焊性(3只样品)2)
介质耐电压”
绝缘电阻)
电性能:3)
线圈电阻
静态接触电阻
动作、释放、保持电压
动作和释放时间
触点动态特性
SJ50065/2A—2002
监定检验
本规范
的章条号
3.6,3.12
3.2.3,3.2.4
外部目检和机械检查(仅对2只样品进行尺寸检查)
温度冲击
耐溶剂
冲击(规定脉冲)
报动(正弦)
报动(随机)
微粒碰撞噪声检测
稳态加速度
引出端强度
介质耐电压3)
绝续电阻3
电性能:3)
线圈电阻
静态接触电阻
动作、释放、保持电压
动作和释放时间
触点动态特性
3.6,3.10,
3.11.3.12,
3.4.1,3.4.2
3.2.3,3.2.4
GJB65B
的章条号
3.5,3.28.
3.29,3.30
试验方法
GJB65B
的章条号
4.8.8.1.1
4.8.8.1.1
受检的
样品数
所有样
品加一
只未封
充许的
失效数
磁干扰
线图寿命
耐焊接热
检验项目
勐气(腐蚀)
介质耐电压)
绝缘电阻\)
电性能:3)
线圜电阻
静态接触电阻
动作、释放、保持电压
动作和释放时间
触点动态特性
过负载(最大直流阻性负载较)介质耐电压3
绝续电阻3)
电性能:3)
线图电阻
静态接触电阻
动作、释放、保持电压
动作和释放时间
触点动态特性
寿命”
介质耐电压3)
绝缘电阻\
电性能:
线圈电阻
静态接触电阻
动作、释放、保持电压
动作和释放时间
触点动态特性
SJ50085/2A—2002
表3(续)
本规范
的章条号
3.2.3,3.2.4此内容来自标准下载网
3.2.3,3.2.4
3.2.3,3.2.4
GJB65B
的章条号
试验方法
GJB65B
的章条号
4.8.8.1.1
4.8.8.1.1
4.8.8.1.1
受检的
样品数
L级鉴定
充许的
失效数
中等电流
检验项目
介质耐电压\)
绝续电3)
电性能:3)
线圈电阻
静态接触电阻
动作、释放、保持电压
动作和释放时间
触点动态特性
机械寿命
介质耐电压
绝缘电阻
动作和释放时间
外部目检
SJ50065/2A—2002
表3(续)
本规范
的章条号
3.2.3,3.2.4
3.2.3,3.2.4
3.6,3.10,
注:1)一只未封罩的样品应经受内部检查。求
GJB65B
的章条号
3.5,3.28,
试验方法
GJB65B
的章条号
4.8.8.1.1
2)可焊性试验样品不经受介质耐电压、绝缘电阻、电性能和密封试验。受检的
样品数
充许的
失效数
3)线圈电阻测试可在介质耐电压和绝续电阻试验之前进行,在电性能测试之前的绝续电阻和介质耐电压的试验顺序可以任意,
4)样本大小应在规定的触点额定值之间平均分配,每种触点额定值至少有一只继电器在所有触点上都加额定负载的条件下经受试验。当样品数多于负载种类时,剩余样品应从最大额定值直流负载开始按顺序分配。
5)如果选择的样品数允许1只或者多只失效,则鉴定检验需要的样品数应按GJB65B表2中6组要求增加。
6)中等电流循环速率5次/秒。
4.2质量一致性检验
4.2.1A组检验
A组检验表按表4。
Al\分组
A2分组
A3分组
A4分组
检验项目
报动(正弦)
微粒碰撞噪声检测
筛选,内部潮湿
筛选,运行
介质耐电压2)
绝缘电阻2)
电性能:2)
线圈电阻
静态接触电阻
动作、释放、保持电压
动作和释放时间
触点动态特性
可焊性
外部目检和机械检查)4)
试验应按所示顺序进行,
注:1)
SJ50065/2A—2002
衰4A组检验
本规范
的章条号
3.2.3,3.2.4
3.6,3.10,3.11,
3.12.3.13
GJB65B
的章条号
3.5,3.28,
3.29,3.30
试验方法
GJB65B
的章条号
4.8.8.1.1
受检的
样品数
2只样品
线圈电阻测试可在介质耐电压和绝缘电阻之前进行。电性能测试之前的绝缘电阻和介质耐电压试验顺序可以任意。
诸如标志之类的轻不合格品可以返工。3)
4)任意抽取2只样品进行检查。4.2.2B组检验
B组检验表按表5。
表5B组检验
检验项目
寿命1)
介质耐电压2)
绝缘电阻2)
电性能:2
线圈电阻
静态接触电阻
动作、释放、保持电压
动作和释放时间
触点动态特性
外部目检
本规范的章条号
3.2.3,3.2.4
3.6,3.10,3.12
GJB65B的章条号
3.5,3.28,3.29
试验方法
GJB65B的章条号
4.8.8.1.1
SJ50065/2A—2002
注:1)样品应技照由承制方确定和整定机构批准的预定顾序进行测试,所有负较均应试验,所有负载在一个维持周期(6个月)内不必全部试验,但在两个维持周期内应全部进行试验。2)线圈电阻测试可在介质耐电压和绝缘电阻之前进行:电性能测试之前的绝缘电阻和介质耐电压试验顺序可以任意。
4.2.3C组检验
C组检验表按表6。
表6C组检验
C1分组
(每个月)
C2分组
(每6个月)
检验项目
中等电流\
介质耐电压2)
绝缘电阻3)
电性能,2)
线圈电阻
静态接触电阻
动作、释放、保持电压
动作和释放时间
触点动态特性
外部目检
温度冲击
冲击(规定脉冲)
引出端强度
介质耐电压2)
绝缘电阻2)
电性能:2)
线圈电阻
静态接触电阻
动作、释放、保持电压
动作和释放时间
触点动态特性
外部目检
本规范
的章条号
3.2.3,3.2.4
3.6,3.10,
3.4.1,3.4.2
3.4.5,3.4.6
3.2.3,3.2.4
3.6,3.10,
GJB65B
的章条号
3.5,3.28
3.5,3.28
试验方法
GIB65B
的章条号
4.8.8.1.1
4.8.8.1.1
受检的
样品数
小提示:此标准内容仅展示完整标准里的部分截取内容,若需要完整标准请到上方自行免费下载完整标准文档。
标准图片预览:





- 热门标准
- 行业标准
- SJ50681.65-1994 TNC系列(接半硬电缆)插孔接触件法兰安装2级射频同轴插座连接器详细规范
- SJ/T11247-2001 永磁铁氧体瓦形磁体公差及外形缺陷
- SJ995-75 双动冲床引伸模 落料凹模 引伸凹模
- SJ20792-2000 微通道板光电倍增管测试方法
- SJ1807-1981 2CC120(122、124)~2CC420(422、424)型硅调谐变容二极管
- SJ1553-1980 测温型负温度系数热敏电阻器总技术条件
- SJ3234-1989 电子材料真空放气性能的动态测试方法
- SJ20897-2003 聚对二甲苯气相沉积涂敷工艺规范
- SJ/T1146-1993 电容器用有机薄膜体积电阻率试验方法
- SJ50681.70-1994 N系列(接41.28mm半硬电缆)插孔接触件2级射频同轴插头连接器详细规范
- SJ51428.9-2002 层绞式光缆详细规范
- SJ/T31049-1994 电瓶车完好要求和检查评定方法
- SJ/T10586.3-1994 DW-217型电子玻璃技术数据
- SJ/T10588.12-1994 DB-438型电子玻璃技术数据
- SJ/T10783-1996 电子器件详细规范 半导体集成电路CD7176CP伴音中频放大电路(可供认证用)
- 行业新闻
请牢记:“bzxz.net”即是“标准下载”四个汉字汉语拼音首字母与国际顶级域名“.net”的组合。 ©2025 标准下载网 www.bzxz.net 本站邮件:bzxznet@163.com
网站备案号:湘ICP备2025141790号-2
网站备案号:湘ICP备2025141790号-2