- 您的位置:
- 标准下载网 >>
- 标准分类 >>
- 电子行业标准(SJ) >>
- SJ 50065.4-1996 JRW-130M型有可靠性指标的微型密封直流电磁继电器详细规范
标准号:
SJ 50065.4-1996
标准名称:
JRW-130M型有可靠性指标的微型密封直流电磁继电器详细规范
标准类别:
电子行业标准(SJ)
标准状态:
现行出版语种:
简体中文下载格式:
.rar .pdf下载大小:
364.82 KB
点击下载
标准简介:
标准下载解压密码:www.bzxz.net
SJ 50065.4-1996 JRW-130M型有可靠性指标的微型密封直流电磁继电器详细规范 SJ50065.4-1996
部分标准内容:
中华人民共和国电子行业军用标准FL5945
SJ 50065/4-96
JRW一130M型有可靠性指标的
微型密封直流电磁继电器
详细规范
Detail specification for model JRW-130M microminiatured.c.hermetically sealed electromagnetic relaysestablished reliability
1996-08-30发布
1997-01-01实施
中华人民共和国电子工业部批准中华人民共和国电子行业军用标准JRW一130M型有可靠性指标的微型密封直流电磁继电器详细规范
Detail specirication for model JRW- 13OM, micromindatured,chermeticallysealed,electromagneticrelays, established reliabilitySJ 50065/4-96
本规范规定的继电器,其全部要求由本规范和GJB65A-91《有可靠性指标的电磁继电器总规范)组成。
1范围
1.1主题内容
本规范规定了触点负载从低电平至1.0A,一组转换触点,有可靠性指标的微型密封直流电磁继电器的详细要求。
1.2适用范围
本规范适用于JRW--130M型有可靠性指标的微型密封直流电磁继电器。1.3结构型式、尺寸及分类参数
1.3.1结构型式及尺寸
外形尺寸、安装方式和安装尺寸,引出端型式和尺寸及底视电路图见图1。中华人民共和国电子工业部1996-08-30发布1997.01-01实施
TKAONKAca-
-- 4( 45±0.03
4940mgas
0.80±0.10
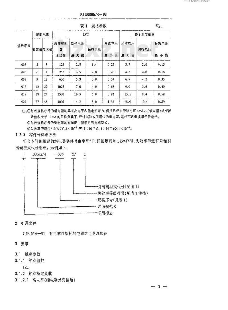
1.3.2规格参数
规格参数见表1。
S50065/4-96
po.45±0 03
引出端技式!
(烯接式)
+5.05=030
0.45±0.03
张出端型式3
(软引线式)
底视串路图
规格序号
线圈电压
线圈电阻
额定值最大值
SI50065/4--96
表1规格参数
动作电压
最大值
保持电压
释放电压
最小值
整个温度范围
动作电压
最大值
保持电正
释放电压
最小值
:①每种规格序号的维电器均具有高电平和低电平能力,但是已经在开路电压6Vd.c.(最大值)或交流值和大于10mA 的阻性负载下,经过试验或使用过的继电器,获议不再继续用于低出平。②每种规格序号的继电器均有如图1所示的引出端型式。?失效率等级(1/10次)Y:3×10-5;W:1×10-3;L:1×10-*;Q:1×10-7。1.3.3零件号标志方法
符合本详细规范的继电器零件号由字母\、详细规范号、规格序号、失效率等级符号和引出端型式代号组成。示例如下:丁
50065/4
2引用文件
引出端型式代号(见图1)
失效率等级符号(见表1注③)
规格序号(见表1)
一详细规范号
一军用标志
GJR65A一91有可靠性指标的电磁继电器总规范3要求
3.1触点参数
3.1.1触点组数
3.1.2触点额定负载
3.1.2.1高电平(继电器外壳接地)3
TYKAOIKAca-
SJ50065/4-96
a.阻性负载:1.0A、28Vd.c.;250mA.115Va.c.(50Hz、400Hz))外壳不接地;100mA、115Va.c.(50Hz.400Hz)1);
b.感性负载:0.2A.28Vd.c.,0.32H;c.灯负载0.1A、28Vd.c.1)。
注;1)寿命试验不要求。
3.1.2.2低电平
1050μA,10~50mV(直流或交流峰值)。3.1.2.3中等电流
适用。
3.1.3接触电阻或压降
初始值:≤0.100。
3.1.3.1高电平
。寿命试验中:接触压降不大于开路电压的5%;b,寿命试验后:≤0.200。
3.1.3.2低电平
:寿命试验中:330;
办。寿命试验后:≤0.150。
3.1.3.3中等电流
a,试验中:≤30;
h.试验后:≤0.200。
3.1.4触点动态特性
a,触点回跳时间:≤1.5ms(适用于Y级失效率):b,触点稳定时间:≤2.0ms(适用于*w\1\,“Q\级失效率)。3.1.5过负载(只适用于高电平)两倍额定电流(不适用于交流负载)。3.2线圈参数
3,2.1 工作方式
连续。
3.2.2规格参数
见表1。
3.2.3动作时间
不大于4.0ms(适用于整个温度范围)。3.2.4释放时间
不大于2.5ms(适用于整个温度范围)。3.2.5线寿命
适用。
3.3绝缘性能
3.3.1绝缘电阻
不小于10000Ma,高温下外壳与线圈间应不小于1000MQ,高电平寿命后应不小于1000M0
SJ 50065/4-96
3.3.2介质耐压
试验电压的施加点和试验电压的大小按表2规定,但在商电平寿命试验之后,其介质附压数值不得低于初始海平面介质压数值的75%。表2介质耐压
外壳、底座与处于激坳与去激励状态下所有触点之间
外壳、底座与线圈之间
所有触点与线围之间
外于邀励与去激励状态下的各断开触点之间
各触点组之间
3.4环境适应性能
3.4.1温度范圈
-65~125C,
3.4.2温度冲击
适用。
3.4.3低气压
3.4.4冲击(规定脉冲)
适用。试验条件B,735m/s2。
3.4.5振动(正弦)
适用。试验条件D,294m/s,10~3000Hz3.4.6振动(随机)
适用。试验条件1,(G)(0.4g/Hz:23.1G)。3.4.7加速度
适用。试验条件A,490m/s。
3.4.8盐气(腐蚀)
适用。
3.4.9磁干扰
适用。
3.4.10耐焊接热
适用。
3.4.11耐溶剂
适用。
3.5材料
适用。
Vr.m.s. (50Hz)
4kPa气压下
所有引出端与外壳之间125
TYKAOIKAca-
3.6设计与结构
SI 50065/4-96
除1.3.1规定外,其它要求均按 GJB 65A规定。3.7可焊性
适用。
3.8密封
允许的最大漏率为1×10-3Pa.cm2/s。3.9引出端强度
适用。其中拉力试验拉力为5N,弯曲试验杀件为C,负载为2.5N。3.10标志(最少)
适用。还应标志产品型号。
3.11重量
不大于2.84×10-3kg
3.12加工质量
适用。
3.13微粒碰撞躁声检测
适用。
3.14筛选
适用。
3.15寿命
a,高电平:105次;
b低电平:105次+9×105次机械寿命3.16中等电流
5×104次。
4质保证规定
4.1鉴定检验
鉴定检验表见表3。
表3鉴定检验
检验项目
筛选、内部潮湿
筛选,运行
外观和机械检查
(内部)\)
可性(3只样品)
绝绿电阻
本规范的条款
3.5,3.6,3.12
GJ班65A的茶款
3.3.3.4,3.28
试验方法
GJB6SA
的条款
受检的样品数
允许的
失效数
检验项目
介质耐压
电性能:
静态接触电
动作、保持和释
放电压
线图电阻
动作和释放时间
触点动态持性
外观和机检查
(外部)(只对2只样
品检查物理尺寸
温度冲击
耐溶剂
冲击(规定脉冲)
握动(正弦)
振动(随机)2)
微粒碰撞噪产检测
加速度
引出端强度
绝缘电阻
介质谢压
电性能:
静态接触电
动作、保护和释
效电压
线圈电
动作和释放时间
触点动态特性
外观和机械检查
(外部)
磁干扰
线圈寿命
耐焊接热
盘气【蚀)
绝缴电阻
介质耐压
本规获的条款
3.3.2.3.4.3
3.5,3.6.3.10
3.11,3.12
3.3.2,3.4.3
3.5,3.6,3.10
3.11,3.12
3.3.2,3.4.3
SI 50065/4--96
续表3
GJB6SA 的条款
3.3,3.4,3.27
3.27.3.28
试验方法
GJB 6SA
的条款
受检的样品数
18只(所有
?样品)加一
只未封罩的“”
允许的
失效数
TKAONTKAca-
检验项目
电性能:
静态接触电阻
动作、保持和释
放电压
线國电阻
动作和辩故时间
触点动态特性
外观和机械检查
(外部)
过负载
寿命3)
引出端度+
绝缘电阻
介质耐压
电性:
静态接触电阻
动作、保持和释
毁國电凰
动悼和释放时间
触点动态特性
窈封*
外观和机械检查
(外部)
中等电流61
绝缘电阻
个质耐压
电性能:
静态接触电阻
动作、保持和
放电压
线国电图
动作和释放时间
触点动态特性
外观和机碱检查
(外部)
本规范的条款
3.5,3.6,3.10
3,11,3.12
3.3.2,3.4.3
3.5,3.6,3.10
3.11,3.12
3.3.2,3.4.3
3.5,3.6,3.10
3.11,3.12
SJ50065/4-96
续表3
例B6SA 的条款
3.3,3.4.3,27
3.3,3.4,3.27
3.3,3.4,3.27
注:1)追如一只未封罩的继电器经受内部检套。2)A组随机掘动试验结果可代替鉴定检验随机振动试验。试验方法
GJB65A
的条款
受检的样品数
允许的
失效数
Y级鉴定
3)将样品数量在规定的融点额定值之间等分,每种触点额定值至少为2只样品,每只样品应只用一种触点额定负载,所有触点加赖定负载。4)已经过最大电流负载试验的4只样品进行引出端强度和密封试验,不允许失效。5)如果选择试验的样品数允许 1 只或多只失效,则鉴定检验蒂要的样品数应按 GJB 65A表2 中 S组的要求增加。
SJ50065/4-96
6)中等电流试验环次数应用于筹命失效率鉴定,循环速率为5次/秒。4.3质量一致性检验
4.3.1A组检验
A组检验表按表4。
表 4A组检验
检验项目
A1分组
适用于“Y\级
筛选,内部潮湿
筛选,运行
适用于W、L、Q级
振动(正兹)
振动(随机)
微粒磁撞噪声检测
筛选、内部潮凝
筛选,运行
A2分组
绝缘电阻\)
介质耐压\
电性能:
静态接触电围
动作、保持和
释放电压
线图电阻
动作和释效时间
触点动态特性
A3分组
可焊性
外观和机械捡查
(外部)3
本规范的条款
3.3.2,3.4.3
3.10,3.11
GJB6SA
的条款
3.27,3,28
试验方法
GJB65A
的条款
4.8.3.2.1
4.8.3.2.2
可接受质量水平
100%检验,期除所有
失效的继电器
100%检验,副除所
[有失效的继电器
100%检验,剔除所有
铁效的继电器,
剔除率不超过5%
100%检验,剔除所
有失效的继电器
100%检验,除所
有失效的继电器*)
注:1)只有绝缘电密,介质耐压试验顺序任意。2)每个试验批中,随机抽取2只样品进行可焊性试验,如果出现失效,则整个检验批返修并第二次随机抽取样品,如果返修工作需要继电器再新进行电镀,则在可焊性试验合格后,该整个检验批应重新提交全部A组检验。如果返修工作只带要引出端进行焊料浸溃,则在可焊性试验合格后,该检验批再提交 A1 分组和 A2 分组试验。3)每批中应对2只样品测量尺寸和重量。4)诸如标志等轻缺陷不合格品可以返修。—9
TKAONKAa-
4.3.2B组检验
B组检验表按见表5。
检验项目
寿命1
绝缘电阻
介质耐压免费标准下载网bzxz
电性能:
静态接触电阻
动作、保持和放
线图电
动作和释放时间
触点动态特性
外观和机械检查
(外部)
SJ 50065/4 - 96
表 5B组检验
本规范的条款
3.3.2,3.4.3
3.5,3,6,3.10
3.11,3.12
GJB65A的条款
3.3,3.4, 3.27
试验方法
GJB65A 的条款
注:1)样品应接下列触点负载的顺序进行试验,第、阻性;第二、感性:第三、低电平,其它负裁顾序任意。每只样品应只用一种触点额定值,在所有触点上加负载进行试验。4.3.3 C组检验
C 组检验表按表 6。
表 6C组检验
检验项目
C1分组(每个月)
中等电流
引出端强度
绝缘电阻
介质耐压
电性能:
静态接触电阻
动作、保持和释
放电压
线国电阻
动作和释放时间
融点动态特性
外观和机械检查
(外部)
本规范的条款
3.3.2,3.4.3
3.5,3. 6,3.10
3.11,3. 12
GJB6SA 的条款
3.3.3.4,3.27
试验方法
GJB65A 的条款
受检的样品数
检验项目
C2分组(每6个月)
锰度冲击1)
冲击(规定脉冲)
振动(正弦)1)
振动(随机)132)
引出端强度
绝缘电阻
介质耐压
电性能:
静态接触电阻
动作、保持和释
放电压
线图电阻
动作和释放时间
触点动态特性
外观和枕横检查
(外部)
C3分组(每6个月)
过负载(最大阻性
负羲)
寿命(最大阻性
负载)
引出端强度
绝缘电阻
介质耐压
电性能:
静态接触电阻
动作、保持和释
放电压
线圈电阻
动作和释放时间
触点动态特性
外观和机械检查
(外部)
本规范的条款
3.3.2,3.4.3
3.5,3.6,3.10
3.11,3.12
3.3.2,3.4.3
3.5.3.6,3.10
3.11,3.12
SJ50065/4-96
续表6
GIB65A的条款
3.3,3.4,3.27
3.3,3.4,3.27
试验方法
GJB65A的条款
受检的样品数
注:1)作为温度冲击试验结果的组成部分,只需要绝缴电阻、动作和释放时间测试结果的书面报告:作 11
TTKAONKAa-
小提示:此标准内容仅展示完整标准里的部分截取内容,若需要完整标准请到上方自行免费下载完整标准文档。
SJ 50065/4-96
JRW一130M型有可靠性指标的
微型密封直流电磁继电器
详细规范
Detail specification for model JRW-130M microminiatured.c.hermetically sealed electromagnetic relaysestablished reliability
1996-08-30发布
1997-01-01实施
中华人民共和国电子工业部批准中华人民共和国电子行业军用标准JRW一130M型有可靠性指标的微型密封直流电磁继电器详细规范
Detail specirication for model JRW- 13OM, micromindatured,chermeticallysealed,electromagneticrelays, established reliabilitySJ 50065/4-96
本规范规定的继电器,其全部要求由本规范和GJB65A-91《有可靠性指标的电磁继电器总规范)组成。
1范围
1.1主题内容
本规范规定了触点负载从低电平至1.0A,一组转换触点,有可靠性指标的微型密封直流电磁继电器的详细要求。
1.2适用范围
本规范适用于JRW--130M型有可靠性指标的微型密封直流电磁继电器。1.3结构型式、尺寸及分类参数
1.3.1结构型式及尺寸
外形尺寸、安装方式和安装尺寸,引出端型式和尺寸及底视电路图见图1。中华人民共和国电子工业部1996-08-30发布1997.01-01实施
TKAONKAca-
-- 4( 45±0.03
4940mgas
0.80±0.10
1.3.2规格参数
规格参数见表1。
S50065/4-96
po.45±0 03
引出端技式!
(烯接式)
+5.05=030
0.45±0.03
张出端型式3
(软引线式)
底视串路图
规格序号
线圈电压
线圈电阻
额定值最大值
SI50065/4--96
表1规格参数
动作电压
最大值
保持电压
释放电压
最小值
整个温度范围
动作电压
最大值
保持电正
释放电压
最小值
:①每种规格序号的维电器均具有高电平和低电平能力,但是已经在开路电压6Vd.c.(最大值)或交流值和大于10mA 的阻性负载下,经过试验或使用过的继电器,获议不再继续用于低出平。②每种规格序号的继电器均有如图1所示的引出端型式。?失效率等级(1/10次)Y:3×10-5;W:1×10-3;L:1×10-*;Q:1×10-7。1.3.3零件号标志方法
符合本详细规范的继电器零件号由字母\、详细规范号、规格序号、失效率等级符号和引出端型式代号组成。示例如下:丁
50065/4
2引用文件
引出端型式代号(见图1)
失效率等级符号(见表1注③)
规格序号(见表1)
一详细规范号
一军用标志
GJR65A一91有可靠性指标的电磁继电器总规范3要求
3.1触点参数
3.1.1触点组数
3.1.2触点额定负载
3.1.2.1高电平(继电器外壳接地)3
TYKAOIKAca-
SJ50065/4-96
a.阻性负载:1.0A、28Vd.c.;250mA.115Va.c.(50Hz、400Hz))外壳不接地;100mA、115Va.c.(50Hz.400Hz)1);
b.感性负载:0.2A.28Vd.c.,0.32H;c.灯负载0.1A、28Vd.c.1)。
注;1)寿命试验不要求。
3.1.2.2低电平
1050μA,10~50mV(直流或交流峰值)。3.1.2.3中等电流
适用。
3.1.3接触电阻或压降
初始值:≤0.100。
3.1.3.1高电平
。寿命试验中:接触压降不大于开路电压的5%;b,寿命试验后:≤0.200。
3.1.3.2低电平
:寿命试验中:330;
办。寿命试验后:≤0.150。
3.1.3.3中等电流
a,试验中:≤30;
h.试验后:≤0.200。
3.1.4触点动态特性
a,触点回跳时间:≤1.5ms(适用于Y级失效率):b,触点稳定时间:≤2.0ms(适用于*w\1\,“Q\级失效率)。3.1.5过负载(只适用于高电平)两倍额定电流(不适用于交流负载)。3.2线圈参数
3,2.1 工作方式
连续。
3.2.2规格参数
见表1。
3.2.3动作时间
不大于4.0ms(适用于整个温度范围)。3.2.4释放时间
不大于2.5ms(适用于整个温度范围)。3.2.5线寿命
适用。
3.3绝缘性能
3.3.1绝缘电阻
不小于10000Ma,高温下外壳与线圈间应不小于1000MQ,高电平寿命后应不小于1000M0
SJ 50065/4-96
3.3.2介质耐压
试验电压的施加点和试验电压的大小按表2规定,但在商电平寿命试验之后,其介质附压数值不得低于初始海平面介质压数值的75%。表2介质耐压
外壳、底座与处于激坳与去激励状态下所有触点之间
外壳、底座与线圈之间
所有触点与线围之间
外于邀励与去激励状态下的各断开触点之间
各触点组之间
3.4环境适应性能
3.4.1温度范圈
-65~125C,
3.4.2温度冲击
适用。
3.4.3低气压
3.4.4冲击(规定脉冲)
适用。试验条件B,735m/s2。
3.4.5振动(正弦)
适用。试验条件D,294m/s,10~3000Hz3.4.6振动(随机)
适用。试验条件1,(G)(0.4g/Hz:23.1G)。3.4.7加速度
适用。试验条件A,490m/s。
3.4.8盐气(腐蚀)
适用。
3.4.9磁干扰
适用。
3.4.10耐焊接热
适用。
3.4.11耐溶剂
适用。
3.5材料
适用。
Vr.m.s. (50Hz)
4kPa气压下
所有引出端与外壳之间125
TYKAOIKAca-
3.6设计与结构
SI 50065/4-96
除1.3.1规定外,其它要求均按 GJB 65A规定。3.7可焊性
适用。
3.8密封
允许的最大漏率为1×10-3Pa.cm2/s。3.9引出端强度
适用。其中拉力试验拉力为5N,弯曲试验杀件为C,负载为2.5N。3.10标志(最少)
适用。还应标志产品型号。
3.11重量
不大于2.84×10-3kg
3.12加工质量
适用。
3.13微粒碰撞躁声检测
适用。
3.14筛选
适用。
3.15寿命
a,高电平:105次;
b低电平:105次+9×105次机械寿命3.16中等电流
5×104次。
4质保证规定
4.1鉴定检验
鉴定检验表见表3。
表3鉴定检验
检验项目
筛选、内部潮湿
筛选,运行
外观和机械检查
(内部)\)
可性(3只样品)
绝绿电阻
本规范的条款
3.5,3.6,3.12
GJ班65A的茶款
3.3.3.4,3.28
试验方法
GJB6SA
的条款
受检的样品数
允许的
失效数
检验项目
介质耐压
电性能:
静态接触电
动作、保持和释
放电压
线图电阻
动作和释放时间
触点动态持性
外观和机检查
(外部)(只对2只样
品检查物理尺寸
温度冲击
耐溶剂
冲击(规定脉冲)
握动(正弦)
振动(随机)2)
微粒碰撞噪产检测
加速度
引出端强度
绝缘电阻
介质谢压
电性能:
静态接触电
动作、保护和释
效电压
线圈电
动作和释放时间
触点动态特性
外观和机械检查
(外部)
磁干扰
线圈寿命
耐焊接热
盘气【蚀)
绝缴电阻
介质耐压
本规获的条款
3.3.2.3.4.3
3.5,3.6.3.10
3.11,3.12
3.3.2,3.4.3
3.5,3.6,3.10
3.11,3.12
3.3.2,3.4.3
SI 50065/4--96
续表3
GJB6SA 的条款
3.3,3.4,3.27
3.27.3.28
试验方法
GJB 6SA
的条款
受检的样品数
18只(所有
?样品)加一
只未封罩的“”
允许的
失效数
TKAONTKAca-
检验项目
电性能:
静态接触电阻
动作、保持和释
放电压
线國电阻
动作和辩故时间
触点动态特性
外观和机械检查
(外部)
过负载
寿命3)
引出端度+
绝缘电阻
介质耐压
电性:
静态接触电阻
动作、保持和释
毁國电凰
动悼和释放时间
触点动态特性
窈封*
外观和机械检查
(外部)
中等电流61
绝缘电阻
个质耐压
电性能:
静态接触电阻
动作、保持和
放电压
线国电图
动作和释放时间
触点动态特性
外观和机碱检查
(外部)
本规范的条款
3.5,3.6,3.10
3,11,3.12
3.3.2,3.4.3
3.5,3.6,3.10
3.11,3.12
3.3.2,3.4.3
3.5,3.6,3.10
3.11,3.12
SJ50065/4-96
续表3
例B6SA 的条款
3.3,3.4.3,27
3.3,3.4,3.27
3.3,3.4,3.27
注:1)追如一只未封罩的继电器经受内部检套。2)A组随机掘动试验结果可代替鉴定检验随机振动试验。试验方法
GJB65A
的条款
受检的样品数
允许的
失效数
Y级鉴定
3)将样品数量在规定的融点额定值之间等分,每种触点额定值至少为2只样品,每只样品应只用一种触点额定负载,所有触点加赖定负载。4)已经过最大电流负载试验的4只样品进行引出端强度和密封试验,不允许失效。5)如果选择试验的样品数允许 1 只或多只失效,则鉴定检验蒂要的样品数应按 GJB 65A表2 中 S组的要求增加。
SJ50065/4-96
6)中等电流试验环次数应用于筹命失效率鉴定,循环速率为5次/秒。4.3质量一致性检验
4.3.1A组检验
A组检验表按表4。
表 4A组检验
检验项目
A1分组
适用于“Y\级
筛选,内部潮湿
筛选,运行
适用于W、L、Q级
振动(正兹)
振动(随机)
微粒磁撞噪声检测
筛选、内部潮凝
筛选,运行
A2分组
绝缘电阻\)
介质耐压\
电性能:
静态接触电围
动作、保持和
释放电压
线图电阻
动作和释效时间
触点动态特性
A3分组
可焊性
外观和机械捡查
(外部)3
本规范的条款
3.3.2,3.4.3
3.10,3.11
GJB6SA
的条款
3.27,3,28
试验方法
GJB65A
的条款
4.8.3.2.1
4.8.3.2.2
可接受质量水平
100%检验,期除所有
失效的继电器
100%检验,副除所
[有失效的继电器
100%检验,剔除所有
铁效的继电器,
剔除率不超过5%
100%检验,剔除所
有失效的继电器
100%检验,除所
有失效的继电器*)
注:1)只有绝缘电密,介质耐压试验顺序任意。2)每个试验批中,随机抽取2只样品进行可焊性试验,如果出现失效,则整个检验批返修并第二次随机抽取样品,如果返修工作需要继电器再新进行电镀,则在可焊性试验合格后,该整个检验批应重新提交全部A组检验。如果返修工作只带要引出端进行焊料浸溃,则在可焊性试验合格后,该检验批再提交 A1 分组和 A2 分组试验。3)每批中应对2只样品测量尺寸和重量。4)诸如标志等轻缺陷不合格品可以返修。—9
TKAONKAa-
4.3.2B组检验
B组检验表按见表5。
检验项目
寿命1
绝缘电阻
介质耐压免费标准下载网bzxz
电性能:
静态接触电阻
动作、保持和放
线图电
动作和释放时间
触点动态特性
外观和机械检查
(外部)
SJ 50065/4 - 96
表 5B组检验
本规范的条款
3.3.2,3.4.3
3.5,3,6,3.10
3.11,3.12
GJB65A的条款
3.3,3.4, 3.27
试验方法
GJB65A 的条款
注:1)样品应接下列触点负载的顺序进行试验,第、阻性;第二、感性:第三、低电平,其它负裁顾序任意。每只样品应只用一种触点额定值,在所有触点上加负载进行试验。4.3.3 C组检验
C 组检验表按表 6。
表 6C组检验
检验项目
C1分组(每个月)
中等电流
引出端强度
绝缘电阻
介质耐压
电性能:
静态接触电阻
动作、保持和释
放电压
线国电阻
动作和释放时间
融点动态特性
外观和机械检查
(外部)
本规范的条款
3.3.2,3.4.3
3.5,3. 6,3.10
3.11,3. 12
GJB6SA 的条款
3.3.3.4,3.27
试验方法
GJB65A 的条款
受检的样品数
检验项目
C2分组(每6个月)
锰度冲击1)
冲击(规定脉冲)
振动(正弦)1)
振动(随机)132)
引出端强度
绝缘电阻
介质耐压
电性能:
静态接触电阻
动作、保持和释
放电压
线图电阻
动作和释放时间
触点动态特性
外观和枕横检查
(外部)
C3分组(每6个月)
过负载(最大阻性
负羲)
寿命(最大阻性
负载)
引出端强度
绝缘电阻
介质耐压
电性能:
静态接触电阻
动作、保持和释
放电压
线圈电阻
动作和释放时间
触点动态特性
外观和机械检查
(外部)
本规范的条款
3.3.2,3.4.3
3.5,3.6,3.10
3.11,3.12
3.3.2,3.4.3
3.5.3.6,3.10
3.11,3.12
SJ50065/4-96
续表6
GIB65A的条款
3.3,3.4,3.27
3.3,3.4,3.27
试验方法
GJB65A的条款
受检的样品数
注:1)作为温度冲击试验结果的组成部分,只需要绝缴电阻、动作和释放时间测试结果的书面报告:作 11
TTKAONKAa-
小提示:此标准内容仅展示完整标准里的部分截取内容,若需要完整标准请到上方自行免费下载完整标准文档。
标准图片预览:





- 热门标准
- 行业标准
- SJ675-1983 DM-346电真空玻璃主要技术数据
- SJ50681.76-1994 SMC系列(不接电缆)插针接触件印制电路板用2级射频同轴插座连接器详细规范
- SJ/T31439-1994 除湿机完好要求和检查评定方法
- SJ/T10588.12-1994 DB-438型电子玻璃技术数据
- SJ1805-1981 2CC126型硅调频变容二极管
- SJ/T31445-1994 热力管道完好要求和检查评定方法
- SJ/T10783-1996 电子器件详细规范 半导体集成电路CD7176CP伴音中频放大电路(可供认证用)
- SJ1553-1980 测温型负温度系数热敏电阻器总技术条件
- SJ2241.7-1982 CWT9J型同心型微调电容器
- SJ2674-1986 电子器件详细规范 低功率非线绕固定电阻器RJ16型金属膜固定电阻器 评定水平E
- SJ3006.3-1988 组合冲模 下圆角刃口
- SJ3003.5-1988 组合冲模 圆形刃口
- SJ50681.70-1994 N系列(接41.28mm半硬电缆)插孔接触件2级射频同轴插头连接器详细规范
- SJ20646-1997 混合集成电路DC/DC变换器测试方法
- SJ/T11251-2001 射频电缆 第3-1部分:数字通信用水平布线同轴电缆-局域网用500m以下、10Mb/s及其以下泡沫介质同轴电缆详细规范
- 行业新闻
请牢记:“bzxz.net”即是“标准下载”四个汉字汉语拼音首字母与国际顶级域名“.net”的组合。 ©2025 标准下载网 www.bzxz.net 本站邮件:bzxznet@163.com
网站备案号:湘ICP备2025141790号-2
网站备案号:湘ICP备2025141790号-2