- 您的位置:
- 标准下载网 >>
- 标准分类 >>
- 电子行业标准(SJ) >>
- SJ 50033.71-1995 半导体分立器件 PIN342型PIN二极管详细规范
标准号:
SJ 50033.71-1995
标准名称:
半导体分立器件 PIN342型PIN二极管详细规范
标准类别:
电子行业标准(SJ)
标准状态:
现行出版语种:
简体中文下载格式:
.rar .pdf下载大小:
89.71 KB
部分标准内容:
中华人民共和国电子行业军用标准FL5961
SJ 50033/71—1995
半导体分立器件
PIN342型PIN二极管详细规范
Semiconductor discrete deviceDetail specification of type PIN342 series for PIN diode1995-05-25发布
1995-12-01实施
中华人民共和国电子工业部批准中华人民共和国电子行业军用标准半导体分立器件
PIN342型PIN二极管详细规范
Sermiconductor diserete devlceDctail specificationof typePIN342seriesforPIN diode1范围
1.1 主题内容
SJ50033/71—1995
本规范规定了PIN342型PIN二极管(以下简称器件)的详细要求。1.2适用范围
本视范适用于器件的研制、生产和采购。1.3分类
本规范根据器件质量保证等级进行分类。1.3.1器件的等级
按GJB33(半导体分立器件总规范》1.3条的规定,提供的质量保证等级为普军、特军和超特军三级。分别用字母GP,GT和 GCT表示。2引用文件
GR6570-86微波二极管测试方法
GIR33-85半导体分立器件总规范GJB128—86半导体分立器件试验方法GIB1557-92半导体分立件微波二极管外形尺寸3要求
3.1详细要求
各项要求应符合GJR33和本规范的规定。3.2设计、结构和外形尺寸
器件的设计、结构和外形尺寸应按GIB33和本规范的规定。3.2.1:引出端材料和涂层
出端上电极为铁镍钻合金,下电极为铜,表面徐层应为金。3.2.2器件结构
外延台面、玻璃钝化、多层金属化电极、芯片上引线采用金丝热压焊,芯片下电极与管座烧结。
中华人民共和国电子工业部1995-05-25发布1995-12-01实施
TKAoNiKAca
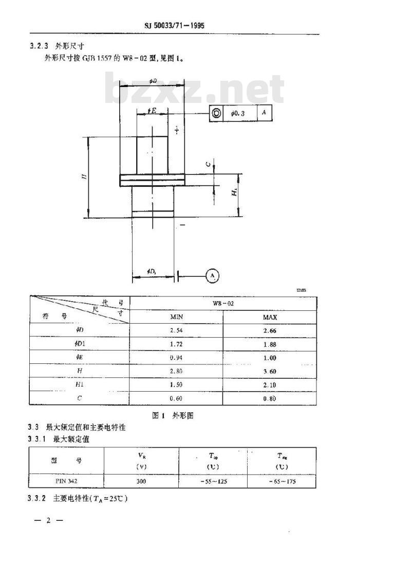
3.2.3外形尺寸
SJ 50033/71-1995
外形尺寸按 G 1557 的 W& -02 型,图 1。心
3.3最大额定值和主要电特性
3.3.1最大额定值
PIN 342
3.3.2主要电特性(TA=25℃)
图1外形图
-55~125
- 65 175
PIN 342
Vr= 300V
3.4电测试要求
Ig - 100mA
f -- 10kHz
SJ 50033/71-1995
Ve = 50V
f= IMH2
鼠小值
最大值
电测试应符合GB6570及本规范的规定。3.5标志
Iμ 10mA
Ir=J00mA
跟小道
殿大值
脉宽1Ums
加热电液
典型值
(p)(nH)下载标准就来标准下载网
典型值典型值
f -- 10MHe
Ip=100mA
典型值
包装盒上的标志应符合GIB33的规定。器件上不打标志,极性按图1的规定:4质量保证规定
4.1捆样和检验
挂样和检验按GJB33的规定。
4.2鉴定检验
鉴定检验按 GJB 33 的规定。
.3筛选(仅对GT和GCT级)
筛选应按GJB33表2和本规范的规定。其测试应按本规范表1的规定进行,超过木规范表1极限值的器件应予剔除。
( GB 33 表 2)
3热冲击
4恒定加速度
a.细检漏
7中间试
8电老化
9最后溅试
4.3.1电老化
试验方法
GJB128
Ta= 150℃,I,=20mA(直流)。
4.4质量致性检验
4.4.1 A 组检验
试和试
除循环20次死,其余同试验条件F。不要求
不要求
IrCuavt
14r|≤0.150
14C/≤0.02pF
其他参数;按本规范表1和A2分组A组检应按GJB33和本规范表1的规定进行。3
TTKAONKAca-
4.4.2B组检验
$J 50033/71-1995
B 组检验应按 GIB 33 和本规范表 2 的规定进行。4.4.3C组检验
C组检应按GJB33和本规范表3的规定进行。4.5检验和试验方法
检验和试验方法应按本规范相应的表的规定表 1 A组检验
查验或试验
At分组
观和死城试验
A2分组
总电容
反向电南
正向微分至阻
A3分起
高温工作
反向电流
抵温工作
反向电流
A4分组
反向恢复时间
查验或试验
B2分组
热冲击(温度循环)
最后测试
B3分组
稳态工作寿命
最后测试:
B6分组
高温老命(不工作)
最后测试
GJB 128
GB 6570
f=1MHz
Vr = 300V
Ir-100mA
F=10kH
TA-125℃
V, - 300V
TA= - 5S
Va = 300V
r=10mA
Ir=100mA
LTPD符
表 2B组检验
GJB128
试验条件F-1
(极限值)≥10mim
试验条件C
见表 4 步显[,2
Ta= t5t.340h,
z=5mA(直流)
见表4步骤1、3
TA175t,340h
见表4步骤1.3
极限值
最小值最人
检验或试验
cl分组
外形尺寸
C2分纪
热浒击(玻璃应力)
粗检漏
综合温度/湿度周期
外观及机械检验
最后测试:
C3分组
变频振动
最后测试:
C4分组
盐气(要求时)
C5 分组
低气压
(要求时)
C6分组
稳态工作寿命
最后测试:
反向电液
正向微分电祖
正向徽分电群
变化量
5交货准备
5.1包装要求
SI 50033/71-1995
表 3 C组检验
GJB128
见图!
试验涤件 A
试验条件C
省略项处理
见表4步1、2
14700m/s(1500g), 0. Sms
在X,YZ的每个方上冲击5次
见表 4步募1,2
试验条件C
T=851000hI=5mA(直流)
见表4步骤1,3
表 4 B 组和 C组的测试
GB657U
VR= 30V
Ip= 100mA,
f10kHe
I,=100mA.
f- 10kiz
4= 10
最小道最大俏
-rKAONKAca-
包装要求应按GJB33的规定。
5.2贮存要求
贮存要求应接GIB33的规定。
5.3运输要求
运输要求应按 GJB 33的规定
6说明事项
6.1预定途
SJ 50033/71-1995
符令本规范的器件供新设备设计使用和供现有设备的后對保障用。6.2订货资料
合同或订货单应规定下列内容:a.本规范的名称和编号;
b、等级(见1.3.1);
c.数量:
l需要时,其他要求。
6.3对号[!端材料和涂层有特殊要求时,应在合同或订货单中规定(见3.2.1)。如使用单位需要时,典型特性典线等可在合同或订货单中规定。附加说明:
本规范由中国电子技术标准化研究所归口。本规范由电子工业部篇五十五研究所负责起草。本规范主起草人:吴逵、林轩、金贵永。计划项目代号:B21023。
YIKAONIKAca-
小提示:此标准内容仅展示完整标准里的部分截取内容,若需要完整标准请到上方自行免费下载完整标准文档。
SJ 50033/71—1995
半导体分立器件
PIN342型PIN二极管详细规范
Semiconductor discrete deviceDetail specification of type PIN342 series for PIN diode1995-05-25发布
1995-12-01实施
中华人民共和国电子工业部批准中华人民共和国电子行业军用标准半导体分立器件
PIN342型PIN二极管详细规范
Sermiconductor diserete devlceDctail specificationof typePIN342seriesforPIN diode1范围
1.1 主题内容
SJ50033/71—1995
本规范规定了PIN342型PIN二极管(以下简称器件)的详细要求。1.2适用范围
本视范适用于器件的研制、生产和采购。1.3分类
本规范根据器件质量保证等级进行分类。1.3.1器件的等级
按GJB33(半导体分立器件总规范》1.3条的规定,提供的质量保证等级为普军、特军和超特军三级。分别用字母GP,GT和 GCT表示。2引用文件
GR6570-86微波二极管测试方法
GIR33-85半导体分立器件总规范GJB128—86半导体分立器件试验方法GIB1557-92半导体分立件微波二极管外形尺寸3要求
3.1详细要求
各项要求应符合GJR33和本规范的规定。3.2设计、结构和外形尺寸
器件的设计、结构和外形尺寸应按GIB33和本规范的规定。3.2.1:引出端材料和涂层
出端上电极为铁镍钻合金,下电极为铜,表面徐层应为金。3.2.2器件结构
外延台面、玻璃钝化、多层金属化电极、芯片上引线采用金丝热压焊,芯片下电极与管座烧结。
中华人民共和国电子工业部1995-05-25发布1995-12-01实施
TKAoNiKAca
3.2.3外形尺寸
SJ 50033/71-1995
外形尺寸按 G 1557 的 W& -02 型,图 1。心
3.3最大额定值和主要电特性
3.3.1最大额定值
PIN 342
3.3.2主要电特性(TA=25℃)
图1外形图
-55~125
- 65 175
PIN 342
Vr= 300V
3.4电测试要求
Ig - 100mA
f -- 10kHz
SJ 50033/71-1995
Ve = 50V
f= IMH2
鼠小值
最大值
电测试应符合GB6570及本规范的规定。3.5标志
Iμ 10mA
Ir=J00mA
跟小道
殿大值
脉宽1Ums
加热电液
典型值
(p)(nH)下载标准就来标准下载网
典型值典型值
f -- 10MHe
Ip=100mA
典型值
包装盒上的标志应符合GIB33的规定。器件上不打标志,极性按图1的规定:4质量保证规定
4.1捆样和检验
挂样和检验按GJB33的规定。
4.2鉴定检验
鉴定检验按 GJB 33 的规定。
.3筛选(仅对GT和GCT级)
筛选应按GJB33表2和本规范的规定。其测试应按本规范表1的规定进行,超过木规范表1极限值的器件应予剔除。
( GB 33 表 2)
3热冲击
4恒定加速度
a.细检漏
7中间试
8电老化
9最后溅试
4.3.1电老化
试验方法
GJB128
Ta= 150℃,I,=20mA(直流)。
4.4质量致性检验
4.4.1 A 组检验
试和试
除循环20次死,其余同试验条件F。不要求
不要求
IrCuavt
14r|≤0.150
14C/≤0.02pF
其他参数;按本规范表1和A2分组A组检应按GJB33和本规范表1的规定进行。3
TTKAONKAca-
4.4.2B组检验
$J 50033/71-1995
B 组检验应按 GIB 33 和本规范表 2 的规定进行。4.4.3C组检验
C组检应按GJB33和本规范表3的规定进行。4.5检验和试验方法
检验和试验方法应按本规范相应的表的规定表 1 A组检验
查验或试验
At分组
观和死城试验
A2分组
总电容
反向电南
正向微分至阻
A3分起
高温工作
反向电流
抵温工作
反向电流
A4分组
反向恢复时间
查验或试验
B2分组
热冲击(温度循环)
最后测试
B3分组
稳态工作寿命
最后测试:
B6分组
高温老命(不工作)
最后测试
GJB 128
GB 6570
f=1MHz
Vr = 300V
Ir-100mA
F=10kH
TA-125℃
V, - 300V
TA= - 5S
Va = 300V
r=10mA
Ir=100mA
LTPD符
表 2B组检验
GJB128
试验条件F-1
(极限值)≥10mim
试验条件C
见表 4 步显[,2
Ta= t5t.340h,
z=5mA(直流)
见表4步骤1、3
TA175t,340h
见表4步骤1.3
极限值
最小值最人
检验或试验
cl分组
外形尺寸
C2分纪
热浒击(玻璃应力)
粗检漏
综合温度/湿度周期
外观及机械检验
最后测试:
C3分组
变频振动
最后测试:
C4分组
盐气(要求时)
C5 分组
低气压
(要求时)
C6分组
稳态工作寿命
最后测试:
反向电液
正向微分电祖
正向徽分电群
变化量
5交货准备
5.1包装要求
SI 50033/71-1995
表 3 C组检验
GJB128
见图!
试验涤件 A
试验条件C
省略项处理
见表4步1、2
14700m/s(1500g), 0. Sms
在X,YZ的每个方上冲击5次
见表 4步募1,2
试验条件C
T=851000hI=5mA(直流)
见表4步骤1,3
表 4 B 组和 C组的测试
GB657U
VR= 30V
Ip= 100mA,
f10kHe
I,=100mA.
f- 10kiz
4= 10
最小道最大俏
-rKAONKAca-
包装要求应按GJB33的规定。
5.2贮存要求
贮存要求应接GIB33的规定。
5.3运输要求
运输要求应按 GJB 33的规定
6说明事项
6.1预定途
SJ 50033/71-1995
符令本规范的器件供新设备设计使用和供现有设备的后對保障用。6.2订货资料
合同或订货单应规定下列内容:a.本规范的名称和编号;
b、等级(见1.3.1);
c.数量:
l需要时,其他要求。
6.3对号[!端材料和涂层有特殊要求时,应在合同或订货单中规定(见3.2.1)。如使用单位需要时,典型特性典线等可在合同或订货单中规定。附加说明:
本规范由中国电子技术标准化研究所归口。本规范由电子工业部篇五十五研究所负责起草。本规范主起草人:吴逵、林轩、金贵永。计划项目代号:B21023。
YIKAONIKAca-
小提示:此标准内容仅展示完整标准里的部分截取内容,若需要完整标准请到上方自行免费下载完整标准文档。
标准图片预览:





- 热门标准
- 行业标准
- SJ3166-1988 GZS12-4-3型彩色显像管插座
- SJ2534.10-1986 天线测试方法 功率增益和方向性的测量
- SJ2857.2-1988 温差电致冷材料性能的测试方法 电导率的测试方法
- SJ2879-1988 彩色电视接收机用色纯静会聚磁体组合件总规范
- SJ/T31063-1994 TCM-B三氯乙烯清洗机完好要求和检查评定方法
- SJ/T10401-1993 半导体集成音响电路马达稳速电路测试方法的基本原理
- SJ/T11010-1996 电子器件详细规范 半导体电视集成电路CD1124ACP伴音中频放大电路
- SJ/T11088-1996 电子器件详细规范 半导体集成电路CD7680CP图象伴音中频放大电路
- SJ/Z9010.27-1987 电子管电性能的测试 第27部分:发射管中相互调制分量的测试方法
- SJ2253-1982 阴极碳酸盐颗粒度的测定方法
- SJ20599-1996 推拉钨丝规范
- SJ/T9546-1993 无金属化孔单、双面印制板的质量分等标准
- SJ/T10038-1991 电子器件详细规范 半导体集成电路CC4008型CMOS4位二进制超前进位全加器
- SJ/T11332-2006 数字电视接收设备接口规范 第6部分:RGB模拟基色视频信号接口
- SJ/T31168-1994 发射管电性能测试电源完好要求和检查评定方法
- 行业新闻
请牢记:“bzxz.net”即是“标准下载”四个汉字汉语拼音首字母与国际顶级域名“.net”的组合。 ©2025 标准下载网 www.bzxz.net 本站邮件:bzxznet@163.com
网站备案号:湘ICP备2025141790号-2
网站备案号:湘ICP备2025141790号-2