- 您的位置:
- 标准下载网 >>
- 标准分类 >>
- 电子行业标准(SJ) >>
- SJ 50033.67-1995 半导体分立器件 3DD103型高压低频大功率晶体管详细规范
标准号:
SJ 50033.67-1995
标准名称:
半导体分立器件 3DD103型高压低频大功率晶体管详细规范
标准类别:
电子行业标准(SJ)
标准状态:
现行出版语种:
简体中文下载格式:
.rar .pdf下载大小:
138.28 KB
点击下载
标准简介:
标准下载解压密码:www.bzxz.net
SJ 50033.67-1995 半导体分立器件 3DD103型高压低频大功率晶体管详细规范 SJ50033.67-1995
部分标准内容:
中华人民共和国电子行业军用标准FL 5961
SJ50033/671995
半导体分立器件
3DD103型高压低频大功率晶体管详细规范
Semiconductor discrete deviceDetail specification for type 3DD103high --yoltage low-freguency and high--power transistor1995-05-25发布
1995-12-01实施
中华人民共和国电子工业部批准中华人民共和国电子行业军用标准半导体分立器件
3DD103型高压低频大功率晶体管详细规范
Serniconductor discrete deviccDetail specification for type 3DD103high - voltage, low - frequency and high-powcr transistor1范围
1.1主题内容
SI50033/67-1995
本规范规定了3DD103A一E型高反压低频大功率晶体管(以下简称器件)的详细要求。1.2 适用范国
本规范适用于器件的研究、生产和采购。1.3分类
本规范根据器件质量保证等级进行分类。1.3.1器件的等级
GJB33<半导体分立器件总规范)1.3的规定,提供的质量保证等级为普军、特军和超特军三级,分别用字母 GP、GT 和 GCT 麦示。2引用文件
GB 4587-84双极型晶体管测试方法GB 7581--87
GJB 33—85
GJB128—86
3要求
3.1详细要求
半导体分立件外形尺计
半导体分立馨件总规范
半导体分立器件试验方法
各项要求应按GJB33和本规范的规定。3.2设计、结构和外形尺寸
器件的设计、结构和外形尺小应按GJB33和本规范的规定。3.2.1号出端材料和涂层
引出端材料应为可伐,引出端表面应为锡层或镍层。中华人民共和国电子工业部1995-0525发布1995-12-01实施
TKAONKAca
3.2.2器件结构
采用扩散台面或外延台面结构。3.2.3外形尺寸
$J 50033/671995
外形尺寸应符合GB7581的E2-01C型及如下的规定。见图1。ea.59x@z
1-基极
2一发射极
集电极接外壳
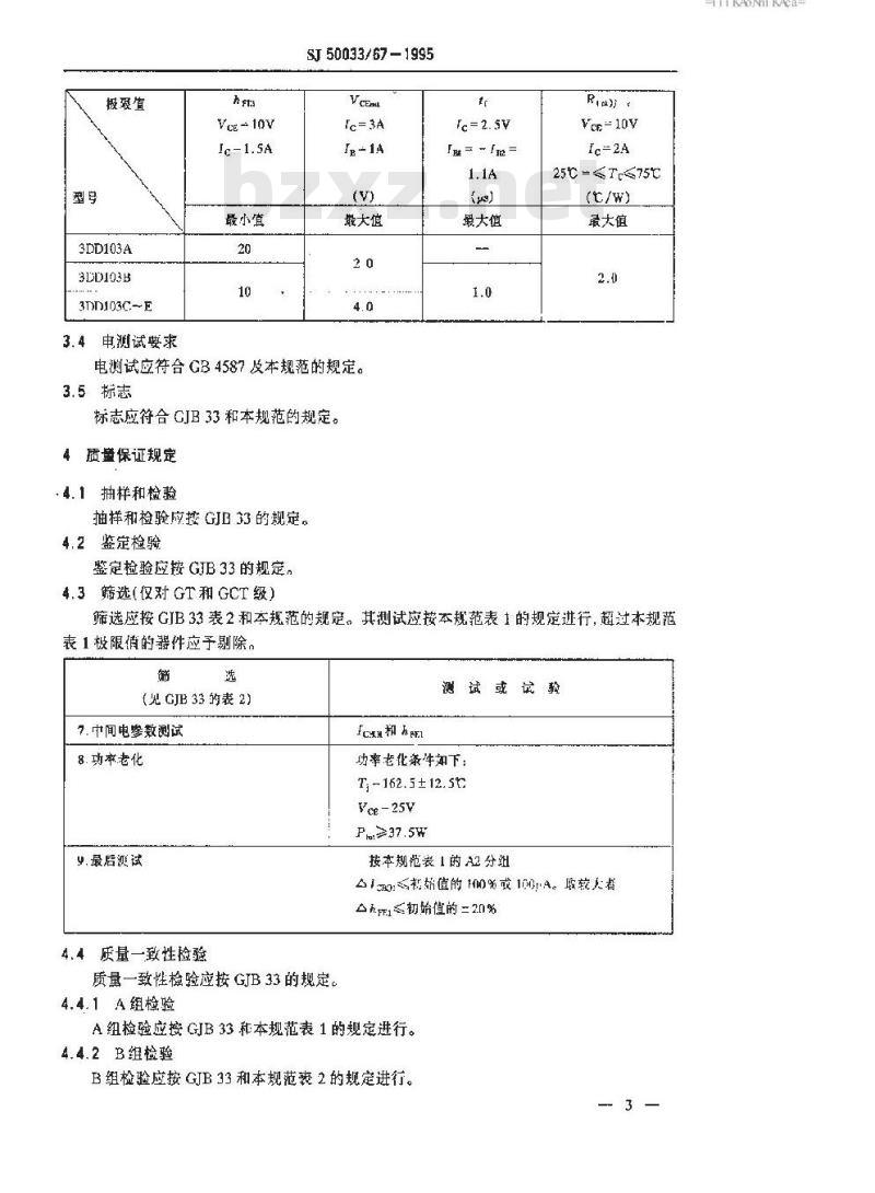
3.3最大额定值和主要电特性
3.3.1最大额定值
re=25t
3DDI03A
3DD103B
3DD103C
3DD103D
3LD103E
图13DDI03外形图
注:1)T。>25℃时按0.3W/C的速率线性地降额。3.3.2主要电特性(TA=25℃)
B2 - 01C
55--175
极跟值
3DD103A
3LD103B
3DD103C-E
3.4电测试要求
Vce - 10V
最小值
SJ 50033/67-1995
最大候
电测试应符合GB4587及本规范的规定。3.5标志
标志应符合GJB33和本规范的规定。质童保证规定
4.1抽样和检验
抽样和检验应按 GJB 33 的规定。4.2监定检验
鉴定检验应按GIB 33的规定。
4.3筛选(仅对GT和GCT级)
μ= ~ Ie =
最大值
Vee-10V
25℃-≤T≤75℃
最大值
筛选应按GIB33表2和本规范的规定。其测试应按本规范表1的规定进行,超过本规范表1极限值的器件应予剔除。
(GJB33的表2)
7.中间电参数测试
8.功率老化
y.最后汉试
4.4质量一致性检验
质量一致性检验应按GJB 33的规定。4.4.1A组检验
Ican和hpEl
测试或试验
功率老化条牛如下:
T,~162.5±12.5r
Vce-25V
Pr2≥37.5W
按本规范表1的A2分组
么10:多初始值的 H00%或 100mA。取较大者△FF1≤初始值的=20%
A组检验应按GIB33和本规范表1的规定进行。4.4.2B组检验
B组检验应按GIB 33和本规范表2的规定进行。3
TTKAONKACa-
4.4.3C组检验
SJ50033/67-1995
C组检验应控GJB33和本规范表3的规定进行。4.5检验方法
检验方法应按本规范根应的表和下列规定:4.5.1脉冲测试
脉冲测试条件应按GJB128的3.3.2.1的规定。表 1 A组检验
检验或试验
Al分组
列观及机械检验
A2分组
集电极一基板
击穿电压
3DDI03A
3DDI03B
3DD103L
3DD103E
集电极—-发射圾
击穿电压
3DD103A
3DD103B
3DD103C
3DDI03T
3DD103E
发射极一基极
击穿电玉
3DD103A~C
3DDI03D-E
巢电极一基极
载止电流
表电板一发射掘
截上电缆
集电披一发射摄
饱和电压
3DD103A--B
3DD103C-E
本规范
附录 A
正向电腹传输比
3DD103A
3DD103B-E
GE4587
发射极一基极开路;
1c=0.15mA
发射极一基极开路;
Ic=5mA
集电极一基极开路;
Ir-3mA
发射极一基极开路:
Vce- Vent
发射极一基极并:
Vce=0.5Vomo
脉冲法(见4.5.1)
Vez- 10V
: Ic=1.5A
脉冲法(见 4.5. 1)
LTPE符
V(HRILEI
V(nKER)
被限值
最小值最大值
检验或试验
A3 分组
高温工作:
巢电极一基极
截上电流
低温工推:
正向电流传输比
3DD103A
3LD103B~E
A4分组
下降时间
A5分组
安全工作区
(直流)
试验】
试验2
试验 3
3DD103A
3DEI03B
3DD103C
SOD103D
3D103E
最后测试:
附景 A
SJ50033/67-1995
续表1
GE 4S87
TA=125 ±5C
发射极一基极开路:
Vcr=0.7Va
TA= -5SC
Vehlov
脉冲法(4.5.1)
[^= - Im=1.1A
Te=25r
1= 1s,单次
Vee=25V
fe= 3A
Ve-50V
Vte -200V
Ic=12mmA
VeE=300V
Ie=58mA
Vur=400V
Ic=34mA
Ver =600V
Ic=17mA
VcE-800V
lc=10mA
见表 4步骤1和 3
极限值
最小值最大值
TKAONKAca
检验或试验
131 分组
可煜性
标志耐久性
B2 分组
热冲士
【溢度循环】
a.细检凝
b.粗检漏
最后测试:
3 分组
稳态工作寿命
最后测试:
滋分组
[仅对 GCT 级]】
并幅内部目检
【设计核实】
键合强产
荫分组
高温荐
【非上作状变】
最后谢试:
检验或试验
C1分组
外形尺寸
2分组
热冲击
(豉璃应力)
引出端强度
a.细检漏
SJ50033/67-1995
表2B组检验
GJB128
妖温-55℃
其余为试验条件 F
试验条件H
试验条件 F
见表4步骤1和3
T =162.5 ± 12.5t
Vee =25V
Pm2237.5W
见表4步2和4
试验条件A
TA=175 C
见表 4 步骤2 和 4
表 3C组检验
GJB128
见图!
试验条件B
试验条件A
外加力:20N
时间:10g
受试引出蝙效:2
试验条件H
每批一个器件,
0失效
20(C= 0)
极限值
最小值最大值
检验或试验
b.相检漏
终合温度/避度下载标准就来标准下载网
周期试验
观改机械检验
最后测试:
C3 分组
变题振动
恒定加速宽
最后测试:
C4分组
(适用时)
盐气[侵蚀】
C6分组
稳态工作寿命
最后测试;
C8分组
GB 4S87
S/50033/67-1995
续表 3
GJB128
试验象 F
见表 4 步骤 1 和 3
见表4步骤1 和 3
T=162.5±12.5C
VeE-25V
见表4步2和4
Ve - 10V
符号國
表4A组、B组和C组最后测试
GB4587
集电极一基极截止
集电一基极截止
正向电流传撤比
3DD103A
3DD103B·-E
正向电流传输比
发射圾一基极开路,
Ven= Veo
发射极一基极开站;
Vea- Yoo
脉冲法(见4.5.1)
Vee = l0V
Fe= 1. 5A
脉冲法(见4.5.1)
注:1)本测试超过 A组极限值的器件不应接收。鹤号
极限值
最小值最大镇
极限值
最小值最大值
初始值的±25%
TTKAONKAca
5交货准备
5.1包装要求
包装要求应按GIB33的规定。
5.2贮存要求
贮存要求应按GIB33的视定。
5.3运输求
运输要求应GJ333的规定。
6说明事项
6.1预定用途
S.I 50033/67-1995
符合本规范的器件供新设备设计使用和供现有的后药保障用。6.2订货资料
合同或订货单应规定下列内容:a本规范的名称及编号:
b,等级(见[.3.1);
e数量:
d需要时,其他要求。
6.3对引出端树料和涂层有特殊要求时,应在合同或订货单中规定(见3.2.1)。6.4如需要时,典型待性曲线等可在合同或订货单中规定。6.5直流安全工作区见图2。
+3CDI03A
3DD103B+
3DD103C
3nDi03E
集电吸一发射极电压Vr(V)
图23DD103的直流安至上作区
附录A(标准的附录)
A1自的
集电极一发射极击穿电压测试方法本测试的目的是为了在规定的条件下,确定器件的击穿电压是否大于规定的最低极限。A2
测试电路图
图A1集电极发射极击穿电压测试电路注:在测试电流时,电流表的接头之间实际上可看成短路.或对电乐表读数作因电流表压障的校正。焦3测试步骤
限流电组RI应足够大,以避免过度的电流流过晶体管和电流表。施加规定的偏置条件,增加电压直到规定的测试电流。如果在规定的测试电流下所加的电压大于Y(BR)CEo的最纸极限,器件为合格。本测试方法用于表现器件的负阻击穿特性,在这种情况下必须使晶体管的集电极电流及结温保持在安全值以内。
A4规定条件
环境温度TA
测试电流Icn
附加说明:
本规范由中国电子技术标准化研究所归口。本规范由中国电子技术标准化研究所负责起草。本规范主要起草人:蔡仁明、张滨。计划项目代号:E21008。
TKAoNiKAca
小提示:此标准内容仅展示完整标准里的部分截取内容,若需要完整标准请到上方自行免费下载完整标准文档。
SJ50033/671995
半导体分立器件
3DD103型高压低频大功率晶体管详细规范
Semiconductor discrete deviceDetail specification for type 3DD103high --yoltage low-freguency and high--power transistor1995-05-25发布
1995-12-01实施
中华人民共和国电子工业部批准中华人民共和国电子行业军用标准半导体分立器件
3DD103型高压低频大功率晶体管详细规范
Serniconductor discrete deviccDetail specification for type 3DD103high - voltage, low - frequency and high-powcr transistor1范围
1.1主题内容
SI50033/67-1995
本规范规定了3DD103A一E型高反压低频大功率晶体管(以下简称器件)的详细要求。1.2 适用范国
本规范适用于器件的研究、生产和采购。1.3分类
本规范根据器件质量保证等级进行分类。1.3.1器件的等级
GJB33<半导体分立器件总规范)1.3的规定,提供的质量保证等级为普军、特军和超特军三级,分别用字母 GP、GT 和 GCT 麦示。2引用文件
GB 4587-84双极型晶体管测试方法GB 7581--87
GJB 33—85
GJB128—86
3要求
3.1详细要求
半导体分立件外形尺计
半导体分立馨件总规范
半导体分立器件试验方法
各项要求应按GJB33和本规范的规定。3.2设计、结构和外形尺寸
器件的设计、结构和外形尺小应按GJB33和本规范的规定。3.2.1号出端材料和涂层
引出端材料应为可伐,引出端表面应为锡层或镍层。中华人民共和国电子工业部1995-0525发布1995-12-01实施
TKAONKAca
3.2.2器件结构
采用扩散台面或外延台面结构。3.2.3外形尺寸
$J 50033/671995
外形尺寸应符合GB7581的E2-01C型及如下的规定。见图1。ea.59x@z
1-基极
2一发射极
集电极接外壳
3.3最大额定值和主要电特性
3.3.1最大额定值
re=25t
3DDI03A
3DD103B
3DD103C
3DD103D
3LD103E
图13DDI03外形图
注:1)T。>25℃时按0.3W/C的速率线性地降额。3.3.2主要电特性(TA=25℃)
B2 - 01C
55--175
极跟值
3DD103A
3LD103B
3DD103C-E
3.4电测试要求
Vce - 10V
最小值
SJ 50033/67-1995
最大候
电测试应符合GB4587及本规范的规定。3.5标志
标志应符合GJB33和本规范的规定。质童保证规定
4.1抽样和检验
抽样和检验应按 GJB 33 的规定。4.2监定检验
鉴定检验应按GIB 33的规定。
4.3筛选(仅对GT和GCT级)
μ= ~ Ie =
最大值
Vee-10V
25℃-≤T≤75℃
最大值
筛选应按GIB33表2和本规范的规定。其测试应按本规范表1的规定进行,超过本规范表1极限值的器件应予剔除。
(GJB33的表2)
7.中间电参数测试
8.功率老化
y.最后汉试
4.4质量一致性检验
质量一致性检验应按GJB 33的规定。4.4.1A组检验
Ican和hpEl
测试或试验
功率老化条牛如下:
T,~162.5±12.5r
Vce-25V
Pr2≥37.5W
按本规范表1的A2分组
么10:多初始值的 H00%或 100mA。取较大者△FF1≤初始值的=20%
A组检验应按GIB33和本规范表1的规定进行。4.4.2B组检验
B组检验应按GIB 33和本规范表2的规定进行。3
TTKAONKACa-
4.4.3C组检验
SJ50033/67-1995
C组检验应控GJB33和本规范表3的规定进行。4.5检验方法
检验方法应按本规范根应的表和下列规定:4.5.1脉冲测试
脉冲测试条件应按GJB128的3.3.2.1的规定。表 1 A组检验
检验或试验
Al分组
列观及机械检验
A2分组
集电极一基板
击穿电压
3DDI03A
3DDI03B
3DD103L
3DD103E
集电极—-发射圾
击穿电压
3DD103A
3DD103B
3DD103C
3DDI03T
3DD103E
发射极一基极
击穿电玉
3DD103A~C
3DDI03D-E
巢电极一基极
载止电流
表电板一发射掘
截上电缆
集电披一发射摄
饱和电压
3DD103A--B
3DD103C-E
本规范
附录 A
正向电腹传输比
3DD103A
3DD103B-E
GE4587
发射极一基极开路;
1c=0.15mA
发射极一基极开路;
Ic=5mA
集电极一基极开路;
Ir-3mA
发射极一基极开路:
Vce- Vent
发射极一基极并:
Vce=0.5Vomo
脉冲法(见4.5.1)
Vez- 10V
: Ic=1.5A
脉冲法(见 4.5. 1)
LTPE符
V(HRILEI
V(nKER)
被限值
最小值最大值
检验或试验
A3 分组
高温工作:
巢电极一基极
截上电流
低温工推:
正向电流传输比
3DD103A
3LD103B~E
A4分组
下降时间
A5分组
安全工作区
(直流)
试验】
试验2
试验 3
3DD103A
3DEI03B
3DD103C
SOD103D
3D103E
最后测试:
附景 A
SJ50033/67-1995
续表1
GE 4S87
TA=125 ±5C
发射极一基极开路:
Vcr=0.7Va
TA= -5SC
Vehlov
脉冲法(4.5.1)
[^= - Im=1.1A
Te=25r
1= 1s,单次
Vee=25V
fe= 3A
Ve-50V
Vte -200V
Ic=12mmA
VeE=300V
Ie=58mA
Vur=400V
Ic=34mA
Ver =600V
Ic=17mA
VcE-800V
lc=10mA
见表 4步骤1和 3
极限值
最小值最大值
TKAONKAca
检验或试验
131 分组
可煜性
标志耐久性
B2 分组
热冲士
【溢度循环】
a.细检凝
b.粗检漏
最后测试:
3 分组
稳态工作寿命
最后测试:
滋分组
[仅对 GCT 级]】
并幅内部目检
【设计核实】
键合强产
荫分组
高温荐
【非上作状变】
最后谢试:
检验或试验
C1分组
外形尺寸
2分组
热冲击
(豉璃应力)
引出端强度
a.细检漏
SJ50033/67-1995
表2B组检验
GJB128
妖温-55℃
其余为试验条件 F
试验条件H
试验条件 F
见表4步骤1和3
T =162.5 ± 12.5t
Vee =25V
Pm2237.5W
见表4步2和4
试验条件A
TA=175 C
见表 4 步骤2 和 4
表 3C组检验
GJB128
见图!
试验条件B
试验条件A
外加力:20N
时间:10g
受试引出蝙效:2
试验条件H
每批一个器件,
0失效
20(C= 0)
极限值
最小值最大值
检验或试验
b.相检漏
终合温度/避度下载标准就来标准下载网
周期试验
观改机械检验
最后测试:
C3 分组
变题振动
恒定加速宽
最后测试:
C4分组
(适用时)
盐气[侵蚀】
C6分组
稳态工作寿命
最后测试;
C8分组
GB 4S87
S/50033/67-1995
续表 3
GJB128
试验象 F
见表 4 步骤 1 和 3
见表4步骤1 和 3
T=162.5±12.5C
VeE-25V
见表4步2和4
Ve - 10V
符号國
表4A组、B组和C组最后测试
GB4587
集电极一基极截止
集电一基极截止
正向电流传撤比
3DD103A
3DD103B·-E
正向电流传输比
发射圾一基极开路,
Ven= Veo
发射极一基极开站;
Vea- Yoo
脉冲法(见4.5.1)
Vee = l0V
Fe= 1. 5A
脉冲法(见4.5.1)
注:1)本测试超过 A组极限值的器件不应接收。鹤号
极限值
最小值最大镇
极限值
最小值最大值
初始值的±25%
TTKAONKAca
5交货准备
5.1包装要求
包装要求应按GIB33的规定。
5.2贮存要求
贮存要求应按GIB33的视定。
5.3运输求
运输要求应GJ333的规定。
6说明事项
6.1预定用途
S.I 50033/67-1995
符合本规范的器件供新设备设计使用和供现有的后药保障用。6.2订货资料
合同或订货单应规定下列内容:a本规范的名称及编号:
b,等级(见[.3.1);
e数量:
d需要时,其他要求。
6.3对引出端树料和涂层有特殊要求时,应在合同或订货单中规定(见3.2.1)。6.4如需要时,典型待性曲线等可在合同或订货单中规定。6.5直流安全工作区见图2。
+3CDI03A
3DD103B+
3DD103C
3nDi03E
集电吸一发射极电压Vr(V)
图23DD103的直流安至上作区
附录A(标准的附录)
A1自的
集电极一发射极击穿电压测试方法本测试的目的是为了在规定的条件下,确定器件的击穿电压是否大于规定的最低极限。A2
测试电路图
图A1集电极发射极击穿电压测试电路注:在测试电流时,电流表的接头之间实际上可看成短路.或对电乐表读数作因电流表压障的校正。焦3测试步骤
限流电组RI应足够大,以避免过度的电流流过晶体管和电流表。施加规定的偏置条件,增加电压直到规定的测试电流。如果在规定的测试电流下所加的电压大于Y(BR)CEo的最纸极限,器件为合格。本测试方法用于表现器件的负阻击穿特性,在这种情况下必须使晶体管的集电极电流及结温保持在安全值以内。
A4规定条件
环境温度TA
测试电流Icn
附加说明:
本规范由中国电子技术标准化研究所归口。本规范由中国电子技术标准化研究所负责起草。本规范主要起草人:蔡仁明、张滨。计划项目代号:E21008。
TKAoNiKAca
小提示:此标准内容仅展示完整标准里的部分截取内容,若需要完整标准请到上方自行免费下载完整标准文档。
标准图片预览:





- 热门标准
- 行业标准
- SJ3166-1988 GZS12-4-3型彩色显像管插座
- SJ2534.10-1986 天线测试方法 功率增益和方向性的测量
- SJ2857.2-1988 温差电致冷材料性能的测试方法 电导率的测试方法
- SJ2879-1988 彩色电视接收机用色纯静会聚磁体组合件总规范
- SJ/T31063-1994 TCM-B三氯乙烯清洗机完好要求和检查评定方法
- SJ/T11010-1996 电子器件详细规范 半导体电视集成电路CD1124ACP伴音中频放大电路
- SJ/T11088-1996 电子器件详细规范 半导体集成电路CD7680CP图象伴音中频放大电路
- SJ/Z9010.27-1987 电子管电性能的测试 第27部分:发射管中相互调制分量的测试方法
- SJ20599-1996 推拉钨丝规范
- SJ/T9546-1993 无金属化孔单、双面印制板的质量分等标准
- SJ/T10038-1991 电子器件详细规范 半导体集成电路CC4008型CMOS4位二进制超前进位全加器
- SJ/T11332-2006 数字电视接收设备接口规范 第6部分:RGB模拟基色视频信号接口
- SJ/T31168-1994 发射管电性能测试电源完好要求和检查评定方法
- SJ/T31441-1994 离心式制冷机组完好要求和检查评定方法
- SJ/T31449-1994 供油管道完好要求和检查评定方法
- 行业新闻
请牢记:“bzxz.net”即是“标准下载”四个汉字汉语拼音首字母与国际顶级域名“.net”的组合。 ©2025 标准下载网 www.bzxz.net 本站邮件:bzxznet@163.com
网站备案号:湘ICP备2025141790号-2
网站备案号:湘ICP备2025141790号-2