- 您的位置:
- 标准下载网 >>
- 标准分类 >>
- 电子行业标准(SJ) >>
- SJ 50033.62-1995 半导体分立器件 3DK406型高压功率开关晶体管详细规范
标准号:
SJ 50033.62-1995
标准名称:
半导体分立器件 3DK406型高压功率开关晶体管详细规范
标准类别:
电子行业标准(SJ)
标准状态:
现行出版语种:
简体中文下载格式:
.rar .pdf下载大小:
133.64 KB
点击下载
标准简介:
标准下载解压密码:www.bzxz.net
SJ 50033.62-1995 半导体分立器件 3DK406型高压功率开关晶体管详细规范 SJ50033.62-1995
部分标准内容:
中华人民共和国电子行业军用标准FL5961
SJ50033/62-1995
半导体分立器件
3DK406型高压功率开关晶体管
详细规范
Semiconductor discrete deviceDetail specification for type 3DK406high - vollage and power switching transiston1995-05-25发布
1995-12-01实施
中华人民共和国电子工业部批准中华人民共和国电子行业军用标半导体分立器件
3DK406型高压功率开关晶体管
详细规范
Semiconductor discrele deviceDetail specification for type 3DK406higl-voltage and power switching transistor1范围
1.1士题内容
SJ 50033/621995
本规范规定了3DK406A一D型高反压功率开关晶体管(以下简称器件)的详细要求。1.2适用范围
本规范适用于器件的研究,生产和采购。1.3分类
本规范模据器件质量保证等级进行分类1.3.1器件的等级
GIB33(半导体分立器件总规范>1.3的规定,提供的质量保证等级为普军、特军和超待军三级,分别用字母 GP、GT 和 GCT表示。2引用文件
GB4587—B4双极型晶体管测试方法GB7581—87半导体分立器件外形尺寸GJB33—85
半导体分立器件总规范
GJB128—86半导体分立器件试验方法3要求
3.1详细要求
各项要求应按GJB33和本规范的规定。3.2设计、结构和外形尺寸
器件的设计、结构和外形尺寸应按GIB33和本规范的规定3.2.1弓[出端材料和涂层
引出端材料应为可伐。引出端表面应为镊层或镍层中华人民共和国电子工业部1995-05-25发布1995-12-01实施
YrKAOKAca
3.2.2器件结构
采用三重扩散台面结构。
3.2.3外形尺寸
SJ50033/62-1995
外形尺寸应符合GB7581的B2-01C型及如下的规定。见图1。中p0.5@z
1—基极
2一发射极
集电极接壳
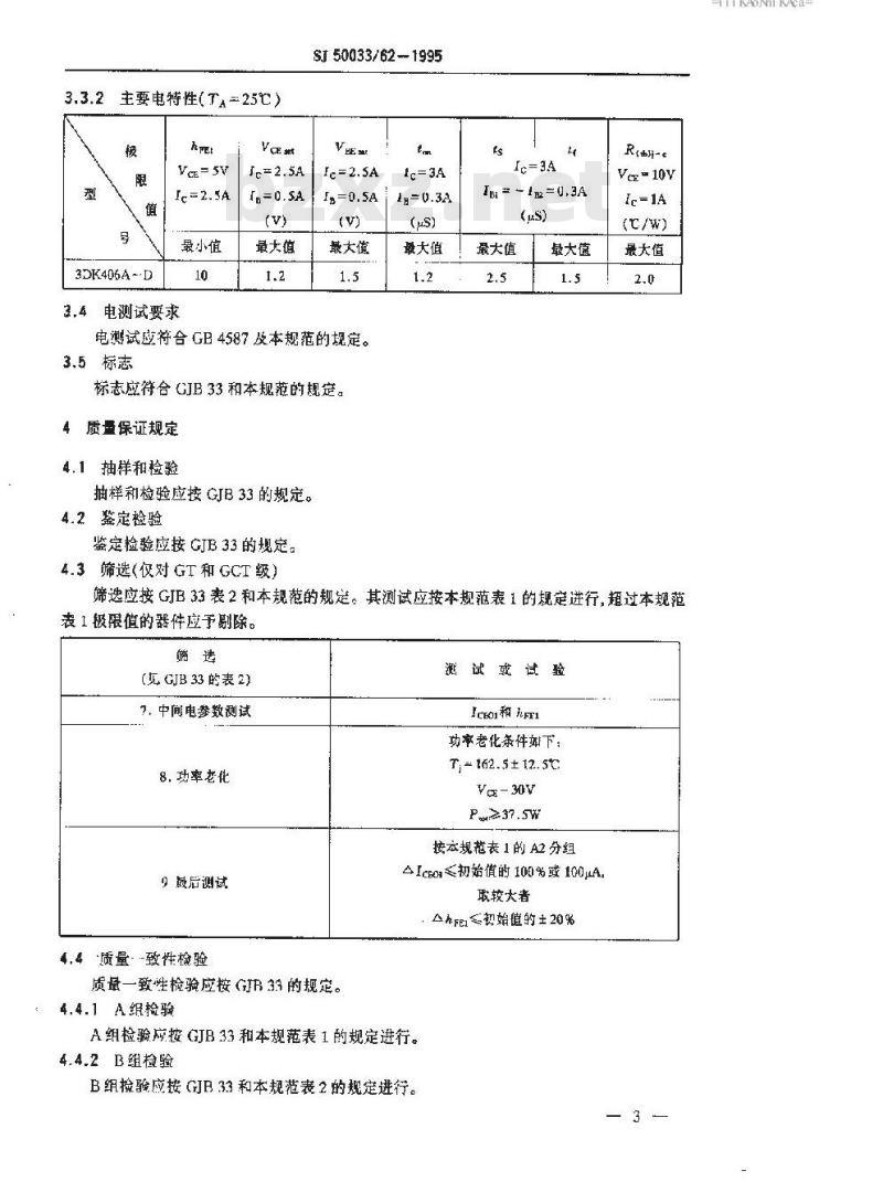
3.3最大额定值主要电特性
3.3.1最大额定值
3DK406A
3DK406B
3DK40RC
3DK405D
P tot'
Te=25r
图13DK406外形图
注:1)Tc>2st时按0.5W/℃的速率线性地降额。Vaao
B2-91C
-55-175
主要电特性(TA=25℃)
3DK406A--D
VcE=5V
最小值
3.4电测试要求
Vae se
最大值
ST 50033/62 -1995
最大值
电测试应符合GB4587及本规范的规定。3.5标志
标志应符合GJB33和本规范的规定。4质量保证规定
4.1抽样和检验
抽样和检验应按GJB33的规定。
4.2鉴定检验
鉴定检验应按GJB33的规定。
4.3筛选(仅对GT和GCT级)
最大值
IB = ~ 1 2 = U,3A
最大值
最大德
Reti-e
Vo-10V
最大值
筛选应按GJB 33表2和本规范的规定。其测试应按本规范表1的规定进行,超过本规范表1极限值的器件应予剔除。
(死GJB33的表2)
7、中间电参数测试
8.功率老化
9最后测试
4.4质量-致性检验
质量一致性检验应按GJB33的规定。4.4.1 A组检验
凝试或试验
eEO和1
功率老化条件妇下:
T = 162.5± 12.5c
Va-30v
P≥37.5W
按亦规范表1的A2分组
4[cE0≤初始值的100%或100μA
取较大者
AhFEi≤切始值的±20%
A组检验应按GJB33和本规范表1的规定进行。4.4.2B组检验
B组捡验应按 GJB 33和本规范表2的规定进行。3
TTKAONKAca-
4.4,3C组检验
SJ 50033/62—1995
C 矩检验应按 GJB 33 和本规范表 3 的规定进行。4.5检验方法
检验方法应按本规范相应的表和下列规定:4.5.1脉冲测试
脉冲测试条件应按GIB128的3.3,2.1的规定。表 1 A组检验
按验或试验
AI分组
外观及机械检验
A2分组
集电极一发射极
击穿电压
3DK406A
3DK406B
31K406C
3DK405D
发射极一基极
击穿电压
集电极一基梭
戴止电流
集电极一发射极
截止电流
集电极一发射极
和电压
基极一发射极
饱知电压
上向电流传輪比
A3分组
高温工作,
集电极基极
截止电
低温工作:
正向电流传载比
GJB128
本规范
附录A
GB 4587
发射极一苯极开路:
Ic=SmA
集电极一基极开路;
Ig-3mA
发射极一基极开路
Vaa = Vceo
发射极一基极开路;
Vue0.5 VeFr>
脉冲法[见4.5.1]
脉冲法(见4.5.1)
Vce = 3V
肽冲法(见4.5.1)
TA=125±SC
发射圾一基极开路;
Ta= -- 55
Vee = sV
脉冲法(见44.5.1)
LIFD符
YR)CEO
V(BR)EY
VeE t)
TeEoa
极限值
最小值最大值
检验或试验
A4分组
导通树间
贮存时间
下降时间
AS分组
安全工作区
(真流)
试验1
试验2
试验3
3DK406A
3DK406B
3DK406C
3DK406D
最后测试:
SJ50033/62-1995
续表1
GB4587
检验或试验
B1分组
可辉性
标志耐久性
B2分组
热冲击免费标准bzxz.net
(温度循环)
e.细检蒲
b.粗检漏
最后测试
3分组
稳态工作寿命
最后测试:
In = *- Im =0.3A
Te=25t
-5,单次
Va=15V
Vee-25V
Va=250V
Ic=37mA
Va=300V
Ic=32mA
Vc= 400V
Ic=18mA
Va=500V
Ic=10mA
见表4步骤1和3
表 2B组捡验
符号國
低温-55c
其余为试验茶件 F
试验条件 H
试整杀件F
见表4步架1和3
T;- 162.5 = 12.5C
Vce = 30V
见表 4 步骤 2 和 4
极限值
最小個最大值
TTKAONKACa-
检验或试验
B4 分组
(仅对 GCT 级)
开帽内部目检
(设计核实)
魏合强度
B6分组
高温寿命
(非工作状态)
最后测试:
检整或试验
Cl 分组
外形尺寸
2分组
热神击
(玻璃应力)
引出瓣强度
.粗检滑
综合湿度/湿度
周期试验
外观及机械检验
最后测试,
C3分组
变频振动
恒定加速度
最后测试:
C+分组
(适用时)
盐气(侵蚀)
C6分组
稳态工作寿命
最后測试:
C8分组
GB4587
SJ50033/62-1995
续表 2
GJB128
试验条件A
Ta-175t
见表4步骤2和4
表 3 C组检验
GJB12B
见图1
试验条件 B
试验条件 A
外加力:20N
时间:10s
受试引出端数;2
试验条件H
试验条件F
现表 4 步骤 1 和 3
见表4步骤1 和 3
T;- 162.5±12.5t
Vce = 30V
Pu≥37.5W
见表 4 步骤 2 和 4
Va=10V
20C≤T.≤75T
R(ti-e
每批一个
器件,
0失效
20(C=0)
极限值
最小值最大值
集电极一基
极载止电流
巢电极一基
极截止电流
正间电范传输比
正电电流传比
SJ50033/62-1995
表 4 A组、B组和 C组最后测试GB4587
发射极一基极开路;
Vas= Vcro
发射极一基极开路;
Vee Voo
Vce - 5V
脉冲法(见4.5.1)
Vee=sy
脉冲法(见4.5.1)
注:1)本测试超过A组极想值的器件不应接收。5交货准备
5.1包装要求
包装要求应按GJB33的规定
5.2贮存要求
存要求应按GJB33的规定。
5.3运输要求
运输要求应接GJB33的规定。
6说明事项
6.1预定用途
最小值
最大值
初始假
的±25%
符合本规范的器件供新设备设计使用和供现有的后勘保障用。6.2订货资料
合同或订货单应规定下列内容::本规范的名称及编号;
b,等级(见1.3.1)
数量;
d。需要时,其他要求。
6.3对引出端材料和涂层有特殊要求时,应在合同或订货单中规定(见3.2.1)。6.4如需要时,典型特性曲线等可在合同或订货单中规定。单位
TKAONKAca
6.5直流安全工作区见图2。
nir x9通
SJ50033/62—1995
30K406
3DK406D
集电极-发射极电压 VL(V)
图23DK406的直流安全工作区
附录A(标推的附录)
A1目的
集电极一发射极击穿电压测试方法本测试的日的是为了在规定的条件下,确定器件的击穿电压是否大于规定的最低极限。A2测试电路图
图A1集电极一发射极击穿电压测试电路注:在测试电流时,电流表的接头之间实际上可看成短路,或对电压表读数作因电流表压降的校正。A3测试步骤
限流电阻R1应足够人,以避免过度的电流流过晶体管和电流表。施加规定的偏置条件,增加电压直到规定的测试电流。如果在规定的测试电流下所加的电压大于V(BR)CEo的最低极限,器件为合格。本测试方法用于表现器件的负阻击穿特性,在这种情况下必须使晶体管的集电极电流及结保持在安全值以内。
A4规定紊件
机。环境温度TA
b.测试电流Ico
附加说明:
本规范由中国电子技术标准化研究所归口。本规范由中国电子技术标准化研究所负责起草。本规范主要起草人:蔡仁明、刘东才。计划项目代号:B21005。
TKAONKAca
小提示:此标准内容仅展示完整标准里的部分截取内容,若需要完整标准请到上方自行免费下载完整标准文档。
SJ50033/62-1995
半导体分立器件
3DK406型高压功率开关晶体管
详细规范
Semiconductor discrete deviceDetail specification for type 3DK406high - vollage and power switching transiston1995-05-25发布
1995-12-01实施
中华人民共和国电子工业部批准中华人民共和国电子行业军用标半导体分立器件
3DK406型高压功率开关晶体管
详细规范
Semiconductor discrele deviceDetail specification for type 3DK406higl-voltage and power switching transistor1范围
1.1士题内容
SJ 50033/621995
本规范规定了3DK406A一D型高反压功率开关晶体管(以下简称器件)的详细要求。1.2适用范围
本规范适用于器件的研究,生产和采购。1.3分类
本规范模据器件质量保证等级进行分类1.3.1器件的等级
GIB33(半导体分立器件总规范>1.3的规定,提供的质量保证等级为普军、特军和超待军三级,分别用字母 GP、GT 和 GCT表示。2引用文件
GB4587—B4双极型晶体管测试方法GB7581—87半导体分立器件外形尺寸GJB33—85
半导体分立器件总规范
GJB128—86半导体分立器件试验方法3要求
3.1详细要求
各项要求应按GJB33和本规范的规定。3.2设计、结构和外形尺寸
器件的设计、结构和外形尺寸应按GIB33和本规范的规定3.2.1弓[出端材料和涂层
引出端材料应为可伐。引出端表面应为镊层或镍层中华人民共和国电子工业部1995-05-25发布1995-12-01实施
YrKAOKAca
3.2.2器件结构
采用三重扩散台面结构。
3.2.3外形尺寸
SJ50033/62-1995
外形尺寸应符合GB7581的B2-01C型及如下的规定。见图1。中p0.5@z
1—基极
2一发射极
集电极接壳
3.3最大额定值主要电特性
3.3.1最大额定值
3DK406A
3DK406B
3DK40RC
3DK405D
P tot'
Te=25r
图13DK406外形图
注:1)Tc>2st时按0.5W/℃的速率线性地降额。Vaao
B2-91C
-55-175
主要电特性(TA=25℃)
3DK406A--D
VcE=5V
最小值
3.4电测试要求
Vae se
最大值
ST 50033/62 -1995
最大值
电测试应符合GB4587及本规范的规定。3.5标志
标志应符合GJB33和本规范的规定。4质量保证规定
4.1抽样和检验
抽样和检验应按GJB33的规定。
4.2鉴定检验
鉴定检验应按GJB33的规定。
4.3筛选(仅对GT和GCT级)
最大值
IB = ~ 1 2 = U,3A
最大值
最大德
Reti-e
Vo-10V
最大值
筛选应按GJB 33表2和本规范的规定。其测试应按本规范表1的规定进行,超过本规范表1极限值的器件应予剔除。
(死GJB33的表2)
7、中间电参数测试
8.功率老化
9最后测试
4.4质量-致性检验
质量一致性检验应按GJB33的规定。4.4.1 A组检验
凝试或试验
eEO和1
功率老化条件妇下:
T = 162.5± 12.5c
Va-30v
P≥37.5W
按亦规范表1的A2分组
4[cE0≤初始值的100%或100μA
取较大者
AhFEi≤切始值的±20%
A组检验应按GJB33和本规范表1的规定进行。4.4.2B组检验
B组捡验应按 GJB 33和本规范表2的规定进行。3
TTKAONKAca-
4.4,3C组检验
SJ 50033/62—1995
C 矩检验应按 GJB 33 和本规范表 3 的规定进行。4.5检验方法
检验方法应按本规范相应的表和下列规定:4.5.1脉冲测试
脉冲测试条件应按GIB128的3.3,2.1的规定。表 1 A组检验
按验或试验
AI分组
外观及机械检验
A2分组
集电极一发射极
击穿电压
3DK406A
3DK406B
31K406C
3DK405D
发射极一基极
击穿电压
集电极一基梭
戴止电流
集电极一发射极
截止电流
集电极一发射极
和电压
基极一发射极
饱知电压
上向电流传輪比
A3分组
高温工作,
集电极基极
截止电
低温工作:
正向电流传载比
GJB128
本规范
附录A
GB 4587
发射极一苯极开路:
Ic=SmA
集电极一基极开路;
Ig-3mA
发射极一基极开路
Vaa = Vceo
发射极一基极开路;
Vue0.5 VeFr>
脉冲法[见4.5.1]
脉冲法(见4.5.1)
Vce = 3V
肽冲法(见4.5.1)
TA=125±SC
发射圾一基极开路;
Ta= -- 55
Vee = sV
脉冲法(见44.5.1)
LIFD符
YR)CEO
V(BR)EY
VeE t)
TeEoa
极限值
最小值最大值
检验或试验
A4分组
导通树间
贮存时间
下降时间
AS分组
安全工作区
(真流)
试验1
试验2
试验3
3DK406A
3DK406B
3DK406C
3DK406D
最后测试:
SJ50033/62-1995
续表1
GB4587
检验或试验
B1分组
可辉性
标志耐久性
B2分组
热冲击免费标准bzxz.net
(温度循环)
e.细检蒲
b.粗检漏
最后测试
3分组
稳态工作寿命
最后测试:
In = *- Im =0.3A
Te=25t
-5,单次
Va=15V
Vee-25V
Va=250V
Ic=37mA
Va=300V
Ic=32mA
Vc= 400V
Ic=18mA
Va=500V
Ic=10mA
见表4步骤1和3
表 2B组捡验
符号國
低温-55c
其余为试验茶件 F
试验条件 H
试整杀件F
见表4步架1和3
T;- 162.5 = 12.5C
Vce = 30V
见表 4 步骤 2 和 4
极限值
最小個最大值
TTKAONKACa-
检验或试验
B4 分组
(仅对 GCT 级)
开帽内部目检
(设计核实)
魏合强度
B6分组
高温寿命
(非工作状态)
最后测试:
检整或试验
Cl 分组
外形尺寸
2分组
热神击
(玻璃应力)
引出瓣强度
.粗检滑
综合湿度/湿度
周期试验
外观及机械检验
最后测试,
C3分组
变频振动
恒定加速度
最后测试:
C+分组
(适用时)
盐气(侵蚀)
C6分组
稳态工作寿命
最后測试:
C8分组
GB4587
SJ50033/62-1995
续表 2
GJB128
试验条件A
Ta-175t
见表4步骤2和4
表 3 C组检验
GJB12B
见图1
试验条件 B
试验条件 A
外加力:20N
时间:10s
受试引出端数;2
试验条件H
试验条件F
现表 4 步骤 1 和 3
见表4步骤1 和 3
T;- 162.5±12.5t
Vce = 30V
Pu≥37.5W
见表 4 步骤 2 和 4
Va=10V
20C≤T.≤75T
R(ti-e
每批一个
器件,
0失效
20(C=0)
极限值
最小值最大值
集电极一基
极载止电流
巢电极一基
极截止电流
正间电范传输比
正电电流传比
SJ50033/62-1995
表 4 A组、B组和 C组最后测试GB4587
发射极一基极开路;
Vas= Vcro
发射极一基极开路;
Vee Voo
Vce - 5V
脉冲法(见4.5.1)
Vee=sy
脉冲法(见4.5.1)
注:1)本测试超过A组极想值的器件不应接收。5交货准备
5.1包装要求
包装要求应按GJB33的规定
5.2贮存要求
存要求应按GJB33的规定。
5.3运输要求
运输要求应接GJB33的规定。
6说明事项
6.1预定用途
最小值
最大值
初始假
的±25%
符合本规范的器件供新设备设计使用和供现有的后勘保障用。6.2订货资料
合同或订货单应规定下列内容::本规范的名称及编号;
b,等级(见1.3.1)
数量;
d。需要时,其他要求。
6.3对引出端材料和涂层有特殊要求时,应在合同或订货单中规定(见3.2.1)。6.4如需要时,典型特性曲线等可在合同或订货单中规定。单位
TKAONKAca
6.5直流安全工作区见图2。
nir x9通
SJ50033/62—1995
30K406
3DK406D
集电极-发射极电压 VL(V)
图23DK406的直流安全工作区
附录A(标推的附录)
A1目的
集电极一发射极击穿电压测试方法本测试的日的是为了在规定的条件下,确定器件的击穿电压是否大于规定的最低极限。A2测试电路图
图A1集电极一发射极击穿电压测试电路注:在测试电流时,电流表的接头之间实际上可看成短路,或对电压表读数作因电流表压降的校正。A3测试步骤
限流电阻R1应足够人,以避免过度的电流流过晶体管和电流表。施加规定的偏置条件,增加电压直到规定的测试电流。如果在规定的测试电流下所加的电压大于V(BR)CEo的最低极限,器件为合格。本测试方法用于表现器件的负阻击穿特性,在这种情况下必须使晶体管的集电极电流及结保持在安全值以内。
A4规定紊件
机。环境温度TA
b.测试电流Ico
附加说明:
本规范由中国电子技术标准化研究所归口。本规范由中国电子技术标准化研究所负责起草。本规范主要起草人:蔡仁明、刘东才。计划项目代号:B21005。
TKAONKAca
小提示:此标准内容仅展示完整标准里的部分截取内容,若需要完整标准请到上方自行免费下载完整标准文档。
标准图片预览:





- 热门标准
- 行业标准
- SJ3166-1988 GZS12-4-3型彩色显像管插座
- SJ2534.10-1986 天线测试方法 功率增益和方向性的测量
- SJ2857.2-1988 温差电致冷材料性能的测试方法 电导率的测试方法
- SJ2879-1988 彩色电视接收机用色纯静会聚磁体组合件总规范
- SJ/T31063-1994 TCM-B三氯乙烯清洗机完好要求和检查评定方法
- SJ/T11010-1996 电子器件详细规范 半导体电视集成电路CD1124ACP伴音中频放大电路
- SJ/T11088-1996 电子器件详细规范 半导体集成电路CD7680CP图象伴音中频放大电路
- SJ20599-1996 推拉钨丝规范
- SJ/T9546-1993 无金属化孔单、双面印制板的质量分等标准
- SJ/T10038-1991 电子器件详细规范 半导体集成电路CC4008型CMOS4位二进制超前进位全加器
- SJ/T11332-2006 数字电视接收设备接口规范 第6部分:RGB模拟基色视频信号接口
- SJ/T31168-1994 发射管电性能测试电源完好要求和检查评定方法
- SJ/T31441-1994 离心式制冷机组完好要求和检查评定方法
- SJ/T31449-1994 供油管道完好要求和检查评定方法
- SJ/T10401-1993 半导体集成音响电路马达稳速电路测试方法的基本原理
- 行业新闻
请牢记:“bzxz.net”即是“标准下载”四个汉字汉语拼音首字母与国际顶级域名“.net”的组合。 ©2025 标准下载网 www.bzxz.net 本站邮件:bzxznet@163.com
网站备案号:湘ICP备2025141790号-2
网站备案号:湘ICP备2025141790号-2