- 您的位置:
- 标准下载网 >>
- 标准分类 >>
- 电子行业标准(SJ) >>
- SJ 50033.77-1995 半导体分立器件 3DA331硅微波功率晶体管详细规范
- 标准号: - SJ 50033.77-1995
- 标准名称: - 半导体分立器件 3DA331硅微波功率晶体管详细规范
- 标准类别: - 电子行业标准(SJ)
- 标准状态: 现行
- 出版语种: 简体中文
- 下载格式: .rar .pdf
- 下载大小: 116.27 KB
 标准简介/下载
标准简介/下载点击下载
标准简介:
										 标准下载解压密码:www.bzxz.net
					 					 
						 
	        
	      SJ 50033.77-1995 半导体分立器件 3DA331硅微波功率晶体管详细规范 SJ50033.77-1995
 标准内容
标准内容部分标准内容:
					
					中华人民共和国电子行业军用标准FL5961
SJ50033/77-1995
半导体分立器件
3DA331硅微波功率晶体管
详细规范
Semiconductor discrete devicesDetail specification for type 3DA331 Siliconmicrowave power transistor
1995.05-25发布
1995-12-01实施
中华人民共和国电子工业部批发中华人民共和国电子行业军用标准半导体分立器件
3DA331硅微波功率晶体管详细规范Semiconductor discrete devicesDetail specificalion for type 3DA331 Siliconmicrowave power transistor
1范围
1.1主题内容
$I 50033/77 -1995
本规范规定了3DA331型硅微波功率晶体管(以下简称器件)的详细要求。1.2适用范围
本规范适用于器件的研制、生产和采购。1.3分类
本规范根据器件质量保证等级进行分类。1.3.1器件的等级
按GJB33(半导体分立器件总规范>1.3条的规定,提供质量保证等级为普军、特军和超特军三级,分别用字母 GP、GT、GCT表示。2 引用文件
GB4587-84双极型晶体管测试方法GB7581—87单导体分立器件外形尺寸GIB33—85辛导体分立器件总规范CJB128—86半导体分立器件试验方法3要求
3.1详细要求
各项要求应符合GIB33和本规范的规定。3.2设计,结构和外形尺小
器件的设计、结构和外形尺寸应符合GJB33和本规范的规定。3.2.1引出端材料和表面涂层
发射极和集电极引出端材料为可伐合金,基极引出端为无氧铜,引线表面镀金。中华人民共和国电子工业部1995-05-25发布1995-12-01实施
YEKAONIKACa-
3.2.2器件结构
采用硅平面外延双极型结构。
3.2.3 外形尺寸
SI50033/77—1995
外形尺寸应符合 GB 7581中 B2-—08C及本规范规定,见图 1,S
引出端极性;E一发射极B一极基C一集电极图1外形图
3.3最大额定值和主要电特性
3.3.1最大额定值
3DA331
Tc=25t
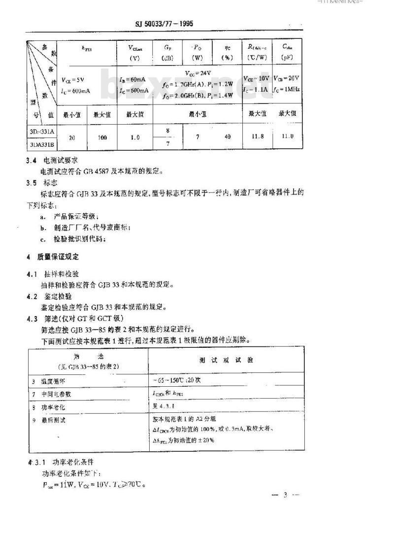
注:1)当 Tc>25C时,意84.7mW/℃线性降额。3.3.2主要电特性(Ta=25C)
-65~200
3D331A
3IA331B
It=600mA
最小算
3.4电测试要求
最大值
SI 50033/771995
e=60mA
fc=500mA
最大值
Vec24V
fo= 1.7GHz(A). P;=1.2W
fo=2.0GHs(B), P;=1.4W
最小宣
电测试应符合GR4587及本规范的规定。7
Redhi-c
(rc/w)
Vce-10V
最大值
Va =20V
Fe-1MHz
最大值
3.5标志
标志应符合GJB33及本规范的规定,型号标志可不限于一行内,制造厂可省略器件上的下列标志:
产品保证等级;
制造厂厂名、代导或商标;
检验批识别代码:
质显保证规定
4.1 抽样和检验
抽样和检验应符合GJB33和本规范的规定。4.2鉴定检验
鉴定检验应符合GIB 33 和本规范的规定。4.3筛选(仅对GT和GCT级)
筛选应按GJB33—85的表2和本规范的规定进行。下面测试应按本规范囊1进行,超过本规范表1极限值的器件应影除。消
(见GJB33--85的表2)
3温度媚环
中问言参数
功率老化
9最后测试
本.3.1功率老化条件
功率老化条件如下:
Pot-1iW,Vce=10V.T≥70T。
测试或试验
- 65 --150℃ ;20 次
Icsor和 heE
现 4.3. 1
按本规范表1的A2分组
△fcmo为初始值的100%,或0.5mA,取较天者,E为初始值的士20%
TTKAONKACa-
4.4 质量致性检验
SI 50033/77 *- 1995
质量一致性检验应按GJB33的规定进行。4.4. 1A 组检验
A组检验应按GJB33及本规范表1的规进行。4.4.2 D 组检验
B组检验应按GJB33及本规范表2的规定进行。4.4.3C 组检验
C组检验应按 GJIB 33 及本规范表 3的规定进行。4.5检验和试验方法
检验和试验方法应按本规范相应的表中规定的方法和下列规定进行:4.5.1脉冲测试
脉冲测试应符台GJB128中3.3.2.1条的规定。表 1 A组检验
检验或试
A1分组
外观及凯域检验
A2分组
集电极一基极
击穿电压
发射极一基极
击穿电压
英电极一基极
截止电流
发射极一基极
截Ⅱ.电流
正向电流传输比
集电极一发射圾
饱和电压
基极一发射极
正向电压
A3分组
高蕴工作
集电极一基极
截止电流
低溫工作
正向电统传输比
GJB128
GE4587
发射极开路
1c=10mA
集电极开路
Iμ= IOmA
发射极开路
Vca - 20v
巢电极开路
Vea = 3.5V
脉冲法(见 4.5.1)
lc=600mA
Ic-600mA
In= 60mA
Ig 100mA
Tr=150c
Vcg=20V
Ta= - 55r.
Vax \ 5V
极限值
V(ER)CRO
Y(BR)ERd
梭验或式验
A4 分组
输出电容
输出功率
功率增益
3DA331A
3DA331R
检验和试验
R1分组
可想性
标志的耐久性
B2 分组
热神击
【溢度循环】
a:细被斓
段后测试
B3 分组
稳态工作寿的
最后凝试
E4分组
开内目检
(设计验证)
键合强度
B6 分组
高温寿命(不工作)
最后测试
SJ 50033/77-1995
续表1
GB4587
球冲法(勇4.5.1)
f=IMHa
Vea= 20V
Vee-24V
Vcc-24V
fo-1.7GHz
表 2B组检验
GJB128
65 -150.25 欢
试验条件 H
试验条件心
见表4,步骤1、3和4
T, = 187.5±12. 5℃
Vu.=6V,R:-.-11.8C/W
见表4,步骤2和5
日检标准按鉴定时的设计
可用电参数不合格的器件
1032 T+= 200t,340h
见表 4, 步骤 2 和 5
每批一
个器件
0失效
20(C-0)
极限值
极限值
最小最大
mPa'cm*/s
TrKAONKAca-
检验和试验
CI分组
外形尺寸
C2分组
热冲击(玻璃应力)
引山娣强度
、细检凝
b.粗检据
绘合温度/虚度
周期试验
外观及机斌检验
最后测试
C3 分组
变频振动
恒定加速度
最后测讼
C4 分组
盐气(适用时)
C6分组
稳态工作孝命
最后测试
C7分组
见图1
S50033/77-1995
表3C组检验
GIB128
试验茶件B
试验条件A:5N,10g
试验条性H
式验条性 C
见表4,步骤1、3、和 4
20069800om/s
见表 4, 步骤 1、3 和 4
1026T=187.5±12.5C;Tc270c
Rai=11.8C/wVce=10V
见表 4,步骤 2 和 5
热阻(E--B正向法): 4587 |Vce- [0V c-1.1A2.10 25t ≤T75C
表 4B组和 C组最后测试
GB4587
案电极一基极
截止电流
集电极一基极
截止电流
基极一发射极
正向电压
发射极开路
VeR-20V
发射极开路
Ves =20V
1=0;m-100mA
极限遣
极限值
m'a*cm'ewww.bzxz.net
GB4587
正向电演传输比
正向电流传输比变化量
SJ50033/77-1995
续表4
Vce=5V;lc=600mA
Vee5V;ic-600mA
注:1)对于本测试,hm超过A组限值的券件不应接受。5交货准备
包装要求
包装要求应符合 GIR 33 的规定。5.2贮存要求
贮存要求应按 GJB 33 的规定。5.3运输要求
运输要求应按 GIB 33 的规定。6说明事项
6.1预定用途
符合本规范的器件供新设备设计使用和供现有的后勤保障用。6.2订货资料
合同和订货单应规定下列内容:本规范的名称和编号:
b.等级(见1.3,1条);
c,数量;
d。需要时,其它要求。
极限值
始值的±30%
6.3如对引出端涂层有特殊要求时,可在订货单中规定(见3.2.1条)。如使用单位需要时,典型特性曲线等可在合同或订货单中规定。6.4型号对题
3DA331的原企业标准号是WD391。附加说明:
本规范由中国电子技术标准化研究所归口。本规范由电子部第十三研究所负责起草。本规范主要起草人:张嘉萍、雷学祺、李戏德,蔡仁明。计划项目代号B21068。
TKAONKAca-
小提示:此标准内容仅展示完整标准里的部分截取内容,若需要完整标准请到上方自行免费下载完整标准文档。
	 
	        
	      SJ50033/77-1995
半导体分立器件
3DA331硅微波功率晶体管
详细规范
Semiconductor discrete devicesDetail specification for type 3DA331 Siliconmicrowave power transistor
1995.05-25发布
1995-12-01实施
中华人民共和国电子工业部批发中华人民共和国电子行业军用标准半导体分立器件
3DA331硅微波功率晶体管详细规范Semiconductor discrete devicesDetail specificalion for type 3DA331 Siliconmicrowave power transistor
1范围
1.1主题内容
$I 50033/77 -1995
本规范规定了3DA331型硅微波功率晶体管(以下简称器件)的详细要求。1.2适用范围
本规范适用于器件的研制、生产和采购。1.3分类
本规范根据器件质量保证等级进行分类。1.3.1器件的等级
按GJB33(半导体分立器件总规范>1.3条的规定,提供质量保证等级为普军、特军和超特军三级,分别用字母 GP、GT、GCT表示。2 引用文件
GB4587-84双极型晶体管测试方法GB7581—87单导体分立器件外形尺寸GIB33—85辛导体分立器件总规范CJB128—86半导体分立器件试验方法3要求
3.1详细要求
各项要求应符合GIB33和本规范的规定。3.2设计,结构和外形尺小
器件的设计、结构和外形尺寸应符合GJB33和本规范的规定。3.2.1引出端材料和表面涂层
发射极和集电极引出端材料为可伐合金,基极引出端为无氧铜,引线表面镀金。中华人民共和国电子工业部1995-05-25发布1995-12-01实施
YEKAONIKACa-
3.2.2器件结构
采用硅平面外延双极型结构。
3.2.3 外形尺寸
SI50033/77—1995
外形尺寸应符合 GB 7581中 B2-—08C及本规范规定,见图 1,S
引出端极性;E一发射极B一极基C一集电极图1外形图
3.3最大额定值和主要电特性
3.3.1最大额定值
3DA331
Tc=25t
注:1)当 Tc>25C时,意84.7mW/℃线性降额。3.3.2主要电特性(Ta=25C)
-65~200
3D331A
3IA331B
It=600mA
最小算
3.4电测试要求
最大值
SI 50033/771995
e=60mA
fc=500mA
最大值
Vec24V
fo= 1.7GHz(A). P;=1.2W
fo=2.0GHs(B), P;=1.4W
最小宣
电测试应符合GR4587及本规范的规定。7
Redhi-c
(rc/w)
Vce-10V
最大值
Va =20V
Fe-1MHz
最大值
3.5标志
标志应符合GJB33及本规范的规定,型号标志可不限于一行内,制造厂可省略器件上的下列标志:
产品保证等级;
制造厂厂名、代导或商标;
检验批识别代码:
质显保证规定
4.1 抽样和检验
抽样和检验应符合GJB33和本规范的规定。4.2鉴定检验
鉴定检验应符合GIB 33 和本规范的规定。4.3筛选(仅对GT和GCT级)
筛选应按GJB33—85的表2和本规范的规定进行。下面测试应按本规范囊1进行,超过本规范表1极限值的器件应影除。消
(见GJB33--85的表2)
3温度媚环
中问言参数
功率老化
9最后测试
本.3.1功率老化条件
功率老化条件如下:
Pot-1iW,Vce=10V.T≥70T。
测试或试验
- 65 --150℃ ;20 次
Icsor和 heE
现 4.3. 1
按本规范表1的A2分组
△fcmo为初始值的100%,或0.5mA,取较天者,E为初始值的士20%
TTKAONKACa-
4.4 质量致性检验
SI 50033/77 *- 1995
质量一致性检验应按GJB33的规定进行。4.4. 1A 组检验
A组检验应按GJB33及本规范表1的规进行。4.4.2 D 组检验
B组检验应按GJB33及本规范表2的规定进行。4.4.3C 组检验
C组检验应按 GJIB 33 及本规范表 3的规定进行。4.5检验和试验方法
检验和试验方法应按本规范相应的表中规定的方法和下列规定进行:4.5.1脉冲测试
脉冲测试应符台GJB128中3.3.2.1条的规定。表 1 A组检验
检验或试
A1分组
外观及凯域检验
A2分组
集电极一基极
击穿电压
发射极一基极
击穿电压
英电极一基极
截止电流
发射极一基极
截Ⅱ.电流
正向电流传输比
集电极一发射圾
饱和电压
基极一发射极
正向电压
A3分组
高蕴工作
集电极一基极
截止电流
低溫工作
正向电统传输比
GJB128
GE4587
发射极开路
1c=10mA
集电极开路
Iμ= IOmA
发射极开路
Vca - 20v
巢电极开路
Vea = 3.5V
脉冲法(见 4.5.1)
lc=600mA
Ic-600mA
In= 60mA
Ig 100mA
Tr=150c
Vcg=20V
Ta= - 55r.
Vax \ 5V
极限值
V(ER)CRO
Y(BR)ERd
梭验或式验
A4 分组
输出电容
输出功率
功率增益
3DA331A
3DA331R
检验和试验
R1分组
可想性
标志的耐久性
B2 分组
热神击
【溢度循环】
a:细被斓
段后测试
B3 分组
稳态工作寿的
最后凝试
E4分组
开内目检
(设计验证)
键合强度
B6 分组
高温寿命(不工作)
最后测试
SJ 50033/77-1995
续表1
GB4587
球冲法(勇4.5.1)
f=IMHa
Vea= 20V
Vee-24V
Vcc-24V
fo-1.7GHz
表 2B组检验
GJB128
65 -150.25 欢
试验条件 H
试验条件心
见表4,步骤1、3和4
T, = 187.5±12. 5℃
Vu.=6V,R:-.-11.8C/W
见表4,步骤2和5
日检标准按鉴定时的设计
可用电参数不合格的器件
1032 T+= 200t,340h
见表 4, 步骤 2 和 5
每批一
个器件
0失效
20(C-0)
极限值
极限值
最小最大
mPa'cm*/s
TrKAONKAca-
检验和试验
CI分组
外形尺寸
C2分组
热冲击(玻璃应力)
引山娣强度
、细检凝
b.粗检据
绘合温度/虚度
周期试验
外观及机斌检验
最后测试
C3 分组
变频振动
恒定加速度
最后测讼
C4 分组
盐气(适用时)
C6分组
稳态工作孝命
最后测试
C7分组
见图1
S50033/77-1995
表3C组检验
GIB128
试验茶件B
试验条件A:5N,10g
试验条性H
式验条性 C
见表4,步骤1、3、和 4
20069800om/s
见表 4, 步骤 1、3 和 4
1026T=187.5±12.5C;Tc270c
Rai=11.8C/wVce=10V
见表 4,步骤 2 和 5
热阻(E--B正向法): 4587 |Vce- [0V c-1.1A2.10 25t ≤T75C
表 4B组和 C组最后测试
GB4587
案电极一基极
截止电流
集电极一基极
截止电流
基极一发射极
正向电压
发射极开路
VeR-20V
发射极开路
Ves =20V
1=0;m-100mA
极限遣
极限值
m'a*cm'ewww.bzxz.net
GB4587
正向电演传输比
正向电流传输比变化量
SJ50033/77-1995
续表4
Vce=5V;lc=600mA
Vee5V;ic-600mA
注:1)对于本测试,hm超过A组限值的券件不应接受。5交货准备
包装要求
包装要求应符合 GIR 33 的规定。5.2贮存要求
贮存要求应按 GJB 33 的规定。5.3运输要求
运输要求应按 GIB 33 的规定。6说明事项
6.1预定用途
符合本规范的器件供新设备设计使用和供现有的后勤保障用。6.2订货资料
合同和订货单应规定下列内容:本规范的名称和编号:
b.等级(见1.3,1条);
c,数量;
d。需要时,其它要求。
极限值
始值的±30%
6.3如对引出端涂层有特殊要求时,可在订货单中规定(见3.2.1条)。如使用单位需要时,典型特性曲线等可在合同或订货单中规定。6.4型号对题
3DA331的原企业标准号是WD391。附加说明:
本规范由中国电子技术标准化研究所归口。本规范由电子部第十三研究所负责起草。本规范主要起草人:张嘉萍、雷学祺、李戏德,蔡仁明。计划项目代号B21068。
TKAONKAca-
小提示:此标准内容仅展示完整标准里的部分截取内容,若需要完整标准请到上方自行免费下载完整标准文档。
 标准图片预览
标准图片预览 标准图片预览:





- 热门标准
- 行业标准
- SJ/T11406-2009 体育场馆用LED显示屏规范
- SJ/T11396-2009 氮化镓基发光二极管蓝宝石衬底片
- SJ20794/2-2007 RNK5085型有可靠性指标的表面安装膜固定电阻网络详细规范
- SJ50600.1-1994 JY3452型后松压接接触件盒式安装螺纹连接圆形固定电连接器详细规
- SJ/T31423-1994 真空电阻加热炉完好要求和检查评定方法
- SJ/T31211-1994 阴极支持架焊接机完好要求和检查评定方法
- SJ1486-1979 3CG180型PNP硅外延平面高频小功率高反压三极管
- SJ20792-2000 微通道板光电倍增管测试方法
- SJ/T31424-1994 室式淬火热处理炉完好要求和检查评定方法
- SJ936-75 3DD103(104)型硅NPN低频高反压大功率三极管
- SJ3024.3-1988 组合冲模 顶杆
- SJ1437-1978 CKM-104B脉冲磁控管
- SJ/T31214-1994 阴极内、外套管组件焊接机完好要求和检查评定方法
- SJ20832-2002 光纤温度传感器通用规范
- SJ769-1974 3DD56型和3DD57型NPN硅外延平面低频大功率三极管
- 行业新闻
请牢记:“bzxz.net”即是“标准下载”四个汉字汉语拼音首字母与国际顶级域名“.net”的组合。 ©2025 标准下载网 www.bzxz.net 本站邮件:bzxznet@163.com
网站备案号:湘ICP备2025141790号-2
网站备案号:湘ICP备2025141790号-2
