- 您的位置:
- 标准下载网 >>
- 标准分类 >>
- 国家标准(GB) >>
- GB/T 23601-2009 钛及钛合金棒、丝材涡流探伤方法
标准号:
GB/T 23601-2009
标准名称:
钛及钛合金棒、丝材涡流探伤方法
标准类别:
国家标准(GB)
标准状态:
现行-
发布日期:
2009-04-15 出版语种:
简体中文下载格式:
.rar .pdf下载大小:
1.64 MB
标准ICS号:
冶金>>有色金属>>77.120.50钛和钛合金中标分类号:
冶金>>有色金属及其合金产品>>H64稀有轻金属及其合金
点击下载
标准简介:
标准下载解压密码:www.bzxz.net
本标准规定了钛及钛合金棒、丝材涡流检验要求和验收规定等。本标准适用于直径2mm~16mm的钛及钛合金棒、丝材表面和近表面缺陷的涡流探伤。 GB/T 23601-2009 钛及钛合金棒、丝材涡流探伤方法 GB/T23601-2009
部分标准内容:
ICS77.120.50
中华人民共和国国家标准
GB/T23601—2009
钛及钛合金棒、丝材涡流探伤方法Method of eddy current testing for titanium and titanium alloy bars and wires2009-04-15发布
中华人民共和国国家质量监督检验检疫总局中国国家标准化管理委员会
2010-02-01实施
本标准由中国有色金属工业协会提出。前
本标准由全国有色金属标准化技术委员会归口。本标准起草单位:宝钛集团有限公司、宝鸡钛业股份有限公司。本标准主要起草人:马小怀、江立新、冯军宁、张延生、王永梅、鲁阳。GB/T23601-—2009
1范围
钛及钛合金棒、丝材涡流探伤方法本标准规定了钛及钛合金棒、丝材涡流检验要求和验收规定等。GB/T23601-2009
本标准适用于直径2mm16mm的钛及钛合金棒。丝材表面和近表面缺陷的涡流探伤。2一般要求
2.1目的
本方法主要用于探测钛及钛合金棒、丝材产品的表面和近表面缺陷,如凹坑、裂纹及其他暴露或未暴露到表面的组织上的不连续性。2.2人员
操作人员应达到部级或与此相当的学会级I级及以上无损检测人员水平,签发及解释检验报告人员应达到部级或与路相当的学会级Ⅱ级及以上人员水平。2.3尺寸及外观质量
2.3.1棒丝材表面应清洁,不得有影响检验的污垢、油脂、金属屑及其他外来物质存在2.3.2棒丝材的誉曲度、表面粗糙度和尺寸允许偏差应符合相应的产品标准要求。3探伤系统
3.1涡流探伤仪bzxZ.net
3.1.1涡流探伤仪止作频率范围一般为10kHz~100kHz。3.1.2仪器应包插激励、接收、放大、相位调节、滤波等单元,并具有报警、显示或记象装置,3.2检测线圈
3.2.1检测线圈造
磁特性的变化。
涡流探伤仪组合,能在棒、丝材表面或近表面产生感应电流,并能检测出棒、丝材电3.2.2在保证棒、丝材顺利通过检测线圈不划伤楼、丝材表面的前提下,糜用穿过式线圈检测时尽可能选择填充系数高的检测线圈般不宜低于0.7。3.3传动装置
3.3.1能使棒丝材均匀、平稳地通过线圈,不造成棒丝材表面的损伤。3.3.2具有能保证检测线圈或扫查轨迹中心与被检验棒、丝材中心一致的调节机构。3.3.3棒、丝材的送进速度为5m/min~80m/min。选定速度的变化应不大于土10%。3.4分选装置
能对合格品或不合格品棒、丝材加以区分,并对其进行分选。4对比试样
4.1对比试样是具有人工刻槽、用于调节检测灵敏度、校准检测仪器设备的性能和作为产品验收标准的样棒。
4.2对比试样应选用与被检棒、丝材的材质、几何尺寸、表面状态及热处理工艺一致、且没有影响人工标准缺陷信号识别的棒、丝材制备。4.3对比试样可选用U型或V型、矩形刻槽。对比试样上应至少具有周向120°间隔的相同大小的三个人工刻槽缺陷,且人工刻槽缺陷的纵向均布间隔不小于100mm。1
GB/T23601—2009
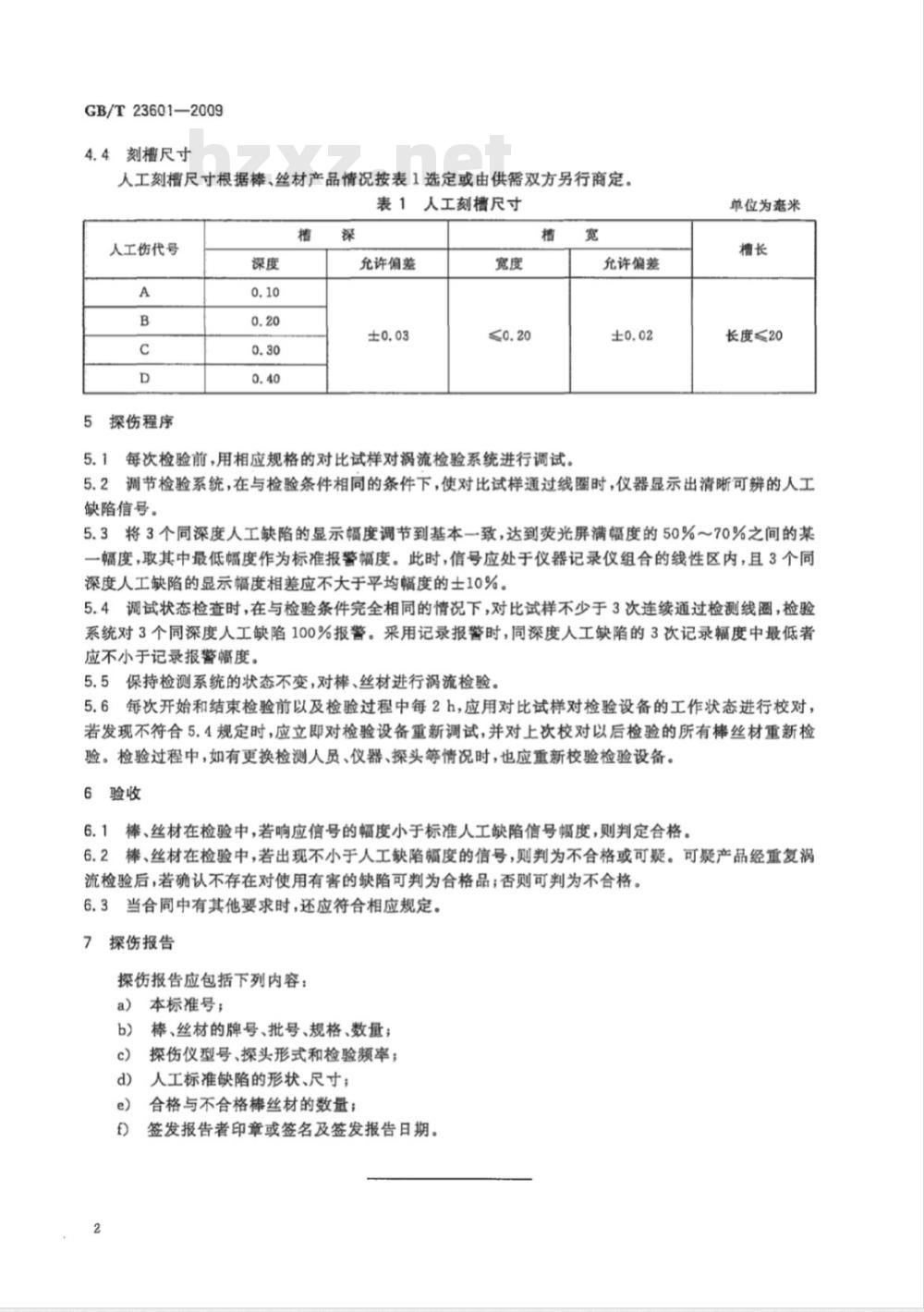
4.4刻槽尺寸
人工刻槽尺寸根据棒、丝材产品情况按表1选定或由供需双方另行商定。表1人工刻槽尺寸
人工伤代号
5探伤程序
允许偏差
5.1每次检验前,用相应规格的对比试样对涡流检验系统进行调试。宽
允许偏差
单位为米
长度≤20
5.2调节检验系统,在与检验条件相同的条件下,使对比试样通过线圈时,仪器显示出清晰可辨的人工缺陷信号。
5.3将3个同深度人工缺陷的显示幅度调节到基本一致,达到荧光屏满幅度的50%~70%之间的某一幅度,取其中最低幅度作为标准报警幅度。此时,信号应处于仪器记录仪组合的线性区内,且3个同深度人工缺陷的显示幅度相差应不大于平均幅度的士10%。5.4调试状态检查时,在与检验条件完全相同的情况下,对比试样不少于3次连续通过检测线圈,检验系统对3个同深度人工缺陷100%报警。采用记录报警时,同深度人工缺陷的3次记录幅度中最低者应不小于记录报警幅度。
5.5保持检测系统的状态不变,对棒、丝材进行涡流检验。5.6每次开始和结束检验前以及检验过程中每2h,应用对比试样对检验设备的工作状态进行校对,若发现不符合5.4规定时,应立即对检验设备重新调试,并对上次校对以后检验的所有棒丝材重新检验。检验过程中,如有更换检测人员、仪器、探头等情况时,也应重新校验检验设备。6验收
6.1棒、丝材在检验中,若响应信号的幅度小于标准人工缺陷信号幅度,则判定合格。6.2棒、丝材在检验中,若出现不小于人工缺陷幅度的信号,则判为不合格或可疑。可疑产品经重复涡流检验后,若确认不存在对使用有害的缺陷可判为合格品;否则可判为不合格。6.3当合同中有其他要求时,还应符合相应规定。7探伤报告
探伤报告应包括下列内容:
a)本标准号;
棒、丝材的牌号、批号、规格、数量;探伤仪型号、探头形式和检验频率;c)
人工标准缺陷的形状、尺寸;
合格与不合格棒丝材的数量;
签发报告者印章或签名及签发报告日期。GB/T23601-2009
打印日期:2009年8月6日
中华人民共和
国家标准
钛及钛合金棒、丝材涡流探伤方法GB/T23601--2009
中国标准出版社出版发行
北京复兴门外三里河北街16号
邮政编码:100045
网址www.spc,net.cn
电话:6852394668517548
中国标准出版社秦皇岛印刷厂印刷各地新华书店经销
开本880×12301/16印张0.5字数5千字2009年6月第一版2009年6月第一次印刷*
书号:155066·1-37617定价14.00元如有印装差错由本社发行中心调换版权专有侵权必究
举报电话:(010)68533533
小提示:此标准内容仅展示完整标准里的部分截取内容,若需要完整标准请到上方自行免费下载完整标准文档。
中华人民共和国国家标准
GB/T23601—2009
钛及钛合金棒、丝材涡流探伤方法Method of eddy current testing for titanium and titanium alloy bars and wires2009-04-15发布
中华人民共和国国家质量监督检验检疫总局中国国家标准化管理委员会
2010-02-01实施
本标准由中国有色金属工业协会提出。前
本标准由全国有色金属标准化技术委员会归口。本标准起草单位:宝钛集团有限公司、宝鸡钛业股份有限公司。本标准主要起草人:马小怀、江立新、冯军宁、张延生、王永梅、鲁阳。GB/T23601-—2009
1范围
钛及钛合金棒、丝材涡流探伤方法本标准规定了钛及钛合金棒、丝材涡流检验要求和验收规定等。GB/T23601-2009
本标准适用于直径2mm16mm的钛及钛合金棒。丝材表面和近表面缺陷的涡流探伤。2一般要求
2.1目的
本方法主要用于探测钛及钛合金棒、丝材产品的表面和近表面缺陷,如凹坑、裂纹及其他暴露或未暴露到表面的组织上的不连续性。2.2人员
操作人员应达到部级或与此相当的学会级I级及以上无损检测人员水平,签发及解释检验报告人员应达到部级或与路相当的学会级Ⅱ级及以上人员水平。2.3尺寸及外观质量
2.3.1棒丝材表面应清洁,不得有影响检验的污垢、油脂、金属屑及其他外来物质存在2.3.2棒丝材的誉曲度、表面粗糙度和尺寸允许偏差应符合相应的产品标准要求。3探伤系统
3.1涡流探伤仪bzxZ.net
3.1.1涡流探伤仪止作频率范围一般为10kHz~100kHz。3.1.2仪器应包插激励、接收、放大、相位调节、滤波等单元,并具有报警、显示或记象装置,3.2检测线圈
3.2.1检测线圈造
磁特性的变化。
涡流探伤仪组合,能在棒、丝材表面或近表面产生感应电流,并能检测出棒、丝材电3.2.2在保证棒、丝材顺利通过检测线圈不划伤楼、丝材表面的前提下,糜用穿过式线圈检测时尽可能选择填充系数高的检测线圈般不宜低于0.7。3.3传动装置
3.3.1能使棒丝材均匀、平稳地通过线圈,不造成棒丝材表面的损伤。3.3.2具有能保证检测线圈或扫查轨迹中心与被检验棒、丝材中心一致的调节机构。3.3.3棒、丝材的送进速度为5m/min~80m/min。选定速度的变化应不大于土10%。3.4分选装置
能对合格品或不合格品棒、丝材加以区分,并对其进行分选。4对比试样
4.1对比试样是具有人工刻槽、用于调节检测灵敏度、校准检测仪器设备的性能和作为产品验收标准的样棒。
4.2对比试样应选用与被检棒、丝材的材质、几何尺寸、表面状态及热处理工艺一致、且没有影响人工标准缺陷信号识别的棒、丝材制备。4.3对比试样可选用U型或V型、矩形刻槽。对比试样上应至少具有周向120°间隔的相同大小的三个人工刻槽缺陷,且人工刻槽缺陷的纵向均布间隔不小于100mm。1
GB/T23601—2009
4.4刻槽尺寸
人工刻槽尺寸根据棒、丝材产品情况按表1选定或由供需双方另行商定。表1人工刻槽尺寸
人工伤代号
5探伤程序
允许偏差
5.1每次检验前,用相应规格的对比试样对涡流检验系统进行调试。宽
允许偏差
单位为米
长度≤20
5.2调节检验系统,在与检验条件相同的条件下,使对比试样通过线圈时,仪器显示出清晰可辨的人工缺陷信号。
5.3将3个同深度人工缺陷的显示幅度调节到基本一致,达到荧光屏满幅度的50%~70%之间的某一幅度,取其中最低幅度作为标准报警幅度。此时,信号应处于仪器记录仪组合的线性区内,且3个同深度人工缺陷的显示幅度相差应不大于平均幅度的士10%。5.4调试状态检查时,在与检验条件完全相同的情况下,对比试样不少于3次连续通过检测线圈,检验系统对3个同深度人工缺陷100%报警。采用记录报警时,同深度人工缺陷的3次记录幅度中最低者应不小于记录报警幅度。
5.5保持检测系统的状态不变,对棒、丝材进行涡流检验。5.6每次开始和结束检验前以及检验过程中每2h,应用对比试样对检验设备的工作状态进行校对,若发现不符合5.4规定时,应立即对检验设备重新调试,并对上次校对以后检验的所有棒丝材重新检验。检验过程中,如有更换检测人员、仪器、探头等情况时,也应重新校验检验设备。6验收
6.1棒、丝材在检验中,若响应信号的幅度小于标准人工缺陷信号幅度,则判定合格。6.2棒、丝材在检验中,若出现不小于人工缺陷幅度的信号,则判为不合格或可疑。可疑产品经重复涡流检验后,若确认不存在对使用有害的缺陷可判为合格品;否则可判为不合格。6.3当合同中有其他要求时,还应符合相应规定。7探伤报告
探伤报告应包括下列内容:
a)本标准号;
棒、丝材的牌号、批号、规格、数量;探伤仪型号、探头形式和检验频率;c)
人工标准缺陷的形状、尺寸;
合格与不合格棒丝材的数量;
签发报告者印章或签名及签发报告日期。GB/T23601-2009
打印日期:2009年8月6日
中华人民共和
国家标准
钛及钛合金棒、丝材涡流探伤方法GB/T23601--2009
中国标准出版社出版发行
北京复兴门外三里河北街16号
邮政编码:100045
网址www.spc,net.cn
电话:6852394668517548
中国标准出版社秦皇岛印刷厂印刷各地新华书店经销
开本880×12301/16印张0.5字数5千字2009年6月第一版2009年6月第一次印刷*
书号:155066·1-37617定价14.00元如有印装差错由本社发行中心调换版权专有侵权必究
举报电话:(010)68533533
小提示:此标准内容仅展示完整标准里的部分截取内容,若需要完整标准请到上方自行免费下载完整标准文档。
标准图片预览:





- 其它标准
- 热门标准
- 国家标准(GB)
- GB/T2828.1-2012 计数抽样检验程序 第1部分:按接收质量限(AQL)检索的逐批检验抽样计划
- GB/T228.1-2021 金属材料 拉伸试验 第1部分:室温试验方法
- GB50367-2013 混凝土结构加固设计规范
- GB/T18204.4-2000 公共场所毛巾、床上卧具微生物检验方法细菌总数测定
- GB/T12053-1989 光学识别用字母数字字符集 第一部分:OCR-A字符集印刷图象的形状和尺寸
- GB/T23892.3-2009 滑动轴承 稳态条件下流体动压可倾瓦块止推轴承 第3部分:可倾瓦块止推轴承计算的许用值
- GB/T9145-2003 普通螺纹 中等精度、优选系列的极限尺寸
- GB/T11839-1989 二氧化铀芯块中硼的测定 姜黄素萃取光度法
- GB50209-2002 建筑地面工程施工质量验收规范
- GB/T6122.1-2002 圆角铣刀 第1部分:型式和尺寸
- GB/T7433-1987 对称电缆载波通信系统抗无线电广播和通信干扰的指标
- GB5725-2009 安全网
- GB13851-2022 内河交通安全标志
- GB/T9239-1988 刚性转子平衡品质 许用不平衡的确定
- GB/T15917.3-1995 金属镝及氧化镝化学分析方法 对氯苯基荧光酮--溴化十六烷基三甲基胺分光光度法测定钽量
- 行业新闻
请牢记:“bzxz.net”即是“标准下载”四个汉字汉语拼音首字母与国际顶级域名“.net”的组合。 ©2025 标准下载网 www.bzxz.net 本站邮件:bzxznet@163.com
网站备案号:湘ICP备2025141790号-2
网站备案号:湘ICP备2025141790号-2