- 您的位置:
- 标准下载网 >>
- 标准分类 >>
- 农业行业标准(NY) >>
- NY/T 1624-2008 兽医组织镊、敷料镊
标准号:
NY/T 1624-2008
标准名称:
兽医组织镊、敷料镊
标准类别:
农业行业标准(NY)
标准状态:
现行出版语种:
简体中文下载格式:
.rar.pdf下载大小:
228.45 KB
部分标准内容:
ICS11.220
中华人民共和国农业行业标准
NY/T 1624—2008
兽医组织镊、敷料镊
Animal tissae forceps and dressing forceps2008-05-16发布
2008-07-01实施
中华人民共和国农业部
本标准出中华人民共和国农业部兽医局提山。本标准由全国畜牧业标准化技术委员会口。本标推起草单位:农业部畜牧普医器械质检中心、汇苏通宝实业公司。本标准主晏起草人:周河、刘东生、王飞虎,孔蓉、张志轩。本标推为肯次发布。
NY/T1624—-2008
1范围
NY/T1624—2008
本标准规定了兽医组织饿,败料锻的型式和基本尺寸、技术要求、试验方法、检验规则、标志、包装、运输、贮存。
本标准适用于兽医组织摄、数料镊。2规范性引用文件
下列文件中的条款通过木标准的引用而成为本标准的条款。凡是注口期的「用文件,其随后所有的修改单(不包括勘误的内容)或修订版均不适用广本标准,然而,鼓励根据本标准达成协议的各方研究是否可使用这些文件的最新版本。凡是不注明日期的引用文件,其最新版本适用于本标准。GB19I包装储运图示标志
GB/T1220不锈钢棒
GB2828逐批检套计数抽样程序及抽样表(适用连续批的检查)GB2829周期检查计数抽样程序及抽样表(适用于尘产过程穗定性的检查)GB4340金属维氏硬度试验方法
YY/T0149不锈钢医用解械耐腐蚀性能试验方法YY/T0295医用镊通用技术条件,3型式和基本尺寸
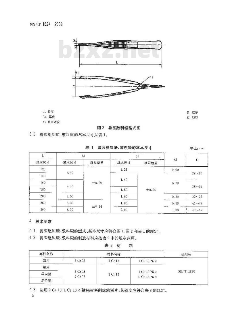
兽医望织镊的型式见图1
bl.导度
C.张开宽度
兽医敷料镶的型式见图么。
兽医织镊型式图
a1.魔原
2、壁厚
NY/T16242008
:原度
(张开宽度
图2兽医敷料镊型式图
兽医组织,敷料馒的考本尽寸见表」,裹1兽医组织镊、嫩料摄的基本尺寸L
基本尺寸
技术要求
极限偏差
某本尺寸
被限偏差
兽医组织镊、敷料镀的型式、基本尺寸应符合图1、图2和表1的规定:善医组织镊、敷料霰的制造材料应按表2中的规定选用。表2材bzxZ.net
零件名称
导向销
定位销
2 Ct 13
2 Cr18
: Cr 13
材料名称
1Cr 13
1 Cr 13
I Cr 18 Ni B
1 Cr 18 Ni
U Cr 18 Ni 9
3选用2Cr13、1Cr13不锈钢材料制成的微片,其硬度应符台表3的规定4.3
31.坐厚
82.安乓
单位:m.
22-~26
28~841
32--38
48-~52
标润学
GB/T 1220
二片之差
表3硬度”
380~~480IIV0.5
330~410 IIV 0. 6
40 HV 0.5
NY/T 1624—2008
1 Cr 18 Ni 9
42 HV 0. 5
4.4兽医组织、数料镊应有良好的弹性,行弹性试验时,变形量不得超过1.6mm。4.5兽医组织镊、料镊应对称,表面应光滑,不得有锋拔、毛刺、裂纹、麻点、砂眼。4.6鲁医组织摄、料的担合力应符合表4的规定。表4捏合力
祥食力
125~180
200--300
4.7鲁医组织镊、敷料锻的二片连接应牢固,按YY/T0295附录(C规定避行试验时,二片头端张开距离为全长的100%。
4.8善医组织锻的唇头钩、敷料锻的唇头齿应清晰完整,不得有缺齿、烂齿的缺陷,4.9兽医组织镊的屏头钩、数料摄的唇头齿与槽应吻合。4.10兽医组织锻、数料镊的导问销、定位固定应牢固,开闭时应灵活、不下塞。4.11 医组织、敏料镊的耐腐蚀性能,应不低于YY/T:0149中b级。4.12兽医组织镊、敷料镀的柄花应清晰完整,不得缺花、烂花。4.13兽医红织摄、嫩料镊的外表面可以制造成有光亮或无光亮,其表面粗糙度Ra之数值应不大于表5 的规定。
表5表面粗糙度
外表特征
内栽面
有光亮
无光亮
5试验方法
5.1外观:模伤使用动作以目力观察,应符合4.5、1.8、4.9.4.10.4.12的规定。5.2表面粗糙度:按比较块或电测法进行测量,应符合4.13的规定。外表面
单位:um
5.3尺寸:用通用或专用量具测量,应符3.3的规定。5.4硬度试验:按GB4340的方法测定,在二片镊片的弹管片处各测三点,取其每处三点的算术平均值,应符合4.3的规定。
5.5变形量试验:按YY/T0295录A中规定进行,应符合小.1的规定。5.6捏合力试验:按YY/T0295附录B中规定进行,应符合4.6的规定。5.7
连接牢固度试验:按YY/T0295附录C中规定进行,应符合4.7的规定。5.8耐腐蚀性能试验:按YY/T0419中规定的沸水试验法(A法)进行,应符合4.11的规定:6检验规测
6.1检验分类
NY/T1624--2008
兽医组织、激料镊的检验分为逐批检查(出厂检验)和周期检验(型式检验):6.2逐批检查
6.2.1逐批捡查按GB2828的规定进行。6.2.2鲁医组织锻、数料镊逐批检查采用-次抽样方案,按每百单位产品不合格品数计算,其具休要求应符合表6的规定。
表 6 逐批检查
检验项目
撞合力
连接牢固度
雨腐愈性
6.3周期检验
对应章条
技术要求
武验方法
本合格
检查水平
合格质员水平
正常生产时,每六个月不少丁-次周期检验,有下列情况之一时应进行周期检验。新产品或老产品转厂生产的试制定型鉴定时;正式生产后,如结构材料、工艺有较大政变,可能影响产品性能时;产品停产两年以上重新尘产时:出厂检验结果与上次型式检验有较大差异时;d)
上级技术监督机构提出进行型式检验的要求时。型式检验按GB2829的规定进行。6. 3.2
型式检验采用判别水平Ⅱ的二次抽样方案,接每百单位产品不合格品数订数,样品从出厂检验6.3.3
合格批中推取划=--5,其具林要求应符合表了的规定表7周期检验
对应章条
检验项口
据合力
连接牵間度
附度蚀性
粗糙度
技术要求
试验方法
不合格
不合格
质量水平
AclRcl
7标志、包装、运输、贮存
7.1标志
每把兽医组织镊、敷料镊应有以下标志:a)商标或制造商代号;
b)规格。
7.2包装
7.2.1同一规格兽医组织镊、敷料锻应装入小盒内,盒上或盒内应有下列标志:制造商名称和商标;
产品名称,
产品执行标准;
规格;
使用说明书和检验合格证;
包装且期;
包装员代号。
NY/T 1624- 2008
同一规格的兽医组织镊、料锻,证装入防潮的瓦楞纸粘内,箱上应有下列标志:7.2.2
制造商名称、商标利地址;
产品名称和产品执行标:
规格:
毛通:
体积(长×宽×商);
出H期:
“小心轻放”“防潮”等字样和标志,应衍合GB191的有关规定,箱上字祥和标志应保证不会h)
因历时较久而模糊不清。
7.3运输
兽医组织、料镊在运输过程中应保持消洁干燥,严蔡雨淋,不得与有腐蚀性物品混装,装卸时:应小心轻放,
7.4贮存
7.4.1贮存兽医组织镊、敷料镊闷仓库应十燥通风,不得有腐蚀性气休,相对湿度不大于85%。7.4.2兽医组织镊、料镊在符合7.3利7.4.1条规定的条件下,白出厂日期起,产品保质期为1年。
小提示:此标准内容仅展示完整标准里的部分截取内容,若需要完整标准请到上方自行免费下载完整标准文档。
中华人民共和国农业行业标准
NY/T 1624—2008
兽医组织镊、敷料镊
Animal tissae forceps and dressing forceps2008-05-16发布
2008-07-01实施
中华人民共和国农业部
本标准出中华人民共和国农业部兽医局提山。本标准由全国畜牧业标准化技术委员会口。本标推起草单位:农业部畜牧普医器械质检中心、汇苏通宝实业公司。本标准主晏起草人:周河、刘东生、王飞虎,孔蓉、张志轩。本标推为肯次发布。
NY/T1624—-2008
1范围
NY/T1624—2008
本标准规定了兽医组织饿,败料锻的型式和基本尺寸、技术要求、试验方法、检验规则、标志、包装、运输、贮存。
本标准适用于兽医组织摄、数料镊。2规范性引用文件
下列文件中的条款通过木标准的引用而成为本标准的条款。凡是注口期的「用文件,其随后所有的修改单(不包括勘误的内容)或修订版均不适用广本标准,然而,鼓励根据本标准达成协议的各方研究是否可使用这些文件的最新版本。凡是不注明日期的引用文件,其最新版本适用于本标准。GB19I包装储运图示标志
GB/T1220不锈钢棒
GB2828逐批检套计数抽样程序及抽样表(适用连续批的检查)GB2829周期检查计数抽样程序及抽样表(适用于尘产过程穗定性的检查)GB4340金属维氏硬度试验方法
YY/T0149不锈钢医用解械耐腐蚀性能试验方法YY/T0295医用镊通用技术条件,3型式和基本尺寸
兽医望织镊的型式见图1
bl.导度
C.张开宽度
兽医敷料镶的型式见图么。
兽医织镊型式图
a1.魔原
2、壁厚
NY/T16242008
:原度
(张开宽度
图2兽医敷料镊型式图
兽医组织,敷料馒的考本尽寸见表」,裹1兽医组织镊、嫩料摄的基本尺寸L
基本尺寸
技术要求
极限偏差
某本尺寸
被限偏差
兽医组织镊、敷料镀的型式、基本尺寸应符合图1、图2和表1的规定:善医组织镊、敷料霰的制造材料应按表2中的规定选用。表2材bzxZ.net
零件名称
导向销
定位销
2 Ct 13
2 Cr18
: Cr 13
材料名称
1Cr 13
1 Cr 13
I Cr 18 Ni B
1 Cr 18 Ni
U Cr 18 Ni 9
3选用2Cr13、1Cr13不锈钢材料制成的微片,其硬度应符台表3的规定4.3
31.坐厚
82.安乓
单位:m.
22-~26
28~841
32--38
48-~52
标润学
GB/T 1220
二片之差
表3硬度”
380~~480IIV0.5
330~410 IIV 0. 6
40 HV 0.5
NY/T 1624—2008
1 Cr 18 Ni 9
42 HV 0. 5
4.4兽医组织、数料镊应有良好的弹性,行弹性试验时,变形量不得超过1.6mm。4.5兽医组织镊、料镊应对称,表面应光滑,不得有锋拔、毛刺、裂纹、麻点、砂眼。4.6鲁医组织摄、料的担合力应符合表4的规定。表4捏合力
祥食力
125~180
200--300
4.7鲁医组织镊、敷料锻的二片连接应牢固,按YY/T0295附录(C规定避行试验时,二片头端张开距离为全长的100%。
4.8善医组织锻的唇头钩、敷料锻的唇头齿应清晰完整,不得有缺齿、烂齿的缺陷,4.9兽医组织镊的屏头钩、数料摄的唇头齿与槽应吻合。4.10兽医组织锻、数料镊的导问销、定位固定应牢固,开闭时应灵活、不下塞。4.11 医组织、敏料镊的耐腐蚀性能,应不低于YY/T:0149中b级。4.12兽医组织镊、敷料镀的柄花应清晰完整,不得缺花、烂花。4.13兽医红织摄、嫩料镊的外表面可以制造成有光亮或无光亮,其表面粗糙度Ra之数值应不大于表5 的规定。
表5表面粗糙度
外表特征
内栽面
有光亮
无光亮
5试验方法
5.1外观:模伤使用动作以目力观察,应符合4.5、1.8、4.9.4.10.4.12的规定。5.2表面粗糙度:按比较块或电测法进行测量,应符合4.13的规定。外表面
单位:um
5.3尺寸:用通用或专用量具测量,应符3.3的规定。5.4硬度试验:按GB4340的方法测定,在二片镊片的弹管片处各测三点,取其每处三点的算术平均值,应符合4.3的规定。
5.5变形量试验:按YY/T0295录A中规定进行,应符合小.1的规定。5.6捏合力试验:按YY/T0295附录B中规定进行,应符合4.6的规定。5.7
连接牢固度试验:按YY/T0295附录C中规定进行,应符合4.7的规定。5.8耐腐蚀性能试验:按YY/T0419中规定的沸水试验法(A法)进行,应符合4.11的规定:6检验规测
6.1检验分类
NY/T1624--2008
兽医组织、激料镊的检验分为逐批检查(出厂检验)和周期检验(型式检验):6.2逐批检查
6.2.1逐批捡查按GB2828的规定进行。6.2.2鲁医组织锻、数料镊逐批检查采用-次抽样方案,按每百单位产品不合格品数计算,其具休要求应符合表6的规定。
表 6 逐批检查
检验项目
撞合力
连接牢固度
雨腐愈性
6.3周期检验
对应章条
技术要求
武验方法
本合格
检查水平
合格质员水平
正常生产时,每六个月不少丁-次周期检验,有下列情况之一时应进行周期检验。新产品或老产品转厂生产的试制定型鉴定时;正式生产后,如结构材料、工艺有较大政变,可能影响产品性能时;产品停产两年以上重新尘产时:出厂检验结果与上次型式检验有较大差异时;d)
上级技术监督机构提出进行型式检验的要求时。型式检验按GB2829的规定进行。6. 3.2
型式检验采用判别水平Ⅱ的二次抽样方案,接每百单位产品不合格品数订数,样品从出厂检验6.3.3
合格批中推取划=--5,其具林要求应符合表了的规定表7周期检验
对应章条
检验项口
据合力
连接牵間度
附度蚀性
粗糙度
技术要求
试验方法
不合格
不合格
质量水平
AclRcl
7标志、包装、运输、贮存
7.1标志
每把兽医组织镊、敷料镊应有以下标志:a)商标或制造商代号;
b)规格。
7.2包装
7.2.1同一规格兽医组织镊、敷料锻应装入小盒内,盒上或盒内应有下列标志:制造商名称和商标;
产品名称,
产品执行标准;
规格;
使用说明书和检验合格证;
包装且期;
包装员代号。
NY/T 1624- 2008
同一规格的兽医组织镊、料锻,证装入防潮的瓦楞纸粘内,箱上应有下列标志:7.2.2
制造商名称、商标利地址;
产品名称和产品执行标:
规格:
毛通:
体积(长×宽×商);
出H期:
“小心轻放”“防潮”等字样和标志,应衍合GB191的有关规定,箱上字祥和标志应保证不会h)
因历时较久而模糊不清。
7.3运输
兽医组织、料镊在运输过程中应保持消洁干燥,严蔡雨淋,不得与有腐蚀性物品混装,装卸时:应小心轻放,
7.4贮存
7.4.1贮存兽医组织镊、敷料镊闷仓库应十燥通风,不得有腐蚀性气休,相对湿度不大于85%。7.4.2兽医组织镊、料镊在符合7.3利7.4.1条规定的条件下,白出厂日期起,产品保质期为1年。
小提示:此标准内容仅展示完整标准里的部分截取内容,若需要完整标准请到上方自行免费下载完整标准文档。
标准图片预览:





- 其它标准
- 热门标准
- 农业行业标准(NY)
- NY/T1561-2007 秸秆燃气灶
- NY/T2409-2013 有机茄果类蔬菜生产质量控制技术规范
- NY/T1153.2-2013 农药登记用白蚁防治剂药效试验方法及评价 第2部分农药对白蚁毒效传递的室内测定
- NY/T2386-2013 水稻黑条矮缩病防治技术规程
- NY/T2548-2014 饲料中黄曲霉毒素B1的测定 时间分辨荧光免疫层析法
- NY/T2581-2014 植物新品种特异性、一致性和稳定性测试指南 水仙属
- NY/T2385-2013 水稻条纹叶枯病防治技术规程
- NY/T1668-2008 农业野生植物原生境保护点建设技术规范
- NY/T2099-2011 土地流转经纪人
- NY/T1525-2007 乳胶粘合纤维垫
- NY/T676-2010 牛肉等级规格
- NY/T2966-2016 枸杞干燥技术规范
- NY/T1121.6-2006 土壤检测 第6部分:土壤有机质的测定
- NY/T2049-2011 香蕉、番石榴、胡椒、菠萝线虫防治技术规范
- NY/T2279-2012 食用菌中岩藻糖、阿糖醇、海藻糖、甘露醇、甘露糖、葡萄糖、半乳糖、核糖的测定 离子色谱法
- 行业新闻
请牢记:“bzxz.net”即是“标准下载”四个汉字汉语拼音首字母与国际顶级域名“.net”的组合。 ©2025 标准下载网 www.bzxz.net 本站邮件:bzxznet@163.com
网站备案号:湘ICP备2025141790号-2
网站备案号:湘ICP备2025141790号-2