- 您的位置:
- 标准下载网 >>
- 标准分类 >>
- 农业行业标准(NY) >>
- NY/T 1254-2006 钢筋混凝土果树支架
标准号:
NY/T 1254-2006
标准名称:
钢筋混凝土果树支架
标准类别:
农业行业标准(NY)
标准状态:
现行-
发布日期:
2006-12-06 -
实施日期:
2007-02-01 出版语种:
简体中文下载格式:
.rar.pdf下载大小:
837.53 KB
标准ICS号:
农业>>农业机械、工具和设备>>65.060.70园艺设备中标分类号:
工程建设>>工程结构>>P25混凝土结构工程
点击下载
标准简介:
标准下载解压密码:www.bzxz.net
本标准规定了钢筋混凝土果树支架的产品分类、技术要求、试验方法、检验规则、堆放与运输等。本标准适用于藤 类果树支架的钢筋混凝土支架。 NY/T 1254-2006 钢筋混凝土果树支架 NY/T1254-2006
部分标准内容:
ICS65.060.70
中华人民共和国农业行业标准
NY/T1254—2006
钢筋混凝土果树支架
Reinforcrd concretefruit support2006-12-06发布
2007-02-01实施
中华人民共和国农业部发布
本标准由中华人民共和国农业部提出并归口。本标准负责起草单位:农业部建材产品质量监督检验测试中心(呼和浩特)。本标准主要起草人:吴广声、高慧娟、仓武、刘学旺、温茂、李向明、张俊杰。本标准委托农业部建材产品质量监督检验测试中心(呼和浩特)负责解释http:://foodmate.netNY/T1254—2006
1范围
钢筋混凝土果树支架
NY/T1254—2006
本标准规定了钢筋混凝土果树支架(以下简称支架)的产品分类、技术要求、式验方法、检验规则、堆放与运输等。
本标准适用于藤类果树支架的钢筋混凝土支架。2规范性引用文件
下列文件中的条款通过本标准中引用而构成为本标准的条款。凡是注日期的引用文件,其随后所有的修改单(不包括勘误的内容)或修订版均不适用于本标准,然而鼓励根据本标准达成协议的各方研究是否可使用这些文件的最新版本。凡是不注日期的引用文件,其最新版本适用于本标准。GB175硅酸盐水泥、普通硅酸盐水泥GB1344矿渣硅酸盐水泥、火山灰质硅酸盐水泥,粉煤灰硅酸盐水泥GB12958复合硅酸盐水泥
GB/T14684建筑用砂
GB/T14685建筑用卵石碎石
GB50010混凝土结构设计规范
GB50081
GB50204
普通混凝土力学性能试验方法
混凝土结构工程施工质量验收规范GBJ63
混凝土拌合水标准
GBJ107
混凝土强度检验评定标准
JC/T540
3术语和定义
混凝土制品用冷拔冷轧低碳螺纹钢丝下列术语和定义适用于本标准。3.1
裂纹crackle
支架表面有伸人混凝土内部的缝隙。3.2
露筋 steel-leak
支架内部的钢筋未被混凝土包裹而外露的缺陷。3.3
蜂窝honeycomb-like
混凝土表面因漏浆或缺水泥浆而形成石子外露的缺陷。3.4
麻面roughsurface
支架表面呈密集的微孔。
缺楼掉角incompletereinforcedconcretehttp
NY/T1254—2006
支架棱边缺损的现象。
4产品分类
4.1规格
4.1.1支架外形见图1。特殊形状的支架(如弧形)可由供需双方协商确定L
L长度b:宽度h:高度
图1 支架外形
4.1.2支架长度、截面尺寸见表1,其他规格尺寸由供需双方协调确定。表1支架长度、截面尺寸
高度/h
长度几
规格尺寸
单位:mm
4.2预留孔:顶孔距支架端面50mm,孔径Φ10mm,孔间距500mm或可根据用户要求双方共同协商确定其他尺寸的孔间距。
4.3产品标记
4.3.1标记方法
产品按名称、规格尺寸(h×b×L)和标准编号顺序进行标记。长度
4.3.2标记示例
长度为3000mm的钢筋混凝土支架标记如下:支架120X100X3000NY/T125420065一般规定
5.1水泥宜采用不低于32.5MPa的硅酸盐水泥、普通硅酸盐水泥、矿渣硅酸盐水泥、火山灰质硅酸盐水泥、粉煤灰硅酸盐水泥或复合硅酸盐水泥,水泥性能应符合GB175.GB1344.GB12958的规定。5.2细集料应符合GB/T14684的规定。5.3粗集料应符合GB/T14685的规定。5.4钢材应符合JC/T540的规定。5.5混凝土强度
混凝土强度等级不低于C20。
6技术要求
6.1配筋
http:
oodmatnno
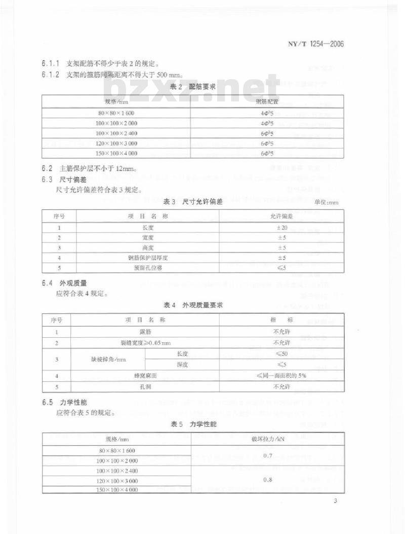
6.1.1支架配筋不得少于表2的规定。2支架的箍筋间隔距离不得大于500mm。6.1.2
表2配筋要求
规格/mma
80×80×1600
100×100×2000
100×100×2400
120×100×3000
150X100X4000
6.2主筋保护层不小于12mm
6.3尺寸偏差
尽寸允许偏差符合表3规定。
表3尺寸充许偏差
外观质量
应符合表4规定。
6.5力学性能
项日名称
钢筋保护层厚度
预留孔位移
表4外观质量要求
项目名称
裂缝宽度≥0.05mm
缺棱掉角/mm
应符合表5的规定。
规格/mm
蜂窝麻面
80×80×1600
100X100×2000
100×100X2400
120X100×3000
150X100×4000
表5力学性能
http:1
wwfoodmafe.net
钢筋配置
NY/T1254—2006
单位:mm
充许偏差
不充许
不允许
<同一面面积的5%
不允许
敲坏拉力/kN
NY/T1254—2006
7试验方法
7.1尺寸测量和外观质量检查
7.1.1工具
钢卷尺:5m,精度1mm
钢直尺:300mm,精度1mma
读数显微镜:20倍。
7.1.2长度测量
用钢卷尺沿支架长度方向上下边缘相平行,钢卷尺要拉直,贴平于支架两端表面,不得下垂或被石子等杂物垫起,支架四周的飞边、局部不平、缺棱掉边等均不得计算在内。7.1.3宽度、高度的测量
在距支架端面200mm处,各测量4个宽度和高度尺寸,取最大偏差值,精确至1mm。7.1.4钢筋保护层
用钢直尺测量两端面和试件断裂处的保护层厚度,取最大偏差值,精确至1mm。7.1.5预留孔位移
用钢直尺测量孔中心之间和孔中心距端面的尺寸,取最大偏差值,精确至1mm7.1.6露筋、孔洞
目测。
7.1.7裂缝
用读数显微镜测量裂缝的最大宽度。7.1.8蜂窝、麻面
用钢直尺测量蜂窝,麻面的尺寸,计算其面积占所在面积的百分数。7.2力学性能
试验方法见附录A。
8检验规则
检验项目
产品出厂必须进行出厂检验。
出厂检验的项目为:尺寸偏差、外观质量、力学性能。8.2抽样
8.2.1批量以同规格的产品2000根为一批,3个月生产不足2000根的以3个月产量为一批计。8.2.2抽样数量
8.2.21尺寸测量和外观质量检查的试件从每批产品中随机抽取10根。8.2.2.2力学性能检验试样从每批产品中随机抽取3根。其中1根试验,另两根备用。8.3判定规则
8.3.1尺寸偏差外观质量指标其中有一项不合格,即为不合格试件。10根试件中不合格试件多于3根时,则判尺寸偏差、外观质量不合格。8.3.2力学性能试验值满足表5规定时,判力学性能合格。否则,用备用的2根进行试验,2根试验值全部满足表5规定时,判力学性能合格。8.3.3总判定
尺寸偏差、外观质量、力学性能全部合格时,判该批产品合格。4
h
9标志、堆放、运输
9.1标志
NY/T1254—2006
产品出厂应有产品质量合格证书,合格证书内容应包括:生产企业名称、产品质量等级、生产批号或日期、规格尺寸等。
9.2堆放、运输
9.2.1支架应按规格分别堆放。
9.2.2堆放层数不得多于8层。
9.2.3堆垛应正向放在支垫物上,层与层之间用支垫物隔开,支承点位置距两端0.1L处,各层支垫物位置应在同一垂线上。
9.2.4运输过程中产品的支承按9.2.3规定。5产品装卸起吊和运输过程中应轻起轻放,严禁抛掷和碰撞。9.25
http://foodmate.netNY/T12542006
附录A
【规范性附录】
混凝土果树支架力学性能试验方法本试验方法用于测定混凝土果树支架力学性能A.1
A.2试验仪器设备
A.2.1台座
用于固定试件的支承座,可采用钢支座或钢筋混凝土支座。采用水平加荷时,为消除支架自重影响,应采用灵活的滚动支座。
A.2.2加荷设备
可采用电动机械传动、卷扬机或手动葫芦方式施加荷载。A.2.3测力计
量程010kN,分度值0.01kN。
试验方法
加荷原理见图A.1
1.混凝土(或钢制)台座
2.滚动支座
3.测力计
禁支座位置尺寸及加荷位置尺寸见表A.1A.3.2
力学性能试验各部分尺寸
http:
单位:mm
A.3.3加荷程序
表A.1(续)
NY/T1254—2006bzxZ.net
由零分别按标准破坏力的20%、40%、60%、80%、100%逐次加荷,每一次加荷后至少静停1min,方可进行下一次加荷。破坏标志为下列任一种情况:a)裂缝宽度超过2.0mm;
b)受拉主筋断裂。
http:/t
wurfoodmatnno
小提示:此标准内容仅展示完整标准里的部分截取内容,若需要完整标准请到上方自行免费下载完整标准文档。
中华人民共和国农业行业标准
NY/T1254—2006
钢筋混凝土果树支架
Reinforcrd concretefruit support2006-12-06发布
2007-02-01实施
中华人民共和国农业部发布
本标准由中华人民共和国农业部提出并归口。本标准负责起草单位:农业部建材产品质量监督检验测试中心(呼和浩特)。本标准主要起草人:吴广声、高慧娟、仓武、刘学旺、温茂、李向明、张俊杰。本标准委托农业部建材产品质量监督检验测试中心(呼和浩特)负责解释http:://foodmate.netNY/T1254—2006
1范围
钢筋混凝土果树支架
NY/T1254—2006
本标准规定了钢筋混凝土果树支架(以下简称支架)的产品分类、技术要求、式验方法、检验规则、堆放与运输等。
本标准适用于藤类果树支架的钢筋混凝土支架。2规范性引用文件
下列文件中的条款通过本标准中引用而构成为本标准的条款。凡是注日期的引用文件,其随后所有的修改单(不包括勘误的内容)或修订版均不适用于本标准,然而鼓励根据本标准达成协议的各方研究是否可使用这些文件的最新版本。凡是不注日期的引用文件,其最新版本适用于本标准。GB175硅酸盐水泥、普通硅酸盐水泥GB1344矿渣硅酸盐水泥、火山灰质硅酸盐水泥,粉煤灰硅酸盐水泥GB12958复合硅酸盐水泥
GB/T14684建筑用砂
GB/T14685建筑用卵石碎石
GB50010混凝土结构设计规范
GB50081
GB50204
普通混凝土力学性能试验方法
混凝土结构工程施工质量验收规范GBJ63
混凝土拌合水标准
GBJ107
混凝土强度检验评定标准
JC/T540
3术语和定义
混凝土制品用冷拔冷轧低碳螺纹钢丝下列术语和定义适用于本标准。3.1
裂纹crackle
支架表面有伸人混凝土内部的缝隙。3.2
露筋 steel-leak
支架内部的钢筋未被混凝土包裹而外露的缺陷。3.3
蜂窝honeycomb-like
混凝土表面因漏浆或缺水泥浆而形成石子外露的缺陷。3.4
麻面roughsurface
支架表面呈密集的微孔。
缺楼掉角incompletereinforcedconcretehttp
NY/T1254—2006
支架棱边缺损的现象。
4产品分类
4.1规格
4.1.1支架外形见图1。特殊形状的支架(如弧形)可由供需双方协商确定L
L长度b:宽度h:高度
图1 支架外形
4.1.2支架长度、截面尺寸见表1,其他规格尺寸由供需双方协调确定。表1支架长度、截面尺寸
高度/h
长度几
规格尺寸
单位:mm
4.2预留孔:顶孔距支架端面50mm,孔径Φ10mm,孔间距500mm或可根据用户要求双方共同协商确定其他尺寸的孔间距。
4.3产品标记
4.3.1标记方法
产品按名称、规格尺寸(h×b×L)和标准编号顺序进行标记。长度
4.3.2标记示例
长度为3000mm的钢筋混凝土支架标记如下:支架120X100X3000NY/T125420065一般规定
5.1水泥宜采用不低于32.5MPa的硅酸盐水泥、普通硅酸盐水泥、矿渣硅酸盐水泥、火山灰质硅酸盐水泥、粉煤灰硅酸盐水泥或复合硅酸盐水泥,水泥性能应符合GB175.GB1344.GB12958的规定。5.2细集料应符合GB/T14684的规定。5.3粗集料应符合GB/T14685的规定。5.4钢材应符合JC/T540的规定。5.5混凝土强度
混凝土强度等级不低于C20。
6技术要求
6.1配筋
http:
oodmatnno
6.1.1支架配筋不得少于表2的规定。2支架的箍筋间隔距离不得大于500mm。6.1.2
表2配筋要求
规格/mma
80×80×1600
100×100×2000
100×100×2400
120×100×3000
150X100X4000
6.2主筋保护层不小于12mm
6.3尺寸偏差
尽寸允许偏差符合表3规定。
表3尺寸充许偏差
外观质量
应符合表4规定。
6.5力学性能
项日名称
钢筋保护层厚度
预留孔位移
表4外观质量要求
项目名称
裂缝宽度≥0.05mm
缺棱掉角/mm
应符合表5的规定。
规格/mm
蜂窝麻面
80×80×1600
100X100×2000
100×100X2400
120X100×3000
150X100×4000
表5力学性能
http:1
wwfoodmafe.net
钢筋配置
NY/T1254—2006
单位:mm
充许偏差
不充许
不允许
<同一面面积的5%
不允许
敲坏拉力/kN
NY/T1254—2006
7试验方法
7.1尺寸测量和外观质量检查
7.1.1工具
钢卷尺:5m,精度1mm
钢直尺:300mm,精度1mma
读数显微镜:20倍。
7.1.2长度测量
用钢卷尺沿支架长度方向上下边缘相平行,钢卷尺要拉直,贴平于支架两端表面,不得下垂或被石子等杂物垫起,支架四周的飞边、局部不平、缺棱掉边等均不得计算在内。7.1.3宽度、高度的测量
在距支架端面200mm处,各测量4个宽度和高度尺寸,取最大偏差值,精确至1mm。7.1.4钢筋保护层
用钢直尺测量两端面和试件断裂处的保护层厚度,取最大偏差值,精确至1mm。7.1.5预留孔位移
用钢直尺测量孔中心之间和孔中心距端面的尺寸,取最大偏差值,精确至1mm7.1.6露筋、孔洞
目测。
7.1.7裂缝
用读数显微镜测量裂缝的最大宽度。7.1.8蜂窝、麻面
用钢直尺测量蜂窝,麻面的尺寸,计算其面积占所在面积的百分数。7.2力学性能
试验方法见附录A。
8检验规则
检验项目
产品出厂必须进行出厂检验。
出厂检验的项目为:尺寸偏差、外观质量、力学性能。8.2抽样
8.2.1批量以同规格的产品2000根为一批,3个月生产不足2000根的以3个月产量为一批计。8.2.2抽样数量
8.2.21尺寸测量和外观质量检查的试件从每批产品中随机抽取10根。8.2.2.2力学性能检验试样从每批产品中随机抽取3根。其中1根试验,另两根备用。8.3判定规则
8.3.1尺寸偏差外观质量指标其中有一项不合格,即为不合格试件。10根试件中不合格试件多于3根时,则判尺寸偏差、外观质量不合格。8.3.2力学性能试验值满足表5规定时,判力学性能合格。否则,用备用的2根进行试验,2根试验值全部满足表5规定时,判力学性能合格。8.3.3总判定
尺寸偏差、外观质量、力学性能全部合格时,判该批产品合格。4
h
9标志、堆放、运输
9.1标志
NY/T1254—2006
产品出厂应有产品质量合格证书,合格证书内容应包括:生产企业名称、产品质量等级、生产批号或日期、规格尺寸等。
9.2堆放、运输
9.2.1支架应按规格分别堆放。
9.2.2堆放层数不得多于8层。
9.2.3堆垛应正向放在支垫物上,层与层之间用支垫物隔开,支承点位置距两端0.1L处,各层支垫物位置应在同一垂线上。
9.2.4运输过程中产品的支承按9.2.3规定。5产品装卸起吊和运输过程中应轻起轻放,严禁抛掷和碰撞。9.25
http://foodmate.netNY/T12542006
附录A
【规范性附录】
混凝土果树支架力学性能试验方法本试验方法用于测定混凝土果树支架力学性能A.1
A.2试验仪器设备
A.2.1台座
用于固定试件的支承座,可采用钢支座或钢筋混凝土支座。采用水平加荷时,为消除支架自重影响,应采用灵活的滚动支座。
A.2.2加荷设备
可采用电动机械传动、卷扬机或手动葫芦方式施加荷载。A.2.3测力计
量程010kN,分度值0.01kN。
试验方法
加荷原理见图A.1
1.混凝土(或钢制)台座
2.滚动支座
3.测力计
禁支座位置尺寸及加荷位置尺寸见表A.1A.3.2
力学性能试验各部分尺寸
http:
单位:mm
A.3.3加荷程序
表A.1(续)
NY/T1254—2006bzxZ.net
由零分别按标准破坏力的20%、40%、60%、80%、100%逐次加荷,每一次加荷后至少静停1min,方可进行下一次加荷。破坏标志为下列任一种情况:a)裂缝宽度超过2.0mm;
b)受拉主筋断裂。
http:/t
wurfoodmatnno
小提示:此标准内容仅展示完整标准里的部分截取内容,若需要完整标准请到上方自行免费下载完整标准文档。
标准图片预览:





- 其它标准
- 热门标准
- 农业行业标准(NY)
- NY∕T3212-2018 拖拉机和联合收割机登记证书
- NY/T5357-2007 无公害食品 海洋水产品捕捞生产管理规范
- NY/T2444-2013 菠萝叶纤维
- NY2188-2012 联合收割机号牌座设置技术要求
- NY/T2686-2015 旱作玉米全膜覆盖技术规范
- NY/T2493-2013 植物新品种特异性、一致性和稳定性测试指南 荞麦
- NY/T2520-2013 植物新品种特异性、一致性和稳定性测试指南 树莓
- NY/T605-2006 焙炒咖啡
- NY/T2423-2013 植物新品种特异性、一致性和稳定性测试指南 小豆
- NY/T1178-2006 牧区牛羊棚圈建设技术规范
- NY/T2484-2013 植物新品种特异性 一致性和稳定性测试指南 无芒雀麦
- NY/T2251-2012 香蕉花叶心腐病和束顶病病原分子检测技术规范
- NY/T2618-2014 农业机械传动变速箱 修理质量
- NY/T2409-2013 有机茄果类蔬菜生产质量控制技术规范
- NY/T2464-2013 马铃薯收获机 作业质量
- 行业新闻
请牢记:“bzxz.net”即是“标准下载”四个汉字汉语拼音首字母与国际顶级域名“.net”的组合。 ©2025 标准下载网 www.bzxz.net 本站邮件:bzxznet@163.com
网站备案号:湘ICP备2025141790号-2
网站备案号:湘ICP备2025141790号-2