- 您的位置:
- 标准下载网 >>
- 标准分类 >>
- 农业行业标准(NY) >>
- NY/T 1496.1-2007 农村户用沼气输气系统 第1部分:塑料管材
标准号:
NY/T 1496.1-2007
标准名称:
农村户用沼气输气系统 第1部分:塑料管材
标准类别:
农业行业标准(NY)
标准状态:
现行-
发布日期:
2007-12-18 -
实施日期:
2008-03-01 出版语种:
简体中文下载格式:
.rar.pdf下载大小:
126.94 KB
标准ICS号:
橡胶和塑料工业>>83.140橡胶和塑料制品中标分类号:
建材>>建材产品>>Q22建筑用塑料制品
部分标准内容:
ICS83.140
中华人民共和国农业行业标准
NY/T 1496.12007
农村户用沼气输气系统
第1部分:塑料管材
Biogas transmission system for rural household-Part 1 : Thermoplastics pipes2007-12-18发布
2008-03-01实施
中华人民共和国农业部发布
NY/T14962007
7《农村户用沼气输气系统为系列标准,分为二部分:第1部分:塑料管材:
一第2部分:塑料管件:
第3部分:塑料开关。
本部分是NY/T1496
《农村户用沼气输气系统>的第1部分本标准由中华人民共和国农业部科技教育司提出开归口。本标准起草单位:农业部沼气产品及设备质量监肾检验测试中心。本标土要起草人:郑时选、陈子爱、王超、颜秀琴NY/T 1496. 1—2007
1范围
农村户用沼气输气系统
第1部分:塑料管材
NY/T 1496.1 2007
本部分规定农村广用沼气输气系统聚乙烯(PE)聚氯乙烯(PVC)管材和聚氮乙烯树脂为上要原料挤出成型软管的要求、试验方法,检验规则,包装、标志、运输和贮存等。本部分适用于在压力12la和温度40%以下环境条件中使用2规范性引用文件
下列文性中的条款通过本标推的引用而成为本标准的条款:儿是注口期的引用文件,其随后所有的修改单(不包括误的内容)或修订版均不适用于本标准,然而,鼓协根据本标准达成协议的各方研究是否可使用这些文件的最新版本。凡是不注口期的引用文件,其最新版本适用于本标准。GB/T10331986塑料密度和相对密度试验方法GB/T1010.3--2007塑料拉伸性能试验方法GB/T2828.1-2003技术抽样检验程序第1部分:按接收质量限(AQI.)检索的逐批检验抽样划(IS 28591:1999.ID)
GB/T2918-1998塑料试样状态调节利试验的标准环境GB/T 667I--2001
热塑性塑料管材纵何间缩率的测定GB/T 6111-2003
流体输送用热塑性塑料管材耐内压试验方法GB/1714—1992塑料热空气暴露试验方法热塑性管材,管件维卡软化温度的测定方法GB/T8802 -2001
GB/T 88061998塑料管材尺寸测量方法硬聚氧乙烯(PVCL)管材二氮甲烷浸渍试验方法GB/T13526—1992
GB/T14152一2001:热塑性塑料营材耐洲击性能试验方法时针旋转法3材料
3.1聚氯乙烯(1\VC)管材树脂含量应不低于70%。3.2聚乙烯(FE)管材应用密度聚乙烯(MT)FE)及高密度聚乙烯(HDPE)管材专用料。3.3允许使用本厂不超过20%的清洁回用料。3.4聚氯乙烯软管树脂含量应不低于60%。4要求
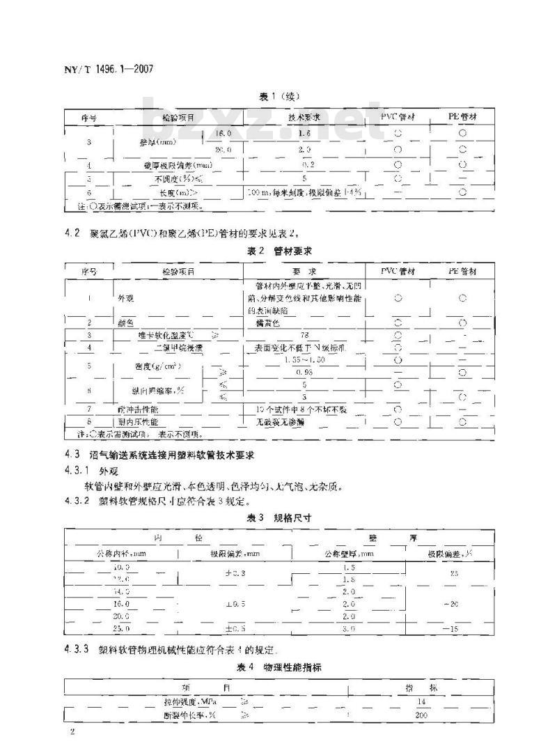
4.1几何尺寸应符合表1规定。
表1几何尺寸
检验功H
外径(rum)
平均外径极限偏差(mm)
技术要求
PVC管材
PE普材
NY/T1496.1—2007
检验项目
壁厚(m)
壁厚极限偏差(mm)
不阅度(%》
注)示需测试项一表示不测项。
表1(续)
技术要求
200m,谢米划度,极限偏差1-1%聚氯乙烯(IVC)和聚乙烯(PE)管材的要求见表2表 2管材要求
检验项育
维卡软化温度℃
二额甲烷视清
密度(g/cm)
纵向缩率,路
前冲击性能
耐内压性能
注:心表示需测试项;表示不测项。要求
管材内外壁应+整、光滑、无凹
陷、分解变危线和其他影响性能的装面缺陷
橘黄色
表面变化不低下V级标理
1. 35 -- 1. 30
13个试件中8个不坏不裂
无破裂无渗漏
4.3沼气输送系统连接用塑料软管技术要求4.3.1外观
软管内壁和外壁应光滑、本色透明、色泽均勺、气泡、无杂质,4.3.2塑料软管规格尺小应符合表3规定。表3规格尺寸
公栋内格.m
极限偏差,mm
塑料软管物埋机械性能应符台表!的规定表4
拉仙强度,MPa
断神长率,以
物理性能指标
公称壁卓,mm
FVC管材
PVC管材
PE管材
PE管树
极限偏差,
热老化性能
浸渍试验
质量变化率W乐
5试验方法
5.1试验条件
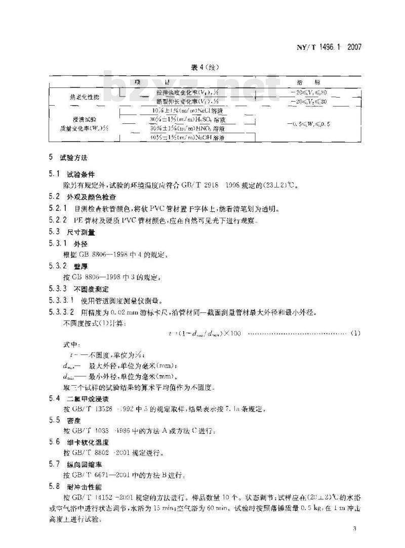
表4(线)
拉伸强度变化率(V,).X
断裂仰长变化率(V).%
0不上/场(m/n)Necl济液
30%=1%(m/m)H.SQ裕液
30%±1%(m/m)HNO,溶液
10%=1%(m/m)Na0H溶液
NY/T 1496.12007
-- 20V,20
20V,20
0. 5W.≤0. 5
除外有规定外,试验的坏境温度应符合GB/T29181998规定的(23工2)℃。5.2外观及颜色检查
5.2.1目测检背软誉颜色,将软PVC管材置于字体上,能看清笔划为透5.2.2PE管材及硬质PVC普材颜色,应在自然可见光下行观察,5.3尺寸测量
5.3.1外径
根据GB 8806--1998中4的规定:5.3.2壁摩
按CB8806—1998中3的规定。
5.3.3不回度测定
5.3. 3.1使用管道圆度测量仪测量。5.3.3.2用精度为0.02mn游标卡尺,沿管材同一截面测量管材最大外径和最小外径。不圆度按式(1)汀算:
t =(1--d./d-m)X100
1-一不圆度,单位为沉:
dmx—最太外径,单位为毫米(mm);dm—最小外径,单位为毫米(mm)
取一个试样的试验结果的算术平均值作为不圆度,5.4二氯甲烷漫渍
按GB/T13526992中5的规定取样,结果表示7.1a-条规定,5.5密度
按GB/T10331986 中的方法A或方法C进衍5.6维卡软化温度
按GB/8802-2001规定进行
5.7纵向回缩率
按GB/T6671—2001中的方法B进行:5.8耐冲击性能
按GB/114152-2001规定的方法进行。样品数量10个。状态调节:试样应在(2!上2)℃的水浴或空气济中进行状态调节,水浴为15min;空气浴为60min。试验时按照落锤质量0.5kg:在1冲出高度上进行试验:
NY/T 1496. 1: 2007
5.9耐内压性能试验
按GB/T 6111--2003试验方法,试样状态调节按表 1第一栏规定,试验压力为 0. 2 MPa 下:保持1h.
5.10翼料软管规格尺寸
5.10.1试样预处理,在(23±2)℃下,放置20 h以1。5.10.2内径用精度为0.021mm的卡尺和锥度不大于1;20的塞规测量:从样品上垂直切取30mm长并且没有扭曲的管段作为试样。轻轻转动试样白然地套在应的塞规上,当试样和塞规之间圆周上任何部位均尤空隙时(但注意不要用力以免试管径撑胀),用0.02mm游标卡尺测量试样与塞规端部之问的距离,然后用内插法计算出试样内径,5.10.3壁厚:用精度为0.02mm游标-卡尺在软管间隔120°处测量其壁厚.并取共一个数值的平均值。
5.11拉伸强度和断裂伸长率测定5.11.1试样
取试样总长度150mm,将诚样制GB/T1040.32007规定中5型试样,共5个。5.11.2试验方法
按GB/T1040.32007规定进行,拉伸速度为(250+50)mm/mint5.11.3热老化性能的测定
5. 11. 3.1试样
按 5. 11. 1 规定。
5.11.3.2试验设备及要求
a)老化试验箱成符合GB/T7141—1992规定,6)拉力试验机:0~5000V
5.11.3.3试验步骤
将五个试样垂直悬挂在(120土2)℃的老化箱中部,试样相互间距应不小于20mm。保持6h后立即从老化箱中取山,在(23士2)℃下放置20h后与另五个米经老化试验的试样同时进行位伸强度和断裂伸长率的测定:
5.11.3.4试验结果的计算
a)热老化强度变化按式(2)计算:V =_×100
式中:
V——热老化拉伸独度变化率,单位为%;ai-热老化拉伸后强度,单位为兆帕(MPa);—-热老化拉伸前强度,单位为兆帕(MP)。b)热老化断裂伸长变化率按式(3)计算:V = E = × 100下载标准就来标准下载网
式中;
V,一一热老化拉伸强度变化率.单位为%:热老化后拉仲前强度.单位为兆帕(M1’);热老化前拉仲前强度,单位为兆帕(MPa)试验结果取五个试样的算术平均值。4
5.12浸渍试验
5.12.1试样
从软管中切取质量约为5g的试样,数量3个。5.12.2试验仪器
5. 12. 2. 1分析天平,精度为 0. 1 mg。5.12.2.2装有硅胶或其他T燥剂的下燥器。5.12.2.3试验步骤及结果计算
NY/T 1496. 1—2007
将一个试样在T燥器中放置24H,取出称量(m.),然后置于表1规定的试剂中。在(50二2)%的条件下保持24h,取出试样,用流水洗涤5s,历滤纸吸干试样内外表面水分后称量(m1)。试验结果按式(4)计算:
W==m×100
式f1:
质量变化率,单位为%;
m——浸渍前质量,单位为克(g):TW——浸渍后质量,单位为克(g)试验结果取三个减样的算术平均值6检验规则
6.1检验分类
6.1.1出厂检验
出」检验项目包括颜色,外观.几何尺小。6. 1.2型式检验
型式检验的项日包括本标准规定的全部技术要求,有下列情说之·时,施进行型检验:a)新产品试制或老产品转厂生产的试制定型鉴定;h)正常生产时,每年进行欲型式检验;】产站的原料配比,工较政变,可能影响产品所是时d)产品停产半年以上,恢复牛产时;e)出产检验结果与「次型式检验有较大差异时)国家质量监督机构提出进行型式检验要求。6.2组批与抽样规则
6.2.1组批
同一原料,配方和1艺条件下牛,产内同一规格管材为--批,每批数量不超过10 1。如果牛产数量少,以7d户量为一批。
6.2.2抽样
6.2.2.1出厂检验和型式检验产品取样时,按以下规定进行.a)聚乙烯(PE)管材在一盘中随机取5 tm。b)聚氯乙烯(PVC)管材随机抽取5 m.心)聚氯乙烯(PVC)软管在一盘中随机取3 m6.2.2.2外观利尺寸按GB/T 2828.12003采用正常检验次抽样方案,取一般检验水平I,个格质量水平6.5,抽样方案见表5。
NY/T1496.1—2007
批量范
16~-25
6.3判定规则
表5抽样方案
样太小N
合格判定数 Ac
不合格判定数 Re
6.3.1单项判定:聚氯乙烯和聚乙烯管材项H试验结果符合表1和表2规定,聚氯乙烯软管项目试验结果符合表3和表4规定,判该频月合格。6.3.2管材的综合判定见表6。
管材测试项目及判定
6.3.3聚氯乙烯软管综合判定见表7项日名称
几何尺寸
维卡软化温度
纵向回缩率
配冲击性能
过内臣性能
表7聚氯乙烯软管测试项目及判定项H名称
拉筛幅度
断婆伸长率
热老化性能
没溃试验
不允许不合格
不允许不合格
6.3.4按表5和表6判定,有一项达不到规定指标时:可随机抽取双倍样品进行该项的复验,如仍不合格·则判该批不合格。
7标志、包装、运输和贴存
7.1标志
7.1.1成型管材应有标志,标志的色应区别于管材的颜色。标志不应引发管材破裂或其他形式的失效。在正常忙存,气候老化、加工及允许的安装,使用后,在管材的整个存命周期内标记学迹成保持清晰可辨。标志不应削弱管材的性能。7.1.2两个标志尚所不大十2m
7.1.3材标志内容包括,
a)产品名称;
商标或作产厂..
)材料类别;
d)尺寸;
e)执行标准。
7.2包装
7.2.1PE管材盘卷,每盘的直径45mm,每盘长度100m,300m。7.2. 2
2在外包装、标签或标志上应写明厂名、厂址、生产口期。7.3运输
NY/T 1496. 1 -2007
管材运输时,不得受到划伤、抛摔.剧烈的摘法.暴晒、雨琳、油污和化学品的污染7.4贮存
7.4.1赋存期间应保证通风、干燥,远离热源及化学品的污染。如窄外堆放应有遮盖物。管材应水平整齐堆放,堆叠高度不高于2m
2产品储存期2年。
NY/ T 1496.1-2007
中华人民共和国
农业行业标准
农村户用沼气输气系统
第1部分:塑料普材
NY/T 1496. I—2007
中国农业出版社出版
(.北京市朝阳区麦子店街18号校)(邮政编码:100026
网址; trcp. cam.en)
中国农业出版扎印刷广印刷
新华书店北京发行所发行
开本 88Ctrm×=230mm 1/:6
2008年3H第1版
各地新华书店经销
字徽?千宇
2n08年3H北京第二次印刷
书号:16109.1583
印数:1~500 册
定价:10.0元
版权专有侵权必究
举报电话:(010)65005894
小提示:此标准内容仅展示完整标准里的部分截取内容,若需要完整标准请到上方自行免费下载完整标准文档。
中华人民共和国农业行业标准
NY/T 1496.12007
农村户用沼气输气系统
第1部分:塑料管材
Biogas transmission system for rural household-Part 1 : Thermoplastics pipes2007-12-18发布
2008-03-01实施
中华人民共和国农业部发布
NY/T14962007
7《农村户用沼气输气系统为系列标准,分为二部分:第1部分:塑料管材:
一第2部分:塑料管件:
第3部分:塑料开关。
本部分是NY/T1496
《农村户用沼气输气系统>的第1部分本标准由中华人民共和国农业部科技教育司提出开归口。本标准起草单位:农业部沼气产品及设备质量监肾检验测试中心。本标土要起草人:郑时选、陈子爱、王超、颜秀琴NY/T 1496. 1—2007
1范围
农村户用沼气输气系统
第1部分:塑料管材
NY/T 1496.1 2007
本部分规定农村广用沼气输气系统聚乙烯(PE)聚氯乙烯(PVC)管材和聚氮乙烯树脂为上要原料挤出成型软管的要求、试验方法,检验规则,包装、标志、运输和贮存等。本部分适用于在压力12la和温度40%以下环境条件中使用2规范性引用文件
下列文性中的条款通过本标推的引用而成为本标准的条款:儿是注口期的引用文件,其随后所有的修改单(不包括误的内容)或修订版均不适用于本标准,然而,鼓协根据本标准达成协议的各方研究是否可使用这些文件的最新版本。凡是不注口期的引用文件,其最新版本适用于本标准。GB/T10331986塑料密度和相对密度试验方法GB/T1010.3--2007塑料拉伸性能试验方法GB/T2828.1-2003技术抽样检验程序第1部分:按接收质量限(AQI.)检索的逐批检验抽样划(IS 28591:1999.ID)
GB/T2918-1998塑料试样状态调节利试验的标准环境GB/T 667I--2001
热塑性塑料管材纵何间缩率的测定GB/T 6111-2003
流体输送用热塑性塑料管材耐内压试验方法GB/1714—1992塑料热空气暴露试验方法热塑性管材,管件维卡软化温度的测定方法GB/T8802 -2001
GB/T 88061998塑料管材尺寸测量方法硬聚氧乙烯(PVCL)管材二氮甲烷浸渍试验方法GB/T13526—1992
GB/T14152一2001:热塑性塑料营材耐洲击性能试验方法时针旋转法3材料
3.1聚氯乙烯(1\VC)管材树脂含量应不低于70%。3.2聚乙烯(FE)管材应用密度聚乙烯(MT)FE)及高密度聚乙烯(HDPE)管材专用料。3.3允许使用本厂不超过20%的清洁回用料。3.4聚氯乙烯软管树脂含量应不低于60%。4要求
4.1几何尺寸应符合表1规定。
表1几何尺寸
检验功H
外径(rum)
平均外径极限偏差(mm)
技术要求
PVC管材
PE普材
NY/T1496.1—2007
检验项目
壁厚(m)
壁厚极限偏差(mm)
不阅度(%》
注)示需测试项一表示不测项。
表1(续)
技术要求
200m,谢米划度,极限偏差1-1%聚氯乙烯(IVC)和聚乙烯(PE)管材的要求见表2表 2管材要求
检验项育
维卡软化温度℃
二额甲烷视清
密度(g/cm)
纵向缩率,路
前冲击性能
耐内压性能
注:心表示需测试项;表示不测项。要求
管材内外壁应+整、光滑、无凹
陷、分解变危线和其他影响性能的装面缺陷
橘黄色
表面变化不低下V级标理
1. 35 -- 1. 30
13个试件中8个不坏不裂
无破裂无渗漏
4.3沼气输送系统连接用塑料软管技术要求4.3.1外观
软管内壁和外壁应光滑、本色透明、色泽均勺、气泡、无杂质,4.3.2塑料软管规格尺小应符合表3规定。表3规格尺寸
公栋内格.m
极限偏差,mm
塑料软管物埋机械性能应符台表!的规定表4
拉仙强度,MPa
断神长率,以
物理性能指标
公称壁卓,mm
FVC管材
PVC管材
PE管材
PE管树
极限偏差,
热老化性能
浸渍试验
质量变化率W乐
5试验方法
5.1试验条件
表4(线)
拉伸强度变化率(V,).X
断裂仰长变化率(V).%
0不上/场(m/n)Necl济液
30%=1%(m/m)H.SQ裕液
30%±1%(m/m)HNO,溶液
10%=1%(m/m)Na0H溶液
NY/T 1496.12007
-- 20V,20
20V,20
0. 5W.≤0. 5
除外有规定外,试验的坏境温度应符合GB/T29181998规定的(23工2)℃。5.2外观及颜色检查
5.2.1目测检背软誉颜色,将软PVC管材置于字体上,能看清笔划为透5.2.2PE管材及硬质PVC普材颜色,应在自然可见光下行观察,5.3尺寸测量
5.3.1外径
根据GB 8806--1998中4的规定:5.3.2壁摩
按CB8806—1998中3的规定。
5.3.3不回度测定
5.3. 3.1使用管道圆度测量仪测量。5.3.3.2用精度为0.02mn游标卡尺,沿管材同一截面测量管材最大外径和最小外径。不圆度按式(1)汀算:
t =(1--d./d-m)X100
1-一不圆度,单位为沉:
dmx—最太外径,单位为毫米(mm);dm—最小外径,单位为毫米(mm)
取一个试样的试验结果的算术平均值作为不圆度,5.4二氯甲烷漫渍
按GB/T13526992中5的规定取样,结果表示7.1a-条规定,5.5密度
按GB/T10331986 中的方法A或方法C进衍5.6维卡软化温度
按GB/8802-2001规定进行
5.7纵向回缩率
按GB/T6671—2001中的方法B进行:5.8耐冲击性能
按GB/114152-2001规定的方法进行。样品数量10个。状态调节:试样应在(2!上2)℃的水浴或空气济中进行状态调节,水浴为15min;空气浴为60min。试验时按照落锤质量0.5kg:在1冲出高度上进行试验:
NY/T 1496. 1: 2007
5.9耐内压性能试验
按GB/T 6111--2003试验方法,试样状态调节按表 1第一栏规定,试验压力为 0. 2 MPa 下:保持1h.
5.10翼料软管规格尺寸
5.10.1试样预处理,在(23±2)℃下,放置20 h以1。5.10.2内径用精度为0.021mm的卡尺和锥度不大于1;20的塞规测量:从样品上垂直切取30mm长并且没有扭曲的管段作为试样。轻轻转动试样白然地套在应的塞规上,当试样和塞规之间圆周上任何部位均尤空隙时(但注意不要用力以免试管径撑胀),用0.02mm游标卡尺测量试样与塞规端部之问的距离,然后用内插法计算出试样内径,5.10.3壁厚:用精度为0.02mm游标-卡尺在软管间隔120°处测量其壁厚.并取共一个数值的平均值。
5.11拉伸强度和断裂伸长率测定5.11.1试样
取试样总长度150mm,将诚样制GB/T1040.32007规定中5型试样,共5个。5.11.2试验方法
按GB/T1040.32007规定进行,拉伸速度为(250+50)mm/mint5.11.3热老化性能的测定
5. 11. 3.1试样
按 5. 11. 1 规定。
5.11.3.2试验设备及要求
a)老化试验箱成符合GB/T7141—1992规定,6)拉力试验机:0~5000V
5.11.3.3试验步骤
将五个试样垂直悬挂在(120土2)℃的老化箱中部,试样相互间距应不小于20mm。保持6h后立即从老化箱中取山,在(23士2)℃下放置20h后与另五个米经老化试验的试样同时进行位伸强度和断裂伸长率的测定:
5.11.3.4试验结果的计算
a)热老化强度变化按式(2)计算:V =_×100
式中:
V——热老化拉伸独度变化率,单位为%;ai-热老化拉伸后强度,单位为兆帕(MPa);—-热老化拉伸前强度,单位为兆帕(MP)。b)热老化断裂伸长变化率按式(3)计算:V = E = × 100下载标准就来标准下载网
式中;
V,一一热老化拉伸强度变化率.单位为%:热老化后拉仲前强度.单位为兆帕(M1’);热老化前拉仲前强度,单位为兆帕(MPa)试验结果取五个试样的算术平均值。4
5.12浸渍试验
5.12.1试样
从软管中切取质量约为5g的试样,数量3个。5.12.2试验仪器
5. 12. 2. 1分析天平,精度为 0. 1 mg。5.12.2.2装有硅胶或其他T燥剂的下燥器。5.12.2.3试验步骤及结果计算
NY/T 1496. 1—2007
将一个试样在T燥器中放置24H,取出称量(m.),然后置于表1规定的试剂中。在(50二2)%的条件下保持24h,取出试样,用流水洗涤5s,历滤纸吸干试样内外表面水分后称量(m1)。试验结果按式(4)计算:
W==m×100
式f1:
质量变化率,单位为%;
m——浸渍前质量,单位为克(g):TW——浸渍后质量,单位为克(g)试验结果取三个减样的算术平均值6检验规则
6.1检验分类
6.1.1出厂检验
出」检验项目包括颜色,外观.几何尺小。6. 1.2型式检验
型式检验的项日包括本标准规定的全部技术要求,有下列情说之·时,施进行型检验:a)新产品试制或老产品转厂生产的试制定型鉴定;h)正常生产时,每年进行欲型式检验;】产站的原料配比,工较政变,可能影响产品所是时d)产品停产半年以上,恢复牛产时;e)出产检验结果与「次型式检验有较大差异时)国家质量监督机构提出进行型式检验要求。6.2组批与抽样规则
6.2.1组批
同一原料,配方和1艺条件下牛,产内同一规格管材为--批,每批数量不超过10 1。如果牛产数量少,以7d户量为一批。
6.2.2抽样
6.2.2.1出厂检验和型式检验产品取样时,按以下规定进行.a)聚乙烯(PE)管材在一盘中随机取5 tm。b)聚氯乙烯(PVC)管材随机抽取5 m.心)聚氯乙烯(PVC)软管在一盘中随机取3 m6.2.2.2外观利尺寸按GB/T 2828.12003采用正常检验次抽样方案,取一般检验水平I,个格质量水平6.5,抽样方案见表5。
NY/T1496.1—2007
批量范
16~-25
6.3判定规则
表5抽样方案
样太小N
合格判定数 Ac
不合格判定数 Re
6.3.1单项判定:聚氯乙烯和聚乙烯管材项H试验结果符合表1和表2规定,聚氯乙烯软管项目试验结果符合表3和表4规定,判该频月合格。6.3.2管材的综合判定见表6。
管材测试项目及判定
6.3.3聚氯乙烯软管综合判定见表7项日名称
几何尺寸
维卡软化温度
纵向回缩率
配冲击性能
过内臣性能
表7聚氯乙烯软管测试项目及判定项H名称
拉筛幅度
断婆伸长率
热老化性能
没溃试验
不允许不合格
不允许不合格
6.3.4按表5和表6判定,有一项达不到规定指标时:可随机抽取双倍样品进行该项的复验,如仍不合格·则判该批不合格。
7标志、包装、运输和贴存
7.1标志
7.1.1成型管材应有标志,标志的色应区别于管材的颜色。标志不应引发管材破裂或其他形式的失效。在正常忙存,气候老化、加工及允许的安装,使用后,在管材的整个存命周期内标记学迹成保持清晰可辨。标志不应削弱管材的性能。7.1.2两个标志尚所不大十2m
7.1.3材标志内容包括,
a)产品名称;
商标或作产厂..
)材料类别;
d)尺寸;
e)执行标准。
7.2包装
7.2.1PE管材盘卷,每盘的直径45mm,每盘长度100m,300m。7.2. 2
2在外包装、标签或标志上应写明厂名、厂址、生产口期。7.3运输
NY/T 1496. 1 -2007
管材运输时,不得受到划伤、抛摔.剧烈的摘法.暴晒、雨琳、油污和化学品的污染7.4贮存
7.4.1赋存期间应保证通风、干燥,远离热源及化学品的污染。如窄外堆放应有遮盖物。管材应水平整齐堆放,堆叠高度不高于2m
2产品储存期2年。
NY/ T 1496.1-2007
中华人民共和国
农业行业标准
农村户用沼气输气系统
第1部分:塑料普材
NY/T 1496. I—2007
中国农业出版社出版
(.北京市朝阳区麦子店街18号校)(邮政编码:100026
网址; trcp. cam.en)
中国农业出版扎印刷广印刷
新华书店北京发行所发行
开本 88Ctrm×=230mm 1/:6
2008年3H第1版
各地新华书店经销
字徽?千宇
2n08年3H北京第二次印刷
书号:16109.1583
印数:1~500 册
定价:10.0元
版权专有侵权必究
举报电话:(010)65005894
小提示:此标准内容仅展示完整标准里的部分截取内容,若需要完整标准请到上方自行免费下载完整标准文档。
标准图片预览:





- 其它标准
- 热门标准
- 农业行业标准(NY)
- NY/T5295-2004 无公害食品 产地环境评价准则
- NY/T2669-2014 热带作物品种审定规范 木薯
- NY/T598-2002 食用绿豆
- NY5086-2002 无公害食品 鲜食葡萄
- NY5255-2004 无公害食品火龙果
- NY/T797-2004 硅肥
- NY/T1858.2-2010 番茄主要病害抗病性鉴定技术规程 第2部分:番茄抗叶霉病鉴定技术规程
- NY/T1153.4-2013 农药登记用白蚁防治剂药效试验方法及评价 第4部分农药木材处理预防白蚁
- NY/T2537-2014 农村土地承包经营权调查规程
- NY469-2001 葡萄苗木
- NY/T456-2001 茉莉花茶
- NY5187-2002 无公害食品 罐装金针菇
- NY/T517-2002 青香蕉
- NY/T749-2003 绿色食品 食用菌
- NY5332-2006 无公害食品大田作物产地环境条件
- 行业新闻
请牢记:“bzxz.net”即是“标准下载”四个汉字汉语拼音首字母与国际顶级域名“.net”的组合。 ©2025 标准下载网 www.bzxz.net 本站邮件:bzxznet@163.com
网站备案号:湘ICP备2025141790号-2
网站备案号:湘ICP备2025141790号-2