- 您的位置:
- 标准下载网 >>
- 标准分类 >>
- 医药行业标准(YY) >>
- YY/T 1089-2007 单式脉冲回波超声换能器的基本电声特性和测量方法
标准号:
YY/T 1089-2007
标准名称:
单式脉冲回波超声换能器的基本电声特性和测量方法
标准类别:
医药行业标准(YY)
标准状态:
现行-
发布日期:
2007-01-31 -
实施日期:
2008-01-01 出版语种:
简体中文下载格式:
.rar.pdf下载大小:
466.29 KB
标准ICS号:
医药卫生技术>>医疗设备>>11.040.50射线照相设备中标分类号:
医药、卫生、劳动保护>>医疗器械>>C41医用超声、激光、高频仪器设备
替代情况:
替代YY/T 91089-1999
点击下载
标准简介:
标准下载解压密码:www.bzxz.net
本标准规定了单式脉冲回波超声换能器的术语和定义、基本电声特性及其测量方法。本标准适用于发收兼用的压电型单式脉冲回波超声换能器,其有效辐射面的直径不大于30 mm 工作频率范围为1 MHz ~10 MHz。 YY/T 1089-2007 单式脉冲回波超声换能器的基本电声特性和测量方法 YY/T1089-2007
部分标准内容:
ICs 11. 040. 50
中华人民共和国医药行业标准
YY/T1089—2007
代替YY/T91089—1999
单元式脉冲回波超声换能器的
基本电声特性和测量方法
Electroacoustic characteristics and measurement methods ofsingle element pulse-echo ultrasonic transducers2007-01-31发布
国家食品药品监督管理局
2008-01-01实施
-TKAoNKAca-
YY/T 1089—2007
本标准代替YY/T91089
1999《单元脉冲
回波超卢换能器一般技术要求和测量方法》。本标准与YY/T 91089—1999的主要差异是:由于本标准修改为方法标准,故标准名称改为单元式脉冲回波超声换能器的基本电声特性和测量方法》,并删去了一般技术要求、检验规则、包装、贮存、标志运输等内容。-改正了原标谁的错误。
按最新版本更新了规范性引用文件。本标准由国家食品药品监督管理局提出。本标推由全国医用超声设备标准化分技术委员会归口。本标准由国家武汉医用超声波仪器质量监督检测中心起草。本标准起草人:忙安石、工志俭、白德念。本标准的历次版本为:
ZBC41010—1988;
YY/T 91089--1999.
1范围
单元式脉冲回波超声换能器的
基本电声特性和测量方法
YY/T1089—2007
本标准规定「单元式脉冲回波超声换能器的术语和定义、基本电声特性及其测量方法。本标适用于发收兼用的压电型单元式脉冲回波超声换能器,其有效辐射面的直径不大于30mm,工作频率范围为 1 MHz ~10 MHz。2规范性引用文件
小列文件中的条款通过本标准的引用而成为本标准的条款。凡是注日期的引用文件,其随后所有的修改单(不包括勘误的内容)或修订版均不适用于本标准,然而,鼓励根据本标准达成协议的各方研究是否可使用这些文件的最新版本。凡是不注日期的引用文件,其最新版木适用于本标推。GB 3102.7—1993声学的章和单位GB/T3238—1982声学量的级及其基准值GR/T3947—1996声学名词术语
3术语和定义
GB3102.7—1993和GB/T39471996中确立的以及下列术语和定义适用于本标准。3.1
界面interface
在超声波传播路径中,区别和分隔两种不向性质媒质的面。注 G1/T 3947—1996 中 interface详为\接口\。3.2
辩发音tone burst
由一系列问断的正该波组成的:种脉冲,用作窄带激励信号,本标推规定每个脉冲内填充15~20个周期的正弦波。
焦距focal length
由聚焦换能器的辐射面中心,沿声束轴线到焦平面的距离。3.4
焦深 depth of focus
沿声束轴线,焦平面两侧四倍聚焦面积的点之间的距离。3.5
焦面积focal area
隽平面上声策的横截面积。
焦平面focal surface
聚焦换能器的最小声束横截面积所在的平面。1
YY/T 1089--2007
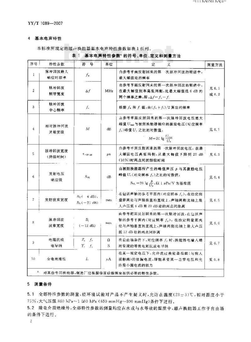
4基本电声特性
本标准所规定的超山换能器基木电声特性参数如表1所列。表1基本电声特性参数”的符号、单位、定义和测量方法序号
特性参数
脉冲回波最人
啊应时频率
脉冲回波
频带宽度
脉冲回被
中心颊率
相对脉冲问波
灵戴度级
脉冲回波宽度
(持续时间)
发射电压
响应级
发射波束宽度
脉冲回波
被束宽度
电阻抗或
电导纳
介电绝缘性
Hy!6 dB).
Bv(-20 d)
(—12 dB)
-KAoNiKAca-
测量方法
巾参考平面反射回来的第次脉冲回波的题谱中,最大幅值处的频率
由参考平面反射回米的第一次脉冲回波的频讲中,在最大幅值赖率高低两,比最大幅值低6dB的两个频率之禁,即:2f一f一f
报据fh和f值:由(士f)/2算出的频率出参考平面反射回来的第一次脉冲回波电压最大幅值与被测换能器相应的激励电压(对应频率f.)峰值U,之比的对数值:
M-2lgu
内拳考平面反射回来的第·次脉冲回波电压,在最人幅值电压高低两侧,从最大帼值下降到20邮B(10%>时两点间的持续时间
由被测换能器所产生的峰值声压力与其激励电压峰值U,(对应频率f.)之比的对数值:Sn. =20 g贵
.以1 μPa/V为基难值
在包括声轴的参考平面内(对应频率于),在给定测盘距离处与声轴垂直的直线1,声轴两侧比轴上最人而压低 6 dB和 20 dB处的两点间距离出参考靶面反别回来的第一次脉冲回波,在他括声轴的参考半面内(对应频率了,),在给定测量距离处与声轴垂直的直线上,声轴两侧比辅上最人卢压低12dB处的两点间呢离
在白由场条件下,对应频率 F 时,换能器电输人端所呈现的等效电抗或电导纳
在某一规定电压下,充许流过换能器端面(与病人接触面)的泄潴电流,即能承受某一击穿电压和允许最小漏电流的能力
对某些专用换能器,制造厂应根据临床诊断箭要提供必要的特性参效。5
测量条件
5.1全部特性参数的测量,经环境试验对产品不产生疑义时,允许在温度(23=5)℃,相对湿度小于75%.大气压强860hPa~-1a60hPa(650mmHg-~800mmIIg)条件下进行。5.2除电介质绝缘外,全部特性参数的测量均应在水或与水等效的媒质中,超声换能器工作于自由场的条件下进行。bzxZ.net
YY/T1089—2007
5.3传肯媒质应采用除气蒸馏水,温度范围(23土5)℃,在测量过程中应尽量减少空气再次溶人水中,除作采用特殊的忙存方法,至少应在12h内进行一次除气。注:除气方法:在大气压力下把水煮沸15min,或将水置于4000Pa(30tnHg)的降压条件下处理3h,并继续在低压状态下封存 3 h 后使用。
5.4被测换能器的辐射端面和参考反射体表面应清洗干净,不得留有油污和其他物质.测量前应先放入除气水中充分湿润,不得附有气泡。5.5被测超声换能器的连接电缆应尽可能符合实际使用条件,如电缆长度不小于50cm-应采用特性阻抗(50=3)0,衰减常数不大丁0,1dI3/(rm·MHz),电容量小于(120二3)pF/的高频电缆。5.6外界的振动、噪声、电磁场等物理因索不应影响各测量仪器的正常工作。5.7使用的各种测量仪器及其配件应根据制造厂提供的说明按规定操作。5.8所使用的各种测量仪器和设备在满足各项技术条件下,在结构和组合上允许加以综台,允许采用按规定程序检定的自动测量系统,其仪器测量误差必须保证在规定范圈内。5.9本标推所规定的各种测量仪器设备应按表2选用。表 2测量设备的名称和应满足的技术要求序号
测量设备名称
主要技术要求
脉冲填充频率:不窄于0.5 MHz~10 MHz且连续可凋猝发音信凸发生器或满足,正弦波周数:15周相同技术要求的函数信号
发生器
脉冲信号发生器
通用示波器
数字顺率计
!高频衰减器
高频阻抗/导纳电桥
重复题率:50Hz~1.5kHz(连续可调)输出幅值1 V.~2℃V(连续可调>输出阻抗:52
重复频率;不窄」:50 IIz~1200 HIz且连续可调前沿上升时问;小于 30 1ns
脉冲持续时间,0. 05 μs~5. 1 μs输出幅值:大J: 50 V
输出阻抗:50n
赖率范围:不小于 0~30 MHz
幅值灵敏度;小于5 mV/diu
准确度:优于+5%
输人阻抗:大十 1. MQ,小十 31 pF频率范围:不窄 1-100 kI1z20 M11z.输人电压:不小于0.1 V--1.5 V测量相对误差:不大于 0.1%
频率范围;不窄于 100 kl1z~-20 MI1z输入输出阻抗:50 52
最大衰减量:大 dB
准确度;0. 5% A+0. 05 dB(A 为衰减量,dB读数值)最小衰减间隔:0, 1 dlB
引人衰耗:小于 C.15 dB
频率范围:不窄于 11Hz--20 MHz低阳抗测量范围:0. 5 n--32 n
早纳测量范围:0,5S~-32 S
测误差:小于二5%
1.测量相对脉冲回波灵敏
12.测量率特性
测量回波脉冲
观测波形
监测频率
比较和标定幅值
测量换能器的电阻抗或电
YY/T 1089—2007
測量设备名称
交流毫伏表
频谱分析仪
MH2级测量水听器
消声水漕
敬大器
选还门
表2(续)
主要技术发求
:颜率范围:30Hz~1090Hz.小于=mV测量误差:二2%
额率范国:不窄于 100kHz~-30 MHz-KAoNiKAca-
通过取样网络测量换能器
的介出缔缘性
通频带:(3~1003kHz±3dB(连续可调)小于150μV测量脉冲回波频率特性
衰减器读数误差:小于二1. dB
频率范围,不窄T(0. 5~.10) MH2.不平坦度±3 dB灭敏度;布:60aB动态范用内不低于—265dB(O dR--: V/μPa)
非线性偏差;小于士,三 cH
敏感件线度:小于 2 mm
感件尺不人于 (. 6 mtn 时的灵敏度: 不低于275 B
尺:详见5.2,白出场偏差小:1.\ B,应有六个中度并可连续调节的坐标系统
X 轴、Y 轴、Z 轨调节准确度:二0. 2 rm绕X轴、Y辑、Z轴转的角度调节准确度:±0.2”通频带:(0. 1~20) MHz
放大系数:40dB
放大系数调节范闹:(0~40)d13连续可调选通门宽度:0,5 x-~ 100,C μs最大输出电压:1 V
选通门外信号衰诚:10此
对固态反射体的要求为:
工作表面应垂直」声轴;
所用材料的声特性阻抗应人于 10.0×10°Pa·s/m;测悬声场
测量电声特性参数
测量脉冲回波额率特性
厚度应足够大(通常不小于 30 TI11),以使来白前后两个表面的反射波能够清晰分开:横向尺寸应足够大,至少一倍于声束截面积的线度(通常不小于100 mm);表面平行度偏差不大丁0.02mm,或在水中被长的1/20以内:1 作表面的粗糙度 Rz小于 0. 63 双m,或在水中波长的 1/190 以内:所用材料应具有耐腐蚀能力(通常来用不锈钢材料)。被测换能器的夹持机构被测换能器应安装在具有六个自由度的调节机构的夹持架「,应防止5.11
支架振动,能使被测换能器的有效声轴中心对推目标。5.12对消声水槽的要求消市水搏足测鼠换能器务现参数的主体装置,其要求为:a)水槽内应具有较好的近似自由声场条件,为此应在其内壁铺设吸声内衬,该内衬在工作频段内的吸声系数应不小于0.99(声降低不小于2dB);b)水槽尺寸应满足式(1)(参考图1);t 1t
6=h(280:T1t-)*
武中:
水槽长度.单位为米(m);
被测换能器至靶或水听器问距离、单位为米(m):水中声速,单位为米每秒(m/s);脉冲宽度,单位为秒(s):
水宽度,单位为米(m),
水槽高度单位为米(m)。
换能器
6测盈方法
(s +et)2
水听器
图1水槽尺寸
频率特性和相对脉冲回波灵敏度级的测量方法6.1.1按图2连接各测量单元装置。孙发音信号发生器
裁率调节
商频衰减牌
数宁频率计
图2测量换能器频率特性和相对脉冲回波灵敏度级的原理图YY/T 1089—2007
通用示波器
被测烫能器
水(或等效蝶质)
尚态反射
吸产内村
6.1.2被测换能器至固态反射体距离s,的选取,应使固态反射体位于换能器声束中最大出强点处。对于圆形换能器用式(2)计算:
对于方形换能器(AXA)用式(3)计算%:4
YY/T1089—2007
对于矩形换能器(A×)用式(4)计算Sa*和
证;对每个边长,视需求的方问,有不同的距高,式中
换能器有效辐射面半轻,单位为米(m)A:\-换能器有效辐射面边长单位为米(m);B换能器有效辐射面边长,单位为米(m);A
换能器标称频率的水中波长,单位为米(m)-iiKAoNiKAca-
6.1.3对聚焦换能器,壳体上标注的焦归即为%,当换能器的焦距远大于相同尺寸的非聚焦换能器对应的距离时,应按非聚焦换能器的处埋。6.1.4按规定操作程序开启各测量仪器。6.1.5调节被测换能器方位和角度,由通用示波器进行观测.使第一次回波幅值最大。6.1.6调节猝发音信号发生器频率使之处于被测换能器标称频率范围内。6.1.7调节高频衰减器,使被测换能器激励电压的峰-峰值U。为某一参考值,均匀勾调节频率,保持U。恒定,其信号波形如图3所示,找出第一次回波幅值最大响应时的频率f,(如图 4)。15个波
承复率1klz
图 3 猝发音信号波形参数
-40 dB
图4频率-振幅谱的标绘图
6.1. 8在(-40~~0)lB幅值范围,给出 3 个以上的均勾频率点(如图 4)。6.1.9找出回波幅值下降6dB处高低两个频率点(Jhf)。6.1.10按式(5)求出中心频率,。:fe-f+f
注:如由此算出的f:值对应的波长入,与由式(2)算出的离对应的水中标称波长相比,两者相差达士10%以上,应反复修止距离 s,并重复上述测量,直至达到要求。6
6.1.11按式(6)求出带宽A/:
af -f-f
YY/T 1089—2007
.(6))
6.1.12调节猝发音信号发生器输出电压U。,使第一次回波峰-峰值U..为某一规定值,如图5所示,用式(7)计算出相对脉冲回波灵敏度M;5
M= 20 lg
右侧回波为第一次反射泌
图5U。和U.在屏幕上的示意图
测量换能器频率特性时,除猝发音信号标绘外,允许使用频谱仪分析法,并相应地采用脉冲信号发生器作为信号源,详见6.2。
6.2频谱分析方法
6.2.1按图6连接各测量装置。
脉冲信号发生器
族大器
被制换能器
选通门
水(或等效媒质)
固态反射体
吸声内衬
图6频谱法工作原理图
6.2.2被测换能器至固态反射体的距离se-按6.1.2和6.1.3调节。频谱分析仪
6.2.3按规定操作程序开启各测量仪器。6.2.4调节被测换能器方位和角度,由通用示波器进行观察,使第一次回波幅值最大。6.2.5调节放大器的衰减器,使同波幅度小于1V。6.2.6调节选通门.使进入频谱分析仪的信号只有第一次回波。选通门长度远大于一20dB的脉冲宽度而义避免其他杂波的影谢。
6.2.7在频谱分析仪上读出和ft。按式(5)求出中心频率f:按式(6)求出带宽f。6. 3回波脉冲宽度的测量方法
6.3.1按图7连接各测量单元装置。YY/T 1089—2007
脉冲信号发生器
高频变减器
图7测量回波脉冲宽度的原理图
6.3.2按规定操作程序开启各测量仪器,6.3.3调节被测换能器方位,使第-次回波幅值最大。-iiKAoNiKAca=
通用示波器
被测换能器
水(或等教媒质)
固态反射体
吸声内衬
6.3.4测出第一次回波脉冲峰值两侧幅度下降到20dB(10为)范围内的脉冲持续时间(如图8)。m
图8-20dB脉冲宽度波形图
6.4发射电压响应级的测量方法
6.4.1按图9连按各测最单元装置6.4.2被测换能器至水听器的距离S,应满足远场条件,6.4.3按规定操作程序开启各测量仪器,6.4.4调节狩发首信号发生器的赖率为f..输出某一参考电压L。反复调节坐标传动机构使被测换能器对准水听器声轴(示波器屏幕上幅值最人),测出山水听器接收的输出开路电压U。6.4.5用式(8)算出发射电压响应SvUs
注,参数距离为1n,发射电压响应级Sv则为:Sv. = 20 Ig L20 Ig U。 - M,i.8
.(8)
式中:
水听器输出端开路电压,单位为伏(V);被测换能器的激励电压,单位为伏(V);水听器的自出场电压灵敏度!,单莅为伏每帕(V/Pa)水听器的自由场电压灵敏度级2),单位为分贝(dB):被测换能器至水听器的距离,单位为米(m)。释发音信号发生器
图 9测量发射电压响应级的原理图6.5发射波束宽度的测量方法
6.5.1按图10连接各测量单元装置。6.5.2按规定操作程序开启各测量仪器。6.5.3保持激励换能器的脉冲电压幅值恒定。通用示波暑
被测换能器
YY/T 1089—2007
水(或等效媒质)
MHz级测量水听器
吸产内衬
6.5.4调节坐标传动机构,对准水听器,坐标原点应与被测换能器的有效卢中心重合,以该点为测量波束宽度的起点。
注:使用手动坐标调节机构·应注意角度误差和极值位置,如果转动系统有回,应朝一个方向转动。6. 5.5以声轴中心为准峰值(0 dB),调节坐标中 2轴,分别在以下四个位置(如图 11):a)在声轴上被测换能器端面至水听器1mm处;在声轴上被测换能器端面至水听器最大声强点距离品处(对聚焦换能器为焦距Sr处);h)
在击轴上被测换能器端面至水听器$.2处!在声轴上被测换能器端面至水听器25处,记下声轴两侧水听器接收信号电压擎值比声轴上d
信号电压峰值下降6dB(0.5)和20B(0.1)处的距离角宽度。1)水听器的自由场电压灵敏度M:水听器输出端开路电压LI与在声场中引人水听器前存在于水听器声中心位置处的自由场声压P的比值。单位V/Pt以数字式表示为:M,一U/P。2)水听器的自由场电压灵敏虚级M,l;自由场灵敏度M,与其基准值M,之比值的以10为底的刘数乘以20。单位为 dR(0 dB-| V/μPa)。以数字式表示为:Ml.=20 lg(M,/M,)。9
YY/T 1089-—2007
脉冲信专发生器
被凝羧能器
图10测量发射波束宽度的原理图35
避用示波器
護测换能器
水(或等效媒质)
MHz极测量水听器
吸声内村
被测换能器南场中四个位置的波束宽度几何图对聚焦换能器波束宽度的测量,采用图12的几何图选择四个距离,聚焦换能器的焦深F」可用式(9)近似算出:F
2r: · SF
式中:
焦距,单位为米(m):
焦距处焦面积的半径、单位为米(m);2S处焦面积的半径(离轴卡下降6dB处),单位为米(m)- KAoNi KAca-
小提示:此标准内容仅展示完整标准里的部分截取内容,若需要完整标准请到上方自行免费下载完整标准文档。
中华人民共和国医药行业标准
YY/T1089—2007
代替YY/T91089—1999
单元式脉冲回波超声换能器的
基本电声特性和测量方法
Electroacoustic characteristics and measurement methods ofsingle element pulse-echo ultrasonic transducers2007-01-31发布
国家食品药品监督管理局
2008-01-01实施
-TKAoNKAca-
YY/T 1089—2007
本标准代替YY/T91089
1999《单元脉冲
回波超卢换能器一般技术要求和测量方法》。本标准与YY/T 91089—1999的主要差异是:由于本标准修改为方法标准,故标准名称改为单元式脉冲回波超声换能器的基本电声特性和测量方法》,并删去了一般技术要求、检验规则、包装、贮存、标志运输等内容。-改正了原标谁的错误。
按最新版本更新了规范性引用文件。本标准由国家食品药品监督管理局提出。本标推由全国医用超声设备标准化分技术委员会归口。本标准由国家武汉医用超声波仪器质量监督检测中心起草。本标准起草人:忙安石、工志俭、白德念。本标准的历次版本为:
ZBC41010—1988;
YY/T 91089--1999.
1范围
单元式脉冲回波超声换能器的
基本电声特性和测量方法
YY/T1089—2007
本标准规定「单元式脉冲回波超声换能器的术语和定义、基本电声特性及其测量方法。本标适用于发收兼用的压电型单元式脉冲回波超声换能器,其有效辐射面的直径不大于30mm,工作频率范围为 1 MHz ~10 MHz。2规范性引用文件
小列文件中的条款通过本标准的引用而成为本标准的条款。凡是注日期的引用文件,其随后所有的修改单(不包括勘误的内容)或修订版均不适用于本标准,然而,鼓励根据本标准达成协议的各方研究是否可使用这些文件的最新版本。凡是不注日期的引用文件,其最新版木适用于本标推。GB 3102.7—1993声学的章和单位GB/T3238—1982声学量的级及其基准值GR/T3947—1996声学名词术语
3术语和定义
GB3102.7—1993和GB/T39471996中确立的以及下列术语和定义适用于本标准。3.1
界面interface
在超声波传播路径中,区别和分隔两种不向性质媒质的面。注 G1/T 3947—1996 中 interface详为\接口\。3.2
辩发音tone burst
由一系列问断的正该波组成的:种脉冲,用作窄带激励信号,本标推规定每个脉冲内填充15~20个周期的正弦波。
焦距focal length
由聚焦换能器的辐射面中心,沿声束轴线到焦平面的距离。3.4
焦深 depth of focus
沿声束轴线,焦平面两侧四倍聚焦面积的点之间的距离。3.5
焦面积focal area
隽平面上声策的横截面积。
焦平面focal surface
聚焦换能器的最小声束横截面积所在的平面。1
YY/T 1089--2007
4基本电声特性
本标准所规定的超山换能器基木电声特性参数如表1所列。表1基本电声特性参数”的符号、单位、定义和测量方法序号
特性参数
脉冲回波最人
啊应时频率
脉冲回波
频带宽度
脉冲回被
中心颊率
相对脉冲问波
灵戴度级
脉冲回波宽度
(持续时间)
发射电压
响应级
发射波束宽度
脉冲回波
被束宽度
电阻抗或
电导纳
介电绝缘性
Hy!6 dB).
Bv(-20 d)
(—12 dB)
-KAoNiKAca-
测量方法
巾参考平面反射回来的第次脉冲回波的题谱中,最大幅值处的频率
由参考平面反射回米的第一次脉冲回波的频讲中,在最大幅值赖率高低两,比最大幅值低6dB的两个频率之禁,即:2f一f一f
报据fh和f值:由(士f)/2算出的频率出参考平面反射回来的第一次脉冲回波电压最大幅值与被测换能器相应的激励电压(对应频率f.)峰值U,之比的对数值:
M-2lgu
内拳考平面反射回来的第·次脉冲回波电压,在最人幅值电压高低两侧,从最大帼值下降到20邮B(10%>时两点间的持续时间
由被测换能器所产生的峰值声压力与其激励电压峰值U,(对应频率f.)之比的对数值:Sn. =20 g贵
.以1 μPa/V为基难值
在包括声轴的参考平面内(对应频率于),在给定测盘距离处与声轴垂直的直线1,声轴两侧比轴上最人而压低 6 dB和 20 dB处的两点间距离出参考靶面反别回来的第一次脉冲回波,在他括声轴的参考半面内(对应频率了,),在给定测量距离处与声轴垂直的直线上,声轴两侧比辅上最人卢压低12dB处的两点间呢离
在白由场条件下,对应频率 F 时,换能器电输人端所呈现的等效电抗或电导纳
在某一规定电压下,充许流过换能器端面(与病人接触面)的泄潴电流,即能承受某一击穿电压和允许最小漏电流的能力
对某些专用换能器,制造厂应根据临床诊断箭要提供必要的特性参效。5
测量条件
5.1全部特性参数的测量,经环境试验对产品不产生疑义时,允许在温度(23=5)℃,相对湿度小于75%.大气压强860hPa~-1a60hPa(650mmHg-~800mmIIg)条件下进行。5.2除电介质绝缘外,全部特性参数的测量均应在水或与水等效的媒质中,超声换能器工作于自由场的条件下进行。bzxZ.net
YY/T1089—2007
5.3传肯媒质应采用除气蒸馏水,温度范围(23土5)℃,在测量过程中应尽量减少空气再次溶人水中,除作采用特殊的忙存方法,至少应在12h内进行一次除气。注:除气方法:在大气压力下把水煮沸15min,或将水置于4000Pa(30tnHg)的降压条件下处理3h,并继续在低压状态下封存 3 h 后使用。
5.4被测换能器的辐射端面和参考反射体表面应清洗干净,不得留有油污和其他物质.测量前应先放入除气水中充分湿润,不得附有气泡。5.5被测超声换能器的连接电缆应尽可能符合实际使用条件,如电缆长度不小于50cm-应采用特性阻抗(50=3)0,衰减常数不大丁0,1dI3/(rm·MHz),电容量小于(120二3)pF/的高频电缆。5.6外界的振动、噪声、电磁场等物理因索不应影响各测量仪器的正常工作。5.7使用的各种测量仪器及其配件应根据制造厂提供的说明按规定操作。5.8所使用的各种测量仪器和设备在满足各项技术条件下,在结构和组合上允许加以综台,允许采用按规定程序检定的自动测量系统,其仪器测量误差必须保证在规定范圈内。5.9本标推所规定的各种测量仪器设备应按表2选用。表 2测量设备的名称和应满足的技术要求序号
测量设备名称
主要技术要求
脉冲填充频率:不窄于0.5 MHz~10 MHz且连续可凋猝发音信凸发生器或满足,正弦波周数:15周相同技术要求的函数信号
发生器
脉冲信号发生器
通用示波器
数字顺率计
!高频衰减器
高频阻抗/导纳电桥
重复题率:50Hz~1.5kHz(连续可调)输出幅值1 V.~2℃V(连续可调>输出阻抗:52
重复频率;不窄」:50 IIz~1200 HIz且连续可调前沿上升时问;小于 30 1ns
脉冲持续时间,0. 05 μs~5. 1 μs输出幅值:大J: 50 V
输出阻抗:50n
赖率范围:不小于 0~30 MHz
幅值灵敏度;小于5 mV/diu
准确度:优于+5%
输人阻抗:大十 1. MQ,小十 31 pF频率范围:不窄 1-100 kI1z20 M11z.输人电压:不小于0.1 V--1.5 V测量相对误差:不大于 0.1%
频率范围;不窄于 100 kl1z~-20 MI1z输入输出阻抗:50 52
最大衰减量:大 dB
准确度;0. 5% A+0. 05 dB(A 为衰减量,dB读数值)最小衰减间隔:0, 1 dlB
引人衰耗:小于 C.15 dB
频率范围:不窄于 11Hz--20 MHz低阳抗测量范围:0. 5 n--32 n
早纳测量范围:0,5S~-32 S
测误差:小于二5%
1.测量相对脉冲回波灵敏
12.测量率特性
测量回波脉冲
观测波形
监测频率
比较和标定幅值
测量换能器的电阻抗或电
YY/T 1089—2007
測量设备名称
交流毫伏表
频谱分析仪
MH2级测量水听器
消声水漕
敬大器
选还门
表2(续)
主要技术发求
:颜率范围:30Hz~1090Hz.小于=mV测量误差:二2%
额率范国:不窄于 100kHz~-30 MHz-KAoNiKAca-
通过取样网络测量换能器
的介出缔缘性
通频带:(3~1003kHz±3dB(连续可调)小于150μV测量脉冲回波频率特性
衰减器读数误差:小于二1. dB
频率范围,不窄T(0. 5~.10) MH2.不平坦度±3 dB灭敏度;布:60aB动态范用内不低于—265dB(O dR--: V/μPa)
非线性偏差;小于士,三 cH
敏感件线度:小于 2 mm
感件尺不人于 (. 6 mtn 时的灵敏度: 不低于275 B
尺:详见5.2,白出场偏差小:1.\ B,应有六个中度并可连续调节的坐标系统
X 轴、Y 轴、Z 轨调节准确度:二0. 2 rm绕X轴、Y辑、Z轴转的角度调节准确度:±0.2”通频带:(0. 1~20) MHz
放大系数:40dB
放大系数调节范闹:(0~40)d13连续可调选通门宽度:0,5 x-~ 100,C μs最大输出电压:1 V
选通门外信号衰诚:10此
对固态反射体的要求为:
工作表面应垂直」声轴;
所用材料的声特性阻抗应人于 10.0×10°Pa·s/m;测悬声场
测量电声特性参数
测量脉冲回波额率特性
厚度应足够大(通常不小于 30 TI11),以使来白前后两个表面的反射波能够清晰分开:横向尺寸应足够大,至少一倍于声束截面积的线度(通常不小于100 mm);表面平行度偏差不大丁0.02mm,或在水中被长的1/20以内:1 作表面的粗糙度 Rz小于 0. 63 双m,或在水中波长的 1/190 以内:所用材料应具有耐腐蚀能力(通常来用不锈钢材料)。被测换能器的夹持机构被测换能器应安装在具有六个自由度的调节机构的夹持架「,应防止5.11
支架振动,能使被测换能器的有效声轴中心对推目标。5.12对消声水槽的要求消市水搏足测鼠换能器务现参数的主体装置,其要求为:a)水槽内应具有较好的近似自由声场条件,为此应在其内壁铺设吸声内衬,该内衬在工作频段内的吸声系数应不小于0.99(声降低不小于2dB);b)水槽尺寸应满足式(1)(参考图1);t 1t
6=h(280:T1t-)*
武中:
水槽长度.单位为米(m);
被测换能器至靶或水听器问距离、单位为米(m):水中声速,单位为米每秒(m/s);脉冲宽度,单位为秒(s):
水宽度,单位为米(m),
水槽高度单位为米(m)。
换能器
6测盈方法
(s +et)2
水听器
图1水槽尺寸
频率特性和相对脉冲回波灵敏度级的测量方法6.1.1按图2连接各测量单元装置。孙发音信号发生器
裁率调节
商频衰减牌
数宁频率计
图2测量换能器频率特性和相对脉冲回波灵敏度级的原理图YY/T 1089—2007
通用示波器
被测烫能器
水(或等效蝶质)
尚态反射
吸产内村
6.1.2被测换能器至固态反射体距离s,的选取,应使固态反射体位于换能器声束中最大出强点处。对于圆形换能器用式(2)计算:
对于方形换能器(AXA)用式(3)计算%:4
YY/T1089—2007
对于矩形换能器(A×)用式(4)计算Sa*和
证;对每个边长,视需求的方问,有不同的距高,式中
换能器有效辐射面半轻,单位为米(m)A:\-换能器有效辐射面边长单位为米(m);B换能器有效辐射面边长,单位为米(m);A
换能器标称频率的水中波长,单位为米(m)-iiKAoNiKAca-
6.1.3对聚焦换能器,壳体上标注的焦归即为%,当换能器的焦距远大于相同尺寸的非聚焦换能器对应的距离时,应按非聚焦换能器的处埋。6.1.4按规定操作程序开启各测量仪器。6.1.5调节被测换能器方位和角度,由通用示波器进行观测.使第一次回波幅值最大。6.1.6调节猝发音信号发生器频率使之处于被测换能器标称频率范围内。6.1.7调节高频衰减器,使被测换能器激励电压的峰-峰值U。为某一参考值,均匀勾调节频率,保持U。恒定,其信号波形如图3所示,找出第一次回波幅值最大响应时的频率f,(如图 4)。15个波
承复率1klz
图 3 猝发音信号波形参数
-40 dB
图4频率-振幅谱的标绘图
6.1. 8在(-40~~0)lB幅值范围,给出 3 个以上的均勾频率点(如图 4)。6.1.9找出回波幅值下降6dB处高低两个频率点(Jhf)。6.1.10按式(5)求出中心频率,。:fe-f+f
注:如由此算出的f:值对应的波长入,与由式(2)算出的离对应的水中标称波长相比,两者相差达士10%以上,应反复修止距离 s,并重复上述测量,直至达到要求。6
6.1.11按式(6)求出带宽A/:
af -f-f
YY/T 1089—2007
.(6))
6.1.12调节猝发音信号发生器输出电压U。,使第一次回波峰-峰值U..为某一规定值,如图5所示,用式(7)计算出相对脉冲回波灵敏度M;5
M= 20 lg
右侧回波为第一次反射泌
图5U。和U.在屏幕上的示意图
测量换能器频率特性时,除猝发音信号标绘外,允许使用频谱仪分析法,并相应地采用脉冲信号发生器作为信号源,详见6.2。
6.2频谱分析方法
6.2.1按图6连接各测量装置。
脉冲信号发生器
族大器
被制换能器
选通门
水(或等效媒质)
固态反射体
吸声内衬
图6频谱法工作原理图
6.2.2被测换能器至固态反射体的距离se-按6.1.2和6.1.3调节。频谱分析仪
6.2.3按规定操作程序开启各测量仪器。6.2.4调节被测换能器方位和角度,由通用示波器进行观察,使第一次回波幅值最大。6.2.5调节放大器的衰减器,使同波幅度小于1V。6.2.6调节选通门.使进入频谱分析仪的信号只有第一次回波。选通门长度远大于一20dB的脉冲宽度而义避免其他杂波的影谢。
6.2.7在频谱分析仪上读出和ft。按式(5)求出中心频率f:按式(6)求出带宽f。6. 3回波脉冲宽度的测量方法
6.3.1按图7连接各测量单元装置。YY/T 1089—2007
脉冲信号发生器
高频变减器
图7测量回波脉冲宽度的原理图
6.3.2按规定操作程序开启各测量仪器,6.3.3调节被测换能器方位,使第-次回波幅值最大。-iiKAoNiKAca=
通用示波器
被测换能器
水(或等教媒质)
固态反射体
吸声内衬
6.3.4测出第一次回波脉冲峰值两侧幅度下降到20dB(10为)范围内的脉冲持续时间(如图8)。m
图8-20dB脉冲宽度波形图
6.4发射电压响应级的测量方法
6.4.1按图9连按各测最单元装置6.4.2被测换能器至水听器的距离S,应满足远场条件,6.4.3按规定操作程序开启各测量仪器,6.4.4调节狩发首信号发生器的赖率为f..输出某一参考电压L。反复调节坐标传动机构使被测换能器对准水听器声轴(示波器屏幕上幅值最人),测出山水听器接收的输出开路电压U。6.4.5用式(8)算出发射电压响应SvUs
注,参数距离为1n,发射电压响应级Sv则为:Sv. = 20 Ig L20 Ig U。 - M,i.8
.(8)
式中:
水听器输出端开路电压,单位为伏(V);被测换能器的激励电压,单位为伏(V);水听器的自出场电压灵敏度!,单莅为伏每帕(V/Pa)水听器的自由场电压灵敏度级2),单位为分贝(dB):被测换能器至水听器的距离,单位为米(m)。释发音信号发生器
图 9测量发射电压响应级的原理图6.5发射波束宽度的测量方法
6.5.1按图10连接各测量单元装置。6.5.2按规定操作程序开启各测量仪器。6.5.3保持激励换能器的脉冲电压幅值恒定。通用示波暑
被测换能器
YY/T 1089—2007
水(或等效媒质)
MHz级测量水听器
吸产内衬
6.5.4调节坐标传动机构,对准水听器,坐标原点应与被测换能器的有效卢中心重合,以该点为测量波束宽度的起点。
注:使用手动坐标调节机构·应注意角度误差和极值位置,如果转动系统有回,应朝一个方向转动。6. 5.5以声轴中心为准峰值(0 dB),调节坐标中 2轴,分别在以下四个位置(如图 11):a)在声轴上被测换能器端面至水听器1mm处;在声轴上被测换能器端面至水听器最大声强点距离品处(对聚焦换能器为焦距Sr处);h)
在击轴上被测换能器端面至水听器$.2处!在声轴上被测换能器端面至水听器25处,记下声轴两侧水听器接收信号电压擎值比声轴上d
信号电压峰值下降6dB(0.5)和20B(0.1)处的距离角宽度。1)水听器的自由场电压灵敏度M:水听器输出端开路电压LI与在声场中引人水听器前存在于水听器声中心位置处的自由场声压P的比值。单位V/Pt以数字式表示为:M,一U/P。2)水听器的自由场电压灵敏虚级M,l;自由场灵敏度M,与其基准值M,之比值的以10为底的刘数乘以20。单位为 dR(0 dB-| V/μPa)。以数字式表示为:Ml.=20 lg(M,/M,)。9
YY/T 1089-—2007
脉冲信专发生器
被凝羧能器
图10测量发射波束宽度的原理图35
避用示波器
護测换能器
水(或等效媒质)
MHz极测量水听器
吸声内村
被测换能器南场中四个位置的波束宽度几何图对聚焦换能器波束宽度的测量,采用图12的几何图选择四个距离,聚焦换能器的焦深F」可用式(9)近似算出:F
2r: · SF
式中:
焦距,单位为米(m):
焦距处焦面积的半径、单位为米(m);2S处焦面积的半径(离轴卡下降6dB处),单位为米(m)- KAoNi KAca-
小提示:此标准内容仅展示完整标准里的部分截取内容,若需要完整标准请到上方自行免费下载完整标准文档。
标准图片预览:





- 其它标准
- 热门标准
- 医药行业标准(YY)
- YY/T1523-2017 二氧化碳测定试剂盒(PEPC酶法)
- YY/T0735.1-2009 ISO 9360-1 :2000 麻醉和呼吸设备湿化人体呼吸气体.的热湿交换器(HME) 第1部分:用于最小潮气量为250 mL的HME
- YY/T0652-2008 ISO 17853 :2003 植入物材料的磨损聚合物和金属材料磨屑分离、表征和定量分析方法
- YY/T1636-2018 组织工程医疗器械产品再生膝关节软骨的体内磁共振评价方法
- YY0762-2009 眼科光学囊袋张力环
- YY0004-1990 普通胸腔镊
- YY/T0703-2008 IEC 61390: 1996 超声实时脉冲回波系统性能试验方法
- YY/T0211-1995 药用中间体 青霉素钾
- YY/T1574-2017 组织工程医疗器械产品海藻酸盐凝胶固定或微囊化指南
- YY0476-2004 眼内冲洗灌注液
- YY/T0663-2008 无源外科植入物 心脏和血管植入物的特殊要求 动脉支架的专用要求
- YY0781-2010 血压传感器
- YY/T0916.1-2014 医用液体和气体用小孔径连接件 第1部分:通用要求
- YY/T1268-2015 环氧乙烷灭菌的产品追加和过程等效
- YY/T1533-2017 全自动时间分辨荧光免疫分析仪
- 行业新闻
请牢记:“bzxz.net”即是“标准下载”四个汉字汉语拼音首字母与国际顶级域名“.net”的组合。 ©2025 标准下载网 www.bzxz.net 本站邮件:bzxznet@163.com
网站备案号:湘ICP备2025141790号-2
网站备案号:湘ICP备2025141790号-2