- 您的位置:
- 标准下载网 >>
- 标准分类 >>
- 国家标准(GB) >>
- GB 2694-1981 输电线路铁塔制造技术条件
标准号:
GB 2694-1981
标准名称:
输电线路铁塔制造技术条件
标准类别:
国家标准(GB)
标准状态:
已作废-
发布日期:
1981-07-18 -
实施日期:
1982-02-01 -
作废日期:
2003-12-01 出版语种:
简体中文下载格式:
.rar.pdf下载大小:
274.65 KB
标准ICS号:
电气工程>>输电网和配电网>>29.240.20输电线路和配电线路中标分类号:
电工>>发电用动力设备>>K51电站设备自动化装置
替代情况:
被GB/T 2694-2003代替
部分标准内容:
中华人民共和国
国家标准
输电线路铁塔制造技术条件
GB 2694- -81
本标准适用于构件主要采用角钢制造和以粗制螺栓联结、热浸镀锌防腐的输电线路铁塔及类似的钢结构的制造。
1总则
1.1铁塔制造应根据符合现行标准并按规定程序批准的施工图进行。1.2铁塔制造用的钢材,应符合现行标准或技术条件的要求,并附有出厂证明书。2技术要求
2.1所有零件加工精度,除围中特殊注明外应符合下列规定:2.1.1切割的允许偏差应符合表1的规定。2.1.2制弯的允许偏差应符合表2的规定。2.1.3制孔的允许偏差应符合表3的规定。2. 1. 4 清根、铲背和坡[1加工的允许偏差应符合表 4 的规定。切割的允许偏差
角钢及钢板
偏差名称
预定尺寸L
边缘斜度 P
角纲两面剪切倾料T
角制直端及边端剪切拉角
标准总
局发布
中华人民共和国电力工业部
充许值差值
1982年2月1日
鞍山铁塔厂铁塔研究所
偏差名称
角钢接头
GB 2694—81
制弯的允许偏差m
充许偏差值
不大于
角剃边宽90避米及以上
角钢边宽 56~80 患米
角铜边克 50 毫米及以下
曲点偏移 4
注:零件制弯后,角钢边厚最处不得小于原厚度的 70%。制孔的允许偏差‘mm
孔的公称直径
谢差名称
圆度(量大和量小直径之差)
孔中心线倾斜α
角铜及钢板孔的排间臣离
与角钢连接时
角钢推距
与钢板连接时
充许偏差值
爆铜推矩
切角边级
偏差名称bZxz.net
边宽 50 毫米及以下
边宽50 竞米以上
接头处孔矩
节点板处孔距
任意两组孔矩
角铜增距La
钢板边缘5
较高精度
(1. 5d≤,<1. 3d+1. 5)
普通箱度
(t,21. 3d-1. 5)
注:①第 1,2项悔谨不允许间时存在。GB 2694—81
孔的公称直径
≤21.5 >21.5
允许偏差值
②第 6 项对弯曲部性的正偏整,如不影响结构安装时,可适当效度,清根、铲背和坡口的允许偏差MI项玖
偏差名称
角钢铲背圆弧半径Rt
钝边C
充许偏差值
续表3
重蛋态
基准面
R 为外包角钢的内圆殖半径
GB 2694—81
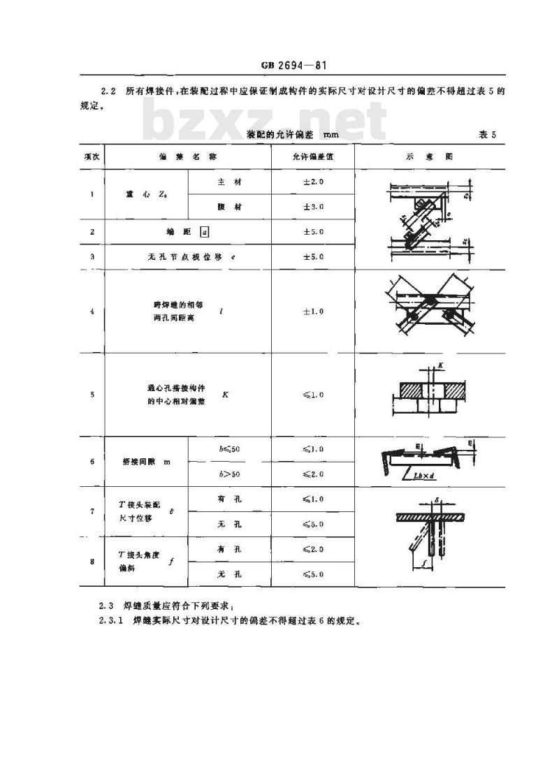
所有焊接件,在装配过程中应保证制成构件的实际尺寸对设计尺寸的偏差不得超过表5的2.2
规定。
装配的充许偏差
偏蕉名称
置心Z。
瑙距回
无孔节点板位移
焊尬的相邻
两孔间距离
通心孔搭接构件
的中心相对偏些
搭接间
T接头装配
尺寸位移
T 接头第度
2.3焊缝质量应符合下列要求:
允许偏差值
2, 3. 1焊链实际尺寸对设计尺寸的偏差不得超过表 6的规定,示
信养名称
对接焊键凸起度和封底高度丸
对接焊壁间膜4
角焊睡焊脚
10GB 2694—B1
焊缝尺寸的允许偏差
允许偏差值
2.3.2焊缝质量在外观上应符合下列要求:+2.0
2. 3. 2. 1 具有平滑的细鳞形表面、无折皱、间断和末焊满的陷槽,并与基本金属平滑连接。2.3.2.2焊键金属应细密无裂纹,夹渣等缺陷。表6
2.3.2.3基本金属的啦肉度,当钢材厚度在10及10毫米以下时,不得大于0.5毫米:当钢材厚度在10毫米以上时,不得大于1.0毫米。2.4所有制成品经矫正后,其允许偏差不得超过表7的规定。成品矫正后的充许偏差
角钢顶鳞直角f/6
塑钢及蜗板平面
内挠曲J/L
焊接构件平面内
艳曲L
接头处
节点间揽曲
整个平面挑曲
2.5热浸镀锌件的锌层质量应符合下列要求2.5.1外观
充许偏差值
1.0/1 000
链锌表面应具有实用性光清,在连接处不允许有毛刺、滴瘤和多余结块,并不得有过酸洗或露铁等缺陷。
GB 2694—81
2.5.2链锌附着量和锌层厚度一一一镀件厚度小于5靠米时,锌附着量应不低于460克/米,即锌层厚度应不低于65微米。镀件厚度大于或等于5米时,锌附者量应不低于610克/米\,即锌层厚度应不低下86微米。
2.5.3均勾性一锌件的锌层应均勾,用硫酸铜溶液浸蚀四次不露铁。2.5.4 附着性一键件的锌层应与基本金屑属结合牢固,经锤击试验,锌层不剥离,不凸起。3试验方法
3. 1铁塔零部件加工完成后,应进行卧式试装。3. 2锌附着量测定采用脱层试验方法(详见附录1)亦可用磁性厚度计直接测量锌层厚度,发生争设时,以脱层法作为仲裁试验方法。3.3锌层均勾性测定采用硫酸铜溶液浸蚀试验方法(详见附录2)。3.4锌层附着性测定采用锤击试验方法(详见附录3)。4检验规班
4.1新放样的铁塔,在厂内进行试装,试装完的塔型再生产时,按样杆,样板捡查即可,但样杆、样板重新复制时,仍需进行试装。
4. 2铁塔构件镀锌附着量和锌层的均匀性、附着性,应作抽样进行试验,不符合本标准技术要求的为不合格,
4.3铁产品由制造厂质量管理部门按本标准和设计图纸特殊要求进行检验,并应符合本标谁要求,产品出厂应附有制造厂的质量证明书。5标志、包装、运输
5.1铁塔零部件标记的钢印,宜排列整齐,字形不得有残峡。钢印深度根据钢材厚度可在0.5~1.0笔米内。焊接部件的铜印不得被覆益,零部件标记的钢印猜楚可不盖油印;为了明显,制造厂应在钢印附近加盖制造广广标或盖明显符号的油印。5,2零部件包装,应按协设要求的包装方法(包装单元、包装单基)和包装限重等规定进行。如协议无规定时,可按下列要求进行包装:5.2.1包装方式一般可采用铁丝捆扎捆孔点不少于两处,并要结实、牢固。5.2.2包装单元应按工程,塔型、部件号、一基铁塔带用数量为--包装单元进行包装,单包内不得混号。
5.2.3如有下列情况之一者可不进行包装:5.2.3.14号角钢长度超过3米时,5.2.3.24.5~5.6号角钢长度超过2米时5.2.3.36~6.3号角钢长度超过1.5米时,5. 2. 3. 4 7~9 号角钢长度超过 1 米时 ;5. 2. 3. 5 10 号角钢以上的长度超过 0. 5 米时,5. 2. 3. 6 钢板长,宽度均超过 0. 3 米时。5.3铁塔单基包装,须符合下列规定:5.3.1根据塔材编号、钢材规格大小包装若干捆,每捆重量限于2~3吨,5.3.2每捆包装塔件,必须做到包捆整齐,牢固不松动。5.3.3每捆包装塔件,般采用8号铁线双根进行捆绑,角钢长度在3米以内可捆两道,超过3米以上可捆46道。
5. 3.1 每捆塔材应注明塔型、塔高。5.4铁塔发运构件的凸出部分在装车,运输和装卸时,应将其妥善固定,以免发生变形。5.5铁塔的发运应按交通运输部门的规章办理。附录1
1试件谁备
GB 2694—81
热漫镀锌附着量试验方法(脱强法)1. 1应按材质,材料规格,产品形状等选取有代表性的试样。1.2试样切成适当大小后,应与产品在同一工艺条性下镀锌。1.3附者量采用三点祛计算,将镀锌后的试样,两端各切去50毫米,然后从试样的中部及两端切取三段,分别测定附着量,三段试样附着蛋的平均值,为该试样的乎均附着量。1.4每段测试面积应不小于100平方厘米。2脱层溶液配制
溶解3.2克三氯化锑或2克三氧化二锑于500毫升比重1.19浓盐酸中,用蒸储水稀释至1升。3试验方法
试验用四氯化碳,苯等有机溶剂,清除表面油污,然后以流水冲净,净布擦干再以乙醇洗净,充分干燥后,称量(称谁至该段试样估计锌层重量的1%)。脱层液的数量,按试样表面每平方厘米不少于10旁升,将称量后的试样放人脱层中(保持脱层溶液温度不高于3℃),直至镀锌层完全溶解,氢气泡显著威少为止。将试样取出,以流水冲洗,用硬毛刷除去表面的附着物,然后浸人乙醇中,取出后迅速干燥,以同一准确度重新称量。称重后,测量试样的表面积(准确至1%)4附着量计算:
式中:A——附着量,克/米
GI——脱层前试样重量,克i
G2—脱层后试样重量,克;
S—试样表面积,毫米\。
5镀锌层近似厚度:
式中,——键锌层厚度,徽米;
A——附着量,克/米2;
p一一镀锌层密度,克/厘米?,p取值为7。G,-G2
附录 2
1试件维备
GB 2694—81
热湿糖锌层均匀性试验方法(硫酸铜试验)1.1 应按材质、材料规格、产品形状选取有代表性的试样。1.2试样切成适当大小后,应与产品在同一工艺条件下镀锌。1.3在试样上切取长10厘米的试样作碰酸铜试验。如试样过大时,允许适当切断后镀锌。钢板试样尺寸为10×10厘米。
1. 4 螺栓、螺母,取原件作硫酸铜试验1.5 试样用四氯化碳,莱等除去表面油污,流水冲净后,以净布擦干后再设人百分之二硫酸溶液中(2并比重 1.84的硫酸以98毫升水稀释)15秒钟后以流水冲净,再用净布擦干,将试样两端露出基本金属处涂以油漆或石蜡。
2硫酸铜溶液配制方法
36克化学纯硫酸铜(CuSO,·5H.0)溶于100毫升蒸馏水中,加热溶解后,冷却至室温,加人氢氧化铜或碳酸钢(每公升硫酸铜落液加人【克),搅拌混均后,静止24小时以上,然后过滤或吸出上面的澄清游液供使用,该溶液在18℃时,比重应为1.18,否则应以浓硫酸铜溶液或蒸馏水调正。3试验准备
3.1硫酸铜液应以不与硫酸钢产生化学反应的容器盛装,容器应有适当的容积,使硫铜溶液能将试样浸没,又能使试样与容器壁保持不少于25毫米的臣距离。3.2硫酸铜溶液的数量按被试面积每平方厘米不少于8升。4试验方法
将准备好的试样,置于18士2℃的溶液中没泡一分钟,此时不许搅动溶液,亦不得移动试样,一分钟后立即取出试样,以流水冲洗,并用软毛别除掉熙色沉淀物,特别要刷掉孔洞凹处沉淀物,然后用净布擦干立即进行下一次浸蚀,每次配制的硫酸铜溶液可没蚀15次。5浸蚀终点的确定
5.1经上述试验后,试样上出现红色的金属铜时为试样达到浸蚀终点。出现金属铜那次浸蚀不计人硫酸铜试验次数。
5.2将附着的金属铜用无锋刃的工具将刮摔,如铜的下边仍有金属锌时,可不算腐蚀终点。5.3下列情形不作为腐蚀终点:
a,试样端部25毫米内出现红色金属钢时。b.试样的棱角出现红色金属铜时。c.键锌后划伤、伤的部位及周围出现红色金属铜时。附录3
1锤击斌验装置
GB 2694—B1
热漫镀锌锌层附蓄性锤击试验方法试验用的链子应安装在稳固的木制试台上,试验面应保持与锤底座同样高度。锤击试验装置如后图所示。
2试验规则
试件应置于水平,体头面向台架中心,柄与底座平面垂直后自由落下,以4老米的间隔平行打击5点。检查锌层表面状态,打击点离端部10毫米以外,打击处不得同时打击两次。da
链击试验装置图
注:①锤头用45号钢:量量210克,懂刃硬度(肖氏)40以上。②睡柄用橡木,重量约70克。
广座钢板厚 15 毫米,长宽 250×250毫米,材质 A 3 Fa
小提示:此标准内容仅展示完整标准里的部分截取内容,若需要完整标准请到上方自行免费下载完整标准文档。
国家标准
输电线路铁塔制造技术条件
GB 2694- -81
本标准适用于构件主要采用角钢制造和以粗制螺栓联结、热浸镀锌防腐的输电线路铁塔及类似的钢结构的制造。
1总则
1.1铁塔制造应根据符合现行标准并按规定程序批准的施工图进行。1.2铁塔制造用的钢材,应符合现行标准或技术条件的要求,并附有出厂证明书。2技术要求
2.1所有零件加工精度,除围中特殊注明外应符合下列规定:2.1.1切割的允许偏差应符合表1的规定。2.1.2制弯的允许偏差应符合表2的规定。2.1.3制孔的允许偏差应符合表3的规定。2. 1. 4 清根、铲背和坡[1加工的允许偏差应符合表 4 的规定。切割的允许偏差
角钢及钢板
偏差名称
预定尺寸L
边缘斜度 P
角纲两面剪切倾料T
角制直端及边端剪切拉角
标准总
局发布
中华人民共和国电力工业部
充许值差值
1982年2月1日
鞍山铁塔厂铁塔研究所
偏差名称
角钢接头
GB 2694—81
制弯的允许偏差m
充许偏差值
不大于
角剃边宽90避米及以上
角钢边宽 56~80 患米
角铜边克 50 毫米及以下
曲点偏移 4
注:零件制弯后,角钢边厚最处不得小于原厚度的 70%。制孔的允许偏差‘mm
孔的公称直径
谢差名称
圆度(量大和量小直径之差)
孔中心线倾斜α
角铜及钢板孔的排间臣离
与角钢连接时
角钢推距
与钢板连接时
充许偏差值
爆铜推矩
切角边级
偏差名称bZxz.net
边宽 50 毫米及以下
边宽50 竞米以上
接头处孔矩
节点板处孔距
任意两组孔矩
角铜增距La
钢板边缘5
较高精度
(1. 5d≤,<1. 3d+1. 5)
普通箱度
(t,21. 3d-1. 5)
注:①第 1,2项悔谨不允许间时存在。GB 2694—81
孔的公称直径
≤21.5 >21.5
允许偏差值
②第 6 项对弯曲部性的正偏整,如不影响结构安装时,可适当效度,清根、铲背和坡口的允许偏差MI项玖
偏差名称
角钢铲背圆弧半径Rt
钝边C
充许偏差值
续表3
重蛋态
基准面
R 为外包角钢的内圆殖半径
GB 2694—81
所有焊接件,在装配过程中应保证制成构件的实际尺寸对设计尺寸的偏差不得超过表5的2.2
规定。
装配的充许偏差
偏蕉名称
置心Z。
瑙距回
无孔节点板位移
焊尬的相邻
两孔间距离
通心孔搭接构件
的中心相对偏些
搭接间
T接头装配
尺寸位移
T 接头第度
2.3焊缝质量应符合下列要求:
允许偏差值
2, 3. 1焊链实际尺寸对设计尺寸的偏差不得超过表 6的规定,示
信养名称
对接焊键凸起度和封底高度丸
对接焊壁间膜4
角焊睡焊脚
10
焊缝尺寸的允许偏差
允许偏差值
2.3.2焊缝质量在外观上应符合下列要求:+2.0
2. 3. 2. 1 具有平滑的细鳞形表面、无折皱、间断和末焊满的陷槽,并与基本金属平滑连接。2.3.2.2焊键金属应细密无裂纹,夹渣等缺陷。表6
2.3.2.3基本金属的啦肉度,当钢材厚度在10及10毫米以下时,不得大于0.5毫米:当钢材厚度在10毫米以上时,不得大于1.0毫米。2.4所有制成品经矫正后,其允许偏差不得超过表7的规定。成品矫正后的充许偏差
角钢顶鳞直角f/6
塑钢及蜗板平面
内挠曲J/L
焊接构件平面内
艳曲L
接头处
节点间揽曲
整个平面挑曲
2.5热浸镀锌件的锌层质量应符合下列要求2.5.1外观
充许偏差值
1.0/1 000
链锌表面应具有实用性光清,在连接处不允许有毛刺、滴瘤和多余结块,并不得有过酸洗或露铁等缺陷。
GB 2694—81
2.5.2链锌附着量和锌层厚度一一一镀件厚度小于5靠米时,锌附着量应不低于460克/米,即锌层厚度应不低于65微米。镀件厚度大于或等于5米时,锌附者量应不低于610克/米\,即锌层厚度应不低下86微米。
2.5.3均勾性一锌件的锌层应均勾,用硫酸铜溶液浸蚀四次不露铁。2.5.4 附着性一键件的锌层应与基本金屑属结合牢固,经锤击试验,锌层不剥离,不凸起。3试验方法
3. 1铁塔零部件加工完成后,应进行卧式试装。3. 2锌附着量测定采用脱层试验方法(详见附录1)亦可用磁性厚度计直接测量锌层厚度,发生争设时,以脱层法作为仲裁试验方法。3.3锌层均勾性测定采用硫酸铜溶液浸蚀试验方法(详见附录2)。3.4锌层附着性测定采用锤击试验方法(详见附录3)。4检验规班
4.1新放样的铁塔,在厂内进行试装,试装完的塔型再生产时,按样杆,样板捡查即可,但样杆、样板重新复制时,仍需进行试装。
4. 2铁塔构件镀锌附着量和锌层的均匀性、附着性,应作抽样进行试验,不符合本标准技术要求的为不合格,
4.3铁产品由制造厂质量管理部门按本标准和设计图纸特殊要求进行检验,并应符合本标谁要求,产品出厂应附有制造厂的质量证明书。5标志、包装、运输
5.1铁塔零部件标记的钢印,宜排列整齐,字形不得有残峡。钢印深度根据钢材厚度可在0.5~1.0笔米内。焊接部件的铜印不得被覆益,零部件标记的钢印猜楚可不盖油印;为了明显,制造厂应在钢印附近加盖制造广广标或盖明显符号的油印。5,2零部件包装,应按协设要求的包装方法(包装单元、包装单基)和包装限重等规定进行。如协议无规定时,可按下列要求进行包装:5.2.1包装方式一般可采用铁丝捆扎捆孔点不少于两处,并要结实、牢固。5.2.2包装单元应按工程,塔型、部件号、一基铁塔带用数量为--包装单元进行包装,单包内不得混号。
5.2.3如有下列情况之一者可不进行包装:5.2.3.14号角钢长度超过3米时,5.2.3.24.5~5.6号角钢长度超过2米时5.2.3.36~6.3号角钢长度超过1.5米时,5. 2. 3. 4 7~9 号角钢长度超过 1 米时 ;5. 2. 3. 5 10 号角钢以上的长度超过 0. 5 米时,5. 2. 3. 6 钢板长,宽度均超过 0. 3 米时。5.3铁塔单基包装,须符合下列规定:5.3.1根据塔材编号、钢材规格大小包装若干捆,每捆重量限于2~3吨,5.3.2每捆包装塔件,必须做到包捆整齐,牢固不松动。5.3.3每捆包装塔件,般采用8号铁线双根进行捆绑,角钢长度在3米以内可捆两道,超过3米以上可捆46道。
5. 3.1 每捆塔材应注明塔型、塔高。5.4铁塔发运构件的凸出部分在装车,运输和装卸时,应将其妥善固定,以免发生变形。5.5铁塔的发运应按交通运输部门的规章办理。附录1
1试件谁备
GB 2694—81
热漫镀锌附着量试验方法(脱强法)1. 1应按材质,材料规格,产品形状等选取有代表性的试样。1.2试样切成适当大小后,应与产品在同一工艺条性下镀锌。1.3附者量采用三点祛计算,将镀锌后的试样,两端各切去50毫米,然后从试样的中部及两端切取三段,分别测定附着量,三段试样附着蛋的平均值,为该试样的乎均附着量。1.4每段测试面积应不小于100平方厘米。2脱层溶液配制
溶解3.2克三氯化锑或2克三氧化二锑于500毫升比重1.19浓盐酸中,用蒸储水稀释至1升。3试验方法
试验用四氯化碳,苯等有机溶剂,清除表面油污,然后以流水冲净,净布擦干再以乙醇洗净,充分干燥后,称量(称谁至该段试样估计锌层重量的1%)。脱层液的数量,按试样表面每平方厘米不少于10旁升,将称量后的试样放人脱层中(保持脱层溶液温度不高于3℃),直至镀锌层完全溶解,氢气泡显著威少为止。将试样取出,以流水冲洗,用硬毛刷除去表面的附着物,然后浸人乙醇中,取出后迅速干燥,以同一准确度重新称量。称重后,测量试样的表面积(准确至1%)4附着量计算:
式中:A——附着量,克/米
GI——脱层前试样重量,克i
G2—脱层后试样重量,克;
S—试样表面积,毫米\。
5镀锌层近似厚度:
式中,——键锌层厚度,徽米;
A——附着量,克/米2;
p一一镀锌层密度,克/厘米?,p取值为7。G,-G2
附录 2
1试件维备
GB 2694—81
热湿糖锌层均匀性试验方法(硫酸铜试验)1.1 应按材质、材料规格、产品形状选取有代表性的试样。1.2试样切成适当大小后,应与产品在同一工艺条件下镀锌。1.3在试样上切取长10厘米的试样作碰酸铜试验。如试样过大时,允许适当切断后镀锌。钢板试样尺寸为10×10厘米。
1. 4 螺栓、螺母,取原件作硫酸铜试验1.5 试样用四氯化碳,莱等除去表面油污,流水冲净后,以净布擦干后再设人百分之二硫酸溶液中(2并比重 1.84的硫酸以98毫升水稀释)15秒钟后以流水冲净,再用净布擦干,将试样两端露出基本金属处涂以油漆或石蜡。
2硫酸铜溶液配制方法
36克化学纯硫酸铜(CuSO,·5H.0)溶于100毫升蒸馏水中,加热溶解后,冷却至室温,加人氢氧化铜或碳酸钢(每公升硫酸铜落液加人【克),搅拌混均后,静止24小时以上,然后过滤或吸出上面的澄清游液供使用,该溶液在18℃时,比重应为1.18,否则应以浓硫酸铜溶液或蒸馏水调正。3试验准备
3.1硫酸铜液应以不与硫酸钢产生化学反应的容器盛装,容器应有适当的容积,使硫铜溶液能将试样浸没,又能使试样与容器壁保持不少于25毫米的臣距离。3.2硫酸铜溶液的数量按被试面积每平方厘米不少于8升。4试验方法
将准备好的试样,置于18士2℃的溶液中没泡一分钟,此时不许搅动溶液,亦不得移动试样,一分钟后立即取出试样,以流水冲洗,并用软毛别除掉熙色沉淀物,特别要刷掉孔洞凹处沉淀物,然后用净布擦干立即进行下一次浸蚀,每次配制的硫酸铜溶液可没蚀15次。5浸蚀终点的确定
5.1经上述试验后,试样上出现红色的金属铜时为试样达到浸蚀终点。出现金属铜那次浸蚀不计人硫酸铜试验次数。
5.2将附着的金属铜用无锋刃的工具将刮摔,如铜的下边仍有金属锌时,可不算腐蚀终点。5.3下列情形不作为腐蚀终点:
a,试样端部25毫米内出现红色金属钢时。b.试样的棱角出现红色金属铜时。c.键锌后划伤、伤的部位及周围出现红色金属铜时。附录3
1锤击斌验装置
GB 2694—B1
热漫镀锌锌层附蓄性锤击试验方法试验用的链子应安装在稳固的木制试台上,试验面应保持与锤底座同样高度。锤击试验装置如后图所示。
2试验规则
试件应置于水平,体头面向台架中心,柄与底座平面垂直后自由落下,以4老米的间隔平行打击5点。检查锌层表面状态,打击点离端部10毫米以外,打击处不得同时打击两次。da
链击试验装置图
注:①锤头用45号钢:量量210克,懂刃硬度(肖氏)40以上。②睡柄用橡木,重量约70克。
广座钢板厚 15 毫米,长宽 250×250毫米,材质 A 3 Fa
小提示:此标准内容仅展示完整标准里的部分截取内容,若需要完整标准请到上方自行免费下载完整标准文档。
标准图片预览:





- 其它标准
- 热门标准
- 国家标准(GB)
- GB/T2828.1-2012 计数抽样检验程序 第1部分:按接收质量限(AQL)检索的逐批检验抽样计划
- GB/T18204.4-2000 公共场所毛巾、床上卧具微生物检验方法细菌总数测定
- GB/T23892.3-2009 滑动轴承 稳态条件下流体动压可倾瓦块止推轴承 第3部分:可倾瓦块止推轴承计算的许用值
- GB/T11839-1989 二氧化铀芯块中硼的测定 姜黄素萃取光度法
- GB/T6122.1-2002 圆角铣刀 第1部分:型式和尺寸
- GB/T7433-1987 对称电缆载波通信系统抗无线电广播和通信干扰的指标
- GB/T21238-2007 玻璃纤维增强塑料夹砂管
- GB/T28809-2012 轨道交通 通信、信号和处理系统 信号用安全相关电子系统
- GB/T9124.1-2019 钢制管法兰 第1部分:PN 系列
- GB17945-2024 消防应急照明和疏散指示系统
- GB15603-2022 危险化学品仓库储存通则
- GB6819-1996 溶解乙炔
- GB/T9239-1988 刚性转子平衡品质 许用不平衡的确定
- GB/T15917.3-1995 金属镝及氧化镝化学分析方法 对氯苯基荧光酮--溴化十六烷基三甲基胺分光光度法测定钽量
- GB/T5738-1995 瓶装酒、饮料塑料周转箱
- 行业新闻
请牢记:“bzxz.net”即是“标准下载”四个汉字汉语拼音首字母与国际顶级域名“.net”的组合。 ©2025 标准下载网 www.bzxz.net 本站邮件:bzxznet@163.com
网站备案号:湘ICP备2025141790号-2
网站备案号:湘ICP备2025141790号-2