- 您的位置:
- 标准下载网 >>
- 标准分类 >>
- 国家标准(GB) >>
- GB/T 22384-2008 电力系统安全稳定控制系统检验规范
标准号:
GB/T 22384-2008
标准名称:
电力系统安全稳定控制系统检验规范
标准类别:
国家标准(GB)
标准状态:
现行-
发布日期:
2008-09-24 -
实施日期:
2009-08-01 出版语种:
简体中文下载格式:
.rar.pdf下载大小:
5.81 MB
点击下载
标准简介:
标准下载解压密码:www.bzxz.net
本标准规定了电力系统安全稳定控制系统验收检验、定期检验及补充检验等的种类、周期、内容及要求。本标准适用于电网企业、并网运行的发电企业及用户负责稳控系统(装置)管理和运行维护的单位。有关规划设计、研究制造、安装调试单位及部门亦应遵守本标准。对于单个厂站的安全稳定控制装置可以参照执行。 GB/T 22384-2008 电力系统安全稳定控制系统检验规范 GB/T22384-2008
部分标准内容:
ICS_29.020
中华人民共和国国家标准
GB/T22384—2008
电力系统安全稳定控制系统检验规范Testing specification of security and stability control system for power system2008-09-24发布
中华人民共和国国家质量监督检验检疫总局中国国家标准化管理委员会
2009-08-01实施
规范性引用文件
检验的分类和周期
检验前应具备的条件
检验项目
现场开箱检验
装置的外部检查
绝缘及耐压检验
逆变电源检验
装置本体功能检验
与其他厂站稳控装置(系统)的联合调试载波通道及光纤通道的检验
整组试验
装置投运检查
GB/T22384-2008
本标准由中国电力企业联合会提出。前言
本标准由中国电力企业联合会归口并负责解释。GB/T22384—2008
本标准主要起草单位:南方电网技术研究中心、中国南方电网电力调度通信中心、南京南瑞继保电气有限公司。
本标准主要起草人:吴小辰、曾勇刚、黄河、杨晋柏、宗洪良、陈松林、孙光辉。m
1范围
电力系统安全稳定控制系统检验规范GB/T22384—2008
本标准规定了电力系统安全稳定控制系统(简称稳控系统)验收检验、定期检验及补充检验等的种类、周期、内容及要求。
本标准适用于电网企业、并网运行的发电企业及用户负责稳控系统(装置)管理和运行维护的单位。有关规划设计、研究制造、安装调试单位及部门亦应遵守本标准。对于单个厂站的安全稳定控制装置(简称稳控装置)可以参照执行。2规范性引用文件
下列文件中的条款通过本标准的引用而成为本标准的条款。凡是注日期的引用文件,其随后所有的修改单(不包括勘误的内容)或修订版均不适用于本标准,然而,鼓励根据本标准达成协议的各方研究是否可使用这些文件的最新版本。凡是不注日期的引用文件,其最新版本适用于本标准。DL/T527一2002静态继电保护装置逆变电源技术条件DL/T623继电保护和电网安全自动装置检验规程3总则
3.1为了加强和规范安全稳定控制系统的验收检验、定期检验、补充检验工作,提高稳控系统运行的可靠性、安全性,保证电力系统安全稳定运行,特制定本标准。3.2所有稳控系统(装置)及其回路接线,应按本标准的要求进行验收检验和定期检验,以确定装置的元件是否良好,二次回路接线、控制策略功能、定值等是否正确,动作特性及电气性能等是否满足设计要求和相关技术标准。
3.3本标准未涉及的继电器及其辅助设备、电流互感器或电压互感器及回路、直流回路、断路器或隔离开关传动装置内的有关装置及回路等元件或设备的检验,按照DL/T623等有关标准执行。3.4双套稳控系统(装置)均应进行检验。3.5未按本标准要求进行验收检验、或检验结果不满足本标准要求的新安装及改造装置禁止投人运行。
4检验的分类和周期
4.1检验的分类
稳控系统(装置)的检验分为四种:a)出厂验收检验;
b)新安装验收检验;
运行中的稳控系统(装置)的定期检验(简称“定期检验”);c)
运行中的稳控系统(装置)的补充检验(简称“补充检验”)。4.1.1
出厂验收检验
下列情况应进行出厂验收检验:a)
新安装的稳控系统(装置)设备出厂前;b)已运行的稳控系统更换软件后。1
GB/T22384—2008
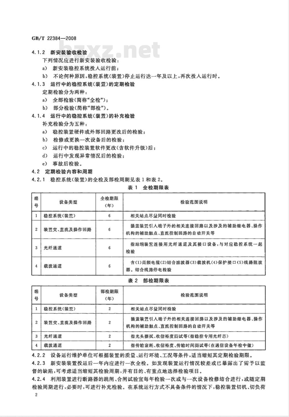
4.1.2新安装验收检验
下列情况应进行新安装验收检验:a)新安装稳控系统投入运行前;b)不论何种原因,稳控系统(装置)停止运行达一年及以上,再次投人运行时。4.1.3运行中的稳控系统(装置)的定期检验定期检验分为两种:
a)全部检验(简称“全检”);部分检验(简称“部检\)。
4.1.4运行中的稳控系统(装置)的补充检验补充检验分为五种:
a)稳控装置硬件或外部回路更改后的检验;b)
检修或更换一次设备后的检验;运行中的稳控装置软件更改(含软件升级)后;运行中发现异常情况后的检验;事故后检验。
4.2定期检验内容和周期
稳控系统(装置)的全检及部检周期见表1和表2。表1全检期限表
设备类型
稳控系统(装置)
装置交、直流及操作回路
光纤通道
载波通道
设备类型
稳控系统(装置)
装暨交、直流及操作回路
光纤通道
载波通道
全检期限
(年)
部检期限
相关站点尽量同时检验
检验范围说明
涵盖装暨引人端子外的相关连接回路以及涉及的辅助继电器、操作机构的辅助触点、直流控制回路的自动开关等指站端装置连接用光纤通道及其接口设备,与对应稳控系统一起检验
含(1)高频电缆(2)结合滤波器(3)载波机(4)保护接口(5)线路阻波器。结合线路停电检验
表2部检期限表
检验范围说明
相关站点尽量同时检验
涵盖装置引入端子外的相关连接回路以及涉及的辅助继电器、操作机构的辅助触点、直流控制回路的自动开关等指光头擦拭、收信裕度测试等(指稳控专用光纤芯)指传输衰耗、收信裕度、传输时间测试等(在通信设备年检中做)4.2.2设备运行维护单位可根据装置的质量、运行环境、工况等条件,适当缩短其定期检验期限。4.2.3新安装装置投运后一年内应进行一次全检。如发现装置运行情况较差或已暴露出了需予以监督的缺陷,可考虑适当缩短其检验周期,并有目的、有重点地选择检验项目。4.2.4利用装置进行断路器的跳闸、合闸试验宜每年检验一次或与一次设备检修结合进行,或随定期检验周期进行,必要时,可进行补充检验。在系统运行方式不具备条件的情况下,稳控装置切机、切负荷2
GB/T22384—2008
等功能的跳、合断路器的试验,可利用装置内部的自检逻辑或导通方法分别检验到每个断路器及其相关回路接线的正确性。
4.2.5涉及远方厂站的稳控系统(装置)的定期检验由运行维护单位根据规定时间及设备具体情况提出申请,相应调度机构统一安排。4.2.6单个厂站的稳控装置的定期检验、涉及远方厂站稳控装置的就地功能的定期检验,由运行维护单位根据规定时间及设备具体情况提出申请,相应调度机构批准后执行。4.3补充检验
4.3.1运行中的装置硬件或外部回路更改后,均应由运行维护单位进行补充检验,并按其工作性质,确定其检验项目。
4.3.2因检修或更换一次设备(断路器、电流和电压互感器等)所进行的补充检验,应由运行维护单位根据一次设备检修(更换)的性质,确定其检验项目。4.3.3运行中的稳控系统(装置)软件更改(含软件升级)后,其检验范围可由运行维护单位根据厂家提供的具体更改情况及试验方案确定,其检验范围应事先征得相应调度机构的同意4.3.4装置运行中发生异常,或装置不正确动作且原因不明时,均应由运行维护单位根据异常或事故情况,有目的地拟定具体检验项目及检验顺序,尽快进行补充检验。检验工作结束后,应及时提出报告,并上报相应调度机构备查。
5检验前应具备的条件
5.1检验仪器、仪表应满足DL/T623的规定。5.2检验前的准备工作
5.2.1在现场进行检验工作前,应认真了解被检验装置的一次设备情况及其相邻的一、二次设备情况,与本站稳控装置相连的远方厂站稳控装置的详细情况,据此制定在检验工作进行的全过程中确保系统安全运行的技术措施。
5.2.2应具备与实际状况一致的图纸、上次检验的记录、最新整定通知单、合格的仪器仪表、备品备件、工具和连接导线等。
5.2.3对新安装系统的验收检验,还应先进行如下的准备工作:a)了解设备的一次接线及投人运行后可能出现的运行方式和设备投人运行的方案。b)检查装置的原理接线图(设计图)及与之相符合的二次回路安装图,电缆敷设图,电缆编号图,断路器操作机构图,电流、电压互感器端子箱图及二次回路分线箱图等全部图纸以及稳控装置的技术说明及断路器操作机构说明书,电流、电压互感器的出厂试验书等。以上技术资料应齐全、正确。
根据设计图纸,到现场核对所有装置的安装位置及接线是否正确,各装置所使用的电流互感器c)
的安装位置是否合适等。
5.2.4设备维护人员在运行设备上进行检验工作时,应事先取得发电厂或变电站运行人员的同意,遵照电业安全工作规程的规定履行工作许可手续,并在运行人员利用专用的连片将装置的所有出口回路断开、且在远方厂站稳控装置采取安全措施后,才能开始检验工作。5.2.5检验现场应提供安全可靠的检修试验电源,禁止从运行设备上接取试验电源。现场应具备能提供电压为80%额定值的直流试验电源。5.2.6检查装设保护和通信设备的室内的所有金属结构及设备外壳均应连接于等电位地网。5.2.7检查装设稳控装置屏柜间敷设的接地铜排的首末端已可靠连接于等电位地网。5.2.8检查室内等电位地网已与主接地网可靠连接。6检验项目
稳控系统各阶段检验项目见表3。3
GB/T22384--2008
现场开箱检验
外部检查
绝缘及耐压检验
逆变电源检验
装置本体功能
调试检验
与其他厂站稳
控装置(系统)
的联合调试
表3稳控系统(装置)检验项目
检验项目
记录并核对程序版本号(校验码)及生成日期硬件系统时钟校核
核对定值及有关参数
数据采策的精确度和线性度范围开入和开出回路检验
系统运行方式识别的检验
控制策略表功能逐项检查
装置异常报警功能检验
中央信号、后台通信信息输出功能检查定值准确性校验及掉电重启后定值检查检验定值区切换功能
报告完整性检验
其他功能检验
通道连接检验
系统(装置)的通信通道交换信息检验系统运行方式识别的检验
通信报文正确性检验
远方控制命令确认赖数检查检验策略表功能系统联合调试
载波通道及光纤通道的检验
主备(主辅)装暨的配合及切换
整组检验
」装置投运检查
出口传动检验
整组动作时间测试
出厂:
&运行中的稳控系统(装置)软件更改(含软件升级)后,出厂检验可只包含装暨本体功能调试检验、与其他稳控厂站装置(系统)的联合调试、整组检验等检验项目。b绝缘及耐压检验在出厂验收检验中只需检查厂家出厂检验报告。注1:运行中的稳控装置软件更改(含软件升级)后,其检验范国可由运行维护单位根据厂家提供的具体更改情况及试验方案确定,宜包含新安装验收检验项目中装置本体功能调试检验、与其他厂站稳控装暨(系统)的联合调试、整组检验等检验项目进行。其检验范国应事先征得相应调度机构的同意。注2:其他类型的补充检验由设备运行维护单位依据工作性质确定检验项目。4
7现场开箱检验
GB/T22384—2008
7.1检验设备的完好性:设备在现场开箱后应立即检验设备装箱是否符合运输的有关规定,检验设备的型号、数量及各技术参数是否与订货合同一致。检验设备外壳、面板、铭牌、开关及背后端子等是否完好无损。如有损坏则应立即与制造厂联系,由制造厂家负责更换或修理,经确认合格后方可安装。7.2核查技术资料及备品备件:核对图纸资料、出厂试验记录及备品备件是否与装箱清单一致。如不齐全则应向制造厂家索取。
7.3检查产品的合格证。如无合格证,则应立即与制造厂家联系,要求制造厂家给予确切解释。8装置的外部检查
8.1装置外部检查的范围
8.1.1装置屏上的主、辅切换设备及其光电指示信号灯(牌)、连接片、交直流及其他设备连接回路中的内外配线、电缆、端子、接地线的安装连接及外观、标识情况。8.1.2涉及装置用交直流回路中电流、电压互感器及开关、刀闸端子箱中相应设备和电缆端子安装连接及外观、标识情况。
8.1.3通信连接回路中有关设备及其连接线、接地线的安装工艺质量及外观、标识情况。8.2装置外部检查的内容
装置的实际构成情况是否与设计要求相符。a)
装置中设备安装的工艺质量,以及导线、端子的材质是否满足国家有关要求。b)
装置外部检查范围内的设备标志应正确、完整、清晰,表计、信号灯及信号继电器、光字牌的计量正确。
涂去装置上闲置压板的原有标志或加标“备用”字样,该闲置压板的连线应与图纸相符合,图d)
上没有的应拆掉。
压板、把手、按钮的安装应端正、牢固,接触良好。定值整定小开关、拨轮开关、微动开关操作灵e)
活可靠,通、断位置明确,接触良好。装置外部检查范围内各设备及端子排的螺丝应紧固可靠,无严重灰尘、无放电痕迹,端子箱内f)
应无严重潮湿、进水现象。
装置屏附近应无强热源、强电磁干扰源。有空调设备,环境温度、湿度满足相关规定。g)
装置外部检查范围内端子排上内部、外部连接线,以及沿电缆敷设路线上的电缆标号是否正h)
确完整,与图纸资料吻合。
i)装置外部检查范围内设备及回路的接地情况是否符合国家规程和反事故措施要求。9绝缘及耐压检验
9.1在装置屏的端子排处将外部引入的回路及电缆全部断开,分别将电流、电压、直流控制信号回路的所有端子各自连接在一起,用1000V摇表测量下列绝缘电阻,其阻值均应大于10Mα。检验项目包括各回路对地和客回路相互间。
9.2在装置屏的端子排处将所有电流、电压、直流回路的端子连接在一起,并将电流回路的接地点拆开,用1000V摇表测量回路对地的绝缘电阻,其绝缘电阻应大于1Mα。此项检验只有在被保护设备的断路器、电流互感器全部停电及电压回路已在电压切换把手或分线箱处与其他单元设备的回路断开后方可进行。如果不允许所有回路同时停电,其绝缘电阻的检验只能分段进行,即哪一个单元停电,就测定这个单元所属回路的绝缘电阻
9.3对信号回路,用1000V摇表测量电缆每芯对地及对其他各芯间的绝缘电阻,其绝缘电阻应不小5
GB/T22384—2008
于1Mα。定期检验只测量芯线对地的绝缘电阻。9.4运行的设备及其回路全检时应进行一次耐压试验,当绝缘电阻大于1Mα时,允许用2500V摇表测试绝缘电阻的方法代替。
10逆变电源检验
10.1逆变电源的检验按照DL/T623的有关标准执行,检验结果应符合DL/T527—2002的具体要求。
10.2定期检验时还应检查逆变电源是否达到DL/T527一2002所规定的使用年限。11装置本体功能检验
11.1记录并核对程序版本号(校验码)及生成日期。11.2硬件系统时钟校核
11.2.1在有GPS对时信号条件下,先设定装置时钟,过24h后,确认装置时钟误差在10ms以内。11.2.2在无GPS对时信号条件下,先设定装置时钟,过24h后,确认装置时钟误差在10s以内。11.3核对定值及有关参数
11.3.1检查装置输人定值是否与调度下发的定值单相符;核对各线路、主变、机组的额定线电压、额定相电压和额定相电流等参数以及元件位置与定值是否对应;核对压板投退方式、通道投退与定值是否对应。
11.4数据采集的精确度和线性度范围11.4.1零点漂移检验。
装置不输入交流电流、电压量,观察装置在一段时间内(10s)的零漂值应小于额定值的5%。11.4.2各电流、电压输人的幅值和相位精度检验。a)出厂验收及新安装验收检验时,按照装置技术说明书规定的试验方法,分别输入不同幅值和相位的电流、电压量,观察装置的电流、电压、功率采样值满足装置技术条件及满足下述要求:1)交流电压有效值测量误差≤士1%U~或2%;2)交流电流有效值测量误差≤士1%IN或2%;3)功率测量误差≤士2%Pz或3%;4)频率测量误差≤士0.01Hz。
b)全部检验时,可仅分别输人不同幅值的电流、电压量。部分检验时,可仅输人额定电流、电压量。c)
11.5开入和开出回路检验
11.5.1开人回路检验
11.5.1.1出厂验收及新安装验收检验时a)在保护屏柜端子排处,按照装置技术说明书规定的试验方法,对所有引入端子排的开关量输人回路依次加人激励量,观察装置的行为。按照装置技术说明书所规定的试验方法,分别接通、断开连片及转动把手,观察装置的行为。b)
各开人量定义由各站根据本厂站实际自行填写,如线路跳闸信号、HWJ信号,各种功能压板如c)
策略功能投退压板、通道压板、方式压板、旁代压板等。11.5.1.2全部检验时,仅对已投人使用的开关量输入回路依次加入激励量,观察装置的行为。11.5.1.3部分检验时,可随装置的整组试验一并进行。11.5.2开出及出口跳闸回路检验11.5.2.1新安装验收检验
在装置屏柜端子排处,按照装置技术说明书规定的试验方法,依次观察装置所有输出触点及输出信6
号的通断状态。
GB/T22384—2008
11.5.2.2全部检验时,在装置屏柜端子排处,按照装置技术说明书规定的试验方法,依次观察装置已投人使用的输出触点及输出信号的通断状态。11.5.2.3部分检验时,可随装置的整组试验一并进行。11.5.3在11.5.1~11.5.2检验项目中,如果几种稳控装置、继电保护装置共用一组出口连片或共用同一告警信号时,应将几种装置分别传动到出口连片和稳控(继电保护)屏柜端子排。如果几种装置共用同一开入量,应将此开入量分别传动至各种装置。11.6系统运行方式识别的检验
模拟就地线路投停、机组开停、功率变化等运行方式变化,确认装置能正确识别。11.7控制策略表功能逐项检查
11.7.1控制策略表功能逐项检查应基于书面确认的策略表。2检验动作条件完全满足时稳控装置的每个策略都能正确动作。11.7.2
11.7.3检验验收人员根据设备生产厂家提供的建议协商确定装置的防误动测试方案,测试方案宜抽查策略动作条件不完全满足、或就地判据等防误措施不满足时稳控装置不会误动。检验验收人员按照测试方案进行检验验收。参考记录表格如表4。表4控制策略表检查项目
策略(功能)
策略(功能)1
策略(功能)2
策路(功能)*下载标准就来标准下载网
故障元件及类型
B装置异常报警功能检验
动作条件
断面潮流
控制措施
运行维护单位应参考装置设计规范书、厂家技术说明书及有关技术资料,根据装置的具体情况,确定装置应具有的异常报警功能,并采用适当方法进行验证。参考记录表格如表5。表5异常报警功能检验项目
检验项目
TV异常
TA异常
HWJ异常
开人异常
运行方式异常
频率异常
电压异常
频率变化率异常
检验方法
检验结果
GB/T22384—2008
检验项目
电压变化率异常
普普酱
表5(续)
检验方法
注:该表仅为示例说明,现场应根据具体装置情况确定检验项目。11.9中央信号、后台通信信息输出功能检查检验结果
检查稳控装置到厂站就地监控的中央信号,包括接点给出的信号或通过计算机通信口给到就地监控系统的信号,是否能够正确显示。同时还应检查稳控装置到远方后台管理系统的信息,如定值、装置告警信号、动作数据(录波)记录是否能够能在远方后台管理系统正确显示。现场应根据装置具体情况确定检验项目,参考记录表格如表6。表6中央信号、后台通信信息输出功能检查项目序
装置动作
装置故障(闭锁)
装置异常
直流消失
通道故障
动作报告
检验方法
注:该表仅为示例说明,现场应根据具体装置情况确定检验项目11.10定值准确性校验及掉电重启后定值检查结
11.10.1电气特性的检验项目和内容应根据检验的性质,装置的具体构成方式和动作原理拟定。11.10.2检验装置的特性时,在原则上应符合实际运行条件,并满足实际运行的要求。每一检验项目都应有明确的目的,或为运行所必须,或以用判别元件、装置是否处于良好状态和发现可能存在的缺陷等。
11.10.3稳控装置的定值检验要求如下:应按照整定通知单上的整定项目,按照装置技术条件或制造厂所规定的试验方法,对稳控装置a)
的每一功能元件进行逐一检验。如要求检查当动作量为整定值的1.051.1倍(反映过定值条件动作的)或0.90.95倍(反映低定值条件动作的)时各装置动作是否可靠动作,以及检查当动作量为整定值的0.9~0.95倍(反映过定值条件动作的)或1.05~1.1倍(反映低定值条件动作的)时各装置动作是否可靠不动作;若装置带方向,还需检验正反两个方向装置动作行为是否与策略一致。
b)核实稳控装置在断电或故障重启后定值不会发生变化。11.11检验定值输人及定值区切换功能如稳控装置具备定值区切换功能,应测试定值区间能够可靠切换,且对每个定值区的定值都应进行完整测试。
11.12报告完整性检验
11.12.1向安全稳定控制装置发送1或2顿指定内容的报文,安全稳定控制装置应能有相应变位记录。
模拟安全稳定控制装置本地策略或接收远方命令动作,安全稳定控制装置应有完整的动作数
小提示:此标准内容仅展示完整标准里的部分截取内容,若需要完整标准请到上方自行免费下载完整标准文档。
中华人民共和国国家标准
GB/T22384—2008
电力系统安全稳定控制系统检验规范Testing specification of security and stability control system for power system2008-09-24发布
中华人民共和国国家质量监督检验检疫总局中国国家标准化管理委员会
2009-08-01实施
规范性引用文件
检验的分类和周期
检验前应具备的条件
检验项目
现场开箱检验
装置的外部检查
绝缘及耐压检验
逆变电源检验
装置本体功能检验
与其他厂站稳控装置(系统)的联合调试载波通道及光纤通道的检验
整组试验
装置投运检查
GB/T22384-2008
本标准由中国电力企业联合会提出。前言
本标准由中国电力企业联合会归口并负责解释。GB/T22384—2008
本标准主要起草单位:南方电网技术研究中心、中国南方电网电力调度通信中心、南京南瑞继保电气有限公司。
本标准主要起草人:吴小辰、曾勇刚、黄河、杨晋柏、宗洪良、陈松林、孙光辉。m
1范围
电力系统安全稳定控制系统检验规范GB/T22384—2008
本标准规定了电力系统安全稳定控制系统(简称稳控系统)验收检验、定期检验及补充检验等的种类、周期、内容及要求。
本标准适用于电网企业、并网运行的发电企业及用户负责稳控系统(装置)管理和运行维护的单位。有关规划设计、研究制造、安装调试单位及部门亦应遵守本标准。对于单个厂站的安全稳定控制装置(简称稳控装置)可以参照执行。2规范性引用文件
下列文件中的条款通过本标准的引用而成为本标准的条款。凡是注日期的引用文件,其随后所有的修改单(不包括勘误的内容)或修订版均不适用于本标准,然而,鼓励根据本标准达成协议的各方研究是否可使用这些文件的最新版本。凡是不注日期的引用文件,其最新版本适用于本标准。DL/T527一2002静态继电保护装置逆变电源技术条件DL/T623继电保护和电网安全自动装置检验规程3总则
3.1为了加强和规范安全稳定控制系统的验收检验、定期检验、补充检验工作,提高稳控系统运行的可靠性、安全性,保证电力系统安全稳定运行,特制定本标准。3.2所有稳控系统(装置)及其回路接线,应按本标准的要求进行验收检验和定期检验,以确定装置的元件是否良好,二次回路接线、控制策略功能、定值等是否正确,动作特性及电气性能等是否满足设计要求和相关技术标准。
3.3本标准未涉及的继电器及其辅助设备、电流互感器或电压互感器及回路、直流回路、断路器或隔离开关传动装置内的有关装置及回路等元件或设备的检验,按照DL/T623等有关标准执行。3.4双套稳控系统(装置)均应进行检验。3.5未按本标准要求进行验收检验、或检验结果不满足本标准要求的新安装及改造装置禁止投人运行。
4检验的分类和周期
4.1检验的分类
稳控系统(装置)的检验分为四种:a)出厂验收检验;
b)新安装验收检验;
运行中的稳控系统(装置)的定期检验(简称“定期检验”);c)
运行中的稳控系统(装置)的补充检验(简称“补充检验”)。4.1.1
出厂验收检验
下列情况应进行出厂验收检验:a)
新安装的稳控系统(装置)设备出厂前;b)已运行的稳控系统更换软件后。1
GB/T22384—2008
4.1.2新安装验收检验
下列情况应进行新安装验收检验:a)新安装稳控系统投入运行前;b)不论何种原因,稳控系统(装置)停止运行达一年及以上,再次投人运行时。4.1.3运行中的稳控系统(装置)的定期检验定期检验分为两种:
a)全部检验(简称“全检”);部分检验(简称“部检\)。
4.1.4运行中的稳控系统(装置)的补充检验补充检验分为五种:
a)稳控装置硬件或外部回路更改后的检验;b)
检修或更换一次设备后的检验;运行中的稳控装置软件更改(含软件升级)后;运行中发现异常情况后的检验;事故后检验。
4.2定期检验内容和周期
稳控系统(装置)的全检及部检周期见表1和表2。表1全检期限表
设备类型
稳控系统(装置)
装置交、直流及操作回路
光纤通道
载波通道
设备类型
稳控系统(装置)
装暨交、直流及操作回路
光纤通道
载波通道
全检期限
(年)
部检期限
相关站点尽量同时检验
检验范围说明
涵盖装暨引人端子外的相关连接回路以及涉及的辅助继电器、操作机构的辅助触点、直流控制回路的自动开关等指站端装置连接用光纤通道及其接口设备,与对应稳控系统一起检验
含(1)高频电缆(2)结合滤波器(3)载波机(4)保护接口(5)线路阻波器。结合线路停电检验
表2部检期限表
检验范围说明
相关站点尽量同时检验
涵盖装置引入端子外的相关连接回路以及涉及的辅助继电器、操作机构的辅助触点、直流控制回路的自动开关等指光头擦拭、收信裕度测试等(指稳控专用光纤芯)指传输衰耗、收信裕度、传输时间测试等(在通信设备年检中做)4.2.2设备运行维护单位可根据装置的质量、运行环境、工况等条件,适当缩短其定期检验期限。4.2.3新安装装置投运后一年内应进行一次全检。如发现装置运行情况较差或已暴露出了需予以监督的缺陷,可考虑适当缩短其检验周期,并有目的、有重点地选择检验项目。4.2.4利用装置进行断路器的跳闸、合闸试验宜每年检验一次或与一次设备检修结合进行,或随定期检验周期进行,必要时,可进行补充检验。在系统运行方式不具备条件的情况下,稳控装置切机、切负荷2
GB/T22384—2008
等功能的跳、合断路器的试验,可利用装置内部的自检逻辑或导通方法分别检验到每个断路器及其相关回路接线的正确性。
4.2.5涉及远方厂站的稳控系统(装置)的定期检验由运行维护单位根据规定时间及设备具体情况提出申请,相应调度机构统一安排。4.2.6单个厂站的稳控装置的定期检验、涉及远方厂站稳控装置的就地功能的定期检验,由运行维护单位根据规定时间及设备具体情况提出申请,相应调度机构批准后执行。4.3补充检验
4.3.1运行中的装置硬件或外部回路更改后,均应由运行维护单位进行补充检验,并按其工作性质,确定其检验项目。
4.3.2因检修或更换一次设备(断路器、电流和电压互感器等)所进行的补充检验,应由运行维护单位根据一次设备检修(更换)的性质,确定其检验项目。4.3.3运行中的稳控系统(装置)软件更改(含软件升级)后,其检验范围可由运行维护单位根据厂家提供的具体更改情况及试验方案确定,其检验范围应事先征得相应调度机构的同意4.3.4装置运行中发生异常,或装置不正确动作且原因不明时,均应由运行维护单位根据异常或事故情况,有目的地拟定具体检验项目及检验顺序,尽快进行补充检验。检验工作结束后,应及时提出报告,并上报相应调度机构备查。
5检验前应具备的条件
5.1检验仪器、仪表应满足DL/T623的规定。5.2检验前的准备工作
5.2.1在现场进行检验工作前,应认真了解被检验装置的一次设备情况及其相邻的一、二次设备情况,与本站稳控装置相连的远方厂站稳控装置的详细情况,据此制定在检验工作进行的全过程中确保系统安全运行的技术措施。
5.2.2应具备与实际状况一致的图纸、上次检验的记录、最新整定通知单、合格的仪器仪表、备品备件、工具和连接导线等。
5.2.3对新安装系统的验收检验,还应先进行如下的准备工作:a)了解设备的一次接线及投人运行后可能出现的运行方式和设备投人运行的方案。b)检查装置的原理接线图(设计图)及与之相符合的二次回路安装图,电缆敷设图,电缆编号图,断路器操作机构图,电流、电压互感器端子箱图及二次回路分线箱图等全部图纸以及稳控装置的技术说明及断路器操作机构说明书,电流、电压互感器的出厂试验书等。以上技术资料应齐全、正确。
根据设计图纸,到现场核对所有装置的安装位置及接线是否正确,各装置所使用的电流互感器c)
的安装位置是否合适等。
5.2.4设备维护人员在运行设备上进行检验工作时,应事先取得发电厂或变电站运行人员的同意,遵照电业安全工作规程的规定履行工作许可手续,并在运行人员利用专用的连片将装置的所有出口回路断开、且在远方厂站稳控装置采取安全措施后,才能开始检验工作。5.2.5检验现场应提供安全可靠的检修试验电源,禁止从运行设备上接取试验电源。现场应具备能提供电压为80%额定值的直流试验电源。5.2.6检查装设保护和通信设备的室内的所有金属结构及设备外壳均应连接于等电位地网。5.2.7检查装设稳控装置屏柜间敷设的接地铜排的首末端已可靠连接于等电位地网。5.2.8检查室内等电位地网已与主接地网可靠连接。6检验项目
稳控系统各阶段检验项目见表3。3
GB/T22384--2008
现场开箱检验
外部检查
绝缘及耐压检验
逆变电源检验
装置本体功能
调试检验
与其他厂站稳
控装置(系统)
的联合调试
表3稳控系统(装置)检验项目
检验项目
记录并核对程序版本号(校验码)及生成日期硬件系统时钟校核
核对定值及有关参数
数据采策的精确度和线性度范围开入和开出回路检验
系统运行方式识别的检验
控制策略表功能逐项检查
装置异常报警功能检验
中央信号、后台通信信息输出功能检查定值准确性校验及掉电重启后定值检查检验定值区切换功能
报告完整性检验
其他功能检验
通道连接检验
系统(装置)的通信通道交换信息检验系统运行方式识别的检验
通信报文正确性检验
远方控制命令确认赖数检查检验策略表功能系统联合调试
载波通道及光纤通道的检验
主备(主辅)装暨的配合及切换
整组检验
」装置投运检查
出口传动检验
整组动作时间测试
出厂:
&运行中的稳控系统(装置)软件更改(含软件升级)后,出厂检验可只包含装暨本体功能调试检验、与其他稳控厂站装置(系统)的联合调试、整组检验等检验项目。b绝缘及耐压检验在出厂验收检验中只需检查厂家出厂检验报告。注1:运行中的稳控装置软件更改(含软件升级)后,其检验范国可由运行维护单位根据厂家提供的具体更改情况及试验方案确定,宜包含新安装验收检验项目中装置本体功能调试检验、与其他厂站稳控装暨(系统)的联合调试、整组检验等检验项目进行。其检验范国应事先征得相应调度机构的同意。注2:其他类型的补充检验由设备运行维护单位依据工作性质确定检验项目。4
7现场开箱检验
GB/T22384—2008
7.1检验设备的完好性:设备在现场开箱后应立即检验设备装箱是否符合运输的有关规定,检验设备的型号、数量及各技术参数是否与订货合同一致。检验设备外壳、面板、铭牌、开关及背后端子等是否完好无损。如有损坏则应立即与制造厂联系,由制造厂家负责更换或修理,经确认合格后方可安装。7.2核查技术资料及备品备件:核对图纸资料、出厂试验记录及备品备件是否与装箱清单一致。如不齐全则应向制造厂家索取。
7.3检查产品的合格证。如无合格证,则应立即与制造厂家联系,要求制造厂家给予确切解释。8装置的外部检查
8.1装置外部检查的范围
8.1.1装置屏上的主、辅切换设备及其光电指示信号灯(牌)、连接片、交直流及其他设备连接回路中的内外配线、电缆、端子、接地线的安装连接及外观、标识情况。8.1.2涉及装置用交直流回路中电流、电压互感器及开关、刀闸端子箱中相应设备和电缆端子安装连接及外观、标识情况。
8.1.3通信连接回路中有关设备及其连接线、接地线的安装工艺质量及外观、标识情况。8.2装置外部检查的内容
装置的实际构成情况是否与设计要求相符。a)
装置中设备安装的工艺质量,以及导线、端子的材质是否满足国家有关要求。b)
装置外部检查范围内的设备标志应正确、完整、清晰,表计、信号灯及信号继电器、光字牌的计量正确。
涂去装置上闲置压板的原有标志或加标“备用”字样,该闲置压板的连线应与图纸相符合,图d)
上没有的应拆掉。
压板、把手、按钮的安装应端正、牢固,接触良好。定值整定小开关、拨轮开关、微动开关操作灵e)
活可靠,通、断位置明确,接触良好。装置外部检查范围内各设备及端子排的螺丝应紧固可靠,无严重灰尘、无放电痕迹,端子箱内f)
应无严重潮湿、进水现象。
装置屏附近应无强热源、强电磁干扰源。有空调设备,环境温度、湿度满足相关规定。g)
装置外部检查范围内端子排上内部、外部连接线,以及沿电缆敷设路线上的电缆标号是否正h)
确完整,与图纸资料吻合。
i)装置外部检查范围内设备及回路的接地情况是否符合国家规程和反事故措施要求。9绝缘及耐压检验
9.1在装置屏的端子排处将外部引入的回路及电缆全部断开,分别将电流、电压、直流控制信号回路的所有端子各自连接在一起,用1000V摇表测量下列绝缘电阻,其阻值均应大于10Mα。检验项目包括各回路对地和客回路相互间。
9.2在装置屏的端子排处将所有电流、电压、直流回路的端子连接在一起,并将电流回路的接地点拆开,用1000V摇表测量回路对地的绝缘电阻,其绝缘电阻应大于1Mα。此项检验只有在被保护设备的断路器、电流互感器全部停电及电压回路已在电压切换把手或分线箱处与其他单元设备的回路断开后方可进行。如果不允许所有回路同时停电,其绝缘电阻的检验只能分段进行,即哪一个单元停电,就测定这个单元所属回路的绝缘电阻
9.3对信号回路,用1000V摇表测量电缆每芯对地及对其他各芯间的绝缘电阻,其绝缘电阻应不小5
GB/T22384—2008
于1Mα。定期检验只测量芯线对地的绝缘电阻。9.4运行的设备及其回路全检时应进行一次耐压试验,当绝缘电阻大于1Mα时,允许用2500V摇表测试绝缘电阻的方法代替。
10逆变电源检验
10.1逆变电源的检验按照DL/T623的有关标准执行,检验结果应符合DL/T527—2002的具体要求。
10.2定期检验时还应检查逆变电源是否达到DL/T527一2002所规定的使用年限。11装置本体功能检验
11.1记录并核对程序版本号(校验码)及生成日期。11.2硬件系统时钟校核
11.2.1在有GPS对时信号条件下,先设定装置时钟,过24h后,确认装置时钟误差在10ms以内。11.2.2在无GPS对时信号条件下,先设定装置时钟,过24h后,确认装置时钟误差在10s以内。11.3核对定值及有关参数
11.3.1检查装置输人定值是否与调度下发的定值单相符;核对各线路、主变、机组的额定线电压、额定相电压和额定相电流等参数以及元件位置与定值是否对应;核对压板投退方式、通道投退与定值是否对应。
11.4数据采集的精确度和线性度范围11.4.1零点漂移检验。
装置不输入交流电流、电压量,观察装置在一段时间内(10s)的零漂值应小于额定值的5%。11.4.2各电流、电压输人的幅值和相位精度检验。a)出厂验收及新安装验收检验时,按照装置技术说明书规定的试验方法,分别输入不同幅值和相位的电流、电压量,观察装置的电流、电压、功率采样值满足装置技术条件及满足下述要求:1)交流电压有效值测量误差≤士1%U~或2%;2)交流电流有效值测量误差≤士1%IN或2%;3)功率测量误差≤士2%Pz或3%;4)频率测量误差≤士0.01Hz。
b)全部检验时,可仅分别输人不同幅值的电流、电压量。部分检验时,可仅输人额定电流、电压量。c)
11.5开入和开出回路检验
11.5.1开人回路检验
11.5.1.1出厂验收及新安装验收检验时a)在保护屏柜端子排处,按照装置技术说明书规定的试验方法,对所有引入端子排的开关量输人回路依次加人激励量,观察装置的行为。按照装置技术说明书所规定的试验方法,分别接通、断开连片及转动把手,观察装置的行为。b)
各开人量定义由各站根据本厂站实际自行填写,如线路跳闸信号、HWJ信号,各种功能压板如c)
策略功能投退压板、通道压板、方式压板、旁代压板等。11.5.1.2全部检验时,仅对已投人使用的开关量输入回路依次加入激励量,观察装置的行为。11.5.1.3部分检验时,可随装置的整组试验一并进行。11.5.2开出及出口跳闸回路检验11.5.2.1新安装验收检验
在装置屏柜端子排处,按照装置技术说明书规定的试验方法,依次观察装置所有输出触点及输出信6
号的通断状态。
GB/T22384—2008
11.5.2.2全部检验时,在装置屏柜端子排处,按照装置技术说明书规定的试验方法,依次观察装置已投人使用的输出触点及输出信号的通断状态。11.5.2.3部分检验时,可随装置的整组试验一并进行。11.5.3在11.5.1~11.5.2检验项目中,如果几种稳控装置、继电保护装置共用一组出口连片或共用同一告警信号时,应将几种装置分别传动到出口连片和稳控(继电保护)屏柜端子排。如果几种装置共用同一开入量,应将此开入量分别传动至各种装置。11.6系统运行方式识别的检验
模拟就地线路投停、机组开停、功率变化等运行方式变化,确认装置能正确识别。11.7控制策略表功能逐项检查
11.7.1控制策略表功能逐项检查应基于书面确认的策略表。2检验动作条件完全满足时稳控装置的每个策略都能正确动作。11.7.2
11.7.3检验验收人员根据设备生产厂家提供的建议协商确定装置的防误动测试方案,测试方案宜抽查策略动作条件不完全满足、或就地判据等防误措施不满足时稳控装置不会误动。检验验收人员按照测试方案进行检验验收。参考记录表格如表4。表4控制策略表检查项目
策略(功能)
策略(功能)1
策略(功能)2
策路(功能)*下载标准就来标准下载网
故障元件及类型
B装置异常报警功能检验
动作条件
断面潮流
控制措施
运行维护单位应参考装置设计规范书、厂家技术说明书及有关技术资料,根据装置的具体情况,确定装置应具有的异常报警功能,并采用适当方法进行验证。参考记录表格如表5。表5异常报警功能检验项目
检验项目
TV异常
TA异常
HWJ异常
开人异常
运行方式异常
频率异常
电压异常
频率变化率异常
检验方法
检验结果
GB/T22384—2008
检验项目
电压变化率异常
普普酱
表5(续)
检验方法
注:该表仅为示例说明,现场应根据具体装置情况确定检验项目。11.9中央信号、后台通信信息输出功能检查检验结果
检查稳控装置到厂站就地监控的中央信号,包括接点给出的信号或通过计算机通信口给到就地监控系统的信号,是否能够正确显示。同时还应检查稳控装置到远方后台管理系统的信息,如定值、装置告警信号、动作数据(录波)记录是否能够能在远方后台管理系统正确显示。现场应根据装置具体情况确定检验项目,参考记录表格如表6。表6中央信号、后台通信信息输出功能检查项目序
装置动作
装置故障(闭锁)
装置异常
直流消失
通道故障
动作报告
检验方法
注:该表仅为示例说明,现场应根据具体装置情况确定检验项目11.10定值准确性校验及掉电重启后定值检查结
11.10.1电气特性的检验项目和内容应根据检验的性质,装置的具体构成方式和动作原理拟定。11.10.2检验装置的特性时,在原则上应符合实际运行条件,并满足实际运行的要求。每一检验项目都应有明确的目的,或为运行所必须,或以用判别元件、装置是否处于良好状态和发现可能存在的缺陷等。
11.10.3稳控装置的定值检验要求如下:应按照整定通知单上的整定项目,按照装置技术条件或制造厂所规定的试验方法,对稳控装置a)
的每一功能元件进行逐一检验。如要求检查当动作量为整定值的1.051.1倍(反映过定值条件动作的)或0.90.95倍(反映低定值条件动作的)时各装置动作是否可靠动作,以及检查当动作量为整定值的0.9~0.95倍(反映过定值条件动作的)或1.05~1.1倍(反映低定值条件动作的)时各装置动作是否可靠不动作;若装置带方向,还需检验正反两个方向装置动作行为是否与策略一致。
b)核实稳控装置在断电或故障重启后定值不会发生变化。11.11检验定值输人及定值区切换功能如稳控装置具备定值区切换功能,应测试定值区间能够可靠切换,且对每个定值区的定值都应进行完整测试。
11.12报告完整性检验
11.12.1向安全稳定控制装置发送1或2顿指定内容的报文,安全稳定控制装置应能有相应变位记录。
模拟安全稳定控制装置本地策略或接收远方命令动作,安全稳定控制装置应有完整的动作数
小提示:此标准内容仅展示完整标准里的部分截取内容,若需要完整标准请到上方自行免费下载完整标准文档。
标准图片预览:





- 热门标准
- 国家标准(GB)
- GB/T18204.4-2000 公共场所毛巾、床上卧具微生物检验方法细菌总数测定
- GB50367-2013 混凝土结构加固设计规范
- GB8552-1987 电子器件详细规范 低功率非线绕固定电阻器 RJ13型金属膜固定电阻器评定水平E(可供认证用)
- GB/T11379-2008 金属覆盖层 工程用铬电镀层
- GB/T23892.3-2009 滑动轴承 稳态条件下流体动压可倾瓦块止推轴承 第3部分:可倾瓦块止推轴承计算的许用值
- GB/T20976-2023 软冰淇淋预拌粉质量要求
- GB/T9145-2003 普通螺纹 中等精度、优选系列的极限尺寸
- GB/T9239-1988 刚性转子平衡品质 许用不平衡的确定
- GB/T15917.3-1995 金属镝及氧化镝化学分析方法 对氯苯基荧光酮--溴化十六烷基三甲基胺分光光度法测定钽量
- GB/T11839-1989 二氧化铀芯块中硼的测定 姜黄素萃取光度法
- GB/T6122.1-2002 圆角铣刀 第1部分:型式和尺寸
- GB/T7433-1987 对称电缆载波通信系统抗无线电广播和通信干扰的指标
- GB/T12053-1989 光学识别用字母数字字符集 第一部分:OCR-A字符集印刷图象的形状和尺寸
- GB/T14463-2022 粘胶短纤维
- GB13851-2022 内河交通安全标志
- 行业新闻
请牢记:“bzxz.net”即是“标准下载”四个汉字汉语拼音首字母与国际顶级域名“.net”的组合。 ©2025 标准下载网 www.bzxz.net 本站邮件:bzxznet@163.com
网站备案号:湘ICP备2025141790号-2
网站备案号:湘ICP备2025141790号-2