- 您的位置:
- 标准下载网 >>
- 标准分类 >>
- 国家标准(GB) >>
- GB/T 967-2008 螺母丝锥
标准号:
GB/T 967-2008
标准名称:
螺母丝锥
标准类别:
国家标准(GB)
标准状态:
现行-
发布日期:
2008-06-03 -
实施日期:
2009-01-01 出版语种:
简体中文下载格式:
.rar.pdf下载大小:
1.47 MB
替代情况:
替代GB/T 967-1994
点击下载
标准简介:
标准下载解压密码:www.bzxz.net
本标准代替GB/T967—1994《螺母丝锥》。本标准规定了螺母丝锥的型式、尺寸、螺纹公差、技术要求等基本要求。 本标准适用于加工普通螺纹(GB/T 192~193,GB/T 196~197)的螺母丝锥。 本标准与GB/T967—1994相比有如下变化:———增加了“前言”;———标记示例中,左螺纹符号由“L”改为“LH”;———标记示例中,“螺旋”改为“螺纹”;———按照GB/T1.1—2000作了编辑性修改。 GB/T 967-2008 螺母丝锥 GB/T967-2008
部分标准内容:
ICS 25. 100.50
中华人民共和国国家标准
GB/T967—2008
代替GB/T967—1994
螺母丝锥
Nut taps
2008-06-03发布
中华人民共和国国家质量监督检验检疫总局中国国家标准化管理委员会
2009-01-01实施
本标准代替GB/T967—1994《螺母丝锥》。本标准与GB/T967—1994相比有如下变化:增加了“前言”;
标记示例中,左螺纹符号由“L”改为“LH”;标记示例中,“螺旋”改为“螺纹”;按照GB/T1.1—2000作了编辑性修改。本标准由全国机械工业联合会提出,本标准由全国刀具标准化技术委员会(SAC/TC91)归口。本标准起草单位:成都成量工具有限公司。本标准主要起草人:黄华新、熊健。本标准所代替标准的历次版本发布情况:GB967—1983、GB/T967—1994。GB/T 967—2008
1范围
螺母丝锥
本标准规定了螺母丝锥的型式、尺寸、螺纹公差、技术要求等基本要求,本标准适用于加工普通螺纹(GB/T192~193,GB/T196~197)的螺母丝锥。规范性引用文件
GB/T967—2008
下列文件中的条款通过本标准的引用而成为本标准的条款。凡是注日期的引用文件,其随后所有的修改单(不包括勘误的内容)或修订版均不适用于本标准,然而,鼓励根据本标准达成协议的各方研究是否可使用这些文件的最新版本。凡是不注日期的引用文件,其最新版本适用于本标准。GB/T192
GB/T193
GB/T196
GB/T197
GB/T968
GB/T969
普通螺纹
基本牙型(GB/T192—2003,ISO68-1:1998,MOD)普通螺纹直径和螺距系列(GB/T193—2003,ISO261:1998,MOD)普通螺纹
基本尺寸(GB/T196—2003,ISO724:1993,MOD)普通螺纹
公差(GB/T197—2003,ISO965-1:1998,MOD)丝锥螺纹公差(GB/T968—2007,ISO2857:1973,MOD)丝锥技术条件(GB/T969一2007ISO8830:1991,MOD)丝锥的型式和尺寸
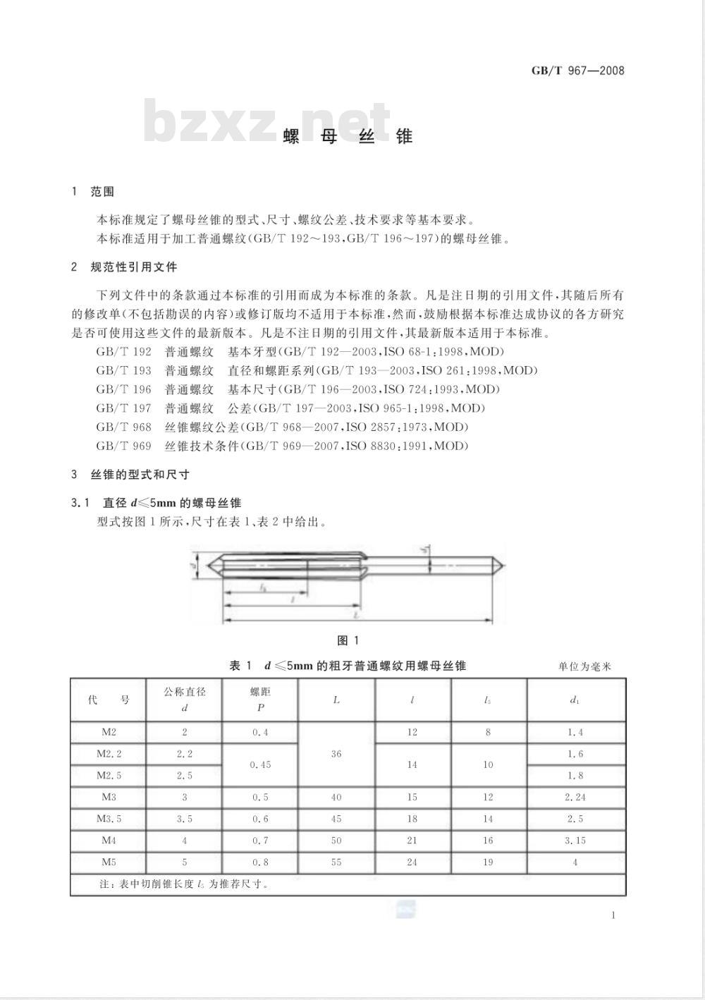
3.1直径d≤5mm的螺母丝锥
型式按图1所示,尺寸在表1、表2中给出。图1
公称直径
d≤5mm的粗牙普通螺纹用螺母丝锥螺距
注:表中切削锥长度l,为推荐尺寸。L
单位为毫米
GB/T967—2008
M3.5×0.35
公称直径
表2d≤5mm的细牙普通螺纹用螺母丝锥螺距
注:表中切削锥长度l为推荐尺寸。3.2
5mm公称直径
5mm注:表中切削锥长度l为推荐尺寸。表4
M10×1.25
公称直径
5mm单位为毫米
单位为毫米
单位为毫米
M10×1
M10×0.75
M12×1.25
M12×1
M14×1
M16×1
M18×2
M18×1
M20×2bzxz.net
M20×1
M22×2
M22×1
M24×2
M24×1
M27×2
M27×1
M30×2
M30×1
公称直径
注:表中切削锥长度L。为推荐尺寸。3.3
直径d>5mm的螺母丝锥(带方头)表4(续)
型式按图3所示,尺寸在表5、表6中给出图3
GB/T967—2008
单位为毫米
GB/T967—2008
单位为毫米
表5d>5mm粗牙普通螺纹用螺母丝锥头
公称直径
注:表中切削锥长度l;为推荐尺寸。单位为毫米
d>5mm细牙普通螺纹用螺母丝锥
公称直径
M10×1.25
M10×1
M10×0.75
M12×1.25
M12×1
M14×1
M16×1
M18×2
M18×1
M20×2
M20×1
M22×2
M22×1
M24×2
M24×1
M27×2
M27×1
M30×2
M30×1
M33×2
M36×3
M36×2
M39×3
M39×2
M42×3
M42×2
M45×3
M45×2
M48×3
M48×2
M52×3
M52×2
公称直径
注:表中切削锥长度ls为推荐尺寸。L
表6(续)
GB/T967—2008
单位为毫米
GB/T967—2008
3.4公称直径d≤10mm的丝锥可制成外顶尖3.5集中生产的丝锥公称切削角度,在径向平面内测量,推荐如下:a)前角为8°~10°;
b)后角α为4°~6°。
标记示例
右螺纹的粗牙普通螺纹,公称直径d=10mm,螺距P=1.5mm,公差带H1的螺母丝锥的标a)
记为:
螺母丝锥
M10-H1GB/T9672008
右螺纹的细牙普通螺纹,公称直径d=10mm,螺距P=1.25mm,公差带H4的螺母丝锥的标b)
记为:
螺母丝锥
M10×1.25
GB/T967—2008
左螺纹的粗牙普通螺纹,公称直径d=16mm,螺距P=2mm,公差带H2的螺母丝锥的标c)
记为:
螺母丝锥
M16LH-H2
GB/T967—2008
注:直径大于5mm~30mm的丝锥,柄部有带方头和无方头(圆柄)两种结构。在需要指定柄部结构的场合,无方头的丝锥名称前加“圆柄”字样。4螺纹公差
丝锥螺纹公差按GB/T968的规定。技术条件
丝锥技术条件按GB/T969的规定。6
小提示:此标准内容仅展示完整标准里的部分截取内容,若需要完整标准请到上方自行免费下载完整标准文档。
中华人民共和国国家标准
GB/T967—2008
代替GB/T967—1994
螺母丝锥
Nut taps
2008-06-03发布
中华人民共和国国家质量监督检验检疫总局中国国家标准化管理委员会
2009-01-01实施
本标准代替GB/T967—1994《螺母丝锥》。本标准与GB/T967—1994相比有如下变化:增加了“前言”;
标记示例中,左螺纹符号由“L”改为“LH”;标记示例中,“螺旋”改为“螺纹”;按照GB/T1.1—2000作了编辑性修改。本标准由全国机械工业联合会提出,本标准由全国刀具标准化技术委员会(SAC/TC91)归口。本标准起草单位:成都成量工具有限公司。本标准主要起草人:黄华新、熊健。本标准所代替标准的历次版本发布情况:GB967—1983、GB/T967—1994。GB/T 967—2008
1范围
螺母丝锥
本标准规定了螺母丝锥的型式、尺寸、螺纹公差、技术要求等基本要求,本标准适用于加工普通螺纹(GB/T192~193,GB/T196~197)的螺母丝锥。规范性引用文件
GB/T967—2008
下列文件中的条款通过本标准的引用而成为本标准的条款。凡是注日期的引用文件,其随后所有的修改单(不包括勘误的内容)或修订版均不适用于本标准,然而,鼓励根据本标准达成协议的各方研究是否可使用这些文件的最新版本。凡是不注日期的引用文件,其最新版本适用于本标准。GB/T192
GB/T193
GB/T196
GB/T197
GB/T968
GB/T969
普通螺纹
基本牙型(GB/T192—2003,ISO68-1:1998,MOD)普通螺纹直径和螺距系列(GB/T193—2003,ISO261:1998,MOD)普通螺纹
基本尺寸(GB/T196—2003,ISO724:1993,MOD)普通螺纹
公差(GB/T197—2003,ISO965-1:1998,MOD)丝锥螺纹公差(GB/T968—2007,ISO2857:1973,MOD)丝锥技术条件(GB/T969一2007ISO8830:1991,MOD)丝锥的型式和尺寸
3.1直径d≤5mm的螺母丝锥
型式按图1所示,尺寸在表1、表2中给出。图1
公称直径
d≤5mm的粗牙普通螺纹用螺母丝锥螺距
注:表中切削锥长度l,为推荐尺寸。L
单位为毫米
GB/T967—2008
M3.5×0.35
公称直径
表2d≤5mm的细牙普通螺纹用螺母丝锥螺距
注:表中切削锥长度l为推荐尺寸。3.2
5mm
5mm
M10×1.25
公称直径
5mm
单位为毫米
单位为毫米
M10×1
M10×0.75
M12×1.25
M12×1
M14×1
M16×1
M18×2
M18×1
M20×2bzxz.net
M20×1
M22×2
M22×1
M24×2
M24×1
M27×2
M27×1
M30×2
M30×1
公称直径
注:表中切削锥长度L。为推荐尺寸。3.3
直径d>5mm的螺母丝锥(带方头)表4(续)
型式按图3所示,尺寸在表5、表6中给出图3
GB/T967—2008
单位为毫米
GB/T967—2008
单位为毫米
表5d>5mm粗牙普通螺纹用螺母丝锥头
公称直径
注:表中切削锥长度l;为推荐尺寸。单位为毫米
d>5mm细牙普通螺纹用螺母丝锥
公称直径
M10×1.25
M10×1
M10×0.75
M12×1.25
M12×1
M14×1
M16×1
M18×2
M18×1
M20×2
M20×1
M22×2
M22×1
M24×2
M24×1
M27×2
M27×1
M30×2
M30×1
M33×2
M36×3
M36×2
M39×3
M39×2
M42×3
M42×2
M45×3
M45×2
M48×3
M48×2
M52×3
M52×2
公称直径
注:表中切削锥长度ls为推荐尺寸。L
表6(续)
GB/T967—2008
单位为毫米
GB/T967—2008
3.4公称直径d≤10mm的丝锥可制成外顶尖3.5集中生产的丝锥公称切削角度,在径向平面内测量,推荐如下:a)前角为8°~10°;
b)后角α为4°~6°。
标记示例
右螺纹的粗牙普通螺纹,公称直径d=10mm,螺距P=1.5mm,公差带H1的螺母丝锥的标a)
记为:
螺母丝锥
M10-H1GB/T9672008
右螺纹的细牙普通螺纹,公称直径d=10mm,螺距P=1.25mm,公差带H4的螺母丝锥的标b)
记为:
螺母丝锥
M10×1.25
GB/T967—2008
左螺纹的粗牙普通螺纹,公称直径d=16mm,螺距P=2mm,公差带H2的螺母丝锥的标c)
记为:
螺母丝锥
M16LH-H2
GB/T967—2008
注:直径大于5mm~30mm的丝锥,柄部有带方头和无方头(圆柄)两种结构。在需要指定柄部结构的场合,无方头的丝锥名称前加“圆柄”字样。4螺纹公差
丝锥螺纹公差按GB/T968的规定。技术条件
丝锥技术条件按GB/T969的规定。6
小提示:此标准内容仅展示完整标准里的部分截取内容,若需要完整标准请到上方自行免费下载完整标准文档。
标准图片预览:





- 其它标准
- 热门标准
- 国家标准(GB)
- GB/T2828.1-2012 计数抽样检验程序 第1部分:按接收质量限(AQL)检索的逐批检验抽样计划
- GB/T228.1-2021 金属材料 拉伸试验 第1部分:室温试验方法
- GB50367-2013 混凝土结构加固设计规范
- GB/T18204.4-2000 公共场所毛巾、床上卧具微生物检验方法细菌总数测定
- GB/T12053-1989 光学识别用字母数字字符集 第一部分:OCR-A字符集印刷图象的形状和尺寸
- GB/T23892.3-2009 滑动轴承 稳态条件下流体动压可倾瓦块止推轴承 第3部分:可倾瓦块止推轴承计算的许用值
- GB/T9145-2003 普通螺纹 中等精度、优选系列的极限尺寸
- GB/T11839-1989 二氧化铀芯块中硼的测定 姜黄素萃取光度法
- GB50209-2002 建筑地面工程施工质量验收规范
- GB/T6122.1-2002 圆角铣刀 第1部分:型式和尺寸
- GB/T7433-1987 对称电缆载波通信系统抗无线电广播和通信干扰的指标
- GB5725-2009 安全网
- GB13851-2022 内河交通安全标志
- GB/T9239-1988 刚性转子平衡品质 许用不平衡的确定
- GB/T15917.3-1995 金属镝及氧化镝化学分析方法 对氯苯基荧光酮--溴化十六烷基三甲基胺分光光度法测定钽量
- 行业新闻
请牢记:“bzxz.net”即是“标准下载”四个汉字汉语拼音首字母与国际顶级域名“.net”的组合。 ©2025 标准下载网 www.bzxz.net 本站邮件:bzxznet@163.com
网站备案号:湘ICP备2025141790号-2
网站备案号:湘ICP备2025141790号-2