- 您的位置:
- 标准下载网 >>
- 标准分类 >>
- 国家标准(GB) >>
- GB/T 5644-2008 扩口式过板弯通管接头
标准号:
GB/T 5644-2008
标准名称:
扩口式过板弯通管接头
标准类别:
国家标准(GB)
标准状态:
现行-
发布日期:
2008-05-07 -
实施日期:
2008-11-01 出版语种:
简体中文下载格式:
.rar.pdf下载大小:
160.80 KB
点击下载
标准简介:
标准下载解压密码:www.bzxz.net
本标准规定了扩口式过板弯通管接头和接头体的尺寸、标记及技术要求。 本标准适用于管子外径为4mm~34mm,最大工作压力3.5MPa~16MPa的液压流体传动和一般用途的管路系统。 GB/T 5644-2008 扩口式过板弯通管接头 GB/T5644-2008
部分标准内容:
ICS 21.060.60
中华人民共和国国家标准
GB/T5644--2008
代替GB/T 5614.1--1985,GB/T 5644.2—1985扩口式过板弯通管接头
Flared couplings---Bulkhead union elbow实施
GB/T5644—2008
本标推是扩口式管接头系列标推之一前言
本标准是对GB/T5644.1-1985《扩日式隔壁直角管接头》和GB/T5644.2—1985扩口式隔壁直角管接头体》的修订。主要修订内容为:将两个标准的内容进行了整合;修改了中文和英文名称;
增加了六方形垭件结构;
减少了部分应由制造商控制的参数:一对部分公差按现行公差与配合标滩进行整:取消了表面髓度标注,表面粗度要求在GB/T5653双扩口式管接头技术条件》中给出。本标准白实施之H起代替GB/T 5644.1—1985和GB/T 5644.2--1985。本标准由中国机械工业联合会提出。本标准由全国管路附件标准化技术委员会归口。本标准负责起草单位:海楚县海管管件制造有限公司、中机生产力促进中心:本标准参加起啦单位:海盐管件制造有限公司、伊顿(宁波)流体连接件有限公司.嘉兴迈恩特管件制造有限公司、建湖县特佳液压管件有限公司、海盐高博管件有限公司、焦作市路通液压附件有限公司。本标准主要起草人:周创“飞、耿志学、李维荣、周舜华、陶忠明、左学俊、阮浩丰、工利民、冯峰。本标推所代替标准的历次版本发布情况为:--—-GB/T 5644. 1—1985,GB/T 6644.2—1985.m1范围
扩口式过板弯通管接头
本标难规定厂扩口式过板弯通臂接头和接头体的尺寸、标记及技术要求。GB/T 5644—2008
本标准适用于管子外径为4rnm~34mn,最大工作压力3.5MPa~16MPa的液压流体传动和-般用途的管路系统。
2规范性引用文件
下列文件中的条款通过本标准的引用而成为本标准的条款。凡是注日期的引用文件,其随后所有的修改单(不包括期误的内容)或修订版均不适用于本标准,然而,鼓励根据本标准达成协议的各方研究是否可使用这些文件的最新版本。凡是不注期的引用文件,其最新版本适用于本标准。GB/T3763—2008管接头用六角薄螺母GB/T5646--2008扩口式管接头管套GB/T5647—2008扩口式管接头用A型螺母GB/T5648—2008扩口式管接头用B型螺母GB/T5652—2008扩口式管接头扩口端尺寸GB/T5653---2008扩口式管接头技术条件3尺寸
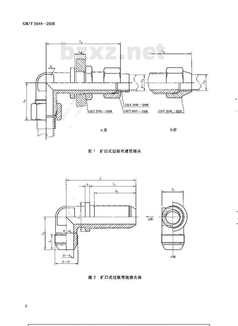
扩口式过板弯通管接头和接头体的尺寸应符合图1~图4和表1的规定,接头体扩口端尺寸应符合GB/T5652的规定。
4标记
4.1标记方法
扩口式过板弯通管接头和接头体的标记方法应符合CB/T5653的规定,4.2标记示例
扩口型式A,管子外径为10mm,表面镀锌处理的钢制扩口式过板弯通管接头标记为:管接头GB/T 5G44A10
扩口型式A,管子外径为10mm,表面镀锌处理的钢制扩口式过板弯通接头体标记为:接头体GB/T5644A10
5技术要求
技术要求按GB/T5653的规定。
GB/T5644—2008
GB3763—2008
GB/T5646-3008
IGI/T5647—2008
扩口式过板弯通管接头
图2扩口式过板弯通接头体
CIVT 56482008
GE3763—2008
GB/T646—2008
GA/T 5647-- 2008
图3扩口式过板弯通管接头
图4扩口式过板弯通接头体
GB/T5644—2008
GE/F5649—2008wwW.bzxz.Net
GB/T5644—2008
SIXBIW
STx91W
小提示:此标准内容仅展示完整标准里的部分截取内容,若需要完整标准请到上方自行免费下载完整标准文档。
中华人民共和国国家标准
GB/T5644--2008
代替GB/T 5614.1--1985,GB/T 5644.2—1985扩口式过板弯通管接头
Flared couplings---Bulkhead union elbow实施
GB/T5644—2008
本标推是扩口式管接头系列标推之一前言
本标准是对GB/T5644.1-1985《扩日式隔壁直角管接头》和GB/T5644.2—1985扩口式隔壁直角管接头体》的修订。主要修订内容为:将两个标准的内容进行了整合;修改了中文和英文名称;
增加了六方形垭件结构;
减少了部分应由制造商控制的参数:一对部分公差按现行公差与配合标滩进行整:取消了表面髓度标注,表面粗度要求在GB/T5653双扩口式管接头技术条件》中给出。本标准白实施之H起代替GB/T 5644.1—1985和GB/T 5644.2--1985。本标准由中国机械工业联合会提出。本标准由全国管路附件标准化技术委员会归口。本标准负责起草单位:海楚县海管管件制造有限公司、中机生产力促进中心:本标准参加起啦单位:海盐管件制造有限公司、伊顿(宁波)流体连接件有限公司.嘉兴迈恩特管件制造有限公司、建湖县特佳液压管件有限公司、海盐高博管件有限公司、焦作市路通液压附件有限公司。本标准主要起草人:周创“飞、耿志学、李维荣、周舜华、陶忠明、左学俊、阮浩丰、工利民、冯峰。本标推所代替标准的历次版本发布情况为:--—-GB/T 5644. 1—1985,GB/T 6644.2—1985.m1范围
扩口式过板弯通管接头
本标难规定厂扩口式过板弯通臂接头和接头体的尺寸、标记及技术要求。GB/T 5644—2008
本标准适用于管子外径为4rnm~34mn,最大工作压力3.5MPa~16MPa的液压流体传动和-般用途的管路系统。
2规范性引用文件
下列文件中的条款通过本标准的引用而成为本标准的条款。凡是注日期的引用文件,其随后所有的修改单(不包括期误的内容)或修订版均不适用于本标准,然而,鼓励根据本标准达成协议的各方研究是否可使用这些文件的最新版本。凡是不注期的引用文件,其最新版本适用于本标准。GB/T3763—2008管接头用六角薄螺母GB/T5646--2008扩口式管接头管套GB/T5647—2008扩口式管接头用A型螺母GB/T5648—2008扩口式管接头用B型螺母GB/T5652—2008扩口式管接头扩口端尺寸GB/T5653---2008扩口式管接头技术条件3尺寸
扩口式过板弯通管接头和接头体的尺寸应符合图1~图4和表1的规定,接头体扩口端尺寸应符合GB/T5652的规定。
4标记
4.1标记方法
扩口式过板弯通管接头和接头体的标记方法应符合CB/T5653的规定,4.2标记示例
扩口型式A,管子外径为10mm,表面镀锌处理的钢制扩口式过板弯通管接头标记为:管接头GB/T 5G44A10
扩口型式A,管子外径为10mm,表面镀锌处理的钢制扩口式过板弯通接头体标记为:接头体GB/T5644A10
5技术要求
技术要求按GB/T5653的规定。
GB/T5644—2008
GB3763—2008
GB/T5646-3008
IGI/T5647—2008
扩口式过板弯通管接头
图2扩口式过板弯通接头体
CIVT 56482008
GE3763—2008
GB/T646—2008
GA/T 5647-- 2008
图3扩口式过板弯通管接头
图4扩口式过板弯通接头体
GB/T5644—2008
GE/F5649—2008wwW.bzxz.Net
GB/T5644—2008
SIXBIW
STx91W
小提示:此标准内容仅展示完整标准里的部分截取内容,若需要完整标准请到上方自行免费下载完整标准文档。
标准图片预览:





- 其它标准
- 热门标准
- 国家标准(GB)
- GB/T2828.1-2012 计数抽样检验程序 第1部分:按接收质量限(AQL)检索的逐批检验抽样计划
- GB/T228.1-2021 金属材料 拉伸试验 第1部分:室温试验方法
- GB/T18204.4-2000 公共场所毛巾、床上卧具微生物检验方法细菌总数测定
- GB/T97.1-2002 平垫圈A级
- GB/T23892.3-2009 滑动轴承 稳态条件下流体动压可倾瓦块止推轴承 第3部分:可倾瓦块止推轴承计算的许用值
- GB/T11839-1989 二氧化铀芯块中硼的测定 姜黄素萃取光度法
- GB/T1804-2000 一般公差 未注公差的线性和角度尺寸的公差
- GB15603-2022 危险化学品仓库储存通则
- GB/T7433-1987 对称电缆载波通信系统抗无线电广播和通信干扰的指标
- GB/T21238-2007 玻璃纤维增强塑料夹砂管
- GB/T28809-2012 轨道交通 通信、信号和处理系统 信号用安全相关电子系统
- GB/T9239-1988 刚性转子平衡品质 许用不平衡的确定
- GB/T15917.3-1995 金属镝及氧化镝化学分析方法 对氯苯基荧光酮--溴化十六烷基三甲基胺分光光度法测定钽量
- GB/T5738-1995 瓶装酒、饮料塑料周转箱
- GB/T13985-1992 照相机操作力和强度
- 行业新闻
请牢记:“bzxz.net”即是“标准下载”四个汉字汉语拼音首字母与国际顶级域名“.net”的组合。 ©2025 标准下载网 www.bzxz.net 本站邮件:bzxznet@163.com
网站备案号:湘ICP备2025141790号-2
网站备案号:湘ICP备2025141790号-2