- 您的位置:
- 标准下载网 >>
- 标准分类 >>
- 化工行业标准(HG) >>
- HG/T 3984-2007 耐化学腐蚀改性聚丙烯储槽
标准号:
HG/T 3984-2007
标准名称:
耐化学腐蚀改性聚丙烯储槽
标准类别:
化工行业标准(HG)
标准状态:
现行-
发布日期:
2007-09-22 -
实施日期:
2008-04-01 出版语种:
简体中文下载格式:
.rar.pdf下载大小:
234.47 KB
标准ICS号:
化工技术>>71.120 化工设备橡胶和塑料工业>>83.140橡胶和塑料制品中标分类号:
化工>>化工机械与设备>>G94非金属化工机械设备
点击下载
标准简介:
标准下载解压密码:www.bzxz.net
本标准规定了耐化学腐蚀改性聚丙烯储槽夺(以下简称储槽)的产品分类、规格系列、材料、结构与制造、技术要求、试验方法、检验规则、标志、包装和运输。本标准适用于在温度为-10℃~80℃,常压下使用的,以改性聚丙烯层压板、挤出板为主要材料,采用塑料二次加工工艺制成的耐化学腐蚀储槽在。 HG/T 3984-2007 耐化学腐蚀改性聚丙烯储槽 HG/T3984-2007
部分标准内容:
1CS 71. 120 :83. 140
备案号:222292008
中华人民共和国化工行业标准
HG/T 3984—2007
耐化学腐蚀改性聚丙烯储槽
Modified chemical resistant polypropylene tank2007-09-22发布
2008-04-01实施
中华人民共和国国家发展和改革委季员会发布本标难的附录 A 为资料性附录。言
本标准由中国石油和化学工业协会挺出。本标准由全国非金属化工设备标准化技术委员会归口。本标准起草单位:浙江省建德市三耐防腐钢结构有限公司。本标准主要起草人:杜洪声、林建平、许雪良、林渐渭、王丽娟HG/T3984—2007
1范围
耐化学腐蚀改性聚丙烯储槽
HG/T3984—2007
本标准规定了耐化学腐蚀改性丙烯储槽(以下简称储槽)的产品分类、规格系列、材料、结构与制造、技术要求、域验方法.检验规则、标志、包装和运输。本标准适用于在溢度为一10℃~8D它,常压下使用的,以改性丙烯层下板,挤出板为主要材料,采用塑料二次姐工工艺制婉的耐化学腐蚀储槽,2规范性引用文件
下列文件中的条款通过本标推的引用而成为本标难的条款,凡是注口期的引用文件,其随后的榜改单(不包括勘误的内容)或髂订版均不适用于本标准,然而,鼓励根据本标准达成协议的各方研究是否可便用这些文件的最新版本。凡是不注日期的引用交件,其最新版本适用于本标难。GB/T1033塑料密度和相对密度试验方法GB/T1040.2塑料拉伸性能的測定第2部分:模塑和挤塑塑料的试验条件GB/T1043硬质塑料简支梁冲击试验方法热塑性塑料维卡软化温度(VST)的测定GB/T 1633
GB/T 4217
GB/T 9119
GB/T 9341
GR 9969. 1
流体输送用热塑性塑料管材公称外径和公称压力平面、突面板式平焊钢制管法丝塑料弯曲性能试验方法
工业产品使用说明书总则
热塑性塑料管材通用壁厚表
GB/T 10798
蜘料耐液体化学药品(包括水)性能测定方法GB/T 11547
HC/T 20640
塑料设备
GB/T9341塑料弯曲性能试验方法3产品分类
3. 1分类及其代号
3.1.1产品名称代号:PPCC。
3.1.2储槽按其安装形式不同分为两大类:a)卧式储槽,代号w。
b)立式储槽,代号 I.
3.1.3立式储槽按其底部和项部结构形状不同分类,其类型及代号见表1。表1立式储槽底部和顶部结构形状类型及代号类型
3.2标记
标记方法:
底部结构形状
倾斜底
圆角平底
呵卸盖板
顶部结梅形状
摘面顶
HG/T3984—2007
产品名称代号公称容积(m)安装形式代号底部结构形状代号顶部结构形状代号标记示例:
20 m2卧式催槽;
pcc-20-w
2m3文式平底散口储槽,PPCC-2-L-P-C3m立式倾斜底可卸盖板储槽:PPCC-3-L-X-K10m2立式平底平顶储植,PPCC-10-L-P-P20m3立式倾斜底梢圆项储槽:PPCC-20-L-X-T30m立式圆弧角平底椭圆预储槽:PPCC-30-L-R-T50m2立式圆弧角平底锥顶储槽:PPCC-50-I-R-Z4规格系列
4.1卧式储槽规格系列及其外形和安装尺寸见图1和表2。单位为毫米
公称容积
卧式储槽结构示意图
表2卧式储槽规格系列及其外形和安装尺寸.
10 200
3-3-00
单位为旁米
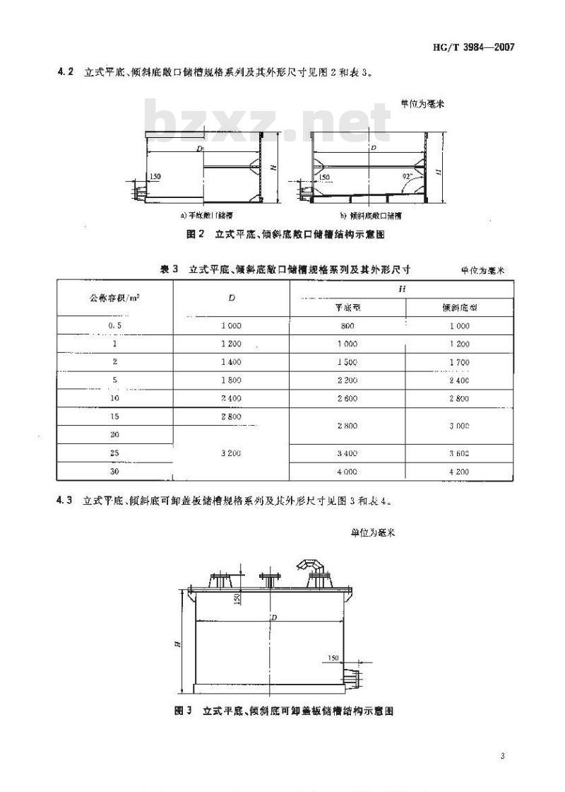
4.2立式平底,倾斜底散口储槽规格系列及其外形尺寸见图2和表3。E
a】平底敢[鳍
HG/T 39842007
单位为毫米
6)倾斜底散口情捐
2立式平、倾斜底做口储槽结构示意图图2
表 3立式平底、斜底口储槽规格系列及其外形尺寸公称容积/m2
平底型
4.3立式平底、倾斜底可卸盖板储槽规格系列及其外形尺寸见图3和表4。单位为意来
图3立式平底、倾斜底可卸盖板储槽结构示意图单位为毫来
料底型
HG/T3984—-2007
公称容积/m
表4立式平底、俩斜底可卸盖板储植规格系列及其外形尺寸D
平底型
4.4文式平底、倾斜底平项储槽规格系列及其外形尺寸见图 4和5.单位为毫米
图4立式平底、倾斜底平预储槽结构示意图H
表5立式平底、倾斜底平顶储槽规格系列及其外形尺寸公称睿积/tn3
平底型
单位为毫米
演料底型
单位为毫米
倾斜腐型
4.5立式底,懒斜底槛圆顶储槽规格系列及其外形尺寸见图5和表6。单位为毫米
图5立式平底、倾斜底摘圆顶储撰结构示意图表6立式平底、倾斜底国顶储槽规格系列及其外形尺寸,公称容积/m
平底型
4.6立式平底、倾斜底锥顶储槽规格系列及其外形尺寸见图6和表7单位为毫米
图6立式平底、倾斜底锥顶储情结构示意图H
HG/T 3984--2007
单位为毫米
料底型
HG/T3984---2007
公称容积/带
表7立式平底、倾斜底锥顶储销规格系列及其外形尺寸D
平底型
立式圆弧角平底平顶储槽规格系列及其外形尺寸见图7和表8单位为毫米
围7立式圆弧角平底平顶储槽结构示意围H
表8立式圆票角平底平顶储插规格系列及其外形尺寸公你容积/m
单位为庭米
恢斜底型
单位炉毫米
5. 3聚丙烯管材
5.3.1制造储用的案丙烯管材的规格应符合GB/T4217的有关规定。5.3.2制造储槽用的聚丙烯管材的壁厚应符合GB/T10798的有关规定。5.3.3制造储档用的案丙烯管材应其有出厂质量合格证书。6结构与制造
HG/T 3984-2007
储梢的主体和加强结构,焊缝结构、主要零部件结构虚符合HG/T20640的有关规定。6.2制造
储槽制造的工艺和过程控制应符合HG/T20640的有关规定。7技术要求
7.1适用介质
储槽的储存介质应与改性骤丙烯塑料的耐腐蚀性能相适应。改性聚丙烯塑料的耐腐蚀性能见附录A。
在介质对储槽材料的癌蚀数据不确定,义无适当的成用实例的说下,应进行针对性的耐腐蚀性能测定,在测定结果许可的前提下方可选用。7.2承裁能力
储措应能承受设计条件范用内的最大滋体静压力。储槽的承载能力应通过压力试验于以验证。压力试验可来用静压试验方法或被压试验方法。已通过验正,设计定型的储惜产品在检验和验收时,可用盛水试漏试验替代乐力试验。7. 3尺寸偏差
储梢主要尺寸的偏差成不大于表13 的规定。表 13 储糖主要尺寸的极限偏差尺寸名称
槽体直径D
体长度L或商度H
卧式储槽数座垒板间距A
管口方位尺寸
管口法兰连接尺寸
7.4外观
储槽的外观应符合下列要求:
a)外形端正规整。
极限偏差
±0. 01 倍基本尺寸
±002倍基本尺寸,且≤100mm
±0. 01 后基本尺寸
±20 mr
符合GB/T9119的规
焊缝结构规范、排列规整、表面平滑;焊条堆积密实饱满。h)
外表面无严重的损伤痕迹。
日试验方法
8.1耐介质腹蚀性能测定
储槽材料的耐介质腐蚀性能测定按 GB/T 11547 规定的方法进行。8. 2压力试验
8. 2. 1 静压试验
在常温下向储槽内加水,加至试验没位高度。如试验获位高度超出满被位高度,可在储梢上部管9
HG/T3984—2007
公称容积/m
5材料
5.1改性聚丙烯板材
立式圆疆角来庭锥顶储撤规格系列及其外形尺寸2400
单位为毫米
制造储槽用的改性内烯板材的物理机械性能应符合表11的要求,并具有出厂质量合格证书。表11wwW.bzxz.Net
改性聚丙烯挤出板的物理机械性能名
拉神强度
简支染神击度
弯曲强度
维卡数化点(D.N负荷)
聚丙烯焊条
0. 90~1. 5f
检测疗法
GH/T 1033
GB/T 1040
GB/T 1043
GE/T 9341
GB/T1633
灶接储槽用的聚内烯焊条的配方和物理、化学,机械性能应与母材相同或机近,其物遵机械性熊应符合表12的要求,并共有出厂质量合格证书表 12聚丙烯焊条的物理机械性能称
拉偏强度
冲击强度(简支染、缺口)
窖两强度
维下软化点
0. 00 ~-1. 10
险测方涨
GB/T 1033
CH/T 1840
GH/T 1043
GB/T 9341
GH/T1633
5.3聚丙烯普材
5.3.1制造储槽用的聚内烯管材的规格应符合GB/T4217的有关规定5. 3. 2制造储情用的案丙烯管材的壁厚应符合 GB/T 10798 的有关规定。5.3.3制造储槽用的聚丙烯背材应具有出厂质量合格证书。6 结构与制造
6.1结构
HG/T 3984—2007
储槽的主体和加强结构、焊继结构、主要零部件结构应符合HG/T20640的有关规定。6.2制造
梢制追的工艺和过程控制应符合HG/T 20640的有关规定。7技术要求
7.1适用介质
储槽的储存介应与收性骤内烯樊料的耐腐蚀性能相适应。改性廉丙烯塑料的耐腐蚀性能见附录A。
在介质对储槽村料的魔蚀数据不确楚,又无适当的应用实例的情况下,成进行针对性的耐腐蚀性能测楚,在测定结果许可的前提下方可选用。7. 2承整能力
储槽应能承受设Ⅱ条件范围闪的最大体静压力:储槽的承载能力应通过压力试验予以验证。压力试验可采用静压试验方然或液斥试验方法。已通过验证、设计定型的储槽产品在检验和验收时,可用盛水试漏试验替代压力试验7.3尺寸偏差
储槽主要尺寸的偏差碰不大于表13的规定。13储槽主要尺寸的极限偏差
只#名称
槽体直径 D
楷休长度或高度H
卧式储谱鞋座垫板伺非A
管口片位尺
管口法兰连接尺寸
7.4外观
储牺的外观成符合下列要求:
a)外形止规整。
被限谛差
±0. 01 倍蒸本尺寸
±0.02倍基本尺寸,且弱100mtm±0. 01 倍基本尺寸
±20mm
矫GB/T910的规定
b)焊缝结构规范、排列规整,表面平滑;焊条堆积密实饱满。c)外表面光严重的摄伤痕迹。
8试验方法
8. 1耐介质癫蚀性能测定
猪槽材料的耐介质膚蚀性能测定按GB/T11517规定的方法进行,8.2压力试验
8.2.1静压试验
在常温下向储槽内加水,加至试验液位高度。如试验位高度超出满罐液位高度,可在储槽上部管IIG/T 3984—2007
口加装一个液位增高营,以达到试验液位高度。然后保持--周以上时间,在试验全过程中,储槽应无被裂、渗、明显变形等异常现象。试验液位高度按公式(1)计算确定。Hs-1.25Hrdou/a
式中:
Hs一一试验波位高度,单位为毫米(m);Hr-储槽设计高限液位,单位为毫米(mm);d~-储存介质率度,单位为吨每立方米(t/m);一试验温度下骤丙烯的拉伸强度,单位为兆帕(MPa);of——储设计高限温度下案内烯的拉伸强度,单位为兆帕(MPa)。8.2.2液压试验
在常温下间储楷内加永,灌满排气后封闭管口,用压力案内措内注水缓慢起压至试验压力,保压4h以上。
在试验全过释中,储槽应无破裂、渗漏,明显变形等异常现象。试验压力按公式2)计算确定。
Ps 1. 25 Pop/a, .
武中:
Ps—-试验乐力,单位为兆帕(MPa):P——设计高限液体静压力,单位为兆帕(MPa);\--试验温度下聚内烯的拉伸强度,单位为兆拍(MFa);归一一储槽设计高限温度下聚内烯的拉伸强度,单位为兆帕(MPa)。B.3盛水试漏
在常温下将储槽灌满水,保持 418h以上,储槽应无破裂、渗滞、明显变形等异常现象。8.4尺寸测量
用精度为 1 mm 的卷尺或直尺至取读数.8.5外观检查
在正常光搬下目测。
9检验规则
9.1检验分类
储槽的检验分为山厂检验和型式检验。9. 1. 1 出检验
储槽的出」检验应实行逐产品检验,出厂检验项目包括8.3.8.4、8.5有关规定。9. 1.2 型式捡验
有下列情况之一时,应进行型式检验:a)新产品(包括新规格)的试制定型鉴定。结构改动较大而可能影响性能的改型产品的设计验证。b>
)合同有约定时。
d)其他有必要的情说下,
型式检验项目包括 8.2. 1 或8. 2. 2,8. 4、8. 5有关规定。9.2判定规则
被检储糖无不合格项,则判该台储槽合格。10
小提示:此标准内容仅展示完整标准里的部分截取内容,若需要完整标准请到上方自行免费下载完整标准文档。
备案号:222292008
中华人民共和国化工行业标准
HG/T 3984—2007
耐化学腐蚀改性聚丙烯储槽
Modified chemical resistant polypropylene tank2007-09-22发布
2008-04-01实施
中华人民共和国国家发展和改革委季员会发布本标难的附录 A 为资料性附录。言
本标准由中国石油和化学工业协会挺出。本标准由全国非金属化工设备标准化技术委员会归口。本标准起草单位:浙江省建德市三耐防腐钢结构有限公司。本标准主要起草人:杜洪声、林建平、许雪良、林渐渭、王丽娟HG/T3984—2007
1范围
耐化学腐蚀改性聚丙烯储槽
HG/T3984—2007
本标准规定了耐化学腐蚀改性丙烯储槽(以下简称储槽)的产品分类、规格系列、材料、结构与制造、技术要求、域验方法.检验规则、标志、包装和运输。本标准适用于在溢度为一10℃~8D它,常压下使用的,以改性丙烯层下板,挤出板为主要材料,采用塑料二次姐工工艺制婉的耐化学腐蚀储槽,2规范性引用文件
下列文件中的条款通过本标推的引用而成为本标难的条款,凡是注口期的引用文件,其随后的榜改单(不包括勘误的内容)或髂订版均不适用于本标准,然而,鼓励根据本标准达成协议的各方研究是否可便用这些文件的最新版本。凡是不注日期的引用交件,其最新版本适用于本标难。GB/T1033塑料密度和相对密度试验方法GB/T1040.2塑料拉伸性能的測定第2部分:模塑和挤塑塑料的试验条件GB/T1043硬质塑料简支梁冲击试验方法热塑性塑料维卡软化温度(VST)的测定GB/T 1633
GB/T 4217
GB/T 9119
GB/T 9341
GR 9969. 1
流体输送用热塑性塑料管材公称外径和公称压力平面、突面板式平焊钢制管法丝塑料弯曲性能试验方法
工业产品使用说明书总则
热塑性塑料管材通用壁厚表
GB/T 10798
蜘料耐液体化学药品(包括水)性能测定方法GB/T 11547
HC/T 20640
塑料设备
GB/T9341塑料弯曲性能试验方法3产品分类
3. 1分类及其代号
3.1.1产品名称代号:PPCC。
3.1.2储槽按其安装形式不同分为两大类:a)卧式储槽,代号w。
b)立式储槽,代号 I.
3.1.3立式储槽按其底部和项部结构形状不同分类,其类型及代号见表1。表1立式储槽底部和顶部结构形状类型及代号类型
3.2标记
标记方法:
底部结构形状
倾斜底
圆角平底
呵卸盖板
顶部结梅形状
摘面顶
HG/T3984—2007
产品名称代号公称容积(m)安装形式代号底部结构形状代号顶部结构形状代号标记示例:
20 m2卧式催槽;
pcc-20-w
2m3文式平底散口储槽,PPCC-2-L-P-C3m立式倾斜底可卸盖板储槽:PPCC-3-L-X-K10m2立式平底平顶储植,PPCC-10-L-P-P20m3立式倾斜底梢圆项储槽:PPCC-20-L-X-T30m立式圆弧角平底椭圆预储槽:PPCC-30-L-R-T50m2立式圆弧角平底锥顶储槽:PPCC-50-I-R-Z4规格系列
4.1卧式储槽规格系列及其外形和安装尺寸见图1和表2。单位为毫米
公称容积
卧式储槽结构示意图
表2卧式储槽规格系列及其外形和安装尺寸.
10 200
3-3-00
单位为旁米
4.2立式平底,倾斜底散口储槽规格系列及其外形尺寸见图2和表3。E
a】平底敢[鳍
HG/T 39842007
单位为毫米
6)倾斜底散口情捐
2立式平、倾斜底做口储槽结构示意图图2
表 3立式平底、斜底口储槽规格系列及其外形尺寸公称容积/m2
平底型
4.3立式平底、倾斜底可卸盖板储槽规格系列及其外形尺寸见图3和表4。单位为意来
图3立式平底、倾斜底可卸盖板储槽结构示意图单位为毫来
料底型
HG/T3984—-2007
公称容积/m
表4立式平底、俩斜底可卸盖板储植规格系列及其外形尺寸D
平底型
4.4文式平底、倾斜底平项储槽规格系列及其外形尺寸见图 4和5.单位为毫米
图4立式平底、倾斜底平预储槽结构示意图H
表5立式平底、倾斜底平顶储槽规格系列及其外形尺寸公称睿积/tn3
平底型
单位为毫米
演料底型
单位为毫米
倾斜腐型
4.5立式底,懒斜底槛圆顶储槽规格系列及其外形尺寸见图5和表6。单位为毫米
图5立式平底、倾斜底摘圆顶储撰结构示意图表6立式平底、倾斜底国顶储槽规格系列及其外形尺寸,公称容积/m
平底型
4.6立式平底、倾斜底锥顶储槽规格系列及其外形尺寸见图6和表7单位为毫米
图6立式平底、倾斜底锥顶储情结构示意图H
HG/T 3984--2007
单位为毫米
料底型
HG/T3984---2007
公称容积/带
表7立式平底、倾斜底锥顶储销规格系列及其外形尺寸D
平底型
立式圆弧角平底平顶储槽规格系列及其外形尺寸见图7和表8单位为毫米
围7立式圆弧角平底平顶储槽结构示意围H
表8立式圆票角平底平顶储插规格系列及其外形尺寸公你容积/m
单位为庭米
恢斜底型
单位炉毫米
5. 3聚丙烯管材
5.3.1制造储用的案丙烯管材的规格应符合GB/T4217的有关规定。5.3.2制造储槽用的聚丙烯管材的壁厚应符合GB/T10798的有关规定。5.3.3制造储档用的案丙烯管材应其有出厂质量合格证书。6结构与制造
HG/T 3984-2007
储梢的主体和加强结构,焊缝结构、主要零部件结构虚符合HG/T20640的有关规定。6.2制造
储槽制造的工艺和过程控制应符合HG/T20640的有关规定。7技术要求
7.1适用介质
储槽的储存介质应与改性骤丙烯塑料的耐腐蚀性能相适应。改性聚丙烯塑料的耐腐蚀性能见附录A。
在介质对储槽材料的癌蚀数据不确定,义无适当的成用实例的说下,应进行针对性的耐腐蚀性能测定,在测定结果许可的前提下方可选用。7.2承裁能力
储措应能承受设计条件范用内的最大滋体静压力。储槽的承载能力应通过压力试验于以验证。压力试验可来用静压试验方法或被压试验方法。已通过验正,设计定型的储惜产品在检验和验收时,可用盛水试漏试验替代乐力试验。7. 3尺寸偏差
储梢主要尺寸的偏差成不大于表13 的规定。表 13 储糖主要尺寸的极限偏差尺寸名称
槽体直径D
体长度L或商度H
卧式储槽数座垒板间距A
管口方位尺寸
管口法兰连接尺寸
7.4外观
储槽的外观应符合下列要求:
a)外形端正规整。
极限偏差
±0. 01 倍基本尺寸
±002倍基本尺寸,且≤100mm
±0. 01 后基本尺寸
±20 mr
符合GB/T9119的规
焊缝结构规范、排列规整、表面平滑;焊条堆积密实饱满。h)
外表面无严重的损伤痕迹。
日试验方法
8.1耐介质腹蚀性能测定
储槽材料的耐介质腐蚀性能测定按 GB/T 11547 规定的方法进行。8. 2压力试验
8. 2. 1 静压试验
在常温下向储槽内加水,加至试验没位高度。如试验获位高度超出满被位高度,可在储梢上部管9
HG/T3984—2007
公称容积/m
5材料
5.1改性聚丙烯板材
立式圆疆角来庭锥顶储撤规格系列及其外形尺寸2400
单位为毫米
制造储槽用的改性内烯板材的物理机械性能应符合表11的要求,并具有出厂质量合格证书。表11wwW.bzxz.Net
改性聚丙烯挤出板的物理机械性能名
拉神强度
简支染神击度
弯曲强度
维卡数化点(D.N负荷)
聚丙烯焊条
0. 90~1. 5f
检测疗法
GH/T 1033
GB/T 1040
GB/T 1043
GE/T 9341
GB/T1633
灶接储槽用的聚内烯焊条的配方和物理、化学,机械性能应与母材相同或机近,其物遵机械性熊应符合表12的要求,并共有出厂质量合格证书表 12聚丙烯焊条的物理机械性能称
拉偏强度
冲击强度(简支染、缺口)
窖两强度
维下软化点
0. 00 ~-1. 10
险测方涨
GB/T 1033
CH/T 1840
GH/T 1043
GB/T 9341
GH/T1633
5.3聚丙烯普材
5.3.1制造储槽用的聚内烯管材的规格应符合GB/T4217的有关规定5. 3. 2制造储情用的案丙烯管材的壁厚应符合 GB/T 10798 的有关规定。5.3.3制造储槽用的聚丙烯背材应具有出厂质量合格证书。6 结构与制造
6.1结构
HG/T 3984—2007
储槽的主体和加强结构、焊继结构、主要零部件结构应符合HG/T20640的有关规定。6.2制造
梢制追的工艺和过程控制应符合HG/T 20640的有关规定。7技术要求
7.1适用介质
储槽的储存介应与收性骤内烯樊料的耐腐蚀性能相适应。改性廉丙烯塑料的耐腐蚀性能见附录A。
在介质对储槽村料的魔蚀数据不确楚,又无适当的应用实例的情况下,成进行针对性的耐腐蚀性能测楚,在测定结果许可的前提下方可选用。7. 2承整能力
储槽应能承受设Ⅱ条件范围闪的最大体静压力:储槽的承载能力应通过压力试验予以验证。压力试验可采用静压试验方然或液斥试验方法。已通过验证、设计定型的储槽产品在检验和验收时,可用盛水试漏试验替代压力试验7.3尺寸偏差
储槽主要尺寸的偏差碰不大于表13的规定。13储槽主要尺寸的极限偏差
只#名称
槽体直径 D
楷休长度或高度H
卧式储谱鞋座垫板伺非A
管口片位尺
管口法兰连接尺寸
7.4外观
储牺的外观成符合下列要求:
a)外形止规整。
被限谛差
±0. 01 倍蒸本尺寸
±0.02倍基本尺寸,且弱100mtm±0. 01 倍基本尺寸
±20mm
矫GB/T910的规定
b)焊缝结构规范、排列规整,表面平滑;焊条堆积密实饱满。c)外表面光严重的摄伤痕迹。
8试验方法
8. 1耐介质癫蚀性能测定
猪槽材料的耐介质膚蚀性能测定按GB/T11517规定的方法进行,8.2压力试验
8.2.1静压试验
在常温下向储槽内加水,加至试验液位高度。如试验位高度超出满罐液位高度,可在储槽上部管IIG/T 3984—2007
口加装一个液位增高营,以达到试验液位高度。然后保持--周以上时间,在试验全过程中,储槽应无被裂、渗、明显变形等异常现象。试验液位高度按公式(1)计算确定。Hs-1.25Hrdou/a
式中:
Hs一一试验波位高度,单位为毫米(m);Hr-储槽设计高限液位,单位为毫米(mm);d~-储存介质率度,单位为吨每立方米(t/m);一试验温度下骤丙烯的拉伸强度,单位为兆帕(MPa);of——储设计高限温度下案内烯的拉伸强度,单位为兆帕(MPa)。8.2.2液压试验
在常温下间储楷内加永,灌满排气后封闭管口,用压力案内措内注水缓慢起压至试验压力,保压4h以上。
在试验全过释中,储槽应无破裂、渗漏,明显变形等异常现象。试验压力按公式2)计算确定。
Ps 1. 25 Pop/a, .
武中:
Ps—-试验乐力,单位为兆帕(MPa):P——设计高限液体静压力,单位为兆帕(MPa);\--试验温度下聚内烯的拉伸强度,单位为兆拍(MFa);归一一储槽设计高限温度下聚内烯的拉伸强度,单位为兆帕(MPa)。B.3盛水试漏
在常温下将储槽灌满水,保持 418h以上,储槽应无破裂、渗滞、明显变形等异常现象。8.4尺寸测量
用精度为 1 mm 的卷尺或直尺至取读数.8.5外观检查
在正常光搬下目测。
9检验规则
9.1检验分类
储槽的检验分为山厂检验和型式检验。9. 1. 1 出检验
储槽的出」检验应实行逐产品检验,出厂检验项目包括8.3.8.4、8.5有关规定。9. 1.2 型式捡验
有下列情况之一时,应进行型式检验:a)新产品(包括新规格)的试制定型鉴定。结构改动较大而可能影响性能的改型产品的设计验证。b>
)合同有约定时。
d)其他有必要的情说下,
型式检验项目包括 8.2. 1 或8. 2. 2,8. 4、8. 5有关规定。9.2判定规则
被检储糖无不合格项,则判该台储槽合格。10
小提示:此标准内容仅展示完整标准里的部分截取内容,若需要完整标准请到上方自行免费下载完整标准文档。
标准图片预览:





- 其它标准
- 热门标准
- 化工行业标准(HG)
- HG/T3534-2011 代替 HG/T 3534-2003 工业循环冷却水污垢和腐蚀产物中酸不溶物、磷、铁、铝、钙、镁、锌、铜含量测定方法
- HG/T2784-1996 工业用亚硫酸铵
- HG2208-1991 甲霜灵可湿性粉剂
- HG/T2058.1-1991 搪玻璃温度计套
- HG/T2411-1992 鞋底材料90°屈挠试验方法
- HG/T2343-2012 硫化促进剂ETU
- HG/T4519-2013 碱式碳酸钴
- HG/T5699-2020 扩散渗析阳膜
- HG/T20704.3-2000 机泵专业工程设计阶段的工作程序
- HG2975-1989 气体分析 标准混合气 混合物制备证书
- HG2207-1991 甲霜灵粉剂
- HG/T2192-1991 喷砂橡胶软管
- HG2418-1993 饲料添加剂 碘酸钙
- HG/T2546-1993 导热油-400(联苯-联苯醚混合物)
- HG/T2734-1995 中压反应釜用机械密封技术条件
- 行业新闻
请牢记:“bzxz.net”即是“标准下载”四个汉字汉语拼音首字母与国际顶级域名“.net”的组合。 ©2025 标准下载网 www.bzxz.net 本站邮件:bzxznet@163.com
网站备案号:湘ICP备2025141790号-2
网站备案号:湘ICP备2025141790号-2