- 您的位置:
- 标准下载网 >>
- 标准分类 >>
- 国家标准(GB) >>
- GB/T 5417-2008 炼乳
标准号:
GB/T 5417-2008
标准名称:
炼乳
标准类别:
国家标准(GB)
标准状态:
现行-
发布日期:
2008-01-07 -
实施日期:
2008-12-01 出版语种:
简体中文下载格式:
.rar.pdf下载大小:
180.94 KB
替代情况:
替代GB 5417-1999采标情况:
参照CODEX STAN A-003-1971
首发日期:
1985-09-28起草人:
张春燕、李茂胜、李作恭、林文珍、邸雪枫、杨晓军、张贵海起草单位:
浙江熊猫乳品有限公司、雀巢(中国)有限公司提出单位:
国家标准化管理委员会发布部门:
中华人民共和国国家质量监督检验检疫总局、中国国家标准化管理委员会主管部门:
国家标准化管理委员会相关标签:
炼乳
点击下载
标准简介:
本标准代替GB5417—1999《全脂无糖炼乳和全脂加糖炼乳》。本标准规定了各种炼乳的技术要求、试验方法和标签的要求。本标准适用于共消费者直接食用各种炼乳的生产、检验和销售。 本标准与GB5417—1999相比主要变化如下:———将标准名称改为“炼乳”;———调整了本标准的适用范围;———在GB5417—1999第3章术语和定义中改为“乳固体”和“非脂乳固体”;———增加了产品分类;———取消了GB5417—1999的4.1“原料要求”;———取消了GB5417—1999的4.2“感官特性”;———取消了GB5417—1999的4.3.1“净含量”;———将GB5417—1999 的4.3.2 中淡炼乳和加糖炼乳的蛋白质指标改为蛋白质占非脂乳固体的量;———取消了GB5417—1999的4.3.2对杂质度指标的要求;———将GB5417—1999的4.4中的卫生指标改为“铅、无机砷、锡、黄曲霉毒素M1、菌落总数、大肠菌群、致病菌等卫生指标应符合GB13102的规定”;———取消了GB5417—1999的6.2“包装”、6.3“运输”、6.4“贮存”。 GB/T 5417-2008 炼乳 GB/T5417-2008
部分标准内容:
中华人民共和国国家标准
GB/T5417-2008
代替GB5417—1999
Condensedmilk
2008-01-07发布
中华人民共和国国家质量监督检验检疫总局中国国家标准化管理委员会
2008-12-01实施
GB/T5417-—2008
本标准中除调制炼乳外,其他产品的乳脂肪、乳固体、蛋白质占非脂乳固体的量等指标与CODEXSTANA-3-1971(Rev.1-1999)《炼乳》、CODEXSTANA-4-1971(Rev.1-1999)《加糖炼乳》规定的指标一致。
本标准代替GB5417--1999《全脂无糖炼乳和全脂加糖炼乳》。本标准与GB5417—1999相比主要变化如下:一将标准名称改为“炼乳”;Www.bzxZ.net
调整了本标准的适用范围;
在GB5417-1999第3章术语和定义中改为“乳固体”和“非脂乳固体”;增加了产品分类;
取消了GB5417—1999的4.1“原料要求”;-取消了GB5417—1999的4.2感官特性”;取消了GB5417—1999的4.3.1\净含量”;将GB5417—1999的4.3.2中淡炼乳和加糖炼乳的蛋白质指标改为蛋白质占非脂乳固体的量;
取消了GB5417—1999的4.3.2对杂质度指标的要求;将GB54171999的4.4中的卫生指标改为铅、无机砷、锡、黄曲霉毒索Ml、菌落总数、大肠菌群、致病菌等卫生指标应符合GB13102的规定”;取消了GB5417—1999的6.2“包装”、6.3“运输”、6.4\贮存”。本标准由中国轻工业联合会提出。本标准由全国食品工业标准化技术委员会归口。本标准由全国乳品标准化中心负责起草,浙江熊猫乳品有限公司、雀巢(中国)有限公司参加起草。本标准主要起草人:张春燕、李茂胜、李作恭、林文珍、邸雪枫、杨晓军、张贵海。本标准所代替标准的历次版本发布情况为:-GB5417-1985,GB5417—1999。
1范围
本标准规定了各种炼乳的技术要求、试验方法和标签的要求。本标准适于供消费者直接食用各种炼乳的生产、检验和销售。2规范性引用文件
GB/T5417-—2008
下列文件中的条款通过本标准的引用而成为本标准的条款。凡是注日期的引用文件,其随后所有的修改单(不包括勘误的内容)或修订版均不适用于本标准,然而,鼓励根据本标准达成协议的各方研究是否可使用这些文件的最新版本。凡是不注日期的引用文件,其最新版本适用于本标准。GB2760食品添加剂使用卫生标准GB/T5409牛乳检验方法
GB/T5413.1婴幼儿配方食品和乳粉分蛋白质的测定
GB/T5413.5婴幼儿配方食品和乳粉乳糖、蔗糖和总糖的测定
GB/T5413.7婴幼儿配方食品和乳粉灰分的测定GB/T5418
3全脂加糖炼乳检验方法
GB7718预包装食品标签通则
GB13102
炼乳卫生标准
GB14880
食品营养强化剂使用卫生标准
QB/T3775
5全脂无糖炼乳检验方法
3术语和定义
下列术语和定义适用于本标准。3.1
乳固体
milksolids
乳中的干物质。
注:乳中的干物质包括乳蛋白质、乳脂肪、乳糖和无机盐等。3.2
非脂乳固体milksolids-not-fat乳固体中扣除乳脂肪的剩余物质。4产品分类
4.1淡炼乳(淡炼奶):以乳和(或)乳粉为原料,添加或不添加食品添加剂、食品营养强化剂,经加工制成的粘稠状液体产品。
4.1.1高脂淡炼乳。
4.1.2全脂淡炼乳。
4.1.3部分脱脂淡炼乳。
4.1.4脱脂淡炼乳。
4.2加糖炼乳(加糖炼奶、甜炼乳、甜炼奶):以乳和(或)乳粉、白砂糖为原料,添加或不添加食品添加剂、食品营养强化剂,经加工制成的粘稠状液体产品。1
GB/T5417—2008
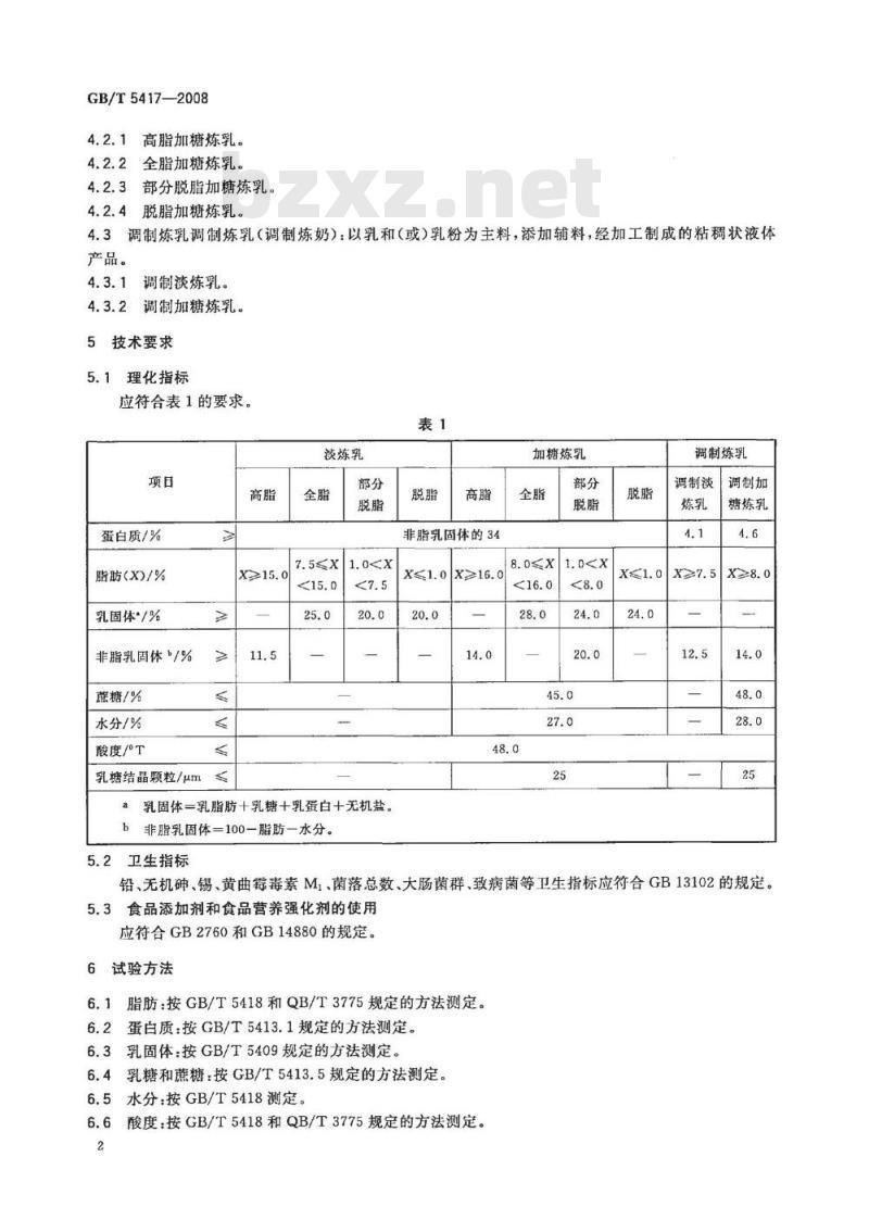
4.2.1高脂加糖炼乳。
全脂加糖炼乳。
部分脱脂加糖炼乳。
4.2.4脱脂加糖炼乳。
4.3调制炼乳调制炼乳(调制炼奶):以乳和(或)乳粉为主料,添加辅料,经加工制成的粘稠状液体产品。
4.3.1调制淡炼乳。
调制加糖炼乳。
5技术要求
理化指标
应符合表1的要求。
淡炼乳
蛋白质/%
脂肪(X)/%
乳固体·/%
非脂乳固体/%
薰糖/%
水分/%
酸度/°T
乳糖结晶颗粒/μm
a乳固体=乳脂肪十乳糖+乳蛋白+无机盐。b非脂乳固体=100一脂肪一水分。5.2卫生指标
非脂乳固体的34
X≤1.0x≥16.0
加糖炼乳
调制炼乳
调制淡
调制加
糖炼乳
铅、无机、锡、黄曲霉毒素M1、菌落总数、大肠菌群、致病菌等卫生指标应符合GB13102的规定。5.3食品添加剂和食品营养强化剂的使用应符合GB2760和GB14880的规定。6试验方法
脂肪:按GB/T5418和QB/T3775规定的方法测定。6.1
6.2蛋白质:按GB/T5413.1规定的方法测定。6.3乳固体:按GB/T5409规定的方法测定。6.4乳糖和蔗糖:按GB/T5413.5规定的方法测定。6.5水分:按GB/T5418测定。
酸度:按GB/T5418和QB/T3775规定的方法测定。6.6
6.7乳糖结晶颗粒:按GB/T5418规定的方法测定。6.8无机盐:按GB/T5413.7规定的方法测定。GB/T5417—2008
6.9铅、无机砷、锡、黄曲霉毒素M、菌落总数、大肠菌群、致病菌等卫生指标:按GB13102规定的方法测定和检验。
7标签
7.1产品标签的标示内容应符合GB7718的规定。7.2产品名称应标示为淡炼乳(淡炼奶)、加糖炼乳(加糖炼奶、甜炼乳、甜炼奶)或调制炼乳(调制炼奶)。
7.3建议标示“本产品不是专为婴幼儿设计,不适合36个月以内婴幼儿食用”,或类似用语。GB/T5417-2008
中华人民共和国
国家标准
GB/T5117—2008
中国标准出版社出版发行
北京复兴门外三里河北街16号
邮政编码:100045
网址spc,net.cn
电话:6852394668517548
中国标准出版社秦皇岛印刷厂印刷各地新华书店经销
开本880×12301/16印张0.5字数7千字2008年3月第一版2008年3月第一次印刷书号:155066:1-30937
如有印装差错由本社发行中心调换版权专有
侵权必究
举报电话:(010)68533533
小提示:此标准内容仅展示完整标准里的部分截取内容,若需要完整标准请到上方自行免费下载完整标准文档。
标准图片预览:





- 其它标准
- 上一篇: GB/T 5410-2008 乳粉(奶粉)
- 下一篇: GB/T 1912-2007 字典纸
- 热门标准
- 国家标准(GB)
- GB/T8566-2022 系统与软件工程 软件生存周期过程
- GB/T2828.1-2012 计数抽样检验程序 第1部分:按接收质量限(AQL)检索的逐批检验抽样计划
- GB175-2023 通用硅酸盐水泥
- GB/T9124.1-2019 钢制管法兰 第1部分:PN 系列
- GB/T29633.4-2020 南极地名 第4部分:罗马字母拼写
- GB/T1182-2018 产品几何技术规范(GPS) 几何公差 形状、方向、位置和跳动公差标注
- GB/T12777-1999 金属波纹管膨胀节通用技术条件
- GB51151-2016 城市轨道交通公共安全防范系统工程技术规范
- GB15985-1995 丝虫病诊断标准及处理原则
- GB/T6113.104-2008 无线电骚扰和抗扰度测量设备和测量方法规范 第1-4部分: 无线电骚扰和抗扰度测量设备 辅助设备 辐射骚扰
- GB2694-1981 输电线路铁塔制造技术条件
- GB/T50062-2008 电力装置的继电保护和自动装置设计规范
- GB/T30544.5-2014 纳米科技 术语 第5部分纳米/生物界面
- GB50116-2013 火灾自动报警系统设计规范
- GB30530-2024 二甲基硅氧烷单位产品能源消耗限额
- 行业新闻
网站备案号:湘ICP备2025141790号-2