- 您的位置:
- 标准下载网 >>
- 标准分类 >>
- 国家标准(GB) >>
- GB/T 16696-2008 小艇 艇体标识 代码
标准号:
GB/T 16696-2008
标准名称:
小艇 艇体标识 代码
标准类别:
国家标准(GB)
标准状态:
现行-
发布日期:
2008-02-14 -
实施日期:
2008-09-01 出版语种:
简体中文下载格式:
.rar.pdf下载大小:
1.38 MB
标准ICS号:
造船和海上建筑物>>47.080小型船中标分类号:
船舶>>船舶综合>>U04基础标准与通用方法
替代情况:
替代GB/T 16696-1996采标情况:
IDT ISO 10087:2006
点击下载
标准简介:
标准下载解压密码:www.bzxz.net
本标准规定了小艇艇体标识用代码。本标准适用于艇体产度不大于24m的各种类型和材料的小艇。本标准不适用于海滨或浴场的游乐艇。本标准等同采用ISO 10087:2006《小艇 艇体标识 代码》(英文版)。本标准代替GB/T 16696-1996《小艇 艇体标识 代码》。本标准与GB/T 16696-1996相比,主要变化如下:———对ISO 标准的采用版本不同,GB/T 16696-1996等同采用ISO 10087:2006;———引用文件ISO3166-1目前国内最新版本为GB/T 2659-2000,由于原文对其引用时未注日期,本次修订为GB/T 2659《世界各国和地区名称代码》;———取消了注1,将其内容与型号年份码的规定合并。 GB/T 16696-2008 小艇 艇体标识 代码 GB/T16696-2008
部分标准内容:
ICS47.080
中华人民共和国国家标准
GB/T16696—2008/IS010087:2006代替GB/T16696—1996
艇体标识
Small craft--Craft identification-Coding system(ISO10087:2006,IDT)
2008-02-14发布
中华人民共和国国家质量监督检验检疫总局中国国家标准化管理委员会
2008-09-01实施
GB/T16696—2008/IS010087:2006本标准等同采用IS010087:2006《小艇艇体标识代码》(英文版)。
本标准等同翻译ISO10087:2006。为便于使用,本标准作了下列编辑性修改:“本国际标准”一词改为“本标准”;用小数点“”代替作为小数点的“,”;一删除国际标准的前言;
一对悬置段予以编号,其他条号顺延。本标准代替GB/T16696—1996《小艇艇体标识代码》。本标准与GB/T16696—1996相比,主要变化如下:对ISO标准的采用版本不同,GB/T16696—1996等同采用ISO10087:1995;引用文件ISO3166-1目前国内最新版本为GB/T2659一2000,由于原文对其引用时未注日期,本次修订为GB/T2659《世界各国和地区名称代码》;取消了注1,将其内容与型号年份码的规定合并。本标准由中国船舶工业集团公司提出。本标准由全国小艇标准化技术委员会归口。本标准起草单位:中国船舶工业综合技术经济研究院。本标准主要起草人:王俊
本标准所代替标准的历次版本发布情况为:GB/T16696—1996。
1范围
小艇艇体标识
本标准规定了小艇艇体标识用代码,包括:制造厂所属国家标识码;
—制造厂标识码;
一系列号;
一制成月份和年份码;
-型号年份码。
GB/T16696—2008/IS010087:2006代码
本标准适用于艇体长度不大于24m的各种类型和材料的小艇。本标准不适用于海滨或浴场的游乐艇。2规范性引用文件
下列文件中的条款通过本标准的引用而成为本标准的条款。凡是注日期的引用文件,其随后所有的修改单(不包括勘误的内容)或修订版均不适用于本标准,然而,鼓励根据本标准达成协议的各方研究是否可使用这些文件的最新版本。凡是不注日期的引用文件,其最新版本适用于本标准。GB/T2659世界各国和地区名称代码(GB/T2659—2000,eqvISO3166-1:1997)3术语和定义
下列术语和定义适用于本标准。3.1
craftidentificationnumber
艇体标识号(CIN)
永久性标注在小艇艇体上的一组特定的数字、字母和短横线。3.2
制造厂manufacturer
对在市场上出售适用本标准的产品负有责任的自然人或法人。4艇体标识号(CIN)的组成
4.1CIN应由4.1~4.4条中规定的14个连续字符及短横线(-)组成,其间无间隔符、分隔符(斜线号)或破折号。
4.2起始的2个字符按GB/T2659的规定,表示该小艇制造国的国家标识码,其后应标注一个短横线。
4.3接着的3个字符是由国家主管机关或公认组织所指定的唯一的标识码,这个标识码可能是:一制造厂标识码,或
国家主管机构或公认组织标识码。这些字符可由除数字0和1以外的数字和/或字母组成。4.4随后的5个字符表示该小艇的系列号,由以下部门指定:—制造厂,或
一国家主管机构或公认组织。
本系列号可由数字和/或除字母I、O和Q以外的字母组成。1
GB/T16696—2008/IS010087:20064.5最后的4个字符用来表示小艇制成的月份、年份以及型号年份。制成月份码应符合表1的规定。
表1制成月份码
十一月
十二月
制成年份码应以小艇制成年份的最后一位数字来标识。代
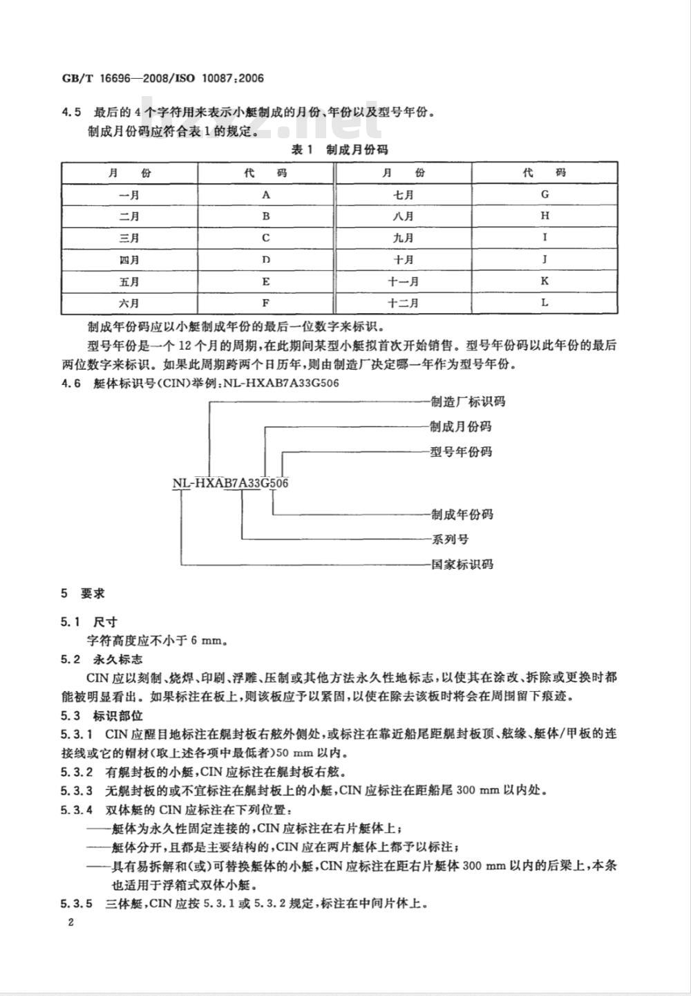
型号年份是一个12个月的周期,在此期间某型小艇拟首次开始销售。型号年份码以此年份的最后两位数字来标识。如果此周期跨两个日历年,则由制造厂决定哪一年作为型号年份。4.6艇体标识号(CIN)举例:NL-HXAB7A33G506制造厂标识码
制成月份码
型号年份码
NL-HXAB7A33G506
制成年份码
系列号
国家标识码
5要求
5.1尺寸
字符高度应不小于6mm。
5.2永久标志
CIN应以刻制、烧焊、印刷、浮雕、压制或其他方法永久性地标志,以使其在涂改、拆除或更换时都能被明显看出。如果标注在板上,则该板应予以紧固,以使在除去该板时将会在周围留下痕迹。5.3标识部位
5.3.1CIN应醒目地标注在舰封板右外侧处,或标注在靠近船尾距舰封板顶、缘、艇体/甲板的连接线或它的帽材(取上述各项中最低者)50mm以内。5.3.2有舰封板的小艇,CIN应标注在舰封板右。5.3.3
无舰封板的或不宜标注在舰封板上的小艇,CIN应标注在距船尾300mm以内处。双体艇的CIN应标注在下列位置:艇体为永久性固定连接的,CIN应标注在右片艇体上;艇体分开,且都是主要结构的,CIN应在两片艇体上都予以标注;具有易拆解和(或)可替换艇体的小艇,CIN应标注在距右片艇体300mm以内的后梁上,本条也适用于浮箱式双体小艇。
5三体艇,CIN应按5.3.1或5.3.2规定,标注在中间片体上。5.3.5
GB/T16696—2008/IS01008720065.3.6气胀式艇,CIN应标注在刚性的后横梁或发动机的机架上,并距右炫的艇体连接处300mm以内。由于该艇的结构使得CIN不易于看见,可把此CIN额外地标注在该艇的其他合适的结构上,例如标注在控制台组件上。
5.3.7栏杆、装配件或其他附件不应遮盖按上述规定标注的CIN。如果因小艇设计而出现这种情况则CIN应标注在尽可能靠近上述规定位置的醒目处。5.4备用艇体标识号
备用CIN应固定在仅制造厂知道的隐匿位置。此位置应为艇体不可拆卸的部件,例如在一个五金脑装件的下面或里面。双体船两个片体都应有隐藏的CIN,CIN的位置应使其极难于接近或改变。5.5标注艇体标识号的时间
应在艇体建造期内将CIN标注在小艇上。在任何情况下,小艇都不应在未标注CIN时投放市场。5.6表示格式
CIN应以学母数学符(阿拉伯数学和大写体学母)表示,且应从左至右读取。6附加内容
如果要在此小艇上距CIN50mm以内表示其他附加内容,则应用边框线把附加内容与CIN分隔开,或将其标注在一块单独的标牌上,以免被误认为是CIN的一部分。GB/T16696-2008bZxz.net
中华人民共和国
国家标准
小艇艇体标识
GB/T16696—2008/ISO10087:2006*
中国标准出版社出版发行
北京复兴门外三里河北街16号
邮政编码:100045
网址www.spc.nct.cn
电话:6852394668517548
中国标准出版社秦皇岛印刷厂印刷各地新华书店经销
开本880×1230
2008年5月第一版
印张0.5
字数7千字
2008年5月第一次印刷
书号:155066·1-31289
如有印装差错
由本社发行中心调换
版权专有侵权必究
举报电话:(010)68533533
0S1/8002—96991
小提示:此标准内容仅展示完整标准里的部分截取内容,若需要完整标准请到上方自行免费下载完整标准文档。
中华人民共和国国家标准
GB/T16696—2008/IS010087:2006代替GB/T16696—1996
艇体标识
Small craft--Craft identification-Coding system(ISO10087:2006,IDT)
2008-02-14发布
中华人民共和国国家质量监督检验检疫总局中国国家标准化管理委员会
2008-09-01实施
GB/T16696—2008/IS010087:2006本标准等同采用IS010087:2006《小艇艇体标识代码》(英文版)。
本标准等同翻译ISO10087:2006。为便于使用,本标准作了下列编辑性修改:“本国际标准”一词改为“本标准”;用小数点“”代替作为小数点的“,”;一删除国际标准的前言;
一对悬置段予以编号,其他条号顺延。本标准代替GB/T16696—1996《小艇艇体标识代码》。本标准与GB/T16696—1996相比,主要变化如下:对ISO标准的采用版本不同,GB/T16696—1996等同采用ISO10087:1995;引用文件ISO3166-1目前国内最新版本为GB/T2659一2000,由于原文对其引用时未注日期,本次修订为GB/T2659《世界各国和地区名称代码》;取消了注1,将其内容与型号年份码的规定合并。本标准由中国船舶工业集团公司提出。本标准由全国小艇标准化技术委员会归口。本标准起草单位:中国船舶工业综合技术经济研究院。本标准主要起草人:王俊
本标准所代替标准的历次版本发布情况为:GB/T16696—1996。
1范围
小艇艇体标识
本标准规定了小艇艇体标识用代码,包括:制造厂所属国家标识码;
—制造厂标识码;
一系列号;
一制成月份和年份码;
-型号年份码。
GB/T16696—2008/IS010087:2006代码
本标准适用于艇体长度不大于24m的各种类型和材料的小艇。本标准不适用于海滨或浴场的游乐艇。2规范性引用文件
下列文件中的条款通过本标准的引用而成为本标准的条款。凡是注日期的引用文件,其随后所有的修改单(不包括勘误的内容)或修订版均不适用于本标准,然而,鼓励根据本标准达成协议的各方研究是否可使用这些文件的最新版本。凡是不注日期的引用文件,其最新版本适用于本标准。GB/T2659世界各国和地区名称代码(GB/T2659—2000,eqvISO3166-1:1997)3术语和定义
下列术语和定义适用于本标准。3.1
craftidentificationnumber
艇体标识号(CIN)
永久性标注在小艇艇体上的一组特定的数字、字母和短横线。3.2
制造厂manufacturer
对在市场上出售适用本标准的产品负有责任的自然人或法人。4艇体标识号(CIN)的组成
4.1CIN应由4.1~4.4条中规定的14个连续字符及短横线(-)组成,其间无间隔符、分隔符(斜线号)或破折号。
4.2起始的2个字符按GB/T2659的规定,表示该小艇制造国的国家标识码,其后应标注一个短横线。
4.3接着的3个字符是由国家主管机关或公认组织所指定的唯一的标识码,这个标识码可能是:一制造厂标识码,或
国家主管机构或公认组织标识码。这些字符可由除数字0和1以外的数字和/或字母组成。4.4随后的5个字符表示该小艇的系列号,由以下部门指定:—制造厂,或
一国家主管机构或公认组织。
本系列号可由数字和/或除字母I、O和Q以外的字母组成。1
GB/T16696—2008/IS010087:20064.5最后的4个字符用来表示小艇制成的月份、年份以及型号年份。制成月份码应符合表1的规定。
表1制成月份码
十一月
十二月
制成年份码应以小艇制成年份的最后一位数字来标识。代
型号年份是一个12个月的周期,在此期间某型小艇拟首次开始销售。型号年份码以此年份的最后两位数字来标识。如果此周期跨两个日历年,则由制造厂决定哪一年作为型号年份。4.6艇体标识号(CIN)举例:NL-HXAB7A33G506制造厂标识码
制成月份码
型号年份码
NL-HXAB7A33G506
制成年份码
系列号
国家标识码
5要求
5.1尺寸
字符高度应不小于6mm。
5.2永久标志
CIN应以刻制、烧焊、印刷、浮雕、压制或其他方法永久性地标志,以使其在涂改、拆除或更换时都能被明显看出。如果标注在板上,则该板应予以紧固,以使在除去该板时将会在周围留下痕迹。5.3标识部位
5.3.1CIN应醒目地标注在舰封板右外侧处,或标注在靠近船尾距舰封板顶、缘、艇体/甲板的连接线或它的帽材(取上述各项中最低者)50mm以内。5.3.2有舰封板的小艇,CIN应标注在舰封板右。5.3.3
无舰封板的或不宜标注在舰封板上的小艇,CIN应标注在距船尾300mm以内处。双体艇的CIN应标注在下列位置:艇体为永久性固定连接的,CIN应标注在右片艇体上;艇体分开,且都是主要结构的,CIN应在两片艇体上都予以标注;具有易拆解和(或)可替换艇体的小艇,CIN应标注在距右片艇体300mm以内的后梁上,本条也适用于浮箱式双体小艇。
5三体艇,CIN应按5.3.1或5.3.2规定,标注在中间片体上。5.3.5
GB/T16696—2008/IS01008720065.3.6气胀式艇,CIN应标注在刚性的后横梁或发动机的机架上,并距右炫的艇体连接处300mm以内。由于该艇的结构使得CIN不易于看见,可把此CIN额外地标注在该艇的其他合适的结构上,例如标注在控制台组件上。
5.3.7栏杆、装配件或其他附件不应遮盖按上述规定标注的CIN。如果因小艇设计而出现这种情况则CIN应标注在尽可能靠近上述规定位置的醒目处。5.4备用艇体标识号
备用CIN应固定在仅制造厂知道的隐匿位置。此位置应为艇体不可拆卸的部件,例如在一个五金脑装件的下面或里面。双体船两个片体都应有隐藏的CIN,CIN的位置应使其极难于接近或改变。5.5标注艇体标识号的时间
应在艇体建造期内将CIN标注在小艇上。在任何情况下,小艇都不应在未标注CIN时投放市场。5.6表示格式
CIN应以学母数学符(阿拉伯数学和大写体学母)表示,且应从左至右读取。6附加内容
如果要在此小艇上距CIN50mm以内表示其他附加内容,则应用边框线把附加内容与CIN分隔开,或将其标注在一块单独的标牌上,以免被误认为是CIN的一部分。GB/T16696-2008bZxz.net
中华人民共和国
国家标准
小艇艇体标识
GB/T16696—2008/ISO10087:2006*
中国标准出版社出版发行
北京复兴门外三里河北街16号
邮政编码:100045
网址www.spc.nct.cn
电话:6852394668517548
中国标准出版社秦皇岛印刷厂印刷各地新华书店经销
开本880×1230
2008年5月第一版
印张0.5
字数7千字
2008年5月第一次印刷
书号:155066·1-31289
如有印装差错
由本社发行中心调换
版权专有侵权必究
举报电话:(010)68533533
0S1/8002—96991
小提示:此标准内容仅展示完整标准里的部分截取内容,若需要完整标准请到上方自行免费下载完整标准文档。
标准图片预览:





- 其它标准
- 热门标准
- 国家标准(GB)
- GB/T2828.1-2012 计数抽样检验程序 第1部分:按接收质量限(AQL)检索的逐批检验抽样计划
- GB/T2855.8-1990 冲模滑动导向模座 后侧导柱窄形下模座
- GB/T2481.2-1998 固结磨具用磨料 粒度组成的检测和标记 第2部分:微粉F230?F1200
- GB/T12611-2008 金属零(部)件镀覆前质量控制技术要求
- GB/T40094.2-2021 电子商务数据交易第2部分:数据描述规范
- GB/T33588.3-2020 雷电防护系统部件(LPSC)第3部分:隔离放电间隙(ISG)的要求
- GB/T39275-2020 电力电子系统和设备有源馈电变流器(AIC)应用的运行条件和特性
- GB/T29077-2024 星箭界面飞行环境遥测数据处理要求
- GB/T18487.1-2023 电动汽车传导充电系统 第1部分:通用要求
- GB24500-2020 工业锅炉能效限定值及能效等级
- GB4706.7-1999 家用和类似用途电器的安全真空吸尘器和吸水式清洁器的特殊要求
- GB/T3047.3-2003 高度进制为20mm的插箱、插件基本尺寸系列
- GB9075-1988 架空索道用钢丝绳检验和报废规范
- GB15735-2004 金属热处理生产过程安全卫生要求
- GB17378.5-1998 海洋监测规范 第5部分:沉积物分析
- 行业新闻
请牢记:“bzxz.net”即是“标准下载”四个汉字汉语拼音首字母与国际顶级域名“.net”的组合。 ©2025 标准下载网 www.bzxz.net 本站邮件:bzxznet@163.com
网站备案号:湘ICP备2025141790号-2
网站备案号:湘ICP备2025141790号-2