- 您的位置:
- 标准下载网 >>
- 标准分类 >>
- 机械行业标准(JB) >>
- JB/T 10852-2008 立卧两用磨光机 精度
标准号:
JB/T 10852-2008
标准名称:
立卧两用磨光机 精度
标准类别:
机械行业标准(JB)
标准状态:
现行-
发布日期:
2008-03-12 -
实施日期:
2008-09-01 出版语种:
简体中文下载格式:
.rar.pdf下载大小:
453.51 KB
标准ICS号:
木材技术>>木工设备>>79.120.10木工机械中标分类号:
机械>>通用加工机械与设备>>J65木工机床及机用工具

点击下载
标准简介:
标准下载解压密码:www.bzxz.net
本标准规定了立卧两用磨光机的几何精度及工作精度,并给定了相应的公差,适用于一般用途、普通精度的机床。本标准只规定机床精度检验,不适用于机床的运动试验(如振动、异常噪声、零部件的爬行等检验),也不适用于机床的特性检验(如速度、进给量等),这些检验一般均在机床精度检验前进行。 JB/T 10852-2008 立卧两用磨光机 精度 JB/T10852-2008

部分标准内容:
1CS 79.120.1D
备案号:23233—2008
中华人民共和国机械行业标准
JB/T10852—2008
立卧两用磨光机
Vertical and horizontal dual-purpose sanderAcceptance conditions2008-03-12发布
2008-09-01实施
中华人民共和国国家发展和改革委员会发布JB/T10852—2008
本标准由中国机械工业联合会提出:前
本标准由全国木工机床与刀具标准化技术委员会(SAC/TC84)归口。本标准负责起草单位:山东工友集团股份有限公司负责起草。本标准起草人:荤延文、李忠刚、史金花、郭玉艳、本标准为首次发布。
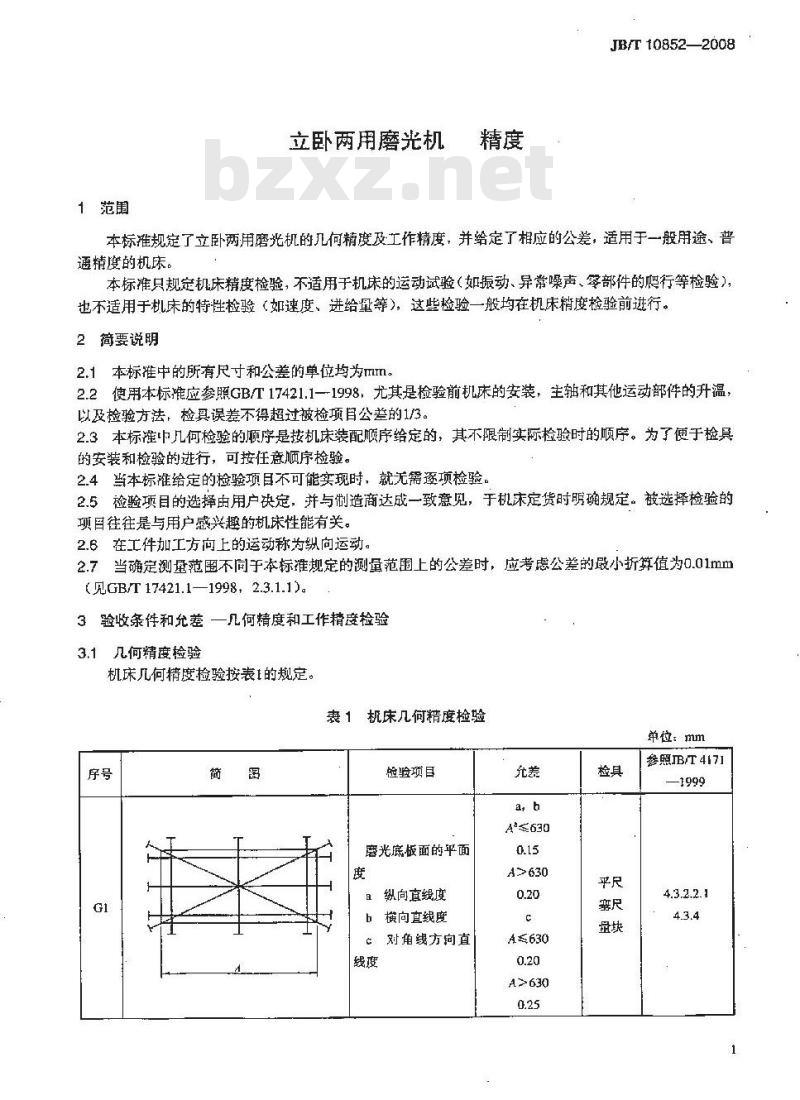
1范围
立卧两用磨光机
JB/T10852—2008
本标准规定了立卧两用磨光机的几何精度及工作精度,并给定了相应的公差,适用于一般用途,普精度的机床。
本标准只规定机床精度检验,不适用于机床的运动试验(如振动、异常噪声、零部件的爬行等检验),也不适用于机床的特性检验(如速度、进给量等),这些检验一般均在机床精度检验前进行。2简要说明
2.1本标准中的所有尺寸和公差的单位均为mm。2.2使用本标推应参照GB/T17421.1—-1998,尤其是检验前机床的安装,主轴和其他运动部件的升温,以及捡验方法,检具误差不得超过被检项目公差的1/3。2.3本标准中几何检验的顺序是按机床装配顺序给定的,其不限制实际检验时的顺序。为了便于检具的安装和检验的进行,可按任意顺序检验。2.4当本标推给定的检验项目不可能实现时,就无需逐项检验,2.5检验项目的选择由用户决定,并与制造商达成一致意见,于机床定货时明确规定。被选择检验的项目往往是与用户感兴趣的机床性能有关。2.6在工件加工方向上的运动称为纵向运动。2.7当确定测量范图不间于本标谁规定的测量范围上的公差时,应考虑公差的最小折算值为0.01mm(见GB/T17421.1—1998,2.3.1.1)。3验收条件和允差一几何精度和工作精度检验3.1几何精度检验
机床几何精度捡验按表1的规定。表1机床几何精度检验
单位:mm
检验项目
磨光底板面的平面
a、纵向直线度
b横向直线度
C对角线方向直
A≤630
参照B/T4171
4.3.2.2.1
JB/T10852—2008
表1(续)
检验项自
磨光辑
面对磨光膜
板面的垂直我
驱动辑的径向逊跳
指示器
指示器
参照JB厅4171
~-1999
4.3.2.2.1
4.7.1.2.2.2
磨光底板而长度。
工作台面长度。
垂直度检验长度。
3.2工作精度检验
桃床工作精度检验按表2的规定。表1(续)
检验项目
昆的径向阅跳
张紧辊与磨光底板
面的平行度
JB/T10852-—2008
参照JB/TA171
指示器
指示器
指示器
4.2.1.2.2.2 2
在驱动辊上
母线与工作台
面距离mm处
4.7.1,2.2.2
在张辊上
母线与工作台
面距离1mm处
JB/T10852-2008
表2机床工作精度检验
试验材质和
加工条件
a)试件为含水率
不超过15%的
常用硬染木
b)试件尺寸规格
为:长度大于
等于1000,宽
度应是砂带宽
度的34厚度
大于等于15。
c)试件基准面的
直线度为:
:1000:0.15.
d)砂带质量应符
合有关标准规
按机种类别,不具备表中菜一性能者,可不进行此项检验。检验
试件磨
削面的平
在1000测量
长度上为0.30
要求磨光后
各试件整个表
面光整,不允许
试件磨有因机器因紊
削面的表引起的朗显波
面质盘
纹和沟纹缺陷。
嘴头、尾和塌
边等误差4小下载标准就来标准下载网
于0.15mm
单位:mm
参照BT4171
6.3.5在试件
的加工面上,接
长度方向放暨
两个等高录块,
然后将平尺放
在等高过块上,
用案尺和盘决
测量其最大间
隙,取最大值为
平面度数值。
在纵向和对
角线方向检验:
连续磨光3张
同样材质的试
件,音烫捡查波
纹和沟纹缺陷。
并用角尺和密
尺检测其他缺
GB/T.17421.1-1998
ISO230-1:1996)
JB/T 4171--1999
参考文献
JB/T10852-2008
第1部分:在无负荷或精加工条件下机床的几何精度(eqv机床检验通则
木工机床
精度检验通卿
中华人民共和国
机械行业标准
立卧两用磨光机精度
JB/T10852—2008
机工业出版社出版发行
北京市百万庄大街22号
邮政编码:100037
210mm×297mm-0.5印张+15千字
2008年9月第1版第1次印刷
定价:10.00元
书号: 15111 -9132
网址:htp://wuw.cmpbook.com编辑部电话:(010)88379778
直销中心电话:
(010)88379693
封面无防伪标均为盗版
版权专有
侵权必究
小提示:此标准内容仅展示完整标准里的部分截取内容,若需要完整标准请到上方自行免费下载完整标准文档。
备案号:23233—2008
中华人民共和国机械行业标准
JB/T10852—2008
立卧两用磨光机
Vertical and horizontal dual-purpose sanderAcceptance conditions2008-03-12发布
2008-09-01实施
中华人民共和国国家发展和改革委员会发布JB/T10852—2008
本标准由中国机械工业联合会提出:前
本标准由全国木工机床与刀具标准化技术委员会(SAC/TC84)归口。本标准负责起草单位:山东工友集团股份有限公司负责起草。本标准起草人:荤延文、李忠刚、史金花、郭玉艳、本标准为首次发布。
1范围
立卧两用磨光机
JB/T10852—2008
本标准规定了立卧两用磨光机的几何精度及工作精度,并给定了相应的公差,适用于一般用途,普精度的机床。
本标准只规定机床精度检验,不适用于机床的运动试验(如振动、异常噪声、零部件的爬行等检验),也不适用于机床的特性检验(如速度、进给量等),这些检验一般均在机床精度检验前进行。2简要说明
2.1本标准中的所有尺寸和公差的单位均为mm。2.2使用本标推应参照GB/T17421.1—-1998,尤其是检验前机床的安装,主轴和其他运动部件的升温,以及捡验方法,检具误差不得超过被检项目公差的1/3。2.3本标准中几何检验的顺序是按机床装配顺序给定的,其不限制实际检验时的顺序。为了便于检具的安装和检验的进行,可按任意顺序检验。2.4当本标推给定的检验项目不可能实现时,就无需逐项检验,2.5检验项目的选择由用户决定,并与制造商达成一致意见,于机床定货时明确规定。被选择检验的项目往往是与用户感兴趣的机床性能有关。2.6在工件加工方向上的运动称为纵向运动。2.7当确定测量范图不间于本标谁规定的测量范围上的公差时,应考虑公差的最小折算值为0.01mm(见GB/T17421.1—1998,2.3.1.1)。3验收条件和允差一几何精度和工作精度检验3.1几何精度检验
机床几何精度捡验按表1的规定。表1机床几何精度检验
单位:mm
检验项目
磨光底板面的平面
a、纵向直线度
b横向直线度
C对角线方向直
A≤630
参照B/T4171
4.3.2.2.1
JB/T10852—2008
表1(续)
检验项自
磨光辑
面对磨光膜
板面的垂直我
驱动辑的径向逊跳
指示器
指示器
参照JB厅4171
~-1999
4.3.2.2.1
4.7.1.2.2.2
磨光底板而长度。
工作台面长度。
垂直度检验长度。
3.2工作精度检验
桃床工作精度检验按表2的规定。表1(续)
检验项目
昆的径向阅跳
张紧辊与磨光底板
面的平行度
JB/T10852-—2008
参照JB/TA171
指示器
指示器
指示器
4.2.1.2.2.2 2
在驱动辊上
母线与工作台
面距离mm处
4.7.1,2.2.2
在张辊上
母线与工作台
面距离1mm处
JB/T10852-2008
表2机床工作精度检验
试验材质和
加工条件
a)试件为含水率
不超过15%的
常用硬染木
b)试件尺寸规格
为:长度大于
等于1000,宽
度应是砂带宽
度的34厚度
大于等于15。
c)试件基准面的
直线度为:
:1000:0.15.
d)砂带质量应符
合有关标准规
按机种类别,不具备表中菜一性能者,可不进行此项检验。检验
试件磨
削面的平
在1000测量
长度上为0.30
要求磨光后
各试件整个表
面光整,不允许
试件磨有因机器因紊
削面的表引起的朗显波
面质盘
纹和沟纹缺陷。
嘴头、尾和塌
边等误差4小下载标准就来标准下载网
于0.15mm
单位:mm
参照BT4171
6.3.5在试件
的加工面上,接
长度方向放暨
两个等高录块,
然后将平尺放
在等高过块上,
用案尺和盘决
测量其最大间
隙,取最大值为
平面度数值。
在纵向和对
角线方向检验:
连续磨光3张
同样材质的试
件,音烫捡查波
纹和沟纹缺陷。
并用角尺和密
尺检测其他缺
GB/T.17421.1-1998
ISO230-1:1996)
JB/T 4171--1999
参考文献
JB/T10852-2008
第1部分:在无负荷或精加工条件下机床的几何精度(eqv机床检验通则
木工机床
精度检验通卿
中华人民共和国
机械行业标准
立卧两用磨光机精度
JB/T10852—2008
机工业出版社出版发行
北京市百万庄大街22号
邮政编码:100037
210mm×297mm-0.5印张+15千字
2008年9月第1版第1次印刷
定价:10.00元
书号: 15111 -9132
网址:htp://wuw.cmpbook.com编辑部电话:(010)88379778
直销中心电话:
(010)88379693
封面无防伪标均为盗版
版权专有
侵权必究
小提示:此标准内容仅展示完整标准里的部分截取内容,若需要完整标准请到上方自行免费下载完整标准文档。

标准图片预览:





- 其它标准
- 热门标准
- 机械行业标准(JB)
- JB/T6882-2006 泵可靠性验证试验
- JB/T9592.2-1999 全金属12角法兰面锁紧螺母 技术条件
- JB/T4718-1992 管壳式换热器用金属包垫片
- JB8734.2-1998 额定电压 450/750V及以下聚氯乙烯绝缘电缆电线和软线第2部分: 固定布线用电缆电线
- JB/T10187-2011 滚动轴承 深沟球轴承振动
- JB/T7991.4-2001 电镀超硬磨料制品 磨头
- JB/T10325-2002 锅炉除氧器 技术条件
- JB/T8528-1997 普通型阀门电动装置 技术条件
- JBJ10-1996 机械工厂采暖通风与空气调节设计规范
- JB/T2740-2008 工业机械电气设备 电气图、图解和表的绘制
- JB/T82.1-1994 凸面对焊钢制管法兰
- JB/T6313.2-1992 电工铜编织线 斜纹编织线
- JB/T5917-2006 袋式除尘器用滤袋框架
- JB/T9768-1999 内燃机 气缸套平台珩磨网纹 技术规范及检测方法
- JB/T10472-2005 光轮压路机
- 行业新闻
请牢记:“bzxz.net”即是“标准下载”四个汉字汉语拼音首字母与国际顶级域名“.net”的组合。 ©2009 标准下载网 www.bzxz.net 本站邮件:bzxznet@163.com
网站备案号:湘ICP备2023016450号-1
网站备案号:湘ICP备2023016450号-1